4-kanałowy termostat z alarmem

4-kanałowy termostat z alarmem
Pobierz PDF Download icon

Układ służy do utrzymywania oraz monitorowania temperatury w czterech punktach. Dzięki temu, że temperatura załączenia i wyłączenia przekaźników jest ustawiana niezależnie, uzyskano praktycznie nieograniczoną możliwość aplikacji. Termostat może pracować zarówno w trybie grzania jak i chłodzenia z niemal dowolną szerokością pętli histerezy. Dodatkowo, użytkownik ma możliwość ustawienia oddzielnie dla każdego czujnika temperatury alarmowej, której przekroczenie będzie sygnalizowane brzęczykiem. Aby jeszcze bardziej uatrakcyjnić funkcjonalność termostatu, użytkownik ma możliwość przypisania indywidualnej nazwy dla każdego z czterech punktów pomiarowych. Rekomendacje: termostat przyda się np. do regulowania temperatury indywidualnie w każdym pokoju.

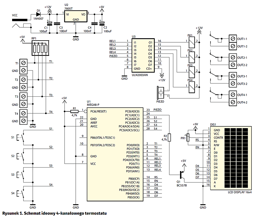
Schemat ideowy termostatu pokazano na rysunku 1. Za jego funkcjonalność odpowiada mikrokontroler ATmega8 taktowany wewnętrznym przebiegiem zegarowym. Urządzenie powinno być zasilane napięciem stałym o wartości 9...16 V doprowadzonym do złącza VCC. Może je dostarczać dowolny zasilacz wtyczkowy z wtykiem 2,1 mm/5,5 mm o wydajności prądowej nie mniejszej niż 200 mA. Dioda D1 stanowi zabezpieczenie przed niewłaściwą polaryzacją napięcia wejściowego. Stabilizator U2 dostarcza napięcia 5 V, a elementy C1...C4 zapewniają odpowiednią filtrację tego napięcia.

Wyniki pomiaru temperatury wyświetlane są na wyświetlaczu LCD o organizacji 4 linie ×16 znaków. Dzięki zastosowaniu wyświetlacza tego typu jest możliwe pokazanie wszystkich parametrów jednocześnie i to zarówno podczas normalnej pracy, gdy wraz z odczytanymi wartościami temperatury wyświetlane są ich etykiety, jak i w trybie ustawień i konfiguracji.

Linie danych wyświetlacza LCD dołączono do wyprowadzeń PB0...PB5 mikrokontrolera. Wskazania temperatury aktualizowane są co 2 sekundy.

Sterowanie podświetlaniem wyświetlacza odbywa się za pomocą sygnału PWM za pośrednictwem tranzystora Q1.

Jako wzmacniacz wyjściowy dla poszczególnych wyjść termostatu zastosowano układ typu ULN2003A, który umożliwia bezpośrednie sterowanie przekaźnikami. Ze względu na stosunkowo niewielką obciążalność styków przekaźników (1 A/230 V AC) przy sterowaniu obciążeniami o znacznej mocy lub silnym charakterze indukcyjnym czy pojemnościowym, należy zastosować dodatkowy przekaźnik lub stycznik o odpowiednio większej obciążalności styków.

Na potrzeby interfejsu użytkownika termostat wyposażono w przyciski S1…S4. Rolę sygnalizatora osiągnięcia temperatury alarmowej pełni brzęczyk z generatorem. Każdy z czujników temperatury dołączono do osobnego wyprowadzenia mikrokontrolera. Dzięki takiemu rozwiązaniu czujniki są gotowe do pracy zaraz po przyłączeniu i nie ma konieczności rejestracji ich numerów seryjnych.

Układ zmontowano na dwustronnej płytce drukowanej o wymiarach 100×62 mm, której schemat montażowy pokazano na rysunku 2. Montaż termostatu wykonujemy typowo poza wyświetlaczem LCD oraz przyciskami S1...S4, które należy wlutować od strony druku. Sposób montażu wyświetlacza LCD pokazano na fotografii 3. Prawidłowo zmontowany termostat nie wymaga żadnych czynności uruchomieniowych i po dołączeniu czujników oraz włączeniu zasilania może od razu rozpocząć pracę. Czujniki temperatury należy doprowadzić do płytki drukowanej łącząc ich zewnętrzne wyprowadzenia do punktu oznaczonego „GND”, a środkowe wyprowadzenie do punktu oznaczonego T1...T4.

Układ przeszedł pozytywne testy z przewodem o długości 30 metrów. Jeżeli będziemy dokonywać pomiarów temperatury jedynie powietrza, to wystarczy osłonić czujniki przed ewentualnymi wpływami czynników atmosferycznych lub uszkodzeniem mechanicznym za pomocą rurki termokurczliwej. Przy pomiarach temperatury cieczy, należy zadbać o solidnie zabezpieczenie czujnika i jego styków przed wilgocią.

Gdy czujniki są połączone z płytką włączamy zasilanie i regulujemy kontrast wyświetlacza za pomocą potencjometru PR1. Na wyświetlaczu zostaną wyświetlone przypisane nazwy oraz po chwili wszystkie aktualnie odczytane temperatury (rysunek 4). Przy współpracy z mniejszą liczbą czujników na wyświetlaczu w odpowiednim miejscu nie zostanie wyświetlona żadna wartość. Pracę termometru sygnalizuje migający punkt przed nazwą kanału.

Obsługa urządzenia jest łatwa i intuicyjna, a odbywa się za pomocą 4 przycisków. Aby wejść w tryb ustawień należy przyciskiem S2 lub S3 ustawić strzałkę przy kanale, którego zmiany parametrów chcemy dokonać i następnie zatwierdzić wybór przyciskiem „OK” (S4). W menu konfiguracyjnym (rysunek 5) mamy możliwość ustawienia nazwy kanału (maksymalnie 10 znaków), a w kolejnym wierszu temperaturę załączenia przekaźnika. Dalej, temperaturę jego wyłączenia oraz w ostatnim – temperaturę alarmową. Zmian dokonujemy analogicznie przyciskami S2 i S3 zatwierdzając wybór przyciskiem „OK” (S4). Przycisk „ESC” (S1) służy do opuszczenia trybu ustawień.

Po zatwierdzeniu ustawień, wszystkie parametry zostaną zapisane do pamięci nieulotnej i termostat powróci do wyświetlania aktualnych temperatur. Po około 20 sekundach podświetlenie wyświetlacza zostanie delikatnie przygaszone. Fakt załączenia przekaźnika będzie sygnalizowany symbolem kwadratu umieszczonym przed nazwą kanału. Jeżeli w menu konfiguracyjnym ustawiono wartość temperatury alarmowej, to w wypadku jej wystąpienia na konkretnym czujniku uruchomiony zostanie sygnał dźwiękowy. Dodatkowo, jej wartość będzie migać. Sygnał alarmu można wyłączyć naciskając dowolny przycisk.

EB


Artykuł ukazał się w
Elektronika Praktyczna
czerwiec 2017
DO POBRANIA
Pobierz PDF Download icon
Elektronika Praktyczna Plus lipiec - grudzień 2012

Elektronika Praktyczna Plus

Monograficzne wydania specjalne

Elektronik listopad 2025

Elektronik

Magazyn elektroniki profesjonalnej

Raspberry Pi 2015

Raspberry Pi

Wykorzystaj wszystkie możliwości wyjątkowego minikomputera

Świat Radio listopad - grudzień 2025

Świat Radio

Magazyn krótkofalowców i amatorów CB

Automatyka, Podzespoły, Aplikacje listopad - grudzień 2025

Automatyka, Podzespoły, Aplikacje

Technika i rynek systemów automatyki

Elektronika Praktyczna listopad 2025

Elektronika Praktyczna

Międzynarodowy magazyn elektroników konstruktorów

Elektronika dla Wszystkich grudzień 2025

Elektronika dla Wszystkich

Interesująca elektronika dla pasjonatów