Zasilacz warsztatowy (1)

Zasilacz warsztatowy (1)
Pobierz PDF Download icon
Klika lat temu opisywałem na łamach ?Elektroniki Praktycznej? projekt zasilacza sterowanego cyfrowo. Ten zasilacz jest moim podstawowym zasilaczem i pracuje bezawaryjnie do dzisiaj, jednak postanowiłem zaprojektować i zbudować kolejny zasilacz, o lepszych parametrach elektrycznych, nieco prostszy w konstrukcji. Rekomendacje: programowany, nowoczesny zasilacz warsztatowy, który przyda się każdemu elektronikowi (i nie tylko jemu).

Tor analogowy starszego zasilacza był zbudowany w oparciu o wysokonapięciową wersję wzmacniacza operacyjnego mA741. To powodowało ograniczenie napięcia wyjściowego do 24 V DC. W nowym zasilaczu zastosowałem analogowe rozwiązanie układowe niemające tego typu ograniczenia, zaproponowane przez Marka Stuarta w czasopiśmie „Everyday with Practical Electronics”. Jednak jego rozwiązanie nie było przystosowane do sterowania poprzez sterownik mikroprocesorowy, więc wartości większości elementów trzeba było przeliczyć od nowa. Z oryginalnego rozwiązania pozostała topologia poszczególnych analogowych bloków funkcjonalnych i co bardziej istotne – ogólna idea pracy zasilacza.

Założenia konstrukcyjne

Przyjąłem, że zasilacz będzie źródłem napięcia stałego z zakresu 0…28 V o maksymalnej wydajności prądowej 3A. Założyłem też, że układ będzie sterowany przez sterownik mikroprocesorowy i będzie mierzył napięcie wyjściowe oraz prąd wyjściowy. Pomiar prądu umożliwi wykonanie regulowanego ograniczenia prądowego. Po osiągnięciu zadanej wartości prądu jest ograniczane napięcie wyjściowe. Ograniczenie prądowe zapewnia też odporność zasilacza na zwarcie. Zasilacz pracuje wtedy jako źródło prądowe bez funkcji odcięcia rozumianej jako znaczne ograniczenie prądu wyjściowego przy zwarciu na wyjściu. Układ ma być typowym stabilizatorem analogowym z szeregowym tranzystorem regulacyjnym.

Całe urządzenie zostało funkcjonalnie i konstrukcyjnie podzielone na dwie części: układ analogowy zasilacza i układ sterownika mikroprocesorowego. Jednocześnie układ analogowy został tak skonstruowany, by mógł pracować bez sterownika. Elementami regulacyjnymi są wtedy potencjometry (najlepiej wieloobrotowe), a do pomiaru napięcia i prądu osobne analogowe lub cyfrowe mierniki.

Układ analogowy

Schemat bloku analogowego pokazano na rysunku 1. Budowa i zasada działania regulowanego, analogowego, stabilizowanego zasilacza prądu stałego jest ogólnie znana. Można w nim wyróżnić: źródło napięcia odniesienia, wzmacniacz błędu, tranzystor regulacyjny mocy. Ponadto do opisywanego zasilacza dodano następujące bloki pomocnicze: blok pomiaru napięcia i prądu, blok ograniczenia prądowego, blok napięcia pomocniczego (powielacz napięcia).

Schemat regulatora napięcia pokazano na rysunku 2. Zasada działania tego układu jest następująca: napięcie wyjściowe ze źródła (S) tranzystora Q1, po podzieleniu w układzie dzielnika z rezystorów R3, R9 i R15 (sygnał regulacji), trafia na wejście nieodwracające wzmacniacza operacyjnego U1D. Na wejście odwracające U1D jest podawane napięcie odniesienia (referencyjne) Ureg. Wzmacniacz operacyjny U1D to komparator porównujący napięcia z dzielnika rezystancyjnego i referencyjne Ureg. W wyniku porównania powstaje sygnał błędu sterujący układem regulacyjnym zbudowanym z tranzystorów T3 i Q1. Zastosowanie tranzystora T3 powoduje, że sygnał z wyjścia U1D ma stosunkowo niskie napięcie i nie ma potrzeby stosowania wysokonapięciowych wzmacniaczy operacyjnych, jak to było w poprzednim rozwiązaniu. Wyjściowe napięcie +Uwy jest stale mierzone i jeżeli po podzieleniu nie jest równe napięciu Ureg, to sygnał z wyjścia komparatora ma taką wartość, by te różnicę zniwelować. Przy obciążeniu zmieniającym się dynamicznie jest wymagane, aby układ komparatora był szybki. Z drugiej strony, szybki komparator ma tendencję do wzbudzania się. Z tego powodu trzeba ograniczyć pasmo przenoszenia układu. Do tego celu użyto obwodu RC złożonego z kondensatora C3 (4,7 nF) i rezystora R7 (1 MV). Kondensator C3 powinien być dobrej jakości, najlepiej foliowy.

Układ regulacji napięcia można traktować jako wzmacniacz operacyjny mocy objęty pętlą ujemnego sprzężenia zwrotnego poprzez dzielnik napięcia wyjściowego (R3, R9, R15). Taki układ z ujemnym sprzężeniem zwrotnym ma bardzo dobre parametry elektryczne i dlatego jest chętnie stosowany w topologiach scalonych stabilizatorów napięcia i w zasilaczach wykonywanych z elementów dyskretnych.

Napięcie na wyjściu można wyliczyć z zależności Uwy=Ureg×(1+R3/(R9+R15)). Dzielnik napięcia wyjściowego obliczmy następująco:

- Zakładamy, że napięcie referencyjne będzie się zmieniało w zakresie 0…4 V. Wynika to z właściwości przetworników C/A zastosowanego mikrokontrolera (będzie to wyjaśnione dalej).
- Z założenia wiemy, że napięcie wyjściowe zasilacza może maksymalnie wynosić 28 V.
- Wzmocnienie układu
  1+R3/(R9+R15) = 28/4=7.
  R3/(R9+R15)=6.

Do wyliczenia dzielnika można użyć strony https://goo.gl/ZvF1NU. Ja przyjąłem R3=10 k V i dla podziału przez 6 suma R9+R15 jest równa 2 k V. Próby zastosowania dwóch łatwo dostępnych rezystorów 10 k V i 2 k V o tolerancji 1% nie dały zadowalających efektów i dlatego użyto połączonych szeregowo: rezystora 1,5 k V i potencjometru wieloobrotowego 1 k V.

Układ pomiaru napięcia na płytce analogowej jest dzielnikiem rezystancyjnym dzielącym napięcie wyjściowe przez 7 (przy napięciu +28 V na wyjściu dzielnika występuje +4 V). Tu również zastosowałem dzielnik z potencjometrem wieloobrotowym, aby dokładnie ustawić stopień podziału. Dzielnik jest zbudowany z rezystorów R10, R31 i R16 (rysunek 3). Suma wartości rezystancji R31 i R16 powinna być równa 1,66 k V dla R10=10 k V.

Napięcie Uwy jest mierzone przez przetwornik A/C mikrokontrolera sterownika. Z pomiarem prądu nie jest tak łatwo. Mikrokontroler może bezpośrednio mierzyć tylko napięcie, więc do pomiaru prądu najwygodniej jest użyć szeroko stosowanej metody technicznej polegającej na pomiarze spadku napięcia na rezystorze szeregowym. Z powodu trudności z pomiarem spadku napięcia w dodatniej gałęzi zasilacza rezystor pomiarowy R30 włączono od strony masy (rysunek 4).

Napięcie wyjściowe powinno być niezależne od spadku napięcia na rezystorze pomiarowym, więc jego próbka w układzie regulacji musi te spadki uwzględniać. Masa GOUT (pokazana na rys. 4) jest jednocześnie ujemnym biegunem napięcia wyjściowego. Dzielnik dzielący napięcie wyjściowe w układzie regulatora jest połączony z tą masą (rys. 2). Powoduje to, że napięcie wyjściowe zasilacza jest niezależne od spadku na rezystorze pomiarowym R30.

Przy pomiarze prądu metodą techniczną najlepiej, aby rezystor pomiarowy miał jak najmniejszą rezystancję. Jednak na rezystorze o małej rezystancji występuje niewielki spadek napięcia, które jest trudno zmierzyć. Przy rezystancji 0,1 V i maksymalnym prądzie wyjściowym zasilacza na poziomie 3 A spadek wyniesie 0,3 V. To zdecydowanie za mało, żeby można było zmierzyć bezpośrednio to napięcie przetwornikiem o zakresie pomiarowym 0…4 V. Dlatego musi być wzmocniony, aby przy prądzie 3 A mikrokontroler mierzył napięcie zbliżone do 4 V. Do wzmocnienia zastosowano wzmacniacz operacyjny pracujący w konfiguracji nieodwracającej, jak to pokazano na rysunku 4. Wzmocnienie powinno wynosić ok. 4 V/0,3 V= 13,33. Wzmocnienie wzmacniacza nieodwracającego jest wyliczane z zależności: Ku=1+(R20+R23)/R28. Jeżeli dobierzemy rezystory, aby R11+R12/R17 było równe 12,33, to wzmocnienie całego układu będzie równe 13,33. Łatwo obliczyć, że R11+R12= 12,33 k V przy R17=1 k V. Tu również zastosowałem potencjometr wieloobrotowy 5 k V połączony szeregowo z rezystorem 10 k V. Jest to konieczne z dwóch powodów. Po pierwsze, trudno jest znaleźć rezystor o rezystancji 12,33 k V, a po drugie, regulowane wzmocnienie pozwoli na skorygowanie niepewności rezystancji pomiarowej. Jak pokazała praktyka, układ z potencjometrem pozwala na uzyskanie satysfakcjonujących wyników pomiaru prądu.

Z układem pomiaru prądu jest związany układ ograniczenia prądowego. Ograniczenie prądowe to bardzo istotna część zasilacza laboratoryjnego – prawidłowo ustawione ograniczenie może chronić zasilany układ przed zniszczeniem. Ograniczenie prądowe chroni też sam zasilacz przed skutkami zwarcia na wyjściu zasilacza. W trakcie uruchamiania modelowego zasilacza zniszczyłem dwa tranzystory szeregowe Q1 po przypadkowym zwarciu wyjścia, kiedy układ ograniczenia nie był jeszcze włączony. Testy kompletnego zasilacza pokazały, że nawet dłuższe zwarcie na wyjściu nie powoduje uszkodzenia czy nieprawidłowego działania zasilacza.

Na rysunku 5 zilustrowano zasadę działania układu zabezpieczenia prądowego. Komparator analogowy porównuje napięcie z wyjścia układu pomiaru prądu z napięciem referencyjnym Ireg określającym natężenie prądu, przy którym układ zaczyna ograniczać napięcie wyjściowe zasilacza. Kiedy napięcie z układu pomiaru prądu próbuje przekroczyć wartość napięcia Ireg, wtedy na wyjściu komparatora U1B występuje napięcie ograniczające napięcie wyjściowe zasilacza. Napięcie wyjściowe jest ograniczane do takiego poziomu, przy którym prąd nie przekroczy ustawionej wartości. Dioda D10 separuje wyjście komparatora od wyjścia układu regulatora napięcia.

Układ komparatora jest podatny na wzbudzenia i aby im zapobiec, stosuje się filtr RC: rezystor R26 i kondensator C10 w gałęzi ujemnego sprzężenia zwrotnego. Brak kondensatora C10 lub zbyt mała pojemność powoduje powstanie sporych oscylacji o wysokiej częstotliwości w momencie zadziałania układu ograniczenia prądowego.

Układy zasilające

Źródłem napięcia wejściowego Uwe jest transformator sieciowy o mocy 100 VA i napięciu wyjściowym 32 V AC. Mostek prostowniczy składa się z czterech diod krzemowych o maksymalnym prądzie 10 A. Główny kondensator filtrujący ma pojemność 10 mF i napięcie znamionowe 50 V. Szeregowy tranzystor regulacyjny NMOS wymaga, aby napięcie na bramce (G) było o kilka woltów wyższe od napięcia źródła (S). Dla umożliwienia prawidłowej polaryzacji tranzystora zastosowano powielacz napięcia pokazany na rysunku 6. Napięcie z wyjścia powielacza jest stabilizowane diodą Zenera (40 V) i podawane przez rezystor R2 na bramkę tranzystora szeregowego Q1.

Do zasilania wzmacniacza operacyjnego LM324 oraz sterownika mikroprocesorowego zastosowałem stabilizator napięcia z tranzystorem BD139 i 15-woltową diodą Zenera.

Sterownik mikroprocesorowy

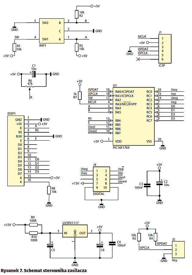
Sterownik zasilacza ma za zadanie wykonać regulację napięcia wyjściowego i ograniczyć prąd obciążenia. Ponadto musi mierzyć wartość ustawionego napięcia i prąd pobierany z zasilacza. Do wykonania tych zadań będziemy potrzebowali dwóch przetworników C/A i dwóch wejść przetwornika A/C. W poprzedniej wersji zasilacza zastosowałem 32-bitowy mikrokontroler STM32F100RBT6B, głównie ze względu na wbudowane dwa przetworniki C/A – w tym zdecydowałem się na użycie mikrokontrolera PIC16F1769 firmy Microchip. Oprócz zaawansowanych cyfrowych modułów funkcjonalnych PIC16f1769 ma dwa 10-bitowe przetworniki C/A, 10-bitowy przetwornik A/C, programowane źródło napięcia odniesienia oraz wzmacniacze operacyjne. Te analogowe peryferie są w zupełności wystarczające, aby zbudować sterownik zasilacza bez konieczności stosowania dodatkowych elementów w torach analogowych. Wersje PIC16F1xxx mogą być zasilane napięciem +5 V, co jest korzystne ze względu na większą odporność na zaburzenia.

Schemat sterownika pokazano na rysunku 7. Interfejs użytkownika stanowią: alfanumeryczny wyświetlacz LCD DISP1 mieszczący 4×20 znaków oraz impulsator IMP1 ze stykiem zwieranym przez naciśnięcie osi. Złącze J4 (ICD10) jest przeznaczone do doprowadzenia sygnałów sterujących analogowych i cyfrowych z płytki sterownika do płytki analogowej oraz napięcia +15 V zasilającego sterownik. Jest ono podawane poprzez połączone równolegle rezystory R9 i R10 na wejście stabilizatora U2 (SPX1117-5.0) zasilającego sterownik. Spadek napięcia na tych rezystorach jest tak dobrany, aby napięcie na wejściu U2 miało wartości ok. +12 V. Złącze J1 jest przeznaczone dla programatora PICkit-3.

Tomasz Jabłoński, EP

Artykuł ukazał się w
Elektronika Praktyczna
kwiecień 2017
DO POBRANIA
Pobierz PDF Download icon
Materiały dodatkowe
Elektronika Praktyczna Plus lipiec - grudzień 2012

Elektronika Praktyczna Plus

Monograficzne wydania specjalne

Elektronik listopad 2025

Elektronik

Magazyn elektroniki profesjonalnej

Raspberry Pi 2015

Raspberry Pi

Wykorzystaj wszystkie możliwości wyjątkowego minikomputera

Świat Radio listopad - grudzień 2025

Świat Radio

Magazyn krótkofalowców i amatorów CB

Automatyka, Podzespoły, Aplikacje listopad - grudzień 2025

Automatyka, Podzespoły, Aplikacje

Technika i rynek systemów automatyki

Elektronika Praktyczna listopad 2025

Elektronika Praktyczna

Międzynarodowy magazyn elektroników konstruktorów

Elektronika dla Wszystkich grudzień 2025

Elektronika dla Wszystkich

Interesująca elektronika dla pasjonatów