Spawarka elektronowa

Spawarka elektronowa
Pobierz PDF Download icon
Typowe spawarki elektronowe są urządzeniami skomplikowanymi i kosztownymi. Do pewnych zastosowań może jednak wystarczyć prosta spawarka, której budowa nie wymaga dużych umiejętności ani nakładów finansowych. Rekomendacje: Bardzo interesujący, chociaż "mało elektroniczny" projekt, który publikujemy przez szacunek dla wysiłku autora i jego wiedzy, mimo iż zdajemy sobie sprawę, że takie urządzenie przyda się głównie profesjonalistom, chociaż mogłoby oddać nieocenione usługi np. w warsztacie modelarskim i w innych zastosowaniach.

Rysunek 2. Schemat budowy spawarki elektronowej niskopróżniowej

Spawanie wiązką elektronów to rodzaj techniki spajania metali. Polega ona na nagrzewaniu i stapianiu miejsca łączenia za pomocą skupionego strumienia elektronów. Spawanie elektronowe zwykle wykonuje się przy użyciu spawarek elektronowych, w których źródłem elektronów jest działo elektronowe z żarzoną katodą.

Jest ono podobne w konstrukcji do działa elektronowego w kineskopie, tyle, że potężniejsze - w typowej spawarce elektrony są przyspieszane napięciem rzędu dziesiątków, a niekiedy nawet setek kV. Cechami charakterystycznymi spawania elektronowego jest to, że odbywa się ono najczęściej w środowisku próżni, przy ciśnieniu rzędu 10-5 hPa (około 1/108 części atmosfery), a także to, że spoina tworzy się przez stopienie brzegów łączonych detali.

Nie ma tu zatem dodawania materiału z elektrody, jak ma to miejsce przy spawaniu z użyciem elektrody (w pewnych wersjach spawania elektronowego dodawanie materiału jest możliwe).

Fotografia 3. Lampa do pokazu zjawiska grzania cienkiej folii molibdenowej za pomocą promieni katodowych. Widoczny jest bieg pierwotnej i wtórnej wiązki elektronowej, które jonizują gaz świecący na niebiesko.

Ta technika pozwala na łączenie "trudnych" metali (np. wolfram-miedź, niob-miedź), których nie da się łączyć innymi technikami spawalniczymi. Próżnia otaczająca spawany przedmiot zapobiega tworzeniu się w spoinie pęcherzy gazu, gdyż są one natychmiast odpompowywane. Zapobiega także utlenianiu się spoiny, dzięki czemu odznacza się ona bardzo dobrą jakością.

Typowe spawanie elektronowe ma też pewne wady. Po pierwsze, ta technika nie nadaje się do łączenia metali i stopów łatwo parujących w próżni, takich jak: cynk, mosiądz, glin, magnez.

Po drugie, spawanie tą techniką wymaga skomplikowanej aparatury: pompy próżni niskiej i wysokiej (zazwyczaj dyfuzyjnej) do pompowania komory spawalniczej, pompy do pompowania wyrzutni (dawniej dyfuzyjnej, obecnie najczęściej turbomolekularnej), wyrzutni elektronów wraz z zasilaczami, układów podglądu elektronowego spawanego detalu itp.

To wszystko sprawia, że kompletna spawarka elektronowa kosztuje powyżej miliona złotych. Spawane detale muszą być takich gabarytów, aby zmieścić się w komorze spawarki. Im większe detale, tym większa musi być komora, a co za tym idzie - potrzebne są pompy o większej szybkości pompowania, które są droższe.

Koszt eksploatacji takiej spawarki jest stosunkowo duży z uwagi na zużycie energii potrzebnej do pracy pomp, zużycie wody do chłodzenia oraz potrzebę konserwacji elementów. Ponadto, przy stosowaniu wiązek o energii powyżej 10 keV zachodzi konieczność ochrony pracowników przed szkodliwym promieniowaniem rentgenowskim.

W Polsce jedyną placówką, w której rozwija się technikę spawania elektronowego jest Instytut Tele- i Radiotechniczny, zaś liczbę pracujących spawarek elektronowych w kraju ocenia się na 6. Przykładową spawarkę próżniową pokazano na fotografii tytułowej.

Niskopróżniowa spawarka elektronowa

Rysunek 4. Szkic katody spawarki

W pewnych przypadkach spawanie elektronowe można przeprowadzić przy użyciu prostszej spawarki niż poprzednio opisana. Dotyczy to zwłaszcza małogabarytowych elementów, wykonanych z metali średnio topliwych, takich jak np. miedź, nikiel, żelazo, glin, srebro lub ich stopów.

Jak to zwykle bywa, budowę spawarki wymusiło życie: potrzebowałem wykonać pewną liczbę termopar o dobrej jakości spoiny. Do spawania takich detali nie potrzeba bardzo wysokich temperatur (a co za tym idzie - dużych gęstości mocy). Schemat budowy elektronowej spawarki niskopróżniowej wyjaśnia rysunek 2.

Zasada działania tej spawarki jest następująca. W próżniowej komorze K znajduje się wyrzutnia elektronowa W. Wyrzutnia zawiera tylko jedną elektrodę - zimną, wklęsłą katodę. Jest ona zasilana z zasilacza wysokiego napięcia Z. Napięcie z zasilacza jest regulowane płynnie w zakresie od zera do kilku kV, zaś wydajność prądowa zasilacza wynosi kilkaset mA.

Wyrzutnię stanowi wałek aluminiowy, w którego czole wytoczono wklęsłą powierzchnię sferyczną. W środku wyrzutni znajduje się wnęka, z której wybiega wiązka elektronów bombardująca spawany detal. Energia kinetyczna wiązki elektronów jest w większości zamieniana na ciepło służące do spawania detalu D.

Przesuwanie detalu odbywa się za pomocą manipulatora próżniowego wewnątrz komory (tego elementu nie uwzględniono na rysunku). Próżniomierz PR wskazuje wartość próżni w komorze. Zawór odcinający pozwala na odłączenie pompy od reszty układu próżniowego. Jego stosowanie nie jest niezbędne.

Fotografia 5. Widok elektronowej spawarki niskopróżniowej

Warunkami koniecznymi do pracy wyrzutni jest przyłożenie wysokiego napięcia oraz obecność gazu pod niewielkim ciśnieniem w komorze.

Zadowalająca jest dość kiepska próżnia (z punktu widzenia technologa próżni) - zadowalające jest ciśnienie rzędu ułamka Tora (Tr), czyli kilka dziesięciotysięcznych części atmosfery.

Dzięki temu zachodzi efektywnie zjawisko bombardowania jonami powierzchni katody i emisja elektronów. Zbyt niskie ciśnienie skutkuje mało intensywnym bombardowaniem jonowym i co za tym idzie, natężeniem prądu wiązki elektronowej.

Zbyt powoduje rozpraszanie się wiązki na cząstkach gazu lub wręcz wystąpienie niepożądanego łuku. Aby wyeliminować możliwość reakcji chemicznej tego gazu ze spawanymi detalami gaz ten powinien być gazem szlachetnym. Ze względu na niewielki koszt oraz dobre właściwości, najlepszym gazem jest argon.

Przykładowo, stosując argon o czystości 3N, czyli 99,9%, ciśnienie zanieczyszczeń gazowych w komorze będzie wynosiło zaledwie kilka dziesięciotysięcznych Tora, czyli cztery dziesięciomilionowe części atmosfery. Czystszego gazu nie warto stosować, gdyż z reguły najwięcej "śmieci" pochodzi nie z zanieczyszczeń gazu ochronnego, a z nieszczelności w komorze spawarki.

Gaz jest podawany do komory z butli B przy użyciu zaworu z reduktorem na butli R oraz zaworu dozującego ZD. Jednocześnie gaz jest odpompowywany poprzez kanał próżniowy z zaworem odcinającym ZO przy użyciu pompy obrotowej PO, zatem spawanie odbywa się w przepływie gazu szlachetnego.

Rysunek 6. Schemat elektryczny zasilacza spawarki

Takie rozwiązanie sprawia, że wydzielające się wskutek zjawiska desorpcji gazy z detalu i elementów spawarki podczas spawania są cały czas usuwane. Ma to znaczenie zwłaszcza wtedy, gdy zachodzi obawa o utlenienie się powstającej spoiny, co pogorszyłoby jej właściwości.

Po skończonym spawaniu zamykają się zawory ZD i ZO, i otwiera się zawór zapowietrzający ZZ. Po zapowietrzeniu komory wyjąć pospawany detal można ze spawarki.

Zimne wyrzutnie elektronów znane są od końca XIX wieku. Przy ich użyciu zbudowano pierwsze jonowe lampy rentgenowskie, a także demonstrowano grzanie metali przez bombardowanie promieniami katodowymi, czyli rozpędzonymi elektronami (fotografia 3).

Zalety i wady elektronowego spawania niskopróżniowego

Rysunek 7. Schemat próżniomierza spawarki elektronowej

Podstawową zaletą elektronowego spawania niskopróżniowego jest nieskomplikowana budowa spawarki. Wyrzutnia elektronów ma prostą konstrukcję, a do jej zasilania wystarczy napięcie pojedyncze, a w roli pompy próżniowej wystarczy dwustopniowa pompa obrotowa. Dodatkową zaletą jest optyczna widoczność toru wiązki elektronów, które jonizując gaz na swej drodze i wywołują jego świecenie. Koszt budowy spawarki jest nieduży, podobnie jak koszt jej eksploatacji.

Do wad należy zaliczyć małą energię wiązki (napięcie przyspieszające poniżej 10 kV) i słabe skupianie wiązki (średnica plamki powyżej 1 mm). Skupianie elektronów zachodzi w polu elektrycznym, a rozkład tego pola jest determinowany przede wszystkim kształtem katody.

Pozostałe elektrody wywołują niewielki wpływ na warunki skupiania. Istotne jest, by te części katody, które nie biorą udziału w emisji użytecznych elektronów, tworzących wiązkę były osłonięte. Najlepiej na materiał osłonowy nadaje się szkło kwarcowe.

Prąd elektronów zależy od wielkości powierzchni katody. Jej zwiększanie powoduje jednak stratę ostrości wiązki. Ponadto, w pewnych warunkach katoda może pracować niestabilnie, co objawia się jej iskrzeniem i zmianami natężenia prądu spawania. Sytuacja ma miejsce zazwyczaj w przypadku zanieczyszczenia katody produktami spawania (pryskające cząstki materiału). Ograniczenia te powodują, że spawarka tego typu nadaje się do łączenia niedużych detali.

Jak zbudować spawarkę?

Fotografia 8. Zbyt niskie ciśnienie robocze

Podstawowym elementem jest wyrzutnia. Moje pierwsze próby polegały na skonstruowaniu lampy z fot. 3. Dzięki temu dowiedziałem się, że na katodę za słabe jest denko od puszki po piwie (topi się przy większym natężeniu prądu), zaś punkt ostrości nie wypada w ognisku sfery.

Dzieje się tak, ponieważ elektrony w wiązce wzajemnie się odpychają. Niekorzystnie na skupianie wpływa także zderzanie się elektronów z cząsteczkami gazu, co jednak - jak już wiemy - jest nieuniknione dla pracy wyrzutni tego typu.

Wyrzutnię należy wytoczyć z aluminium. Orientacyjny szkic pokazano na rysunku 4. Średnica katody, używanej przeze mnie to około 20 mm, wysokość jest podobna. Średnica otworu w centralnej części katody wynosi 3 mm, zaś głębokość 4 mm.

Aby uniknąć emisji elektronów z powierzchni bocznej wyrzutni należy ją osłonić rurką, najlepiej ze szkła kwarcowego lub dobrej jakości szkła twardego, np. simax lub pyrex. Nie nadają się tutaj żadne tworzywa sztuczne, nawet teflon, z uwagi na wydzielanie się z tych materiałów gazów w wysokich temperaturach, jak i na niszczenie tych materiałów pod wpływem strumienia elektronów i jonów.

Fotografia 9. Zbyt wysokie ciśnienie robocze

Miękkie szkło sodowe zapewne pęknie od temperatury prędzej czy później, ceramika zaś (najlepiej alundowa) nie jest ani tania, ani łatwa do zdobycia. Ze szkła sodowego może być natomiast wykonana górna część osłony katody wychodząca z obszaru próżni do atmosfery.

Przepust wyrzutni można zrobić z drutu miedziopłaszczowego (dla osłony ze szkła sodowego). Z uwagi na wysokie napięcie, konieczne jest staranne izolowanie tego przepustu. Można w tym celu wykorzystać kapturek starej lampy elektronowej, np. EY86 i izolacyjną osłonę na kapturek tej lampy ze starego telewizora.

Wyrzutnia jest ruchoma, co pozwala ustawić punkt ostrości wiązki na powierzchni spawanego detalu. Uszczelnienie osłony wyrzutni można wykonać przy pomocy dwóch uszczelek o-ring i odpowiedniego detalu metalowego. Jego szkic jest w tym miejscu zbędny, gdyż jego kształt zależy od tego, jakie są króćce w komorze próżniowej.

Komorę wyrzutni najlepiej wykonać ze stali kwasoodpornej OH18N9T. Zdając sobie jednak sprawę, że koszt gotowej komory może wynieść kilka tysięcy złotych stwierdziłem, że "niemal wszystkie chwyty są dozwolone" - najlepiej przerobić jakąś inną, starą komorę.

Trzeba tylko uważać, aby ścianki komory były grube, bo w środku będzie próżnia. Ja wykorzystałem zbiornik próżni wstępnej od starej pompy dyfuzyjnej PDO800, mając od razu do dyspozycji typowe króćce próżniowe. Po usunięciu zbędnych elementów dospawane zostały drzwiczki wykonane ze starej zaślepki. Komorę należy wyposażyć we wzierniki z grubego szkła, by móc obserwować przebieg spawania.

Fotografia 10. Optymalne ciśnienie robocze; napięcie robocze za niskie do procesu spawania.

Dla wygody można na wziernikach zamontować kolorowe kamery przemysłowej telewizji kolorowej. Obecnie taką kamerę można nabyć już za około 20 złotych. Jako monitor można wykorzystać monitor od komputera, do którego dołącza się konwerter sygnału kompozytowego na VGA.

Dobrze jest wyposażyć spawarkę w dwie kamery, dzięki czemu patrząc na spawany detal z dwóch położeń łatwo jest ocenić, czy wiązka pada tam, gdzie tego sobie życzymy. Obraz może być przełączany zwykłym przełącznikiem dwupołożeniowym.

Innym dodatkowym ułatwieniem jest manipulator próżniowy, którym można dokonać przesuwania i obracania spawanego detalu (tzw. manipulator x, Q). Stanowi go pręt uszczelniany uszczelkami typu zimmering. Manipulator musi być wykonany tak, aby pręt manipulatora zawsze miał kontakt z obudową komory (masą).

Warto jeszcze dodać, że przepust napięciowy do zasilania wyrzutni jest ruchomy i może być uważany za manipulator y. Wskutek niecentryczności katody umieszczonej na tym przepuście może on w pewnych przypadkach służyć jako manipulator y, z (poprzez obracanie o pewien kąt możliwe jest przemieszczanie się katody w osi z).

Objętość komory spawarki jest niewielka i wynosi około 1 litra. Dzięki temu do jej pompowania wystarczająca jest pompa rotacyjna o wydajności rzędu 2...4 m³ na godzinę. Próżnia końcowa pompy powinna wynosić przynajmniej 10-2 Tr. Komorę trzeba wyposażyć w zawór dozujący.

Fotografia 11. Spawanie termopary nikiel- nichrom przy optymalnych nastawach ciśnienia roboczego i energii wiązki elektronowej

Wskazane jest też jej zaopatrzenie w zawór zapowietrzający. Można w tym celu użyć starych, polskich zaworów firmy Tepro z Koszalina lub ZAP z Bolesławca Śląskiego (ta ostatnia firma już nie istnieje) lub użyć zaworów próżniowych z bieżącej produkcji. W tym wypadku trzeba jednak liczyć się ze sporym wydatkiem.

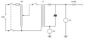
Kompletną spawarkę pokazano na fotografii 5. Jej zasilacz wykonano przy użyciu transformatora z kuchenki mikrofalowej. Prostownik jest jednopołówkowy z wygładzaniem pojemnościowym. Napięcie wyjściowe jest regulowane płynnie za pomocą autotransformatora w zakresie 0...3 kV.

Rezystor drutowy włączony szeregowo z ujemnym biegunem zasilacza zabezpiecza przed wystąpieniem łuku w spawarce, który mógłby skutkować uszkodzeniem doprowadzenia katody. Pomiar napięcia wyjściowego odbywa się przy użyciu kilowoltomierza, zaś pomiar natężenia prądu wiązki odbywa się za pomocą miliamperomierza. Schemat elektryczny zasilacza zamieszczono na rysunku 6.

Z uwagi na fakt, że do pracy spawarki wymagany jest określony poziom próżni, konieczne jest wyposażenie spawarki w próżniomierz. Może to być próżniomierz fabryczny (rozwiązanie raczej kosztowne) lub próżniomierz zbudowany samodzielnie. Jako czujnik i głowicę odniesienia można stosować z powodzeniem żarówki telefoniczne.

Fotografia 12. Elektronowy spaw drutu miedziopłaszczowego z niklowym. Druty o średnicy 0,5 mm

Czujnik uzyskuje się w ten sposób, że tłucze się "ogonek" żarówki i mocuje się ją na przepustach w komorze próżniowej. Próżniomierz może być bardzo prosty, ważne by pokazywał próżnię w zakresie 0,5...0,05 Tr (optimum pracy spawarki to z reguły około 0,3 Tr).

Na rysunku 7 pokazano przykładowy schemat takiego próżniomierza. Wystarczy wyregulować go potencjometrami, aby przy optymalnym ciśnieniu spawania zapalały się diody na środku skali. Wyjście przekaźnikowe z przerzutnikiem może, ale nie musi, być używane. Można je wykorzystać do odłączania wysokiego napięcia przy wzroście ciśnienia roboczego. Zapobiega to ryzyku wystąpienia szkodliwego łuku podczas spawania.

Sposób użytkowania spawarki

Fotografia 13. Elektronowy spaw nichromu z miedzią

Pierwszą czynnością jest umieszczenie w komorze przedmiotu przewidzianego do spawania. Po umieszczeniu na manipulatorze przedmiotu zamyka się uszczelniane uszczelką gumową drzwiczki komory. Następnie, przy zakręconym zaworze dozującym, odpompowuje się komorę do ciśnienia niższego niż 8×10-2 Tr. Pompowanie zajmuje od około minuty do kilku minut, w zależności od jakości użytej pompy.

Następnie, dozuje się zaworem argon (w niektórych wypadkach może być dozowane powietrze) do ciśnienia ok. 0,1 Tr i włącza zasilacz spawarki stopniowo zwiększając napięcie do 500...800 V. Przy tym napięciu wiązka elektronów powinna być już widoczna. Wystąpienie silnych wyładowań lub łuku w komorze świadczy o za wysokim ciśnieniu lub zabrudzeniu katody.

Kręcąc manipulatorem ustawia się początkowe miejsce spawania detalu, tak, by wiązka elektronowa padała na detal. Jeśli regulacja manipulatorem jest niewystarczająca, wówczas po wyłączeniu zasilacza wysokiego napięcia i jego uziemieniu można skorygować położenie katody na przepuście.

Fotografia 14. Elektronowy spaw niklu z miedzią

Po ponownej kontroli prawidłowości położenia wiązki (obserwacja po włączeniu zasilania) wyłącza się zasilacz, ustawia się żądane napięcie przy pomocy autotransformatora oraz żądane ciśnienie gazu roboczego (optimum przy około 0,3 Tr) przy użyciu zaworu dozującego i ponownie włącza się zasilacz, rozpoczynając właściwy proces spawania.

W trakcie procesu można w razie potrzeby dokonywać obrotu i przesuwania detalu w komorze. Po zakończonym procesie spawania wyłącza się zasilacz, zakręca się zawór dozujący, wyłącza się pompę i zapowietrza się komorę. Po otwarciu komory można wyjąć z komory gotowy detal. Należy jednak odczekać chwilę, by detal ostygł, aby uniknąć poparzenia. Na kolejnych zdjęciach (fotografia 8...11) pokazano widok wnętrza komory przy zbyt niskim ciśnieniu roboczym, za wysokim ciśnieniu i optymalnym ciśnieniu.

Wyniki uzyskane przy spawaniu próbek z metalu

Fotografia 15. Elektronowy spaw detali ze stali nierdzewnej.

Przy użyciu spawarki z powodzeniem wykonywano złącza z różnych metali (fotografia 12), w tym także termoparowe z drutów o średnicy 0,08...0,4 mm, używając drutów miedzianych, niklowych i konstantanowych. Łączono też druty aluminiowe do średnicy 1,5 mm.

Wykonano także próby łączenia cienkich blach (fotografia 13 i fotografia 14). Łączone były: miedź z nichromem, miedź z niklem, a także miedź ze stalą nierdzewną. Możliwe było spawanie blach do grubości około 0,4 mm. Dodatkowo, wykonano próby spawania cienkich blach ze stali nierdzewnej. W tym ostatnim wypadku nie uzyskano próżnioszczelnych połączeń (fotografia 15), z uwagi na zbyt małą moc wiązki i niewłaściwy, nierównomierny obrót próbki (mała wprawa operatora).

Wykonano także próby spawania pierścieni z drutu aluminiowego o średnicy do 2 mm w spawarce niskopróżniowej uzyskując zadowalające efekty, zaś komora nie była zanieczyszczana spawanym aluminium. Działo się tak, ponieważ temperatura topnienia aluminium wynosi 933,5 K, zaś temperatura, przy której ciśnienie tego metalu jest tego samego rzędu, co ciśnienie gazu roboczego przekracza 1600 K. Spawanie pierścieni aluminiowych odbywa się w temperaturze niewiele przekraczającej temperaturę topnienia aluminium, co pozwala na uniknięcie odkształceń.

Aleksander Zawada, EP

Fotografia tytułowa: Jedna z pierwszych polskich spawarek elektronowych.

Artykuł ukazał się w
Elektronika Praktyczna
listopad 2015
DO POBRANIA
Pobierz PDF Download icon
Elektronika Praktyczna Plus lipiec - grudzień 2012

Elektronika Praktyczna Plus

Monograficzne wydania specjalne

Elektronik listopad 2025

Elektronik

Magazyn elektroniki profesjonalnej

Raspberry Pi 2015

Raspberry Pi

Wykorzystaj wszystkie możliwości wyjątkowego minikomputera

Świat Radio listopad - grudzień 2025

Świat Radio

Magazyn krótkofalowców i amatorów CB

Automatyka, Podzespoły, Aplikacje listopad - grudzień 2025

Automatyka, Podzespoły, Aplikacje

Technika i rynek systemów automatyki

Elektronika Praktyczna listopad 2025

Elektronika Praktyczna

Międzynarodowy magazyn elektroników konstruktorów

Elektronika dla Wszystkich grudzień 2025

Elektronika dla Wszystkich

Interesująca elektronika dla pasjonatów