Zegar tekstowy

Zegar tekstowy
Pobierz PDF Download icon
Zdarza się, że w dzisiejszym, zabieganym życiu codzienne czynności mamy zaplanowane z dokładnością do minut. W dotrzymaniu terminów zaplanowanych zajęć może nam pomóc zegarek inny niż wszystkie - z funkcją budzika i nietypową prezentacją godziny. Rekomendacje: nietuzinkowy, pomysłowy zegar, który będzie ozdobą niejednego wnętrza.

Urządzenie to typowy zegar odmierzający czas. Tym, co wyróżnia go wśród innych zegarów jest sposób prezentowania czasu - wskazania godzin i minut są wyświetlane nie za pomocą cyfr, ale słownie. Słowa są wycięte w specjalnie przygotowanym panelu/maskownicy i podświetlane przez odpowiednio rozmieszczone diody LED. Panel główny pokazuje czas z dokładnością do 5 minut, a zainstalowane 4 dodatkowe diody zwiększają precyzję wskazań do 1 minuty. Korzystanie z zegara może wydawać się trudne, jednak po jednym czy dwóch dniach okazuje się bardzo łatwe.

Rysunek 1. Schemat ideowy zegara tekstowego

Układ ma funkcję budzika i bateryjne podtrzymanie czasu w wypadku zaniku zasilania. Do odliczania czasu zastosowano popularny układ zegara RTC - PCF8583, a całe urządzenie jest sterowane przez mikrokontroler ATmega16 taktowny za pomocą rezonatora kwarcowego 16 MHz.

Schemat ideowy zegara pokazano na rysunku 1. Jak wspomniano, do odmierzania czasu jest używany układ zegara RTC z interfejsem szeregowym I²C - PCF8583. Jego zaletą jest niewielki pobór mocy, co ma duże znaczenie dla zasilania awaryjnego. Linie danych i zegarowa (wyprowadzenia PD5 i PD6 mikrokontrolera) są zasilane za pomocą rezystorów 4,7 kΩ wymaganych przez specyfi kację I²C.

Fotografia 2. Pojedynczy pasek z filcu naklejony na matrycy (opis w tekście)

Fotografia 3. Wykonanie matrycy - rozdzielenie napisów (opis w tekście)

Zawartość wewnętrznego rejestru słowa adresowego jest automatycznie zwiększana o 1 po każdym zapisie lub odczycie bajtu (autoinkrementacja). Wyprowadzenie linii adresu A0 jest wykorzystane do sprzętowego programowania adresu umożliwiając dołączenie do magistrali dwóch układów PCF8583 bez żadnych dodatkowych obwodów.

Pierwsze 9 bajtów pamięci jest zajmowane przez funkcję kalendarza. Kolejne 8 bajtów stanowi rejestr alarmu W zależności od zawartości rejestru sterowania/stanu jest wybierany tryb pracy zegara. W trybie zegara wskazania czasu i daty są liczbami BCD. W trybie licznika zdarzeń układ jest wykorzystywany do zliczania impulsów podawanych na wejście oscylatora (OSCO pozostaje niepodłączone).

Fotografia 4. Wskazanie godziny 8:14

Fotografia 5. Wskazanie godziny 9:15

Licznik przechowuje do 6 cyfr dziesiętnych. Gdy jeden z liczników (komórki pamięci od 00 do 07) jest odczytywany, zawartość wszystkich liczników jest przepisywana do zatrzasków na początku cyklu odczytu. Ten sposób zapobiega błędom w wyniku przeniesień podczas odczytu.

Do załączania zasilania diod LED niezbędne są drivery, w których roli typowo są stosowane tranzystory. Ze względu na wymaganą, dużą liczbę tranzystorów zastosowano drivery scalone typu ULN2003. Dodatkowo, użyto 2 tranzystorów typu BC327. Podświetlanie komunikatów tekstowych wykonano za pomocą diod SMD połączonych równolegle. Ich prąd jest ograniczany za pomocą rezystorów 220 Ω.

Fotografia 6. Wskazanie godziny 7:33

Fotografia 7. Wskazanie godziny 11:37

Odpowiednio rozmieszczone diody mają za zadanie podświetlenie na specjalnym panelu wyrazów. Sama idea sterowania diodami jest nieskomplikowana i można ją podzielić na dwie części, tzn. część godzinową oraz część minutową. Zegar wyposażono również w buzzer, który służy jako sygnalizator akustyczny budzika.

Do wyprowadzeń PB3...PB6 dołączono diody pokazujące minuty, natomiast do PB0...PB2 doprowadzono przyciski. Zegar jest zasilany napięciem z zakresy 9...12 VDC z zewnętrznego zasilacza. Jego napięcie jest obniżane przez stabilizator LM78M05. Jego napięcie wyjściowe służy do zasilania zegara i diod LED.

Przygotowanie matrycy

Przed złożeniem matrycy należy ją odpowiednio przygotować. Od tyłu płytki należy dokleić osłony, które będą oddzielały napisy od siebie. Ja używałem do tego celu samoprzylepnego filcu pociętego na paski o szerokości 3 mm. Odpowiednio przycięte paski należy nakleić na matrycę, jak pokazano na fotografii 2. Efekt końcowy, który trzeba uzyskać, pokazano na fotografii 3. Oddzielenie poszczególnych napisów od siebie jest konieczne, aby nie było prześwitów pomiędzy komunikatami.

Obsługa zegara

Interfejs użytkownika składa się z trzech przycisków. W trybie pracy jako zegar przyciskiem S1 włączamy lub wyłączamy obsługę budzika. Krótki pisk potwierdza wyłączenie, natomiast długi świadczy o tym że budzik został włączony. Naciskanie na przycisk S2 powoduje cykliczne przechodzenie do wyświetlania ustawionej godziny alarmu (budzenia) lub wskazań aktualnej godziny.

Przyciśnięcie przycisku S3 na odpowiednim widoku powoduje wejście w tryb ustawiania zegara lub budzika. Przyciski S1 i S3 służą w tym trybie do zwiększania/zmniejszania nastawy godziny, natomiast po przyciśnięciu S2 przechodzimy do ustawienia minut, a następnie do normalnej pracy.

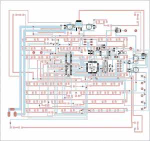
Rysunek 8. Schemat montażowy zegara tekstowego

Odczytywanie godziny jest łatwe. Gdy na matrycy jest podświetlany napis "pięć" i jedna dioda, to oznacza "sześć". Gdy "pięć" plus dwie diody, to "siedem". Jeżeli świecą same diody bez "pięć" oznacza to liczbę od 0 do 4. Przykłady wyświetlanych wskazań czasu pokazano na fotografiach:

Na fotografii 4 - 8:14.
Na fotografii 5 - 9:15.
Na fotografii 6 - 7:33.
Na fotografii 7 - 11:37

Wykaz elementów

Rezystory: (SMD 1206)
R1...R24, R30: 220 Ω
R25, R26, R31, R32, R33: 4,7 kΩ

Kondensatory: (SMD 1206)
C1, C6, C10, C11: 100 nF
C2: 22 pF
C3: 47 µF (elektrolit.)
C4, C5: 33 pF
C7...C9: 100 µF/16 V (elektrolit.)

Półprzewodniki:
D1, D2: diody Schottky (SMB)
LED1...LED97: dioda LED SMD 1206
IC1, IC2: ULN2003 (SO-16)
IC3: ATmega16A (TQFP-44)
IC4: PCF8583T (SO-8)
IC5: 7805DT
Q1, Q2: BC527 (TO-92)

Inne:
G1: bateria CR2430 z gniazdem
S1...S3: przyciski np. Omron B3F-3100
X1: gniazdo zasilacza
Q3: kwarc 32768 kHz
Q4: kwarc 16 MHz
SG1: buzzer 5 V z generatorem

Montaż i uruchomienie

Schemat montażowy zegara pokazano na rysunku 8. Montaż należy zacząć od przylutowanie wszystkich rezystorów. Kolejnym krokiem jest przylutowanie diod, wykonanie zworki (fotografia 9) oraz reszty komponentów elektronicznych. Następnie, jeśli użyliśmy "czystego" mikrokontrolera, programujemy go oraz ustawiamy fusebity, jak na rysunku 10.

Fotografia 9. Wykonanie zworki na płytce

Rysunek 10. Ustawienie fusebitów

Rysunek 11. Propozycja wykonania matrycy z napisami

Po poprawnym zmontowaniu ze sprawdzonych komponentów zegar powinien zadziałać od razu po załączeniu zasilania. Do zasilania awaryjnego zegara służy bateria litowa CR2430 . Propozycję wykonania matrycy pokazano na rysunku 11.

Adrian Wypenda
adrian359@poczta.onet.pl

Artykuł ukazał się w
Elektronika Praktyczna
listopad 2015
DO POBRANIA
Pobierz PDF Download icon
Materiały dodatkowe
Elektronika Praktyczna Plus lipiec - grudzień 2012

Elektronika Praktyczna Plus

Monograficzne wydania specjalne

Elektronik listopad 2025

Elektronik

Magazyn elektroniki profesjonalnej

Raspberry Pi 2015

Raspberry Pi

Wykorzystaj wszystkie możliwości wyjątkowego minikomputera

Świat Radio listopad - grudzień 2025

Świat Radio

Magazyn krótkofalowców i amatorów CB

Automatyka, Podzespoły, Aplikacje listopad - grudzień 2025

Automatyka, Podzespoły, Aplikacje

Technika i rynek systemów automatyki

Elektronika Praktyczna listopad 2025

Elektronika Praktyczna

Międzynarodowy magazyn elektroników konstruktorów

Elektronika dla Wszystkich grudzień 2025

Elektronika dla Wszystkich

Interesująca elektronika dla pasjonatów