Skaner DMX

Skaner DMX
Pobierz PDF Download icon
Na łamach EP opublikowano opisy kilkunastu urządzeń z interfejsem DMX. Były to głównie odbiorniki i nadajniki, a także urządzenia umożliwiające rozbudowę sieci DMX. Przy uruchamianiu prototypów lub dużych instalacji na pewno przyda się skaner DMX, który może oddać nieocenione usługi. Rekomendacje: skaner przyda się osobom zajmującym się urządzeniami technicznymi na scenie, techniczną oprawą imprez itp.

Skaner umożliwia obrazowanie ramek DMX bez ich rejestrowania lub ich zapamiętywanie dla potrzeb analizy tego, co dzieje się w sieci urządzeń. Obrazowane są tryby on/off-line sygnału DMX, a także on/off-line połączenia z USB, które jest wykrywane automatycznie. Skaner może być zasilany z sieci 230 VAC lub portu USB. Zapewniona jest izolacja galwaniczna skanera od komputera.

Budowa

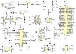
Rysunek 1. Schemat ideowy skanera DMX

Schemat ideowy skanera zamieszczono na rysunku 1. W jego budowie można wyróżnić kilka bloków: zasilacz, konwerter DMX-UART, konwerter USB-UART, mikrokontroler sterujący oraz elementy opcjonalne, takie jak wyświetlacz graficzny i klawiatura.

Obniżenie napięcia z 230 VAC do 12 VAC realizuje transformator TR1 (TZ4VA/2×12V) dostarczający dwóch napięć 12 V. Następnie to napięcie jest prostowane przez diody D1 i D2. Po stabilizacji za pomocą U1 (wraz z elementami towarzyszącymi) obwody skanera są zasilane napięciem +5 V.

Skaner można również zasilić z portu USB komputera-hosta. W takiej sytuacji izolację galwaniczną zapewnia przetwornica DC/DC (układ U4). Jeśli izolacja nie jest potrzebna, można w miejsce U4 wlutować zwory zwierające wyprowadzenia 1-3 i 2-4. Wtedy nie trzeba montować diody zabezpieczającej U1 przez prądem wstecznym, taka sytuacja raczej nie zdarzy się w trakcie normalnej eksploatacji.

Rysunek 2. Schemat montażowy skanera DMX

Złącze J8 jest przewidziane do dalszej rozbudowy. Będzie tam przyłączany akumulator zasilający skaner w trybie autonomicznym.

Konwerter DMX-UART zrealizowano wykonano w oparciu o układ U3, kondensator C1 oraz rezystory R3, R4. Układ U3 to popularny konwerter poziomu TTL na transmisję różnicową RS485. Nie zaleca się stosowania w jego miejsce układu 75176, jednak można używać innych zamienników, np. AD485.

Konwerter USB-UART to typowa aplikacja FT232RL oraz izolacja galwaniczna za pomocą układów U6 i U7. Ze względu na stosunkowo dużą prędkość transmisji (aktualnie 38400 w nowszych wersjach oprogramowania 500 kb/s), nie wolno stosować typowych transoptorów, które są zbyt wolne. Konieczne jest zastosowanie transoptorów telekomunikacyjnych z bramkami Schmitta.

Złącze JP4 jest przeznaczone do dołączenia klawiatury. Złącze J6 oraz rezystory R15, R14 i kondensator C7 umożliwiają dołączenie wyświetlacza LCD. Kolejność wyprowadzeń jest zgodna z wyświetlaczem typu EAP128-6N2LED wyposażonym w sterownik KS108B.

Wykaz elementów

Wariant do montażu przewlekanego

Rezystory: (SMD 1206)
R8, R9: 1 kΩ
R14: 4,7 kΩ
R5: 10 kΩ
R3, R4, R10: 120 Ω
R1, R2, R6, R7, R11...R13: 470 Ω
R15: 10 kΩ (pot. montażowy)

Kondensatory: (SMD 1206)
C1, C3, C4, C6, C7, C10, C11, C13, C14: 100 nF
C2, C5, C12: 470 µF/16 V (elektrolit.)
C8, C9: 22 pF

Półprzewodniki:
U1: 7805
U2: ATmega128-16AU
U3: MAX485 (zalecana podstawka precyzyjna)
U4: NME0505S przetwornica DC/DC 5 V 100 mA
U5: FT232RL
U7, U8: 6N137
D1, D2: SM4007
D3, D8: dioda LED zielona, 5 mm
D4: dioda LED czerwona, 5 mm
D5: SSA24
D6, D7: dioda LED żółta, 5 mm

Pozostałe:
Q1: kwarc 16 MHz
TR1: TZ4VA/2×12 V (transformator sieciowy 2×12 V/4 W)
F1: bezpiecznik 160 mA 5×20 z gniazdem
J1: TB-5.0-PP-2P, TB-5.0-PIN złącze TB z listwą kołkową
J2: NS25-W3 (gniazdo NS25 3 pin), NS25-G3 (wtyk NS25 3 pin), NS25-T (3 szt. terminali do wtyku NS25), XLR-3G-C (gniazdo XRL-3 do obudowy)
J3: USBB-BV (gniazdo USB kątowe)
J4: NS25-W2K (gniazdo NS25 2 pin kątowe)
JP4: ZL231-14PG (gniazdo IDC męskie, proste)
J5: ZL231-10PG (gniazdo IDC męskie, proste)
J6: ZL231-20PG (gniazdo IDC męskie, proste)
J7: NS25-W3 (gniazdo NS25 3 pin), NS25-G3 (wtyk NS25 3 pin), NS25-T (3 szt. terminali do wtyku NS25), XLR-3W (wtyk XRL-3 do obudowy)
J8: NS25-W2 (gniazdo NS25 2 pin)

Montaż i uruchomienie

Schemat montażowy Skanera DMX pokazano na rysunku 2. Montaż rozpoczynamy od elementów biernych SMD, można też wlutować układ U5.

W kolejnym kroku montujemy elementy przewlekane bierne, zaczynając od najniższych. Później wlutowujemy układy U1 i U3 (pod U3 warto zastosować podstawkę precyzyjną).

Rysunek 3. Programowanie układu FTDI - ikona lupy

Rysunek 4. Programowanie układu FTDI - liczba układów do zaprogramowania

Po zasilaniu urządzenia sprawdzamy pracę U1. Teraz można umieścić U3 w podstawce i wlutować U2 i U5. Jeśli przy zasilaniu z USB nie jest potrzebna izolacja galwaniczna, można znacznie obniżyć koszty skanera (przetwornica jest stosunkowo droga). W takiej sytuacji nie wlutowujemy przetwornicy U4, a jedynie zwieramy piny 1-3 i 2-4.

Rysunek 5. Przykładowy "dialog" ze skanerem

Podobnie, jeżeli niepotrzebne będzie zasilanie sieciowe, nie montuje się elementów zasilacza. Pozostało, na kawałku przewodu, zamontować złącza XRL, z drugiej strony obudowy NS25-03W.

Układ U8 (RAM z interfejsem SPI o pojemności 32 kB) jest przeznaczony do zapamiętywania danych w trybie autonomicznym. Aktualnie oprogramowanie nie wykorzystuje jej i nie ma potrzeby, aby wlutowywać ją i elementy z nią współpracujące (R16...R18, C15, D9).

Skaner przeznaczony jest do umieszczenia w obudowie KM-50, ale zanim to zrobimy urządzenie należy uruchomić. Uruchomienie rozpoczynamy od podłączenia skanera do portu USB. Następnie instalujemy wymagane sterowniki CDM v2.12.00 WHQL Certified ze strony www.ftdichip.com.

Tabela 1. Funkcje sygnalizacyjne diod LED

Rysunek 6. Okno programu DMX Skaner v1

Po poprawnym zainstalowaniu sterowników uruchamiamy program MProg 3.5, który także jest dostępny na serwerze firmy FTDI.

Jeśli do komputera są dołączone inne urządzenia z układami FTDI, to je odłączamy. Klikamy na ikonkę lupy (rysunek 3). W oknie powinna wyświetlić się liczba układów do zaprogramowania (rysunek 4).

Następnie wybieramy ikonkę otwarcia pliku, po czym wskazujemy plik Skaner_DMX. ept znajdujący się w podkatalogu Templates. Klikając ikonkę błyskawicy programujemy układ, co trwa około 2 sekundy.

Od teraz dioda D8 świeci, gdy urządzenie komunikuje się z komputerem, natomiast D7 informuje o transmisji danych. Funkcje sygnalizacyjne diod LED opisano w tabeli 1.

Ze skanerem komunikujemy się przez wirtualny COM lub sterowniki D2XX. Parametry transmisji: 38400, 8, n, 1. Ramka danych składa się ze znaku startu ":", komendy i znaku końca ramki CR-LF (0x0D, 0x0A) np. ":vCRLF". Przykładowy "dialog" ze skanerem pokazano na rysunku 5.

 

Rysunek 7. Komunikat wyświetlany po wykryciu dołączonego Skanera DMX

 

Rysunek 8. Komunikat wyświetlany w wypadku braku dołączonego Skanera DMX

Polecenia realizowane przez skaner wymieniono w tabeli 2. Skaner przesyła za pomocą interfejsu USB krótkie komunikaty tekstowe, które mogą być interpretowane przez oprogramowanie lub obsługę - wymieniono je w tabeli 3. W tabeli 4 umieszczono opis ramki DMX, natomiast niżej przykładową ramkę odebraną za pomocą Mini Konsoli (AVT-5456) i programu terminala:

Rysunek 9. Zmiana statusu po odebraniu transmisji DMX

: S T A R T CR LF LEN
SC 1 2 3 4 5 6 7 8
9 10 11 12 13 14 15 16 17 18 19
20 21 22
3a 53 54 41 52 54 0d 0a 00 19 00
fe 00 00 00 00 00 00 00 00 00 00
00 00 00 00 00 00 00 00 00 00 00
23 24 CRC : S T O P CR
LF
00 00 01 17 3a 53 54 4f 50 0d 0a

Tabela 2. Polecenia realizowane przez skaner (Uwaga! Pominięto znaki CR-LF)

Tabela 3. Komunikaty przesyłane przez skaner

Rysunek 9. Zmiana statusu po odebraniu transmisji DMX

Obsługa skanera z poziomu terminala nie jest wygodna, dlatego powstał program DMX Skaner v1, którego okno pokazano na rysunku 6. Program automatycznie wykrywa skaner dołączony do komputera. Na górnej belce znajduje się szereg informacji.

Od lewej: informacja o statusie układu FTDI i dwa przyciski, z których lewy umożliwia "zamrożenie" ekranu, a prawy zmienia sposób wyświetlania informacji z bufora. Nad przyciskami znajduje się informacja o stanie komunikacji DMX w skanerze. Po prawej stronie belki umieszczono informację o autorach i dystrybutorze.

Tabela 4. Budowa ramki DMX. Uwaga! W nawiasach kwadratowych podano dane hex. Len informuje o długości pola danych, CRC to "zwykłe" ADD obejmujące LenH, LenL i pola danych

Rysunek 10. Okno zawartości bufora DMX

Jeśli program wykryje skaner, zobaczymy komunikat jak na rysunku 7, natomiast w przeciwnym wypadku jak na rysunku 8. Jeśli skaner jest połączony z komputerem, ale nie ma transmisji DMX, w statusie skanera ukazuje się napis IDLE (rys. 6). Gdy pojawi się transmisja DMX, status zmieni się na RUN (rysunek 9).

Dane napływające z DMX, są wyświetlanie bez przerwy (tryb on-line). Naciśnięcie STOP zatrzyma proces wyświetlania, a etykieta na przycisku zmieni się na START (tyb off-line). Naciśnięcie START spowoduje powrót do trybu on-line.

Rysunek 11. Wyświetlanie danych w formacie szesnastkowym

Dane z bufora DMX są wyświetlane dziesiętnie, co widać w kolumnach 1, 2, 3 okna bufora pokazanego na rysunku 10. Po naciśnięciu przycisku HEX, dane będą wyświetlane w formacie szesnastkowym, jak na rysunku 11, a etykieta przycisku zmieni się na DEC.

Program skanera pokazuje ile danych ile zostało przesłanych, pozostałe pola są puste. W wypadku Mini Konsoli DMX, będą to 24 bajty, co widać na rysunku 12.

Sławomir Skrzyński, EP
Zygmunt Dziewoński

Artykuł ukazał się w
Elektronika Praktyczna
wrzesień 2015
DO POBRANIA
Pobierz PDF Download icon
Materiały dodatkowe
Elektronika Praktyczna Plus lipiec - grudzień 2012

Elektronika Praktyczna Plus

Monograficzne wydania specjalne

Elektronik listopad 2025

Elektronik

Magazyn elektroniki profesjonalnej

Raspberry Pi 2015

Raspberry Pi

Wykorzystaj wszystkie możliwości wyjątkowego minikomputera

Świat Radio listopad - grudzień 2025

Świat Radio

Magazyn krótkofalowców i amatorów CB

Automatyka, Podzespoły, Aplikacje listopad - grudzień 2025

Automatyka, Podzespoły, Aplikacje

Technika i rynek systemów automatyki

Elektronika Praktyczna listopad 2025

Elektronika Praktyczna

Międzynarodowy magazyn elektroników konstruktorów

Elektronika dla Wszystkich grudzień 2025

Elektronika dla Wszystkich

Interesująca elektronika dla pasjonatów