Liniowy wzmacniacz mocy nadajnika

Liniowy wzmacniacz mocy nadajnika
Pobierz PDF Download icon
Zadaniem wzmacniacza mocy jest wytworzenie wymaganej mocy wyjściowej wielkiej częstotliwości nadajnika i dostarczenie jej do anteny, przy jak najmniejszej mocy sterującej z możliwie największą sprawnością. Wzmacniacz można zbudować dosłownie w jeden wieczór, ponieważ nie wymaga on wykonania płytki drukowanej. Rekomendacje: układ może pełnić rolę wzmacniacza końcowego transceivera QRP/80 m zapewniając podniesienie sygnału wejściowego z poziomu 300...500 mW do około 16...20 W.

W transceiverach SSB modulacja jednowstęgowa odbywa się na poziomie małej mocy, wskutek czego tor wzmacniaczy w. cz. musi składać się z kilku stopni wzmacniaczy liniowych. Wzmacniacze emisji SSB i AM są budowane w klasie AB (układy klasy B i C nie są stosowane, bo powodują zniekształcenia obwiedni i niepożądane emisje poza pasmem użytkowym), w której prąd spoczynkowy elementu aktywnego jest niezerowy, a punkt pracy jest umieszczony na początku liniowego odcinka charakterystyki przejściowej tranzystora.

Dzięki temu przy małym wysterowaniu wzmacniacz klasy AB pracuje w klasie A (prąd płynie przez cały okres. w. cz.), a przy dużym - w warunkach bliskich klasie B. Spoczynkowy punkt pracy dobiera się tak, aby charakterystyka przejściowa była maksymalnie liniowa w całym zakresie możliwych wartości napięcia wejściowego i wyjściowego. Takie wzmacniacze nie są łatwe w budowie i mają niską sprawność energetyczną.

Ponieważ liniowe tranzystory mocy w.cz. są dość kosztowne i z tego względu w zakresie niższych częstotliwości w stopniach mocy nadajników są chętnie wykorzystywane tanie przełącznikowe tranzystory MOSFET z serii IRF. Przy doborze takich tranzystorów do wzmacniania sygnałów analogowych należy zwracać uwagę na trzy ważne czynniki (parametry):

Pojemności pomiędzy bramką a pozostałymi elektrodami tranzystora.

Napięcie bramki Vgs, przy którym następuje otwarcie tranzystora i napięcie, przy którym występuje stan nasycenia prądu tranzystora (Id max).

Możliwości odprowadzenia ciepła z obudowy tranzystora.

Rysunek 1. Schemat ideowy wzmacniacza mocy

W tranzystorach MOSFET typu IRF pojemności pomiędzy bramką, a pozostałymi elektrodami przybierają wartości od setek pikofaradów do pojedynczych nanofaradów, co jest wielkością niekorzystną w zakresie KF (w układach przełącznikowych o małych częstotliwościach pracy nie ma to większego znaczenia).

Wśród popularnych tranzystorów IRF najlepsze są IRF 510, które według danych katalogowych mają pojemność wejściową w zakresie 120...180 pF, a wyjściową około 120 pF (inne tranzystory IRF mają większe te pojemności).

Napięcie otwarcia Vgs w IRF 510 wynosi w granicach 3...4 V, a stan nasycenia prądu kanału (drenu) o wartości około 4 A osiąga przy napięciu bramki około 7...8 V. Maksymalna moc rozproszenia dla tych tranzystorów wynosi ponad 40 W, ale w stanach przejściowych w układach tranzystorowych pracujących w klasie AB wydzielają się znaczne moce strat i kłopoty z odprowadzaniem ciepła sprawiają, że jest możliwe uzyskanie około 8 W mocy wyjściowej (przy większej mocy łatwo o uszkodzenia tranzystora np. przy niedopasowaniu).

Schemat ideowy wzmacniacza z użyciem trzech tranzystorów IRF 510 jest pokazany na rysunku 1. Układ może pełnić rolę wzmacniacza końcowego transceivera QRP/80 m zapewniając podniesienie sygnału wejściowego z poziomu 300...500 mW do około 16...20 W mocy na wyjściu (przy napięciu zasilającym 12...13,8 V).

Pierwszy stopień z tranzystorem T1 pracuje w klasie A, a dwa kolejne tranzystory T2 i T3 są połączone w układzie przeciwsobnym i pracują w klasie AB. Punkty pracy tranzystorów zależą od dzielników napięciowych w obwodach bramek (ustawienia potencjometrów montażowych) oraz rezystorów włączonych w źródłach.

Niewielkie ujemne sprzężenia zwrotne w postaci nieblokowanych kondensatorami rezystorów w źródłach stabilizują punkt pracy i poprawiają wypadkową liniowość wzmacniacza (zbyt duża wartość rezystora zmniejsza jednak znacznie moc wyjściową). Rezystory te można łączyć równolegle, co korzystnie wpływa na zmniejszenie indukcyjności.

Zastosowane nietypowe sterowanie bramek tranzystorów T2 i T3 z jednego uzwojenia wtórnego transformatora TR1 sprawia, że występuje samoczynna symetryzacja sterowania tranzystorów mocy. Na drenach tranzystorów wzmocnione sygnały są w przeciwfazie, co w efekcie daje dodatkowe stłumienie harmonicznych. Sygnały wyjściowe poprzez transformator sumujący są podane na dwusekcyjny filtr dolnoprzepustowy na pasmo 80 m.

Sterowanie przełączaniem nadawanie/odbiór jest wykonane na dwóch przekaźnikach JZC-6F zasilanych napięciem 12 V. Napięcie sterujące z transceivera jest wykorzystane także do zasilania bramek, poprzez stabilizator US1 78L05.

Oddzielna polaryzacja bramek dla każdego tranzystora umożliwia precyzyjne ustawienie prądu spoczynkowego i jest korzystna w przypadku stosowania nieparowanych tranzystorów w stopniu przeciwsobnym. W celu odprowadzenia ciepła tranzystory są przykręcone do radiatora aluminiowego.

Montaż

Rysunek 2. Rozmieszczenie elementów na płytce wzmacniacza

Elementy wzmacniacza zostały zmontowane na jednostronnej płytce drukowanej pokazanej na rysunku 2. Niezbędne pola lutownicze powstały poprzez wyfrezowanie warstwy miedzi wykrojnikiem zamocowanym w uchwycie wiertarki (pozostała warstwa miedzi stanowi masę).

Po drugiej stronie płytki znajdują się tranzystory IRF510 przykręcone do aluminiowego radiatora 124×50 mm (h=35 mm) z profilu A5724. Kilka niezbędnych połączeń przewodem oraz elektrody tranzystorów są przylutowane do wysepek (według rysunku 3), po wcześniejszym wykonaniu otworów o średnicy 1 mm.

Ponieważ zastosowane tranzystory w obudowach TO220 mają dreny połączone galwanicznie z radiatorem, dlatego konieczne jest użycie podkładek izolacyjnych z miki lub teflonu (pomiędzy radiatorami). Ważnym jest też, aby tranzystory zamocować symetrycznie na wprost otworów w płytce o średnicy 3 mm, a pomiędzy płytką a radiatorem wstawić tulejki dopasowane dociskające.

Chodzi o to, aby śruby M3 należycie dociskały radiatory tranzystorów do podkładek izolacyjnych i oczywiście głównego radiatora chłodzącego. Wskazane jest też, aby przed wlutowaniem użyć tranzystorów o zbliżonych parametrach (najlepiej, aby rozrzut T2 i T3 nie był większy niż 10%).

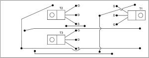
Rysunek 3. Rozmieszczenie elementów na płytce od strony radiatora

Transformatory dopasowujące oraz dławiki zasilające w.cz. zostały nawinięte na rdzeniach ferrytowych. Indukcyjności DŁ1...DŁ3 to typowe dławiki przeciwzakłóceniowe o indukcyjności 10 mH na prąd co najmniej 1 A (DŁ4 na prąd 3 A) nawinięte drutem na pręcie ferrytowym. Transformator TR1 został nawinięty drutem DNE 0,4 na rdzeniu dwuotworowym od symetryzatora radiowego BN-43/202 (Al=2890).

Uzwojenie pierwotne ma 6 zwojów, a wtórne 4 zwoje tego samego drutu. Transformator TR2 jest nawinięty na rdzeniu RP 16 mm×9 mm×14 mm z materiału F1000 i zawiera dwa uzwojenia bifilarne po 5 zwojów drutu o średnicy 1 mm w izolacji igielitowej. Można użyć większego rdzenia toroidalnego FT82-43 o wymiarach 21 mm×13,2 mm×6,35 mm (Al.=557), ale należy nawinąć dwa razy więcej zwojów, czyli 2×10 zw.

Na cewki w filtrze dolnoprzepustowym zostały wykorzystane rdzenie czerwone T50-2 o wymiarach 12,7 mm×7,7 mm×4,83 mm (Al=4,9). Cewki L1 i L2 zawierają po 21 zwojów drutu o średnicy 0,4 mm w izolacji igielitowej (typowa krosówka telefoniczna). Można tez użyć rdzeni T68-2 o wymiarach 17,5 mm×9,4 mm×4,83 mm (Al=5,7) i nawinąć po 19, 5 zw. Przy innych rdzeniach liczba zwojów zależy od liczby Al.

Wykaz elementów

Rezystory:
R1, R3, R4: 100 Ω/1 W
R2: 4,7 Ω
R5, R6: 0,1 Ω
R7*, R8*: 330 Ω
PR1, PR2, PR3: 4,7 kΩ

Kondensatory:
C1, C3, C5...C9, C12...C14, C18: 100 nF
C10, C11: 100 nF/250 V
C2, C4, C19: 47 µF/16 V
C15, C17: 750 pF/250 V
C16: 1,5 nF/250 V
C20*, C21*: 10 nF/250 V

Półprzewodniki
T1, T2, T3: IRF510
US1: 78L05
D1: 1N4002

Inne:
PZ1, PZ2: przekaźnik JZC-6F (cewka 12 V DC)
TR1,TR2: według opisu w tekście
DŁ1...DŁ4: 10 µH/1 A (3 A)
RADA: A5724L5

Uruchomienie

Zmontowany układ wymaga właściwego ustawienia prądów spoczynkowych za pomocą potencjometrów montażowych. Wstępne prądy spoczynkowe dla każdego z tranzystorów należy ustawić na 100 mA, mierząc spadki napięć na rezystorach w źródłach (UR2=470 mV, UR5=UR6=10 mV).

Końcową regulację najlepiej wykonać przy jednoczesnej kontroli sygnału wyjściowego za pomocą oscyloskopu lub analizatora widma (na minimum zniekształceń i maksimum mocy wyjściowej).

Warto wiedzieć, że w transformatorach szerokopasmowych TR1 i TR2 można zastosować wiele innych typów rdzeni ferrytowych, ale trzeba pamiętać, aby dobrać powierzchni przekrój rdzenia proporcjonalnie do mocy i aby użyty materiał zapewniał możliwie najmniejsze straty. Grzanie się rdzenia jest objawem nasycenia się materiału, a także utraty właściwości magnetycznych. Trzeba pamiętać, że przy nasyceniu rdzenia ferrytowego następuje gwałtowny spadek mocy i nadmierne grzanie się tranzystorów wraz z radiatorem.

Przed użyciem dostępnych rdzeni, najlepiej zapoznać się ze specyfikacją materiałów ferrytowych. Największy dylemat jest wtedy, kiedy mamy pod ręką nieznany rdzeń, a sądząc po gabarytach nadawałby się do wzmacniacza. Zamiast od razu wkładać go do budowanego wzmacniacza lepiej dokonać oszacowanie częstotliwości pracy poprzez pomiar miernikiem indukcyjności uzwojeń.

W tym celu nawijamy uzwojenia, najlepiej tak jak w powyższym opisie i dokonujemy pomiaru indukcyjności. Jeżeli uzwojenia będą miały indukcyjności w granicach 50...200 µH to można mieć nadzieję, że taki transformator spełni nasze oczekiwania. Można też spróbować przez jedno z uzwojeń przepuścić z zasilacza regulowanego maksymalny prąd, przy jakim będzie pracował wzmacniacz i skontrolować indukcyjność uzwojenia wtórnego (zapamiętać wartość przed podłączeniem prądu oraz podczas przepuszczania prądu przez uzwojenie).

Jeżeli stwierdzimy, że indukcyjność uzwojenia pomiarowego gwałtownie zmaleje to znak, że rdzeń nie przeniesie wymaganej mocy (jest nasycony) i nie nadaje się do wzmacniacza. W ten sposób można oszacować, do jakiej maksymalnej wartości mocy będzie pracował rdzeń.

Podczas uruchamiania trzeba zwrócić uwagę, czy układ pracuje stabilnie bez podwzbudzeń. "Walka" ze wzbudzaniem się wzmacniaczy czasem nie jest łatwa i polega na eliminacji przyczyny, czyli jak wynika z teorii powstania generacji drgań (usunięcia dwóch warunków: fazy i amplitudy). W układzie modelowym nie było potrzeby włączenia dodatkowych elementów ujemnego sprzężenia zwrotnego w postaci dwójników R7C20 i R8C21 pomiędzy bramkami a drenami tranzystorów, ale gdyby nastąpiło podwzbudzanie, trzeba spróbować je włączyć.

Na zakończenie wypada jeszcze wspomnieć o samym pomiarze mocy wyjściowej wzmacniacza. Można ją wykonać najprościej za pośrednictwem profesjonalnego miernika mocy RF lub metodą techniczną (pomiar napięcia w.cz. na sztucznym obciążeniu - rezystorze bezindukcyjnym 50 Ω/20 W).

Podczas sprawdzania wzmacniacza należy do wejścia mikrofonowego transceivera dołączyć wyjście generatora sygnału akustycznego 1 kHz, a do wyjścia wspomniany miernik lub sztuczne obciążenie oraz poprzez dzielnik mocy - oscyloskop w. cz. najlepiej cyfrowy. Poziom z generatora lub wzmocnienie toru mikrofonowego należy tak ustawić, aby nie przesterować układu. Przy tej czynności należy skorygować ustawienia potencjometrów montażowych, mierząc jednocześnie poziom zniekształceń i prąd spoczynkowy.

Moc nominalna nadajnika SSB jest określana jako maksymalna moc w szczycie modulacji (PEP). Moc średnia oddawana przez liniowy wzmacniacz końcowy nadajnika SSB (moc pobierana z zasilacza) zależy od sygnału modulującego. Zawsze jest ona największa przy pomiarach kontrolnych nadajnika, gdyż przy testowaniu sygnałem jednotonowym wzmacniacz oraz zasilacz musi dostarczać mocy maksymalnej (PEP) w sposób ciągły.

Z kolei przy testowaniu sygnałem dwutonowym średnia moc wyjściowa oraz moc zasilania zmniejsza się o połowę. Przy normalnej pracy z mikrofonem moc średnia znacznie spada, co wynika z faktu, że sygnał mowy zawiera przerwy, w których nadawany sygnał SSB spada do zera.

Z tego też powodu nadajniki SSB, nie są najczęściej przystosowane do ciągłego oddawania mocy nominalnej i należy postępować ostrożnie przy ich testowaniu. Oczywiście, w czasie pomiarów jest zabronione odłączanie obciążenia od stopnia mocy. Włączenie nadawania przy odłączonym obciążeniu może spowodować zniszczenia tranzystorów końcowych wzmacniacza.

JA

Artykuł ukazał się w
Elektronika Praktyczna
lipiec 2015
DO POBRANIA
Pobierz PDF Download icon
Elektronika Praktyczna Plus lipiec - grudzień 2012

Elektronika Praktyczna Plus

Monograficzne wydania specjalne

Elektronik listopad 2025

Elektronik

Magazyn elektroniki profesjonalnej

Raspberry Pi 2015

Raspberry Pi

Wykorzystaj wszystkie możliwości wyjątkowego minikomputera

Świat Radio listopad - grudzień 2025

Świat Radio

Magazyn krótkofalowców i amatorów CB

Automatyka, Podzespoły, Aplikacje listopad - grudzień 2025

Automatyka, Podzespoły, Aplikacje

Technika i rynek systemów automatyki

Elektronika Praktyczna listopad 2025

Elektronika Praktyczna

Międzynarodowy magazyn elektroników konstruktorów

Elektronika dla Wszystkich grudzień 2025

Elektronika dla Wszystkich

Interesująca elektronika dla pasjonatów