Zabezpieczenie głośników i słuchawek do urządzeń audio

Zabezpieczenie głośników i słuchawek do urządzeń audio
Pobierz PDF Download icon

W artykule opisano projekty dwóch uniwersalnych modułów dołączanych do końcówek mocy audio, zabezpieczających współpracujące z nimi głośniki lub słuchawki przed przepływem prądu stałego oraz stukami przy włączaniu/wyłączaniu zasilania. Urządzenia są zbudowane w oparciu o tanie, łatwo dostępne elementy. Co ważne, nie wpływają na pogorszenie jakości sygnału audio.

W odpowiedzi na własne potrzeby zaprojektowałem i wykonałem opisywane urządzenie w dwóch różnych wersjach - do zabezpieczenia wyjść słuchawkowych lub głośnikowych. Schematy ideowe obu urządzeń wersji pokazano na rysunku 1 i rysunku 2. Różnią się one układem wyjściowym oraz płytką drukowaną.

Działanie zabezpieczenia polega na odłączaniu słuchawek lub głośników za pomocą przekaźnikiem w momencie załączania, wyłączania lub przepływu prądu stałego. Urządzenia są uniwersalne, sprawdzą się współpracując z wieloma wzmacniaczami mocy audio i z całą pewnością przydadzą się Czytelnikom.

Wykaz elementów

Zabezpieczenie słuchawek

Rezystory: (SMD 0805)
R1, R2: 33 kΩ;
R3, R4, R11: nie montować - opis w tekście
R5, R6: 22 kΩ; (THT)
R7...R9: 4,7 kΩ;
R10: 1 MΩ;
R12, R13: 68,1 Ω;/1% (THT, 0,5 W)
R14: 0 Ω; (opis w tekście)
R15: opis w tekście

Kondensatory:
C1, C2: 47 µF/25 V (tantalowy)
C3: 10 µF/25 V (elektrolityczny)
C4: 47 µF/63 V (elektrolityczny)
C5...C7: 100 nF

Półprzewodniki:
D1...D3, D5: 1N4148 (SMD)
D4: dioda Zenera 15 V/0,4 W (THT)
B1: DF06S lub podobny (mostek prostown.)
OK1: LTV827 (transoptor podwójny, DIP8)
Q1: BC846
Q2: BC858
Q3: IRF520 (lub podobny)

Inne:
REL1: przekaźnik np. AZ850-12 (dobrać napięcie cewki, tu 12 V)
podstawka DIP8 - 1 szt.

Zabezpieczenie głośników

Rezystory: (SMD 0805)
R1, R2: 33 kΩ
R3, R4, R11: nie montować (opis w tekście)
R5, R6: 22 kΩ (THT)
R7...R9: 4,7 kΩ
R10: 1 MΩ
R14: 0 Ω (opis w tekście)
R15: opis w tekście

Kondensatory:
C1, C2: 47 µF/25 V (tantalowy)
C3: 10 µF/25 V (elektrolityczny)
C4: 47 µF/63 V (elektrolityczny)
C5...C7: 100 nF

Półprzewodniki:
D1...D3, D5: 1N4148
D4: dioda Zenera 15 V/0,4 W (THT)
B1: DF06S (mostek prostowniczy SMD)
OK1: LTV827 (transoptor, DIP8)
Q1: BC846
Q2: BC858
Q3: IRF520 lub podobny

Inne:
REL1: przekaźnik RM84P12 lub odpowiednik
(dobrać napięcie cewki, tu 12 V)
podstawka DIP8 - 1 szt.

Zasada działania

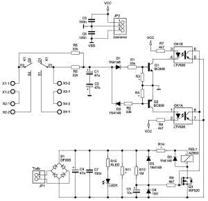
Rysunek 1. Schemat ideowy zabezpieczenia głośników

Układy zabezpieczające składają się z dwóch bloków funkcjonalnych. Omówienie zacznę od bloku eliminowania stuków przy włączaniu i wyłączaniu zasilania - jest to chyba najważniejsza funkcja tego typu układów zapewniająca komfort korzystania ze sprzętu audio. Jej działanie polega na opóźnionym dołączeniu i szybkim odłączeniu wyjścia wzmacniacza od głośników lub słuchawek przy włączeniu i wyłączeniu głównego transformatora zasilającego.

Funkcję tę pełnią elementy w dolnych częściach schematów: od złącza JP1 i mostka prostowniczego B1, do tranzystora i przekaźnika elektromagnetycznego. Do złącza JP1 podłączamy bezpośrednio jedno z uzwojeń wtórnych transformatora. Przebieg jest prostowany w mostku, a kondensator C4 pełni rolę filtra. Jego pojemność należy dobrać doświadczalnie.

Musi ona być na tyle mała, aby nie wprowadzała opóźnień w szybkim odłączaniu, ale jednocześnie na tyle duża, aby przekaźnik mógł się pewnie załączyć. W wykonanych przeze mnie prototypach ma on pojemność 47 mF. W tym obwodzie włączono również kontrolkę sygnalizującą zasilanie wykonaną za pomocą diody LED. Miejsce jej włączenia wybrano w taki sposób, aby dioda zgasła natychmiast po wyłączeniu zasilania.

Jeśli dioda sygnalizująca zasilanie jest dołączona do głównego obwodu zasilania, to po wyłączeniu urządzenia bardzo wolno gaśnie (przy pojemności kondensatorów filtrujących rzędu dziesiątków milifaradów potrafisię to ciągnąć w nieskończoność) i nie wiadomo czy urządzenie naprawdę zostało wyłączone, czy zepsuł się przełącznik, czy gdzieś jest zwarcie. Dołączenie kontrolki do przedstawionego tutaj układu zabezpieczającego zapewnia jej natychmiastowe zgaszenie przy odłączeniu zasilania transformatora, jednocześnie ze zwolnieniem styków przekaźnika.

Rezystor R15 jest dobierany zależnie od napięcia zasilania, koloru świecenia diody LED i oczekiwanej jasności diody. Rezystor R11 jest dodatkowym obciążeniem rozładowującym kondensator C11, przyspieszającym odłączenie przetworników. Jego wartość znów można dobrać doświadczalnie, można też go nie montować (w prototypach go nie ma), w razie potrzeby jego wartość nie powinna być mniejsza niż kilka kiloomów.

Opóźnione załączanie jest realizowane przez obwód rezystor R10 - kondensator C3. Napięcie na kondensatorze powoli narasta otwierając kanał tranzystora MOSFET. Prąd drenu jest w końcu na tyle duży, że przełącza styki przekaźnika.

Rysunek 2. Schemat ideowy zabezpieczenia słuchawek

15-woltowa dioda Zenera zabezpiecza bramkę przed zbyt dużym napięciem (dopuszczalne UGS ±20 V) mogącym uszkodzić tranzystor przy zbyt dużym napięciu zasilania. Dioda krzemowa D5 przyśpiesza rozładowywanie kondensatora C3 po wyłączeniu zasilania, aby w wypadku krótkotrwałego odłączenia zasilania transformatora po ponownym włączeniu wystąpiło jakieś opóźnienie.

Styki przekaźnika normalnie rozwarte (NO) są włączane pomiędzy wyjście wzmacniacza a przetworniki (słuchawki/kolumny). Jak widać na schematach, do wzmacniacza dołączone są też rezystory R5 i R6, a za nimi kondensatory C1, C2 (tworzą kondensator bipolarny mający pojemność 0,5×C1, ponieważ C1=C2). Są one filtrem dolnoprzepustowym o częstotliwości granicznej ułamka herca.

Niezerowe napięcie na wyjściu filtru świadczy o występowaniu niebezpiecznej składowej stałej, która w najlepszym wypadku zwiększa zniekształcenia wprowadzane przez głośniki lub słuchawki oraz skutkuje ograniczeniem dynamiki, a w najgorszym powoduje ich uszkodzenie. Za filtrem włączono dwa komplementarne obwody na tranzystorach bilpolarnych.

Kiedy wartóść bezwzględna napięcia na wyjściu filtru będzie odpowiednio duża (1,1...1,3 V), jeden z tych obwodów zostanie uruchomiony, dioda i złącze baza-emiter będą spolaryzowane i przez diodę jednego z transoptorów popłynie prąd.

Zasilanie dla nich jest pobierane z głównego zasilacza wzmacniacza. Światło diody otworzy transoptor i zewrze bramkę tranzystora MOSFET do masy momentalnie wprowadzając go w stan odcięcia i zwalniając styki przekaźnika. Rezystor R9 ogranicza prąd rozładowywania kondensatora C3 i nie wpływa na działanie Q3.

Rezystory R3 i R4 mogą być wykorzystane do poszerzenia zakresu tolerancji napięcia na wyjściu filtru, ale normalnie nie będą montowane. Rezystor R14 możemy zastosować, kiedy zasilamy przekaźnik wyższym napięciem, bliskim górnej dopuszczalnej przez producenta granicy. Spowoduje to zmniejszenie spadku napięcia na cewce. W przeciwym wypadku wstawiamy zwarcie.

Obie wersje układu zabezpieczającego nieco się od siebie różnią. Wersja głośnikowa zawiera duży, podwójny przekaźnik (styki 250 V/8 A) oraz grube ścieżki, umożliwiające przepływ prądu o dużym natężeniu. Wariant dla słuchawek zawiera miniaturowy przekaźnik, ponieważ prąd płynący przez słuchawki jest niewielki. Ma też możliwość zamontowania standardowego gniazda jack stereo 6,3 mm bezpośrednio na płytce.

Fotografia 3. Prototyp zamontowany we wzmacniaczu

Zastanawiać może obecność rezystorów R12 i R13 - nie ma ich w wersji głośnikowej. Producenci słuchawek (przynajmniej tych lepszej klasy) zakładają, że ich produkty będą pracowały w szeregu z opornikami rzędu 10...100 Ω.

Te oporniki mają zapobiec przepływowi dużego prądu spowodowanego przez zwarcie w momencie wkładania wtyczki przy pracującym urządzeniu. Jak wiadomo, wtyczka jack - piętnowana przez inżynierów - w momencie wkładania zwiera styki. Jednak mimo tego przyjęto ją jako standard międzynarodowy. Jednak często konstruktorzy wzmacniaczy słuchawkowych nie stosują rezystorów szeregowych.

Prezentowany układ umożliwia wygodne ich zamontowanie, kiedy nie zrobiło się tego w końcówce mocy. W innym wypadku wstawiamy w ich miejsce zwary. W swoim wzmacniaczu słuchawkowym użyłem dwóch metalizowanych, 1-procentowych rezystorów o mocy 0,5 W, rezystancji 68,1 Ω - akurat takie miałem pod ręką. Urządzenie bardzo dobrze współpracuje zarówno ze słuchawkami o impedancji 32 Ω, jak i większej np. 300 Ω.

Na fotografii 3 można zobaczyć moduł zabezpieczający, pracujący w tym wzmacniaczu - działa bezawaryjnie od czerwca 2014. Jest zasilany z transformatora o napięciu wyjściowym 15 V. Był to prototyp opisywanego układu zabezpieczającego, a jego płytka różni się na od wersji ostatecznej, w której obróciłem tranzystor w stronę płytki zapobiegając zwarciu z obudową, zaprojektowałem szersze i krótsze ścieżki, zwiększyłem odległości między złączami itd.

Montaż

Rysunek 4. Schemat montażowy zabezpieczenia głośników

Moduły zabezpieczające mają być wbudowane we wzmacniacz, więc starałem się, aby były jak najmniejsze. Dlatego większość komponentów ma obudowy SMD. Schemat montażowy pokazano na rysunku 4 (zabezpieczenie głośników) i rysunku 5 (zabezpieczenie słuchawek). Montaż rozpoczynamy od elementów SMD - na początku elementy bierne oraz diody, potem tranzystory i mostek prostowniczy.

Następnie elementy przewlekane. Pod podwójny transoptor stosujemy podstawkę, rezystor ograniczający prąd diody LED możemy zamontować później. Wspomniałem już o rezystorze R14 oraz parze oporników R12 i R13 (wersja słuchawkowa). Komentarza wymagają jeszcze kondensatory C1 i C2. Można użyć zwykłych elektrolitycznych, ale rozsądniejszym wyborem będą kondensatory tantalowe, ponieważ w tym zastosowaniu będę miały większą trwałość.

Zabezpieczenia projektowałem w taki sposób, aby mogło być zasilane szerokim zakresem napięcia zasilania. Dotyczy to części układu zasilanej bezpośrednio z uzwojenia transformatora (złącze JP1). Dla tego napięcia dobieramy napięcie cewki przekaźnika, pamiętamy o pewnych możliwościach jego korekcji rezystorem R14.

Do napięcia zasilania musimy również dobrać rezystor R10 i kondensator C3 odpowiadające za opóźnienie załączenia przekaźnika. Dla wyższego napięcia zasilania tranzystor załączy przekaźnik wcześniej. Przy obecnych wartościach elementów i zasilaniu ok. 15 V (napięcie skuteczne na uzwojeniu) opóźnienie wynosi ok. 2 sekund.

Trzeba to zrobić doświadczalnie. Jako wskazówkę mogę dodać, by raczej stosować duży rezystor i mniejszy kondensator (wszystko w granicach rozsądku). Umożliwia to szybsze rozładowanie pojemności C3 po odłączeniu zasilania transformatora. Jak napisałem, prąd rozładowujący płynie przez diodę D5. W ten sposób układ będzie szybciej gotowy na ponowne włączenie zasilania.

Trzeba jeszcze zwrócić uwagę na zasilanie części wykrywającej składową stałą, przyłączoną do zasilacza końcówki mocy. Napięcie nie musi być dostarczane z tego samego uzwojenia, z którego zasilamy część opóźniającą. Jeśli mamy między tymi źródłami izolację galwaniczną, to po przyłączeniu układu zabezpieczającego zostanie ona zachowana dzięki zastosowaniu transoptorów.

Rysunek 5. Schemat montażowy zabezpieczenia słuchawek

W wypadku wzmacniacza zasilanego wysokim napięciem, być może trzeba będzie skorygować wartości oporników R7 i R8, ograniczających prąd diod transoptorów. Te diody nie mogą one być narażone na uszkodzenie przy nasyceniu któregoś z tranzystorów: Q1 lub Q2.

Zwracamy również uwagę na maksymalne nominalne napięcia innych podzespołów, jak np. kondensatorów elektrolitycznych - w końcu układ zabezpieczający ma pracować niezawodnie przez wiele lat, ponadto w obudowie może być spora temperatura, na co niektóre elementy mogą być wrażliwe. Zalecam też zastosowanie elementów sprawdzonych, renomowanych producentów (zwłaszcza przekaźników), dzięki czemu zabezpieczenia będą pracowały niezawodnie.

Jeśli wersja głośnikowa będzie pracowała ze wzmacniaczem o dużej mocy, a co za tym idzie, przy dużym prądzie obciążenia, należy pogrubić odpowiednie ścieżki w płytce drukowanej np. przez pocynowanie lub lepiej, przylutowując do nich na całej długości gruby drut miedziany. Ścieżki te w tym celu nie zostały pokryte maską.

Nie wszyscy użytkownicy wersji do wzmacniaczy słuchawkowych zechcą montować gniazdo wyjściowe na zaprojektowanej przeze mnie płytce drukowanej, więc nie ma sensu, aby zajmowała ona więcej miejsca, niż potrzeba.

Jeśli zdecydujemy się na zamontowanie gniazda poza płytką i przyłączenie go przewodami, to możemy obciąć nadmiar płytki wzdłuż zaznaczonej linii, nadrukowanej na górnej warstwie. Dzięki temu otwory pod śruby mocujące nadal będą mogły pełnić swoją funkcję, a przewody dołączamy do otworów dla gniazda słuchawkowego. Przewód wspólny (masę) słuchawek należy poprowadzić osobno, poza płytką.

Michał Pędzimąż
mpedzimaz@gmail.com

Artykuł ukazał się w
Elektronika Praktyczna
kwiecień 2015
DO POBRANIA
Pobierz PDF Download icon
Materiały dodatkowe
Elektronika Praktyczna Plus lipiec - grudzień 2012

Elektronika Praktyczna Plus

Monograficzne wydania specjalne

Elektronik listopad 2025

Elektronik

Magazyn elektroniki profesjonalnej

Raspberry Pi 2015

Raspberry Pi

Wykorzystaj wszystkie możliwości wyjątkowego minikomputera

Świat Radio listopad - grudzień 2025

Świat Radio

Magazyn krótkofalowców i amatorów CB

Automatyka, Podzespoły, Aplikacje listopad - grudzień 2025

Automatyka, Podzespoły, Aplikacje

Technika i rynek systemów automatyki

Elektronika Praktyczna listopad 2025

Elektronika Praktyczna

Międzynarodowy magazyn elektroników konstruktorów

Elektronika dla Wszystkich grudzień 2025

Elektronika dla Wszystkich

Interesująca elektronika dla pasjonatów