PC_Speaker - "cyfrowe" głośniki komputerowe

PC_Speaker - "cyfrowe" głośniki komputerowe
Pobierz PDF Download icon
Od kilku lat systemy audio migrują w kierunku komputerów PC. Przy komputerze spędzamy większość czasu czy to pracując, czy odpoczywając, a ponieważ obie czynności lepiej wykonuje się przy muzyce, to zwykle do jej odtwarzania używamy "podręcznego odtwarzacza empetrójek", tj. komputera PC. A w związku z tym, że jesteśmy elektronikami, to fajnie jest móc pochwalić się własnoręcznie poskładanymi głośnikami komputerowymi.

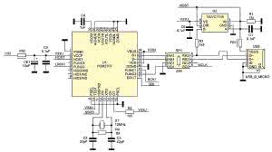
Rysunek 1. Schemat konwertera USB/I²S

Ideą, która przyświecała projektowi, była chęć zbudowania toru całkowicie cyfrowego, przy zachowaniu nieskomplikowanej budowy i możliwie dużej funkcjonalności niespotykanej w popularnych rozwiązaniach fabrycznych.

Sercem projektu jest cyfrowy procesor sygnałowy ADAU1701 z rodziny Sigma DSP firmy Analog Devices. Odpowiada on za obróbkę sygnału audio z możliwością kształtowania charakterystyki przenoszenia, rozszerzania efektu stereo oraz aktywnej korekcji basu.

Połączenie z PC odbywa się za pomocą interfejsu USB. Za odbiór i konwersję danych do formatu I²S odpowiada dobrze znany audiofilom przetwornik PCM2707 firmy Texas Instruments. Całość uzupełnia wzmacniacz mocy typu STA333ML firmy ST Microlectronics. Wzmacniacz ma wbudowany przetwornik C/A i końcówkę mocy pracującą w klasie D. Tor audio pracuje z częstotliwością próbkowania 44,1 kHz dostosowaną do materiału CD.

Schemat ideowy podzielono na trzy bloki odpowiadające realizowanej funkcji. Na rysunku 1 pokazano schemat odbiornika - konwertera USB/I²S.

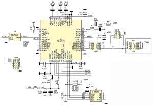
Rysunek 2. Schemat bloku DSP

Układ PCM2707 pracuje w typowej aplikacji z własnym zasilaniem, ułatwia to separację od zakłóceń przeważnie kiepskiego zasilania dostarczanego przez USB. Sygnał ze złącza USB poprzez rezystory dopasowujące doprowadzony jest do odbiornika U1.

Układ U2 jest wykorzystany w nietypowej funkcji bramki AND i konwertera poziomów 5/3,3 V. Ze względu na wykorzystanie własnego zasilania jest konieczne zapewnienie prawidłowej detekcji urządzenia poprzez USB. Do tego celu służy rezystor R2 "podwieszany" do napięcia 3,3 V tylko wtedy, gdy obecne są zasilania układu i USB, wymagane dla prawidłowej pracy urządzenia.

Umożliwia to pozostawienie dołączonego kabla USB przy wyłączonym zasilaniu głośników. Bez tego PCM byłby widoczny dla systemu i powodował nieprawidłową pracę systemowego sterownika audio. Sygnał wyjściowy I²S i zegar systemowy MCLK, doprowadzone są do bloku DSP, którego schemat ideowy pokazano na rysunku 2.

Procesor sygnałowy U4 jest odpowiedzialny za obróbkę wejściowego sygnału I²S (LRCKI, BCKI, SDI). Po korekcjach sygnał jest dostępny poprzez wyjściowy interfejs szeregowy (LRCKO, BCKO, SDO). Tor sygnałowy pracuje synchronicznie z częstotliwością fs=44,1 kHz i mnożnikiem 256. Zarówno DSP jak i końcówka mocy taktowane są sygnałem MCLK z odbiornika USB. Program i parametry przechowywane są w pamięci nieulotnej U2.

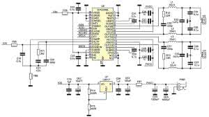
Rysunek 3. Schemat wzmacniacza mocy i zasilacza części cyfrowej

Zwora WP umożliwia jej zaprogramowanie w systemie za pomocą interfejsu USBi. Generator sygnału zerowania (U3) zapewnia prawidłowy restart układów po włączeniu zasilania. Tranzystor Q1 jest elementem stabilizatora napięcia zasilającego rdzeń DSP. Procesor ADAU1701 pracuje w układzie tylko z torem cyfrowym. Wbudowane przetworniki A/C i C/A są wyłączone, i wprowadzone w tryb obniżonego poboru mocy.

Zmiana nastaw ADAU jest możliwa poprzez sygnały sterujące MP2, MP3, MP8 i MP9 wyprowadzone na złącze GPIO. Rezystor RP3 jest opcjonalny i nie należy go montować w tej wersji oprogramowania DSP. Wszystkie obwody zasilania PLL i rdzenia DSP są filtrowane przez zestawy koralik ferrytowy + kondensator.

Ostatnim blokiem funkcjonalnym głośników jest wzmacniacz mocy i zasilacz części cyfrowej. Jego schemat pokazano na rysunku 3. Końcówka mocy jest oparta o układ U6 typu STA333ML zawierający stereofoniczną, mostkową końcówkę mocy oraz wbudowany przetwornik C/A.

Rysunek 4. Obudowa FR89EX

Rysunek 5. Schemat montażowy PC_Speaker

Upraszcza to aplikację i eliminuje wyjściowe kondensatory sprzęgające oraz umożliwia zasilanie układu względnie niskim napięciem. Podobnie jak w wypadku DSP, blok cyfrowy i PLL mają dodatkowe filtry zasilania. Wyjściowe filtry dolnoprzepustowe zostały także rozbudowane, aby uniknąć generowania zaburzeń poprzez przewody głośnikowe.

Układ jest zasilany zewnętrznym zasilaczem 12 V/2 A, co umożliwia osiągnięcie mocy około 2×7...10 W przy obciążeniu 8 V. Napięcie zasilające może zawierać się w przedziale 10...18 V. Wyższe napięcie oczywiście umożliwi osiągnięcie większej mocy, ale kosztem strat w U6. Warto więc w takim wypadku dokleić do U6 niewielki radiator i zwiększyć radiator U7. Wzmocniony sygnał wyjściowy jest dostępny na złączach O1 i O2.

Napięcia 3,3 V zasilającego część cyfrową dostarcza typowy stabilizator oparty o U7 typu LM317. Ze względu na wydzielaną moc należy wyposażyć go w niewielki radiator dla obudowy TO220.

Rysunek 6. Schemat dołączenia manipulatorów

Fotografia 7. Zmontowana płytka systemu PC_SPeaker

Płytka współpracuje z zestawami głośnikowymi opartymi na głośnikach szerokopasmowych FR89EX firmy Fountek. Obudowy głośników posiadają otwór bass-refleks wykorzystujący typową rurę BR35 o długości 165 mm (przed strojeniem). Wymiary obudów pokazano na rysunku 4. Wykonane są z MDF o grubości 18 mm, sposób wykończenia powierzchni zależy od użytkownika. Model ma zaokrąglenia krawędzi, fornirowane boki oraz malowany lakierem fortepianowym front.

Układ elektroniczny zmontowano na niewielkiej, dwustronnej płytce drukowanej. Montaż urządzenia jest typowy i nie wymaga rozszerzonego opisu. Konieczne jest poprawne przylutowanie pada termicznego U6 oraz ze względu na niewielki raster, sprawdzenie poprawności montażu. Sposób montażu w obudowie zależy do preferencji, płytkę można wbudować bezpośrednio do kolumny lub do osobnej obudowy. Rozmieszczenie elementów pokazano na rysunku 5.

Zmiana nastaw DSP jest realizowana przez port GPIO. Sygnały MP2, MP3, MP8 oraz MP9 są doprowadzone do złącza GPIO. Schemat manipulatorów podłączonych do DSP umieszczono na rysunku 6.

Rysunek 8. Schemat blokowy aplikacji DSP

Rysunek 9. Schemat bloku korektora graficznego EQ

Dwa potencjometry służą odpowiednio do regulacji głośności (VOL) i zmiany charakterystyki przenoszenie poprzez przełączenie jednego z pięciu korektorów graficznych (EQ), przełączniki obsługują podbicie basu (SBASS) oraz wzmocnienie efektu stereo (SSTEREO). Zmontowany moduł pokazano na fotografii 7.

Po sprawdzeniu poprawności montażu należy układ zasilić i przyłączyć do komputera PC. W systemie Windows sterownik jest ładowany automatycznie.

Po wybraniu domyślnego urządzenia audio można przejść do zaprogramowania DSP. Aplikacja i konfiguracja DSP są utworzone za pomocą środowiska Sigma Studio ver.3.11.1b. Schemat aplikacji ADAU1701 pokazano na rysunku 8.

Rysunek 10. Konfiguracja sprzętowa DSP

Rysunek 11. Konfiguracja GPIO

Sygnał wejściowy z interfejsu szeregowego jest doprowadzony do bloku korektora EQ (rysunek 9) składającego się z pięciu siedmiopasmowych korektorów, których parametry należy ustalić podczas programowania układu zależnie od preferencji. Wybór aktywnego korektora jest wykonywany przez multiplekser sterowany sygnałem analogowym z ADC3 (wyprowadzenie MP8 GPIO). Aktywnych jest sześć poziomów napięcia. Najniższy powoduje pominięcie korektora i uzyskanie płaskiej charakterystyki przenoszenia DSP.

Po skorygowaniu charakterystyki częstotliwościowej sygnał jest doprowadzony do bloku wzmacniającego efekt stereo, co jest szczególnie istotne ze względu na przeważnie niewielką odległość pomiędzy głośnikami komputerowymi. Podobnie jak w wypadku korektora, jest możliwe ominięcie bloku SPhat1 multiplekserem MX1_2 sterowanym z wejścia cyfrowego MP3.

Ostatnim blokiem korekcji charakterystyki przenoszenia jest układ dynamicznego podbicia basu Bass Enhance1. Umożliwia on podbicie niskich częstotliwości - wartość wzmocnienia jest ustalana suwakiem Boost. Układ jest aktywny dla amplitudy sygnałów, których poziom jest niższy od ustalonego parametrem Treshold.

Rysunek 12. Konfiguracja USBi

Rysunek 13. Zapisanie pamięci EEPROM

Podobnie jak efekt super stereo, podbicie basu może zostać wyłączone multiplekserem sterowanym z wejścia cyfrowego MP9. Ostatnim blokiem jest regulator poziomu sygnału sterowany z wejścia analogowego MP2. Sygnał wyjściowy po skorygowaniu i regulacji poziomu jest doprowadzony do wyjściowego portu szeregowego I²S. Konfigurację części sprzętowej DSP pokazano na rysunku 10.

Przetworniki A/C i C/A są wyciszone, i wyłączone, ponieważ nie są wykorzystane w projekcie. Aktywne są porty szeregowe, skonfigurowane do pracy w trybie I²S. Port wyjściowy pracuje w trybie master. Przetwornik ADC z GPIO ma aktywną 5-bitową histerezę.

Szczegóły konfiguracji GPIO zilustrowano na rysunku 11. Wyprowadzenia MP3 i MP9 mają aktywną inwersję sygnału, aby załączenie efektu odbywało się poprzez zwarcie GPIO do masy. Schemat połączeń programatora USBi i konfigurację pamięci EEPROM przedstawia rysunek 12.

Wykaz elementów

Rezystory: (SMD 0805, 1%)
R1, R4: 1 MΩ
R2, R3: 1,5 kΩ
R5: 1 kΩ
R6: 18 kΩ
R7: 475 Ω
R8...R11: 2,2 kΩ
R12, R13: 22 Ω (SMD 1206, 1%)
R14: 220 Ω
R15: 360 Ω
RP1: 22 Ω (CRA06S08, drabinka SMD)
RP2: 220 Ω (CRA06S08, drabinka SMD)
RP3: 10 kΩ (CRA06S08, drabinka SMD - opcja, nie montować!)

Kondensatory: (SMD 0805)
C1, C5...C11, C14...C17: 0,1 µF
C2, C3: 22 pF (NP0)
C4, C18, C38: 1 µF
C12: 3,3 nF (NP0)
C13: 56 nF (NP0)
C19, C22...C25, C27, C28, C34...C37: 0,1 µF
C20: 680 pF (NP0)
C21: 4,7 nF (NP0)
C26, C29: 1 µF
C30, C31: 330 pF (NP0)
C32, C33: 0,47 µF (foliowy, R=5 mm)
CE1...CE3, CE7: 10 µF (SMD "A")
CE4: 100 µF (elektrolit. Low ESR)
CE5, CE6: 1000 µF (elektrolit. Low ESR)

Półprzewodniki:
Q1: BC807-40 (SOT-23)
U1: PCM2707 (TQFP32)
U2: SN74LVC1T45 (SOT-23-6)
U3: MCP100T (SOT-23)
U4: ADAU1701 (VQFP48)
U5: 24LC256 (SO8)
U6: STA333ML (PowerSSO36)
U7: LM317 (TO-220 + radiator A03)

Inne:
FB1...FB8: dławik ferrytowy PBY201209T-601Y
GPIO: złącze IDC6 proste
L1...L4: dławik 22 µH/3 A
O1, O2: złącze MX 3.96 proste, kompletne
PWR: FC68148S (gniazdo zasilania 2,1 mm, SMD)
USB: gniazdo micro USB
USBI: złącze IDC10 proste
WP: zwora SIP-2
XT: 12 MHz (HC49S, SM

Fotografia 14. Kompletny, zmontowany system PC_Speaker

Programowanie układu należy podzielić na dwa etapy:

  1. Symulacja działania i ustalenie parametrów układów korekcyjnych, w zależności od preferencji i parametrów współpracujących głośników, przy rozwartej zworze WP.
  2. Zaprogramowanie pamięci programu koniecznej dla samodzielnej pracy DSP, zwora WP zwarta, opcja zapis ostatniej kompilacji do EEPROM (rysunek 13).

Gotowe, zmontowane urządzenie pokazano na fotografii 14. Jeżeli wszystko przebiegło pomyślnie pozostaje cieszyć się muzyką.

Adam Tatuś, EP

Artykuł ukazał się w
Elektronika Praktyczna
kwiecień 2015
DO POBRANIA
Pobierz PDF Download icon
Materiały dodatkowe
Elektronika Praktyczna Plus lipiec - grudzień 2012

Elektronika Praktyczna Plus

Monograficzne wydania specjalne

Elektronik listopad 2025

Elektronik

Magazyn elektroniki profesjonalnej

Raspberry Pi 2015

Raspberry Pi

Wykorzystaj wszystkie możliwości wyjątkowego minikomputera

Świat Radio listopad - grudzień 2025

Świat Radio

Magazyn krótkofalowców i amatorów CB

Automatyka, Podzespoły, Aplikacje listopad - grudzień 2025

Automatyka, Podzespoły, Aplikacje

Technika i rynek systemów automatyki

Elektronika Praktyczna listopad 2025

Elektronika Praktyczna

Międzynarodowy magazyn elektroników konstruktorów

Elektronika dla Wszystkich grudzień 2025

Elektronika dla Wszystkich

Interesująca elektronika dla pasjonatów