Licznik Geigera-Muellera o dużej czułości

Licznik Geigera-Muellera o dużej czułości
Pobierz PDF Download icon
W odróżnieniu od wielu innych podobnych konstrukcji tego typu prezentowane rozwiązanie wyróżnia się przede wszystkim dużą czułością, co osiągnięto wykorzystując aż trzy "długie" i jedne z najczulszych liczników G-M STS-6 pracujące równolegle. Jest to istotna, a w warunkach amatorskich chyba najważniejsza zaleta, bo niestety wiele dostępnych w handlu konstrukcji i rozwiązań amatorskich bazuje na jednym liczniku, a nierzadko także na wersjach o niewielkim rozmiarze bańki z gazem. Wadą większości takich konstrukcji jest licznik o często niedobranych parametrach, zasilany przypadkowym i niestabilizowanym napięciem przez co w efekcie nie jest w stanie przydać się do niczego sensownego. Niskoczułe urządzenia, których obszar aktywny jest niewielki wymagają dość silnego pobudzenia promieniowaniem, co w przeciętnych warunkach zdejmuje z nich zaletę użyteczności do czegokolwiek. Rekomendacje: czuły licznik promieniowania jonizującego, który może przydać się w pracowni pomiarowej.

Opisany poniżej licznik jest pod tym względem znacznie lepszy, ale niestety konsekwencją postawienia na czułość są duże wymiary całości - sam obszar rejestrujący promieniowanie ma 60 mm×180 mm. Dla warszawskiego promieniowania tła rejestruje on ok. 250 zliczeń na minutę, doskonale reaguje nawet na mało aktywne minerały i pozwala na uwolnienie wielu osób od przykrych fobii związanych z promieniowaniem jonizującym.

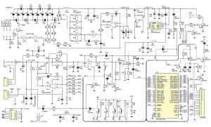
Oczywiste jest, że do budowy niezbędne są czujniki (liczniki), które trzeba je jakoś pozyskać zanim przejdzie się do całej reszty. Nie jest to produkt popularny, ale sporo takich komponentów spotyka się na portalach aukcyjnych i w sklepach internetowych. Schemat ideowy proponowanego rozwiązania miernika promieniowania jonizującego pokazano na rysunku 1. Składa się on z kilku bloków funkcjonalnych.

Zasilacz wysokiego napięcia

Rysunek 1. Schemat ideowy miernika promieniowania jonizujacego

Liczniki Geigera-Muellera wymagają zasilania napięciem stałym o wartości zależnej od konkretnego typu lampy. Dla STS-6 i krajowego odpowiednika BOI-53 napięcie to wynosi 390-400 V, stąd za każdym razem główną częścią licznika jest przetwornica zamieniająca niskie napięcie, np. dostarczane przez baterię na taką wysoką wartość.

Pomysłów na realizację tego bloku jest bez liku, ale wiele z dostępnych publicznie schematów ideowych ma blok WN zrealizowany najczęściej za pomocą transformatora impulsowego i przetwornicy zaporowej. Napięcie wyjściowe takiego zasilacza zwykle jest niestabilizowane, a transformator nie jest dostępny jako element gotowy. I tym samym od razu konstrukcja się komplikuje. Co więcej taki zasilacz ma wielokrotnie za dużą moc w stosunku do potrzeb, co przy zasilaniu bateryjnym jest wielką wadą.

Wykorzystany w prezentowanym projekcie zasilacz wysokiego napięcia jest wolny od tych wymienionych usterek, ma wystarczającą wydajność prądową do zasilania trzech połączonych równolegle liczników GM, a dodatkowo charakteryzuje się wysoką sprawnością, dzięki czemu jest najlepszym rozwiązaniem dla urządzeń zasilanych z baterii. Bazuje na dostępnym w handlu typowym dławiku i układzie powielacza zasilanego z generatora PWM. Innymi słowy nie trzeba czegokolwiek nawijać i dobierać.

Sercem zasilacza jest generator zbudowany na bramce F układu IC4 74LS14 D (6 inwerterów z przerzutnikiem Schmitta). Pojemność C16 jest ładowana prądem o wartości regulowanej za pomocą napięcia na wyjściu wzmacniacza operacyjnego IC5.

W momencie, gdy napięcie na wejściu bramki F przekroczy wartość progową napięcie na wyjściu zmienia wartość na logiczną jedynkę, a za pomocą pięciu połączonych równolegle pozostałych inwerterów wchodzących w skład układu IC4 podawane jest na bramkę tranzystora MOSFET T4. Przewodzący tranzystor powoduje przepływ prądu przez dławik L1.

Jednocześnie za pomocą diody D13 i rezystora R30 poziom niski na wyjściu bramki F IC4 powoduje rozładowanie kondensatora C16, przez co po krótkiej chwili (wynikającej ze stałej czasowej rezystora R30 i kondensatora C16) impuls sterujący tranzystor T4 zanika i układ wraca ponownie do ładowania C16 z wyjścia wzmacniacza IC5 poprzez rezystor R32.

Formalnie całość tworzy generator, w którym czas trwania impulsu sterującego tranzystorem T4 jest stała, a czas przerwy pomiędzy kolejnymi impulsami wyznaczany jest wartością napięcia wyjściowego na wyjściu układu IC5, które determinuje tempo ładowania pojemności C16. Częstotliwość tak skonstruowanego generatora jest zmienna i przekracza 100 kiloherców. Jak widać zastosowana regulacja jest nietypowa, ale prosta i doskonale się sprawdza w tym zastosowaniu.

W momencie wyłączenia tranzystora T4 na jego drenie powstaje napięcie o wartości rzędu 100 V, wywołane nagłym zanikiem prądu płynącego przez dławik L1. Impuls ten jest pięciokrotnie zwielokrotniany w klasycznym układzie powielacza pojemnościowo- diodowego, a napięcie na kondensatorze C1 względem masy osiąga bez problemu wymagane 400 V.

Za stabilizację napięcia odpowiedzialny jest wzmacniacz operacyjny IC5. Do jego wejścia nieodwracającego jest dołączone źródło napięcia odniesienia o wartości 2,5 V, a na wejście odwracające jest podawane napięcie z powielacza do porównania. Uwagę zwraca duża wartość rezystancji wchodzących w skład dzielnika (60/2,5 MΩ), co zapewnia minimalny wpływ na pracę powielacza i nieduży pobór prądu zasilania, a także to, że dzielnik jest dołączony do pierwszego kondensatora w układzie powielacza, na którym panuje napięcie ok. 80 V.

W ten sposób pętla sprzężenia zwrotnego jest zamknięta, a napięcie wyjściowe stabilizowane - dokładną wartość reguluje sie potencjometrem R34. Gdy napięcie zasilające układ zasilacza WN (5 V) jest stabilizowane, dla obniżenia kosztów realizacji można zastąpić układ IC6 rezystorem o wartości takiej samej, jak R38, tak aby potencjał na wejściu nieodwracającym wynosił 2,5 V.

Warto tylko pamiętać, że pomiary zwykłym woltomierzem napięcia wyjściowego powielacza lub też napięć na wejściach IC5 będą zaniżane z uwagi na duże rezystancje użyte w układzie. Stąd albo trzeba sięgnąć po woltomierz klasy takiej, jak "legendarny" V640 (Rwe=100 MΩ) lub też ustawiać wartość napięcia wyjściowego dokonując pomiaru na C12 i mnożąc wynik przez 5.

Jak widać jedynym elementem indukcyjnym jest dławik DL1. Z uwagi na dużą częstotliwość pracy powinien mieć on konstrukcję możliwie zamkniętą (kubkowy), niską pojemność własną i nie nie może nasycać się przy prądzie rzędu 1 A. Ale w praktyce układ działał z każdym elementem, bez problemu dostarczając żądane 400 V. Prawidłowe działanie powielacza wymaga też użycia dobrych diod powielających, a więc o dopuszczalnym napięciu wstecznym minimum 150 V.

Zasilanie liczników GM

Fotografia 2. Sposób wykonania radiatora dla T2

Napięcie z wyjścia powielacza jest podawane przez rezystory R1...R3 ograniczające prąd na trzy pracujące równolegle liczniki STS-6. Rejestrowane przez nie impulsy promieniowania pojawiają się na oporniku R4 skąd przez wtórnik emiterowy na tranzystorze T1 trafiają do dwóch szeregowo połączonych inwerterów typu Schmitta, które są odpowiedzialne za kondycjonowanie sygnału.

Na wyjściu drugiej bramki (IC2B) dostępny jest gotowy sygnał, który jest zliczany przez licznik w mikrokontrolerze i podawany na wewnętrzny głośnik. Zgodnie z danymi technicznymi liczników STS-6 charakteryzują się one czasem martwym 150 µs i są w stanie maksymalnie zliczyć 1000 impulsów na sekundę. Innymi słowy, przy połączeniu trzech sensorów maksymalnie można spodziewać się na wyjściu 3000 imp./s, a w praktyce z uwagi na nakładanie się impulsów z trzech lamp przy pracy równoległej będzie to wyraźnie mniej.

Takie połączenie z pewnością ogranicza możliwość pomiaru natężenia silnych źródeł, ale nie wydaje się to wadą. Promieniowanie o natężeniu w wysokości granicznej dla CTS-6 to o wiele za dużo dla osoby obsługującej miernik i generalnie nie wydaje się, aby w normalnych warunkach ktokolwiek był lub mógł być na taką ekspozycję wystawiony. Natomiast przy pomiarach słabych źródeł, tła i minerałów, połączenie równoległe w niczym nie przeszkadza, a wręcz oszczędza rozczarowań.

Uformowane impulsy GM są zliczane przez mikrokontroler oraz podawane na wewnętrzny mały płaski głośnik poprzez tranzystor Q9, który miło trzeszczy.

Zasilanie całego miernika

Układ miernika zasilany jest z dwóch szeregowo połączonych akumulatorów niklowo-wodorkowych o wielkości R6, bo one akurat bez problemu mieszczą się w obudowie po prawej i lewej stronie wnęki na wyświetlacz. Oznacza to, że konieczne jest zapewnienie poprawnej pracy miernika w zakresie napięć zasilania od około 2 do 2,5 V. Stąd w układzie znajduje się przetwornica podwyższająca napięcie do 5 V wymaganego m.in. przez wyświetlacz wykonana na popularnym układzie MAX1674 (IC8).

Zaletą tego rozwiązania jest praca w szerokim zakresie napięć wejściowych, od 0,9 do blisko 5 V, co pozwala nie tylko rozładować akumulatory do końca możliwości, ale także wykorzystać inne ogniwa, np. Li-Ion. Konwerter pracuje w typowym układzie aplikacyjnym a jedynym odstępstwem jest dodatkowa dioda Schottkie’go D16, zapewniająca pewny start przetwornicy dla napięć wejściowych poniżej 1,2 V.

Jej zamontowanie jest opcjonalne. Napięcie wyjściowe przetwornicy z MAX 1674 jest stabilizowane, co oznacza, że w zasilaczu WN źródło napięcia odniesienia można zastąpić rezystorem, jak wcześniej sygnalizowano. Niemniej konstrukcja autora w założeniu miała być "luksusowa" i rozwojowa, bez oglądania się na dodatkowe koszty.

Układ ładowarki

Rysunek 3. Schemat montażowy miernika promieniowania jonizującego

Częścią układu miernika jest także obwód ładowania akumulatora. O strony elektrycznej ma on prostą konstrukcję, ale na tyle uniwersalną, aby dało się ładować różne typy ogniw bez zmiany części sprzętowej. Ładowanie wymaga podłączenia do gniazda wejściowego źródła napięcia 5 V o wydajności min. 700 mA.

Doskonałym rozwiązaniem będzie tutaj ładowarka od telefonu komórkowego. Ładowanie wykorzystuje typowy układ stabilizatora liniowego z szeregowym tranzystorem regulacyjnym T2 wzmacniaczem operacyjnym IC3 pracującym jako wzmacniacz napięcia błędu, do którego dostarczane jest napięcie wyjściowe za pomocą dzielnika rezystancyjnego R13 i R14, a do wejścia nieodwracającego sygnał ze źródła napięcia odniesienia 1,2 V IC1.

Elementy dzielnika R13 i R14 dobrano tak, aby napięcie wyjściowe było równe końcowej wartości napięcia ładowania dla dwóch ogniw NiMH, a więc 1,45...1,5 V×2 = 2,9...3 V. Dwa połączone rezystory R10 i R11 w połączeniu z tranzystorem T3 ustalają maksymalny prąd ładowania akumulatora na ok. 600 mA. Bezpiecznik polimerowy F1 i dioda D5 zabezpieczają cały układ przed nieprawidłową polaryzacją.

Tranzystor T2 podczas ładowania się trochę grzeje i trzeba go wyposażyć w niewielki radiator. W wersji modelowej rolę tę pełniła blaszka z cienkiej blachy miedzianej, jak widać na zdjęciach (fotografia 2). Tuż obok T2 na płytce drukowanej umieszczony został termistor, który dostarcza informacji o temperaturze radiatora do mikrokontrolera, co pozwala ograniczać programowo możliwość przegrzania.

Mikrokontroler i wyświetlacz

Jako część sterująca miernikiem pracuje mikrokontroler ATMega16 razem z wyświetlaczem LCD 16 znaków × 2 wiersze w typowym układzie. Wydajność mikrokontrolera znacznie przekracza wymagania aplikacji, stąd taktowany jest on zegarem wewnętrznym 4 MHz, aby pobór prądu był mniejszy. Jego linie IO zostały wykorzystane do sterowania poszczególnymi blokami.

I tak, para tranzystorów Q4/Q5 załącza zasilanie części WN (PB.7), co przydaje się podczas ładowania akumulatora. Wyłączenie zasilacza WN na ten czas poprawia stabilność pracy wewnętrznego przetwornika ADC zawartego w mikrokontrolerze, co przydaje się do dokładnej oceny stanu naładowania akumulatora i przyspiesza ładowanie, bo więcej energii trafia do akumulatora. Analogiczna para Q8/Q11 włącza zasilanie wyświetlacza LCD za pomocą PD.0, a linia PD.1 steruje jego podświetleniem. Q7 (PB.6) pozwala na wyciszenie głośnika. Dodatkowy jumper JP1 pozwala na ograniczenie zasilania tylko do mikrokontrolera, co jest przydatne w czasie programowania.

Wykaz elementów

Rezystory: (SMD 0805):
R1...R3: 4,7 MΩ (SMD 1206)
R4, R38: 470 kΩ
R5: 47 kΩ
R6, R12, R15, R16, R19, R35, R36, R42, R54: 10 kΩ
R7, R58: 4,7 kΩ
R8: 180 Ω
R9: 1 kΩ
R10, R11 - 2 Ω
R13, R14: 2,2 kΩ
R17: 150 kΩ
R18, R22, R25, R27, R29, R31: 10 MΩ
R20: 82 kΩ
R21: 39 kΩ
R23: 20 kΩ
R24: 10 kΩ
R26: 5 kΩ
R28, R47: 10 Ω
R30, R33, R40, R55: 10 kΩ
R32: 100 kΩ
R34: 1 MΩ (potencjometr nast.)
R37, R52: 1,5 MΩ
R39, R44...R46, R48, R53: 22 kΩ
R41: 22 kΩ
R43: 0 kΩ
R49: 10 kΩ (potencjometr nast.)
R50: 470 Ω
R51: nie montować
R56: 12 kΩ
R57: 68 Ω

Kondensatory: C1...C7, C9, C10, C12: 100 nF/100 V
C8, C13, C15, C22...C32: 100 nF
C11, C17: 1 nF
C16: 100 pF
C18: 10 nF
C19, C20, C21, C14, C5: 47 µ/10 V (tantalowy)
C33: 220 nF

Półprzewodniki:
D1...D4, D6...D10: BAV13 (lub podobna min. 150 V, MiniMELF)
D5, D16: MBRS130LT
D11...D15, D17...D20: 1N4148
T1, T3: BC847 lub podobny (SOT-23)
T4: IRFL110
IC1: LM4041A (1,2 V)
IC2, IC4: 74HC14D SO-8
IC3: MAX 4166
IC5: MAX4162
IC6: MAX6008 (2,5 V) lub 470 kΩ
IC8: MAX1674
IC7: ATmega 16A (TQFP44)
LED1: dioda LED 5 mm, THT
T2: BD139 (możliwie jak największe h21E) TO-126
Q1: BSS138 lub podobny MOSFET-N
Q4, Q8, Q12: IRML6401 lub AP2301 lub podobny MOSFET-P
Q2, Q5...Q7, Q9...Q11, Q13: BCR135
TR1: termistor NTC 10 kΩ

Inne:
F1: bezpiecznik polimerowy 1 A/30 V
K1: R1-1A0500 (5 V kontaktronowy, SIL)
L1: dławik 4,7 µH/1 A, ekranowany
L2: dławik 22 µH/1 A, ekranowany
L3: dławik 100 µH
SG1: płaski głośnik Ø3 cm 16 Ω
Wyświetlacz LCD 16 x 2
S1, S3, S4, S5: TACT switch 10 mm
S2: TACT switch 1 mm
Gniazdo zasilania
Radiator dla T2
Goldpiny do zamontowania wyświetlacza i do JP1
Złącze kołkowe o rastrze 5 mm
Złącze PR1 do programowania
2 akumulatory R6 NiMH z koszykami
Liczniki GM
Obudowa CP21-22 Combiplast

Włącznik napięcia zasilania

Fotografia 4. Zmontowana płytka od strony elementów

Licznik Geigera-Muellera to przyrząd wykorzystywany sporadycznie, stąd konstrukcja włącznika zasilania musi zapewniać niski pobór prądu z akumulatora w stanie wyłączenia, co zapewnia minimalne rozładowanie w długim czasie. Proponowane w mierniku rozwiązanie działa następująco. W stanie nieaktywności pobór prądu jest bliski zera, bo Q12 i Q13 nie przewodzą, a poza tymi elementami na drodze zasilania nie ma innych elementów.

Naciśnięcie przycisku S1 powoduje poprzez diodę D14 podanie napięcia z akumulatora na bazę Q13, co załącza tranzystor Q12 i podaje napięcie do konwertera IC6. Układ rozpoczyna pracę, a dalsze podtrzymanie napięcia zasilającego zapewnia dzielnik R41/R42, który wymusza stan nasycenia Q12 wykorzystując napięcie zasilające 5 V.

Wyłączenie zasilania wymuszane jest przez mikrokontroler. Ustawienie linii PC.7 w stan wysoki powoduje poprzez diodę D18 naładowanie pojemności C33 załączenie tranzystora Q1 i wymuszenie zatkania pary Q13/Q12, co wyłącza napięcie zasilające. Prostownik szczytowy D18 + C33 zapewnia, że wyłączenie jest pewne i jednoznaczne.

Wyłączenie zasilania może nastąpić w dowolnym momencie ustalanym przez oprogramowanie, ale naciśnięcie wyłącznika zasilania jest sygnalizowane mikrokontrolerowi przez wzrost napięcia na linii PA.1. Pozwala to na kontrolowanie czy użytkownik nie nacisnął włącznika zasilania i nie przytrzymuje go przez dłuższy czas po to, aby wówczas też wyłączyć zasilanie.

Podłączenie zasilacza zewnętrznego do gniazda ładowania akumulatora powoduje automatyczne włączenie zasilania miernika, po to, aby mikrokontroler mógł nadzorować proces ładowania. Realizuje to dzielnik R15/R19 razem z diodą D11 podający ułamek napięcia wejściowego na bazę Q13.

Na koniec warto dodać, że ładowarka dołączana jest do akumulatora za pomocą przekaźnika, po to, aby podczas normalnej pracy i stanu gotowości obwody ładowania nie pobierały z akumulatora niepotrzebnie ładunku. Przekaźnik ten jest automatycznie załączany wraz z pojawieniem się napięcia +5 V w gnieździe ładowania, ale mikrokontroler ma możliwość odłączenia go za pomocą linii PC.6.

Kontrola działania miernika

Wbudowany w mikrokontroler przetwornik A/C dostarcza informacji o temperaturze tranzystora T2, co pozwala chronić go przed przeciążeniem. Dzielnik R55/R56 informuje o wartości napięcia zasilającego 5 V, co może się przydać do tego, aby wyłączyć miernik w momencie, gdy akumulator jest już tak bardzo rozładowany, że przetwornica IC8 nie jest w stanie dostarczyć poprawnego napięcia wyjściowego.

Kolejna linia dołączona do wyjścia ładowarki dostarcza informacji o napięciu na akumulatorze (PA.2) razem z kolejną linią PA.3 także informacji o prądzie ładowania (poprzez pomiar spadku napięcia na R10/R11). Do mikrokontrolera dociera ponadto informacja o napięciu zewnętrznego zasilacza wykorzystywanego do ładowania (dzielnik R15/R19) dołączony do PA.4. Pozwala to wyłączyć ładowanie, gdyby zasilacz był nieodpowiedni.

W wersji minimalnej ładowarki, końcowe napięcie ładowania jest wyznaczane przez dzielnik R13 i R14. Niemniej za pomocą pięciu dodatkowych rezystorów dołączonych do linii PC.0-PC.5, które tworzą prosty przetwornik cyfrowo-analogowy, możliwe jest sterowanie napięciem wyjściowym ładowarki, tym samym wpływanie na prąd ładowania i tworzenie dowolnych charakterystyk tego procesu.

Niemniej wymaga to sporego wsparcia ze strony oprogramowania, co niestety jest czasochłonne. Dlatego w wersji minimalnej ładowarka działa bez możliwości regulacji, gdy linie PC.0-PC.5 są w stanie wysokiej impedancji przetwornik nie działa i wówczas napięcie wyjściowe determinowane jest przez wartości elementów R13 i R14, a prąd ograniczany do wartości ok. 600 mA.

Oprogramowanie

Fotografia 5. Zamontowane liczniki G-M, widok od spodu

Konstrukcja sprzętowa miernika pomyślana została jako rozbudowana wersja rozwojowa, pozwalająca poprzez wymianę oprogramowania na dodawanie wielu funkcjonalności, których na początku zbyt wielu nie ma. W podstawowej wersji miernik pokazuje tylko natężenie promieniowania wyrażone w nSv/h (nanosiwertach na godzinę) uśrednione z ostatnich 10 sekund pomiaru.

Obliczenia realizowane są za pomocą licznika Counter 1 w mikrokontrolerze zliczającego impulsy, które program uśrednia wyliczając średnią liczbę impulsów docierających z licznika w ciągu minuty (CPM - counts per minute) i następnie przelicza je na docelową wartość w siwertach, bo jest to jednostka pochodna układu SI.

Sposób przeliczania bazuje na danych katalogowych liczników STS-6 i został sprawdzony pod kątem zgodności z rzeczywistością w laboratorium. Do celów amatorskich jest to wystarczające. Program sterujący miernikiem na razie jest w wersji minimalnej, ale z czasem będzie rozwijany o nowe funkcje, warto napisać do autora e-mail z prośbą o najnowszą wersję.

Montaż

Schemat montażowy pokazano na rysunku 3, natomiast zmontowaną płytkę miernika na fotografii 4. Miernik został zmontowany na jednej dość dużej płytce drukowanej, na której po jednej stronie umieszczone są liczniki i wyższe elementy takie jak gniazdo zasilania, bezpiecznik polimerowy, przekaźnik, port do programowania procesora, potencjometry, złącza zasilania, a po drugiej cała reszta.

Generalnie całość jest dość duża, co jest wynikiem użycia trzech liczników, niemniej projekt płytki został dopasowany do dużej, ale dostępnej bez problemu na rynku obudowy aparaturowej, co uwalnia od znanego problemu upakowania całości. Większość używanych elementów występuje w wersjach SMD, przez co ich montaż ręczny jest dość pracochłonny.

Montaż należy rozpocząć od układów scalonych: wzmacniaczy, przetwornicy i procesora. Każdy ma jakąś swoją metodę na litowanie komponentów SMD, ale niezbędne minimum, aby to jakoś wyszło polega na tym, aby najpierw przykleić układ do płytki i dobrze go wypozycjonować, np. odrobiną kleju Cyjanopan.

Następnie przylutować wyprowadzenia nie martwiąc się zbytnio o zwarcia międzynóżkowe, a potem usunąć nadmiar lutowia plecionką. Szczególnie dużo troski należy poświęcić układowi MAX1674, który w wersji µMAX ma końcówki położone bardzo blisko siebie. Po paru poprawkach i kontroli optycznej za pomocą latarki i lupy nadmiar topnika można umyć w alkoholu. Po szczęśliwym zamontowaniu układów scalonych montaż elementów pasywnych i całej reszty to już przyjemność.

Na koniec z cienkiej blachy trzeba wykonać radiator dla T2 o powierzchni ok. 70 mm×20 mm no i jakoś zamontować liczniki GM (fotografia 5). Z tym to jest większy problem, bo ich wyprowadzenia przeznaczone są do montażu w oprawkach takich, jakie używa się do bezpieczników 6,3 mm tyle, że wyższych (fotografia 6). W handlu takich oprawek autorowi nie udało się znaleźć, dlatego z konieczności podwyższono i rozgięto zwykłe oprawki bezpieczników 5 mm za pomocą kawałka wygiętej i polutowanej blaszki. Rozwiązanie to nie jest eleganckie, ale za to jest łatwo osiągalne.

Wkładając liczniki do podstawek trzeba pamiętać o zachowaniu biegunowości. Plus zasilania jest na nich lub przynajmniej powinien być zaznaczony. Wyświetlacz LCD montuje się za pomocą kołków goldpin, głośnik za pomocą cienkich przewodów, a następnie przykleja klejem do płytki tak, jak widać na zdjęciu.

Uruchomienie

Fotografia 6. Sposób wykonania gniazd dla liczników G-M

Uruchomienie polega na zaprogramowaniu procesora za pomocą złącza ISP, ustawienia wewnętrznego zegara na 4 MHz i podłączeniu źródła zasilania. Następnie należy wyregulować kontrast LCD, ustawić za pomocą R34 napięcie 80 V na C12 i skontrolować napięcie zasilania. W głośniku powinny być słyszalne wyraźne trzaski, miernik powinien pokazywać uśrednioną wartość natężenia promieniowania tła.

W Warszawie wynosi ono ok. 240-250 nSv/h, co odpowiada rocznej dawce ok. 2,2 mSv. Gdy miernik nie działa lub jakiś z jego bloków funkcjonuje nieprawidłowo, przede wszystkim trzeba sprawdzić montaż pod kątem pomyłki, bo niestety montaż ręczny miniaturowych elementów SMD jest podatny na błędy i rzadko się zdarza, aby takiej wielkości układ został zmontowany bez jakiejkolwiek wpadki.

Bez umycia płytki, lupy i dobrego oświetlenia nie ma też, co zaczynać diagnostyki, bo elementy są małe. Gotową i przetestowaną płytkę należy umieścić w obudowie mocując ją sześcioma wkrętami, wcześniej trzeba wywiercić cztery otwory na przyciski i ewentualnie także diodę LED. Pole wyświetlacza wymaga zasłonięcia kolorową szybką, to samo należy zrobić z obszarem klawiatury.

Robert Magdziak

Artykuł ukazał się w
Elektronika Praktyczna
styczeń 2015
DO POBRANIA
Pobierz PDF Download icon
Materiały dodatkowe
Elektronika Praktyczna Plus lipiec - grudzień 2012

Elektronika Praktyczna Plus

Monograficzne wydania specjalne

Elektronik listopad 2025

Elektronik

Magazyn elektroniki profesjonalnej

Raspberry Pi 2015

Raspberry Pi

Wykorzystaj wszystkie możliwości wyjątkowego minikomputera

Świat Radio listopad - grudzień 2025

Świat Radio

Magazyn krótkofalowców i amatorów CB

Automatyka, Podzespoły, Aplikacje listopad - grudzień 2025

Automatyka, Podzespoły, Aplikacje

Technika i rynek systemów automatyki

Elektronika Praktyczna listopad 2025

Elektronika Praktyczna

Międzynarodowy magazyn elektroników konstruktorów

Elektronika dla Wszystkich grudzień 2025

Elektronika dla Wszystkich

Interesująca elektronika dla pasjonatów