Dyspenser - sterownik dozownika pasty lutowniczej

Dyspenser - sterownik dozownika pasty lutowniczej
Pobierz PDF Download icon

Technologia lutowania zmienia się wraz z coraz mniejszymi odbudowami elementów, coraz trudniej posługiwać się typową lutownicą grzałkową. Jej miejsce zastępują dozowniki pasty lutowniczej, szablony i piece lutownicze - nawet w warsztacie amatorskim. Jednym z podstawowych narzędzi w procesie montażu SMD jest dyspenser (dozownik) pasty i topnika umożliwiający precyzyjne dozowanie odmierzonych ilości pasty na pola lutownicze. Rekomendacje: urządzenie przyda się zarówno w warsztacie profesjonalisty, jak i amatora.

Spotykane w handlu dyspensery często są bardzo drogie, a dostępne tanie chińskie sterowniki rzadko spełniają swoją funkcję w sposób zadawalający.

Fotografia 1. Wygląd zestawu dozującego

Opisywany projekt dyspensera wykorzystuje do dozowania energię sprężonego powietrza i współpracuje z typowymi pojemnikami do dozowania. Metoda dozowania polega na doborze czasu otwarcia zaworów powietrza, przy stałym ciśnieniu zasilania.

Dyspenser wymaga zasilania sprężonym powietrzem o ciśnieniu ok. 3-4bar. z typowego kompresorka modelarskiego najlepiej ze zbiornikiem sprężonego powietrza lub z butli ze sprężonym powietrzem. Sterowanie dozowaniem odbywa się z przełącznika nożnego lub przycisku przy strzykawce.

Sterownik obsługuje trzy tryby pracy wybierane za pomocą przycisku MODE:

  • MAN, tryb sterowania ręcznego. Dozowanie odbywa się tak długo, jak jest przyciśnięty przycisk dozowania, gdy dozujemy np. linię pasty dla radiatora TO263.
  • IMP, tryb impulsowy. Po każdym przyciśnięciu przycisku dozowanie odbywa się zgodnie z ustawionymi czasami, z możliwością powtarzania, do typowego pokrywania powtarzalnych padów lutowniczych.
  • SEQ, tryb zadanej liczby impulsów od S2-S16, po jednokrotnym przyciśnięciu przycisku dozowanie powtarzane jest zadaną liczbę razy, np., przy nakładaniu pasty dla obudów SO, SSOP, TQFP, gdzie pady są identyczne i nie wymagają zmiany czasów dozowania.

W każdym trybie pracy, sekwencja dozowania składa się z dwóch czasów:

  • Ptime - czas otwarcia zaworu nadciśnienia, możliwa nastawa 0,0...9,9 s.
  • Vtime - czas otwarcia zaworu podciśnienia (próżni), możliwa nastawa 0,0...9,9 s.

W przypadku trybu SEQ, możliwe jest też ustawienie:

  • Dtime - czas przerwy pomiędzy dozowaniami w sekwencji, zakres 0,5...3,9 s.

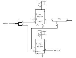
Rysunek 2. Schemat instalacji pneumatycznej dyspensera

Robi się to po to, aby można było wygodnie i precyzyjnie przesunąć igłę nad kolejny pad.

Możliwość ustawienia czasów nadciśnienia Ptime=0,0 pozwala na wykorzystanie sterownika także w roli źródła podciśnienia dla mikrochwytaka pneumatycznego, przy późniejszym układaniu elementów, umożliwiając tylko wykorzystanie podciśnienia Vtime>0,1 w trybie MAN. Przy ustawieniu czasu Vtime=0.0 jest wyłączone sterowanie zaworem próżni, gdy nie jest potrzebne podessanie tłoka strzykawki.

Po dozowaniu rzadszych komponentów np. topnika, chwilowe załączenia podciśnienia eliminuje kropelkowanie i niekontrolowane wycieki z igły dozownika. Dzięki zastosowaniu oddzielnego zaworu próżni, układ nie pobiera sprężonego powietrza, gdy nie dozuje - umożliwia to oszczędne gospodarowanie powietrzem i minimalizuje czas pracy kompresora.

Czasy dozowania i grubość igły musi być dobrana doświadczalnie w zależności od stosowanych past i topników.

Dozowanie może być w dowolnym momencie przerwane w trybie awaryjnym przyciskiem STOP.

Wygląd kompletnego zestawu dozującego pokazano na fotografii 1.

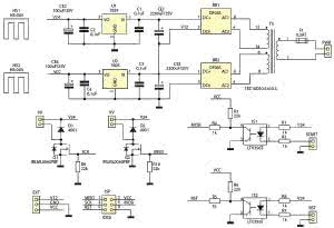
Rysunek 3. Schemat ideowy płytki sterowanika dyspensera UPC

Dyspenser składa się z dwóch bloków: sterownika opartego o procesor ATmega328 i elektrozaworów pneumatycznych odpowiedzialnych za kontrolę przepływu powietrza. Uproszczony schemat instalacji pneumatycznej przedstawia rysunek 2.

Sprężone powietrze z kompresora, poprzez złączkę przegrodową prostą (przepust do obudowy w standardzie 6 mm) jest doprowadzone do trójnika 6 mm typu Y i stąd po rozdzieleniu do zaworów MV3221 (elektrozawór rozdzielający 3/2 normalnie zamknięty jednostronny). Zawór PV odpowiada za dozowanie nadciśnienia, zawór VV za podciśnienie.

Jeżeli oba zawory są zamknięte, odcinają dopływ sprężonego powietrza z kompresora AIR IN, a wyjście AIR OUT połączone jest z atmosferą poprzez wyprowadzenia P-A zaworu PV i końcówkę V-E eżektora VG. W przypadku otwarcia zaworu PV poprzez wysterowanie cewki, powietrze zostaje dostarczone do wyjścia AIR OUT poprzez wyprowadzenia R-A wytwarzając nadciśnienie w tłoku strzykawki dozującej, wypychające aplikowany komponent.

W przypadku dozowania z wytwarzaniem podciśnienia po zamknięciu zaworu PV, aktywowany jest zawór VV, powietrze przepływające przez eżektor (zwężkę) w kierunku P-E wytwarza podciśnienie na wyprowadzeniu V, które połączone jest poprzez zawór PV z wyjściem AIR OUT powoduje cofnięcie tłoka strzykawki dozującej.

Za ustawianie czasów i realizację trybów pracy odpowiedzialny jest prosty sterownik oparty o ATMEGA328. Układ podzielony jest na dwie płytki procesor UPC i zasilacza PWR. Schemat płytki procesora pokazano na rysunku 3.

Rysunek 4. Schemat ideowy płytki zasilacza dyspensera PWR

Mikrokontroler U1 jest taktowany kwarcem 16 MHz i obsługuje 4-przyciskową klawiaturę SW1...4 oraz wyświetlacz LCD 2×8 znaków. Złącze ISP służy do programowania układu (konieczne zasilanie 5 V z programatora) oraz do wyprowadzenia sygnałów we-wy do płytki zasilacza. Moduł odpowiedzialny jest za wysterowanie dwóch zaworów tj. PV, VV, obsługę zewnętrznego przycisku wyzwalającego. Sygnały sterujące przyporządkowane są następująco:

  • SCK - sterowanie zaworem nadciśnienia.
  • MISO - sterowanie zaworem podciśnienia.
  • MOSI - wejście START wyzwalające dozowanie,
  • RES - STOP(RST) awaryjne zatrzymanie dozowania.

Aplikacja sterująca jest napisana w środowisku Arduino i dostępna wśród materiałów dodatkowych na serwerze ftp, co umożliwia łatwą adaptację do własnych potrzeb.

Schemat współpracującej płytki zasilacza pokazano na rysunku 4. Do zasilania układu konieczne są dwa napięcia: 5 VDC dla płytki procesora i 24 VDC dla cewek elektrozaworów. Wytwarzane są w typowym układzie w oparciu o stabilizatory liniowe U1 i U2 typu 78xx. Tranzystory Q1 i Q2 pełnią funkcję driverów dla cewek elektrozaworów.

Transoptory na wejściach START i STOP (RST) pełnią funkcję konwerterów poziomu 24V/5V dla wejść wyzwalającego i resetu procesora. Zastosowanie sygnału 24 V ułatwia użycie dłuższych przewodów do przełącznika nożnego lub przycisku przy strzykawce zapewniając większą odporność na zakłócenia. Wejście STOP(RST) jest doprowadzone do wyprowadzenia RESET procesora, po jego uaktywnieniu w sytuacji awaryjnej przyciskiem STOP, reset procesora natychmiastowo zdejmuje wysterowanie zaworów.

Wykaz elementów

Płytka procesora

Rezystory: (SMD 1206)
R1: 22 kΩ
R2, R3: 33 Ω
RV1: 22 kΩ (potencjometr montażowy)

Kondensatory: (SMD 1206)
C1, C2: 22 pF
C3: 10 µF
C4, C5: 0,1 µF

Półprzewodniki:
U1: ATmega328AU (TQFP32)

Inne:
ISP: złącze IDC6 kompletne
LCD1: wyświetlacz 2×8 z podświetleniem
SW1...SW4: KS01 (mikroprzełacznik z klawiszem)
XTAL1: 16 MHz (kwarc SMD)

Płytka zasilacza

Rezystory: (SMD 1206)
R1, R2, R4, R5, R7, R8: 1 kΩ
R3, R6, R9, R10: 22 kΩ

Kondensatory:
C1...C4: 0,1 µF/50 V
CE1, CE3: 2200 µF/25 V(elektrolit. R=5 mm, D=12 mm)
CE2, CE4: 100 µF/25 V (elektrolit. R=2,5 mm)

Półprzewodniki:
BR1, BR2: DF06S (mostek prostowniczy SMD)
D1, D2: LL4001 (dioda prostownicza SMD)
IS1, IS2: LTV356T (transoptor SMD)
Q1, Q2: IRLML0060PBF (SOT-23)
U1: 7824 (TO-220)
U2: 7805 (TO-220)

Inne:
EXT: CONN złącze KK3 proste (opcja)
F1: 0,2AT (bezpiecznik z oprawką 5×20 mm)
HS1, HS2: radiator z elementami mocującymi
ISP: IDC6: złącze IDC6, kompletne
PV ,VV, RST, START: złącze ARK R=5 mm
PWR: CONN: złącze ARK R=5 mm
TS: TEZ16D (transformator zalewany do druku 2×10,5 V/16 VA)

Pneumatyka

PV,VV: MV3221-08NC-E1 (Marani, zawór rozdzielający 3/2 normalnie zamknięty, cewka 24 VDC, 2 szt.)
VG: ZH07DS -06-06-06 SMC (eżektor przyłącza 6 mm bez tłumika, 1 szt.)
AIR IN, OUT (QSS-6 złącze przegrodowe 6 mm/6 mm, 2 szt.)
1/4"/6 mm: złączka wtykowa prosta Tekelan 1/4"/6mm (2 szt.)
1/4"/6 mm: kolano 90’ Tekelan 1/4"/6 mm (3 szt.)
6 mm/6 mm/6 mm: trójnik Tekelan typu Y 6mm-6mm-6mm (1 szt.)
1/4": tłumik hałasu 1/4 (1 szt.)

Montaż

Rysunek 5. Rozmieszczenie elementów na płytce UPC

Układ UPC zmontowany jest na niewielkiej dwustronnej płytce drukowanej. Rozmieszczenie elementów przedstawia rysunek 5. Montaż nie wymaga opisu, należy tylko pamiętać o wlutowaniu złącza ISP przed wyświetlaczem. Wysokość listwy łączącej wyświetlacz z płytką należy dobrać w zależności od grubości płyty czołowej. Dla wyświetlaczy z nietypowo podłączonym podświetleniem możliwa jest zmiana polaryzacji przez wlutowanie R2 i R3 odwróconych o 90 stopni.

Układ płytki zasilacza PWR zmontowany jest na jednostronnej płytce drukowanej. Rozmieszczenie elementów przedstawia rysunek 6. Montaż nie wymaga opisu. Płytki PWR/UPC połączone są poprzez złącza ISP taśmą IDC6 1:1.

Montaż elektryczny nie wymaga opisu, należy tylko odpowiednio zaizolować wyprowadzenia 230 V. Po zaprogramowaniu procesora układ nie wymaga uruchamiania. Cały układ zmontowany jest dość ciasno w typowej obudowie ABS. Wewnętrzne połączenia pneumatyczne wykonane są odcinkami elastycznej rurki igielitowej 6 mm.

Typy osprzętu pneumatycznego 6 mm zależą od obudowy, wielkości i sposobu ułożenia elementów pneumatyki. W modelu dla realizacji połączeń zostały zastosowane dwa złącza przegrodowe 6mm/6mm (do zacisków AIR IN/OUT), trójnik typu Y 6 mm/6 mm/6 mm, zawory PV,VV zostały uzbrojone w 3 szt. kolanek 1"/6 mm dla wyjść A i dla wyjścia P zaworu PV, wejścia zaworów uzbrojone są w 2 szt. złączek prostych 1"/6 mm.

Rysunek 6. Rozmieszczenie elementów na płytce PWR

Wyjście P zaworu VV wyposażone jest w tłumik hałasu. Eżektor wymaga zamocowania, w modelu przykręcony jest śrubkami M3 do tylnej części obudowy. Podczas montażu części należy pamiętać o ścinaniu przewodu pneumatycznego ostrym nożem pod kątem prostym, bez zadziorów, aby wykonywane połączenia pneumatyczne były szczelne.

W modelu ze względu na niewielką ilość miejsca podłączenia elektryczne zaworów zrealizowane jest łączówkami 6,3 mm w miejsce złączy automatyki do zaworów. W przypadku złącz automatyki z sygnalizacją i zabezpieczenie przepięciowym, należy zachować polaryzację.

Obsługa

Obsługa układu sprowadza się do ustawianie parametrów czasowych i trybu pracy. Każdy czas posiada własny przycisk ustawiający (z inkrementacją) z odpowiadającym polem wyświetlacza wskazującym ustawioną wartość. Przyciskiem MODE w sekwencji wybieramy tryb pracy MAN, IMP, S2..S16 zgodnie z wcześniejszym opisem.

Do wejścia AIR IN należy podłączyć kompresor z reduktorem, ustawić stabilne ciśnienie 3-4bar (zmiana ciśnienia wymaga korekty czasu, zbyt niskie ciśnienie może powodować problemy z wypychaniem tłoka, zbyt wysokie problemy z dozowaniem małych dawek).

Do wyjścia Switch podłączamy przycisk nożny lub przycisk na strzykawce dozującej (styk NO, zwarcie powoduje wyzwolenie dozowania), do wyjścia AIR OUT poprzez szybkozłączkę podłączamy strzykawkę z igła dozująca. Przycisk stop natychmiastowo wyłącza dozowanie. Metodą eksperymentów należy dobrać do stosowanych środków tryb i czasy dozowania.

Adam Tatuś, EP

Artykuł ukazał się w
Elektronika Praktyczna
grudzień 2014
DO POBRANIA
Pobierz PDF Download icon
Materiały dodatkowe
Elektronika Praktyczna Plus lipiec - grudzień 2012

Elektronika Praktyczna Plus

Monograficzne wydania specjalne

Elektronik listopad 2025

Elektronik

Magazyn elektroniki profesjonalnej

Raspberry Pi 2015

Raspberry Pi

Wykorzystaj wszystkie możliwości wyjątkowego minikomputera

Świat Radio listopad - grudzień 2025

Świat Radio

Magazyn krótkofalowców i amatorów CB

Automatyka, Podzespoły, Aplikacje listopad - grudzień 2025

Automatyka, Podzespoły, Aplikacje

Technika i rynek systemów automatyki

Elektronika Praktyczna listopad 2025

Elektronika Praktyczna

Międzynarodowy magazyn elektroników konstruktorów

Elektronika dla Wszystkich grudzień 2025

Elektronika dla Wszystkich

Interesująca elektronika dla pasjonatów