Demultiplekser DMX

Demultiplekser DMX
Pobierz PDF Download icon
Gdy zachodzi potrzeba sterowania z systemu DMX urządzeniami analogowymi, to jest niezbędny tzw. demultiplekser DMX. Razem z multiplekserem i meregerem umożliwia on wykorzystanie sieci DMX do sterowania za pomocą konsoli analogowej odbiornikami analogowymi. Demultiplekser ma cztery wyjścia napięciowe (0...10 V) i cztery prądowe (4...10 mA). Rekomendacje: urządzenie przyda się osobom zajmującym się wyposażeniem technicznym sceny.

Schemat ideowy demultipleksera DMX pokazano na rysunku 1. Zasilacz dostarcza napięcia niestabilizowanego ±15 V na potrzeby wzmacniaczy operacyjnych oraz stabilizowanego +5 V dla mikrokontrolera i nadajnika MAX485. Ponadto, ze stabilizowanego przez układ U1 napięcia ujemnego jest wytwarzane przez U9A napięcie -4 V wykorzystywane przez przetworniki napięcie/prąd.

Rysunek 1. Schemat ideowy demultipleksera DMX

Rysunek 2. Schemat ideowy konwertera napięcie/prąd

Sygnał DMX doprowadzony do J4 jest konwertowany do poziomu TTL za pomocą układu U4. Złącze JP6 umożliwia włączenie terminatora w linię w sytuacji, gdy demultiplekser jest ostatnim urządzeniem w sieci DMX. Na JP1 ustawiamy adres demultipleksera.

Zajmuje on kolejne cztery adresy, podobnie jak sterownik serwomechanizmów. Odebrane dane DMX są dekodowane przez mikrokontroler i ustawiają odpowiednio generatory PWM. Dalsza droga sygnału zostanie omówiona na przykładzie pierwszego kanału, pozostałe działają w ten sam sposób.

Rysunek 3. Pompa prądowa Howlanda

Rysunek 4. Zmodyfikowany układ z pompą prądową Howlanda

Sygnał PWM z wyprowadzenia 15 mikrokontrolera (etykieta OC1A) jest uśredniany za pomocą filtru RC (rezystor R1, kondensator C13). Na wyjściu filtru może pojawić się napięcie z zakresu 0...5 V, dlatego jest ono dwukrotnie wzmacniane przez U5A.

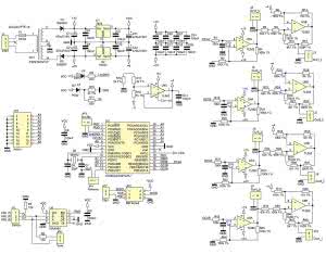
Rysunek 5. Schemat montażowy demultipleksera DMX

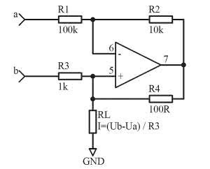
Sygnał napięciowy z zakresu 0...10 V jest dostępny na wyprowadzeniu J2. Ten sam sygnał jest kierowany do przetwornika napięcie/prąd. Konwerter napięcie/prąd to w istocie sterowane źródło prądowe - schematy przykładowych, nieskomplikowanych konwerterów U/I pokazano na rysunku 2. Poważną wadą tych rozwiązań jest to, że rezystancja obciążenia musi być "pływająca".

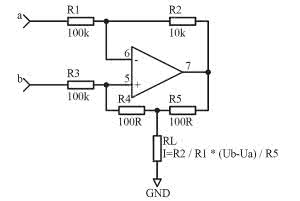
Jeśli obciążenie ma być podłączone do masy, można zastosować pokazaną na rysunku 3 pompę prądową Howlanda. Przy dużych wartościach rezystancji obciążenia wzmacniacz operacyjny musi dostarczyć prąd dużo większy, niż płynący przez obciążenie. Wady tej jest pozbawiony nieco zmodyfikowany układ z rysunku 4. Ponadto układ ma dużo większą rezystancję wejściową.

W demultiplekserze zastosowano jeszcze jedną modyfikację. Rezystor R6 dołączono do napięcia odniesienia -4 V zamiast do masy. Dzięki temu oraz odpowiedniemu dobraniu wartości rezystancji R5, uzyskano na wyjściu prąd w zakresie 4...10 mA, zamiast 0...10 mA.

Wykaz elementów

Rezystory: (SMD 1206)
R1, R2, R4, R6, R9, R19...R21, R23...R25: 100 kΩ/1%
R31...R33, R36...R38, R43...R45: 100 kΩ/1%
R5, R22, R34, R35: 62 kΩ/1%
R3, R11: 470 Ω
R7, R8: 120 Ω
R10, R16, R17: 2 kΩ/1%
R12, R26, R39, R46: 750 Ω/1%
R13, R27, R40, R47: 9,1 kΩ/1%
R14, R28, R30, R42: 10 kΩ/1%
R15, R29, R41, R48: 100 Ω/1%
R18: 1 kΩ/1%

Kondensatory: (SMD 1206)
C1, C2, C11, C12: 470 µF/16 V (elektrolit.)
C6, C7: 22 pF
C3...C5, C8...C10, C14, C18: 100 nF
C19...C25: 100 nF
C13, C15...C17: 1 µF

Półprzewodniki:
U1: 7805
U2: 79L05
U3: ATmega168PA-PU
U4: MAX485
U5...U9: TL082
D1, D2: SN4007
D3: dioda LED żółta, 5 mm
D7: dioda LED zielona, 5 mm

Inne:
Q1: rezonator kwarcowy 16 MHz
F1: F63 mA (bezpiecznik 5×20 z gniazdem)
J1: TB-5.0-PP-2P (złącze TB z listwą kołkową)
JP1: ZL212-40KG (listwa kołkowa, męska, PIN:40, kątowa 90°, 2,54 mm)
JP3, JP4, JP6, JP7: ZL201-02G (listwa kołkowa, męska, PIN:2, prosta, 2,54 mm; THT)
J4: NS25-W3 (gniazdo NS25 3 pin), NS25-G3 (wtyk NS25 3 pin)
NS25-T: 3 szt. terminali do wtyku NS25
XLR-3G-C: wtyk XRL-3 do obudowy
JP2: ZL231-6PG (gniazdo IDC, męskie, 6 pin, proste, THT, złocone, 2,54 mm)
J2, J3, J5...J10: NS25-W2K (gniazdo NS25 2 pin, kątowe)
TR1: T08807A 2×9 V (transformator zalewany, do druku)
PPIN8: podstawka precyzyjna, 8 pin
PPIN28S: podstawka precyzyjna, 28 pin, wąska

Montaż i uruchomienie

Schemat montażowy demultipleksera DMX pokazano na rysunku 5. Montaż jest typowy i nie wymaga omawiania. Pod mikrokontroler i nadajnik MAX485 warto zastosować podstawki. Uruchomienie najlepiej rozpocząć od pomiaru napięcia zasilającego. Jeśli jest poprawne, umieszczamy mikrokontroler w podstawce. Jeśli nie jest zaprogramowany, można to zrobić za pośrednictwem złącza JP2. Ustawienie bitów konfiguracyjnych pokazano na rysunku 6.

Tabela 1. Funkcje zworek

Tabela 2. Funkcje diod LED

W kolejnym kroku podłączamy urządzenie do sygnału DMX. Za pomocą zworek JP1 ustawiamy adres na urządzeniu wiedząc, że A0 to 20 (1), A1 to 21 (2), ... A8 to 28 (256). Założenie kilku zworek powoduje, że wagi z poszczególnych pozycji zostaną zsumowane. Zakładając zworki JP3 i JP4 można też włączyć akceptowanie pojedynczej transmisji oraz funkcję zapamiętywania ostatniego stanu urządzenia przy braku transmisji. Funkcje zworek umieszczono w tabeli 1.

Regulując manipulatorami na konsoli lub w programie na komputerze powodujemy zmiany napięcia na wyjściach demultipleksera, co łatwo sprawdzić woltomierzem. Równocześnie następuje zmiana prądu na poszczególnych wyjściach, co weryfikujemy miliamperomierzem.

Rysunek 6. Ustawienie bitów konfiguracyjnych mikrokontrolera

Rysunek 7. Przykładowe zastosowania demultipleksera DMX

Stan pracy urządzenia jest sygnalizowany za pomocą diod LED. Ich funkcje opisano w tabeli 2.

Jeśli demultiplekser działa poprawnie, można umieścić go w obudowie KM-60. Przykłady wykorzystania pokazano na rysunku 7.

Sławomir Skrzyński, EP

Artykuł ukazał się w
Elektronika Praktyczna
listopad 2014
DO POBRANIA
Pobierz PDF Download icon
Materiały dodatkowe
Elektronika Praktyczna Plus lipiec - grudzień 2012

Elektronika Praktyczna Plus

Monograficzne wydania specjalne

Elektronik listopad 2025

Elektronik

Magazyn elektroniki profesjonalnej

Raspberry Pi 2015

Raspberry Pi

Wykorzystaj wszystkie możliwości wyjątkowego minikomputera

Świat Radio listopad - grudzień 2025

Świat Radio

Magazyn krótkofalowców i amatorów CB

Automatyka, Podzespoły, Aplikacje listopad - grudzień 2025

Automatyka, Podzespoły, Aplikacje

Technika i rynek systemów automatyki

Elektronika Praktyczna listopad 2025

Elektronika Praktyczna

Międzynarodowy magazyn elektroników konstruktorów

Elektronika dla Wszystkich grudzień 2025

Elektronika dla Wszystkich

Interesująca elektronika dla pasjonatów