Moduł tunera radiowego FM

Moduł tunera radiowego FM
Pobierz PDF Download icon

Budowa opisywanego modułu tunera radiowego została zainspirowana przez mojego syna. Mam odziedziczony po babci radioodbiornik z 1954 roku. Drewniany olbrzym o konstrukcji lampowej, z pięknym magicznym okiem. Korzystając z tego radioodbiornika, babcia słuchała Radia Wolna Europa, a tato Radia Luksemburg. Następnie radioodbiornik trafił do piwnicy aż do chwili, gdy odkrył go mój syn.

Na jego prośbę odświeżyłem pudło i podłączyłem do niego moduł Bluetooth, ale nie usatysfakcjonowałem syna, ponieważ podczas kręcenia gałką nie zmieniała się stacja radiowa. No i klops, bo ten radioodbiornik nie miał zakresu UKF, a jedynie AM, to jest fale: długie, średnie i krótkie. Tam już prawie nikt nie nadaje. Tak więc jedynym rozwiązaniem było dodanie modułu tunera FM.

Spośród wielu dostępnych układów wybrałem TEA5767. Jest to kompletny tuner FM sterowany szyną I2C, wykonany w technologii MEMS. To może zniechęcać, ale przeciwwagą jest to, że moduł jest bardzo tani i dostępny jako płytka rozszerzenia Arduino. Kiedy 35 lat temu zaczynałem zabawę z elektroniką, konstruując odbiornik radiowy na fale średnie, za którego pomocą można było posłuchać rozgłośni harcerskiej, wizja takiego modułu Arduino byłaby jak podróż „Nautilusem” z Juliuszem Verne. Mozolne nawijanie cewek na antenę ferrytową i pieczołowite strojenie, aby spośród szumów i trzasków wyłuskać dźwięk, miało coś z magii. Systemy mikroprocesorowe sterujące tunerem są w tej konfrontacji całkiem bezduszne. Natomiast mały moduł ukryty w radiu retro, które powoli się rozgrzewa, nie pozbawia go „rumieńców”.

Fotografia 1. Bohater modyfikacji opisanej w artykule

Idea była więc taka, aby wykonać moduł, który nie pozbawi radioodbiornika retro jego uroku, a doda mu walorów użytkowych. Układ TEA5767 daje do dyspozycji bardzo wiele możliwości: zakresy FM europejskie i japońskie, odbiór mono- lub stereofoniczny, przeszukiwanie automatyczne w górę lub w dół pasma, wyciszanie podczas przeszukiwania, ograniczenie pasma przy słabszych stacjach w celu zmniejszenia szumów, trzystopniową regulację czułości i wyciszanie (mute) obu kanałów jednocześnie lub każdego osobno. To wszystko za dosłownie kilka złotych. Aż nieprawdopodobne! Oczywiście, raczej nie ma sensu korzystanie z tych wszystkich opcji, ale mało kto oferuje tyle zabawy za tak niewiele.

Budowa

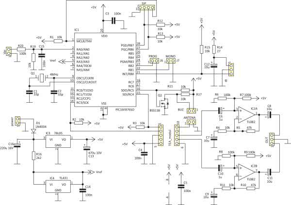
Schemat ideowy modułu odbiornika zamieszczono na rysunku 2. Cały tor radiowy zawiera moduł z układem TEA5767. Modułem steruje mikrokontroler IC1 typu PIC16F876A. Mikrokontroler jest połączony z modułem radiowym za pomocą interfejsu I2C (SDI – pin nr 15 i SDA – pin nr 14). Ponadto do modułu TEA są dołączone: gniazdo anteny (pin nr 1), zasilanie +5 V (pin nr 5), wyjście kanału prawego (pin nr 7) oraz wyjście kanału lewego (pin nr 8).

Rysunek 2. Schemat ideowy modułu odbiornika radiowego

Do rozwiązania został problem strojenia tunera. Sprawa wydaje się prosta, gdy układ TEA daje tyle możliwości. Wystarczą dwa przyciski - „szukaj w górę zakresu” i „szukaj w dół zakresu”, ale przecież - zgodnie z zasadą działania odbiornika retro - stacje radiowe należy przeszukiwać, kręcąc gałką, która przesuwa skalę odbiornika.

Pierwszy pomysł był taki, aby do całego mechanizmu skali radioodbiornika przyłączyć impulsator. W skrajnym położeniu skali zapisujemy początek zakresu FM (88 MHz) i przy każdej zmianie stacji zapisujemy wartość częstotliwości do pamięci EEPROM, aby po wyłączeniu radia układ odtworzył z pamięci położenie wskaźnika na skali. Prawie dobrze, ale jeśli ktoś przy wyłączonym radioodbiorniku przesunie skalę w lewo lub prawo, to cały misterny plan bierze w łeb. Dlatego sięgnąłem po stare rozwiązanie z użyciem potencjometru wieloobrotowego. Można połączyć go mechanicznie z mechanizmem skali (fotografia 3). Kręcenie gałką strojenia będzie wówczas powodowało zmianę rezystancji potencjometru również przy wyłączonym radioodbiorniku. Potencjometry tego typu mają dziesięć obrotów pomiędzy skrajnymi położeniami, więc idealnie, jeśli jest cały zakres skali radia wypadnie na te dziesięć obrotów. W razie potrzeby można korygować przekładnię wielkością kółka na osi potencjometru. Do portu RA0 mikrokontrolera (pin nr 2), przez dzielnik rezystancyjny, doprowadzono złącze opisane jako Var. Do tego złącza jest przyłączona masa oraz suwak (środek) potencjometru.

Fotografia 3. Sposób doprowadzenia napędu ze skali do potencjometru wieloobrotowego

A co z drugim doprowadzeniem potencjometru wieloobrotowego? To zależy, gdzie będzie zastosowany moduł. Jeśli chcielibyśmy zainstalować go w radioodbiorniku (tunerze) sprzętu z lat osiemdziesiątych, zamiast go przestrajać (zyskując dodatkowe opcje), to w większości rozwiązań z tych lat znajduje się potencjometr połączony mechanicznie ze skalą, który regulował napięcie warikapowe głowicy FM. Wystarczy ślizgacz oraz masę tego potencjometru połączyć z gniazdem Var naszego modułu. Napięcie warikapowi w tych odbiornikach zmienia się w zakresie 0…30 V. Rezystory R20 i R19 są tak dobrane, aby dopasować to napięcie do zakresu modułu. Dobrze byłoby sprawdzić w takim odbiorniku, czy to napięcie warikapowe ma stałą wartość (wahania napięcie poniżej pojedynczych mV). Jeśli tak nie jest i napięcie zmienia wartość, należy odszukać układ UL1550 który był używany jako źródło napięcia odniesienia o wartości 33 V i zastąpić go nowym.

Wykaz elementów:
Rezystory: (SMD 1206)
R1…R4, R11…R13, R15, R17…R19, R21: 10 kV
R5, R10: 47 kV
R6…R9, R20: 100 kV
R14: 27 V
R16: 2,2 kV
Kondensatory:
C1, C2: 33 pF (SMD 1206)
C3…C5, C14, C15: 100 nF (SMD 1206)
C6, C10: 1 mF/10 V
C7…C9, C11, C12: 10 mF/ 10 V
C13: 470 mF/10 V
C16: 220 mF/16 V
Półprzewodniki:
D1: 1N4001
IC1: PIC16F876A (SO-28)
IC2: TL082 (SO-8)
IC3: LM78L05 (TO-92)
IC4: TL431 (TO-92)
Q1: BSS138 (SOT-23)
Inne:
Q1: rezonator kwarcowy 4 MHz
Moduł TEA5767

W przypadku, gdy moduł ma być instalowany w odbiorniku takim jak mój, gdzie napięcie warikapowe pojawi się za 30 lat, należy skorzystać ze źródła napięcia referencyjnego naszego modułu i katodę układu LM431 (IC4 pin nr 3) połączyć z wolnym końcem potencjometru wieloobrotowego. W tej sytuacji rezystora R19 nie należy montować, a rezystor R20 powinien mieć jak najmniejszą oporność (np. 10 Ω). Port RA0 mikrokontrolera jest skonfigurowany jako wejście przetwornika A/C. Algorytm działania programu jest następujący: mikrokontroler cyklicznie odczytuje wartość napięcia z portu RA0 i jeśli jest inna niż poprzednio zapamiętana (ktoś pokręcił gałką skali radia), wprowadza nowe ustawienie częstotliwości odbieranej przez moduł TEA. Oczywiście, ta zmiana jest proporcjonalna do napięcia odczytanego z suwaka potencjometru.

Port RA3 (pin nr 5 IC1) jest skonfigurowany jako wejście analogowe napięcia odniesienia dla przetwornika A/C. Źródło napięcia referencyjnego to układ IC4 typu TL431, który przy połączonych wyprowadzeniach ADJ (pin nr 2) i katody (pin nr 3) ustawia napięcie 2,5 V na porcie RA3.

Ponieważ sygnał audio z modułu TEA ma niewielki poziom, zastosowano dodatkowy przedwzmacniacz, aby dopasować sygnał z wyjścia modułu do czułości wejść wzmacniaczy audio (około 0,7 V) w postaci podwójnego wzmacniacza operacyjnego IC2 typu TL082. Wzmacniacze operacyjne J-FET mają stosunkowo szerokie pasmo przenoszonych częstotliwości. Z uwagi na niesymetryczne zasilanie układu dodatnie wejście wzmacniacza jest spolaryzowane do połowy napięcia zasilania poprzez dzielnik złożony z rezystorów R6 i R7. Wymusza to również zastosowanie kondensatora C7 i C8.

Wzmocnienie układu wynosi Ku=(R5+R4)/R4=15 dB. W razie potrzeby można skorygować wartość wzmocnienia przez zmianę wartości rezystora R5. Sygnał audio z modułu TEA przez kondensator C6 jest doprowadzony do wzmacniacza a po wzmocnieniu za pomocą C8 jest doprowadzony do złącza OUT modułu. Analogicznie jest zbudowany obwód drugiego kanału wzmacniający sygnał z wyjścia nr 7 modułu TEA.

Do portu RB1 dołączono złącze umożliwiające doprowadzenie przycisku MONO. Jego przyciśnięcie włącza odbiór monofoniczny, a ponowne przywraca wersję stereofoniczną. W większości odbiorników z lat osiemdziesiątych znajdował się taki przycisk, który można dołączyć do tego portu z tym, że przycisk musi być monostabilny. Jeśli więc mamy do czynienia z izostatem bistabilnym, to należy zdemontować zawleczkę z góry izostatu tak, aby przycisk stał się monostabilny.

Do portu RB0 przyłączono odbiornik podczerwieni. Ja zastosowałem układ typu TSOP34836. Jest to scalony odbiornik podczerwieni z filtrem środkowoprzepustowym 36 kHz. Oznacza to, że odbiera sygnał z większości pilotów stosowanych w sprzęcie domowym. Użycie odbiornika podczerwieni znacznie zwiększa możliwości naszego modułu bez instalowania dodatkowych przycisków (w moim przypadku niedopuszczalne). Przyciśnięcie przycisku pilota powoduje pojawienie się opadającego zbocza na wejściu RB0 mikrokontrolera. W module wykorzystano tę funkcję do zmiany programów zapisanych w pamięci EEPROM układu. Dlatego też zaimplementowano przycisk PROG przyłączony do portu RB2 mikrokontrolera (pin nr 23 IC1). Przycisk ten umożliwia zapisanie stacji radiowej w pamięci EEPROM. Dodatkowo, aby zwiększyć elastyczność interfejsu użytkownika, do portu RC5 (pin nr 16 IC1) doprowadzono złącze przeznaczone dla sygnalizatora piezoceramicznego. Oczywiście zastosowanie tranzystora Q2 jest nadmiarowe, ponieważ taki sygnalizator pobiera znikomy prąd i może być sterowany bezpośrednio z portu mikrokontrolera. Jeśli ktoś jednak nie chciałby stosować „brzęczka” piezo, to może wykorzystać to złącze dla żarówki lub diody LED już istniejącej w modyfikowanym radiu.

Mikrokontroler jest taktowany rezonatorem kwarcowym 4 MHz i zasilany z typowego stabilizatora szeregowego LM78L05 (IC3). Dioda D1 zabezpiecza układ przed omyłkowym włączeniem napięcia o niewłaściwej polaryzacji.

Montaż i uruchomienie

Moduł zmontowano na dwustronnym obwodzie drukowanym o wymiarach 80 mm×52 mm. Jego schemat montażowy pokazano na rysunku 4. Płytkę drukowaną wykonałem samodzielnie metodą na żelazko. Podstawową wadą tak wykonanych obwodów drukowanych jest brak przelotek pomiędzy górną i dolną warstwą. Dlatego należy wszystkie przelotki przelutować kawałkami srebrzanki. Gorzej sytuacja przedstawia się w miejscach, gdzie pin przelotki łączy obie warstwy. Wymaga to nieco sprytu.

Rysunek 4. Schemat montażowy modułu odbiornika radiowego

Montaż należy rozpocząć od elementów SMD, najlepiej od mikrokontrolera, ponieważ jeśli w jego otoczeniu nie ma żadnych komponentów, to łatwo można go spozycjonować i przylutować. Następnie warto przylutować pozostałe elementy SMD, przelotki i inne elementy przewlekane.

Kilka słów na temat montażu modułu TEA. Producent modułu dla Arduino umieścił układ radiowy na powierzchni nieco ponad 1 cm2, jakby brakowało miejsca, żeby obwód przyjął jakieś ludzkie wymiary… W efekcie odstęp pomiędzy pinami w jednym rzędzie modułu wynosi 2 mm, a nie standardowo 2,54 mm, natomiast odstęp pomiędzy dwoma rzędami wyprowadzeń to równo 10 mm, a nie wielokrotność 2,54 mm. Ponadto, moduł jest zakończony półpadami (rysunek 5). Nie ma zwykłych otworów, do których można by przylutować przewody, goldpiny itp. Są to połówki otworów, jakby w tym miejscu producent wykonał krawędź do przełamania płytki. Powierzchnia padów jest tak znikoma, że należy ostrożnie tylko musnąć punkt lutownicą, aby pad nie odpadł z wielowarstwowego druku. Pewnie producent miał jakieś powody, aby tak to zrobić. Rozwiązałem ten problem tak, że moduł TEA dołączyłem krótkimi odcinkami srebrzanki do podstawki DIP8 i na obwodzie drukowanym jest zwykły raster układu w obudowie DIL8. Jest to o tyle wygodne, że w razie potrzeby można swobodnie wylutować moduł TEA, nie martwiąc się, że po pierwszej próbie odpadną punkty lutownicze i moduł trzeba będzie zastąpić nowym.

Rysunek 5. Wyprowadzenia modułu z układem radiowym

Po wlutowaniu wszystkich elementów należy dokładnie sprawdzić na płytce, czy nie ma zwarć i błędów montażowych. Należy się upewnić, że posiadany moduł TEA wyposażony jest w rezonator kwarcowy o częstotliwości 32,768 kHz. Następnie można dołączyć napięcie zasilania z zakresu 9…12 V o bardzo małej wydajności prądowej - tu w zupełności wystarczy 20 mA, a w razie ewentualnych błędów w montażu nie przysporzy szkód.

Po włączeniu zasilania należy do procesora wgrać program fm1.hex (znajduje się w dodatkach). Złącze przewidziane do programowania mikrokontrolera jest oznaczone etykietą „ISP”. Po wgraniu programu moduł można instalować w radioodbiorniku. Należy wcześniej upewnić się, że odbiornik jest sprawny (tor wzmacniacza). W przypadku takich odbiorników retro, jak posiadany przeze mnie, dobrze jest wymienić kondensatory elektrolityczne z zasilacza (filtrują napięcie anodowe lamp; dla młodszych - to takie metalowe puszki przykręcane do konstrukcji aluminiową nakrętką). Napięcie zasilania modułu można pobrać z zasilacza radioodbiornika, ale w radioodbiornikach lampowych dobrze jest umieścić w środku mały zasilacz. Nie wszystkie lampowe odbiorniki są separowane od sieci, a wiele z nich ma prostownik jednopołówkowy.

W razie potrzeby można dołączyć przycisk MONO. Do złącza przycisku PROG można dołączyć istniejący, mało używany przycisk w radiu lub (tak jak w prototypie) z tyłu odbiornika zabudować przycisk PROG, który będzie używany sporadycznie.

Zacisk ANTENA naszego modułu należy połączyć z gniazdem antenowym radioodbiornika za pomocą kabla ekranowanego. Również wyjście modułu z wejściem wzmacniacza należy podłączyć przewodem ekranowanym. Do wejścia Var trzeba przyłączyć potencjometr wieloobrotowy zgodnie z wcześniejszym opisem.

Moduł można zamontować w taki sposób, aby czujnik podczerwieni znajdował się za szkłem skali radioodbiornika, a jeśli to nie jest możliwe, to odbiornik podczerwieni można zamontować w jakimś dyskretnym miejscu, gdzie dotrze wiązka podczerwieni z pilota, a sam odbiornik z modułem połączyć przewodem ekranowanym.

Można też uruchamiać moduł na stole, wykorzystując słuchawki. Nie wymaga on strojenia i działa od razu po włączeniu zasilania.

Program i obsługa

Program tunera napisano w asemblerze (opatrzony komentarzami program źródłowy znajduje się w dodatkach). Układ TEA5767 przy zmianie jakichkolwiek parametrów (częstotliwość, mono/stereo, mute itp.) wymaga przesłania kompletu 5 bajtów danych. To pewne utrudnienie, które zmusza program do pamiętania poprzednio wysłanych instrukcji, aby podczas przejścia z trybu stereo- na monofoniczny nie zmieniać częstotliwości odbieranej stacji. W programie zmianie ulegają 3 bajty danych opisane jako tuner_data1… tuner_data3.

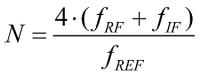
Obliczenie częstotliwości odbieranej stacji radiowej też nie jest łatwe. Byłoby idealnie, gdyby częstotliwość wysyłało się do osobnych bajtów najlepiej heksadecymalnie, ale tymczasem jest tak:

gdzie:
fRF - częstotliwość odbieranej stacji radiowej,
fIF - częstotliwość pośrednia 225 kHz,
fREF - częstotliwość rezonatora wzorcowego 32768 kHz,
N - liczba dziesiętna nastawy układu.

Informacja ta, wydawałoby się podstawowa, jest zamieszczona dopiero na stronie 30 karty katalogowej układu TEA.

Pasmo częstotliwości radiowych zakresu „konsumenckiego” UKF w Europie rozciąga się od 88 MHz do 108 MHz. Szerokość pasma to 20 MHz. Krok przestrajania wynoszący 100 kHz w zupełności wystarczy. Oznacza to, że zakres jest podzielony na 200 kroków. Przetwornik A/C zastosowanego mikrokontrolera PIC16F876A ma rozdzielczość 10 bitów, a to oznacza, że wystarczy starsze 8 bitów, aby uzyskać wymagane 200 kroków przestrajania. Dlatego przetwornik A/C mikrokontrolera jest wstępnie ustawiany tak, aby justowanie było w lewo, co pozwala na umieszczenie w rejestrze ADRESH starszych 8 bitów wyniku konwersji napięcia z potencjometru wieloobrotowego doprowadzonego do wejścia Var.

Program działa w ten sposób, że wstępnie ustawia częstotliwość na 88 MHz, dokonuje odczytu napięcia z przetwornika A/C i za każdy bit otrzymanej konwersji dodaje 100 kHz do początkowej częstotliwości. Zanim dane zostaną wysłane do modułu TEA, program sprawdza, czy wynik konwersji A/C jest inny od poprzedniej, bo jeśli jest taki sam, to znaczy, że nikt w międzyczasie nie kręcił gałką strojenia radioodbiornika i po pętli czasowej procesor ponownie dokonuje odczytu napięcia z portu RA0. Ponadto mikrokontroler sprawdza, czy został wyzwolony przycisk MONO i w razie potrzeby modyfikuje bit tuner_data1.3. Sprawdza również pojawienie się opadającego zbocza z sygnału pilota podczerwienie (port RB0 mikrokontrolera).

W przypadku wysterowania portu RB0 dowolnym pilotem podczerwieni mikrokontroler przestaje odczytywać pozycję potencjometru wieloobrotowego, a wysyła do modułu TEA częstotliwość pierwszej stacji radiowej zapamiętanej w pamięci EEPROM - bank ulubionych stacji. Kolejne naciśnięcie pilota powoduje włączenie drugiej ulubionej stacji, trzeciej i tak aż do ostatniej zapisanej stacji, a następnie przechodzi do początku kolejki zapamiętanych stacji. Można więc sterować moduł dowolnym pilotem. Jeśli ktoś chciałby poszerzyć możliwości obsługi pilotem, to nie ma przeciwwskazań technicznych. Moduł odbiornika podczerwieni jest doprowadzony do portu RB0, który można skonfigurować jako źródło przerwania zewnętrznego. Nie stoi więc nic na przeszkodzie, aby zaimplementować w układzie dekoder kodu RC5.

Zmiana wartości napięcia Var (przesunięcie skali w radioodbiorniku) powoduje, że program wychodzi z pętli odbierania ulubionych stacji sterowanych pilotem, a powraca do obsługi gałką strojenia radioodbiornika. Jeśli podczas kręcenia gałką strojenia radioodbiornika skala pokazuje narastanie częstotliwości, a w rzeczywistości odbiornik odbiera stacje na coraz niższych częstotliwościach, wystarczy zamienić skrajne przewody (masa i Vref) potencjometru wieloobrotowego. Przez dobór rezystorów R19 i R20 można „ściskać” i „rozciągać” skalę, tak aby mieściła się ona w zakresie przemieszczania się wskaźnika. Należy przy tym pamiętać, że na porcie RA0 maksymalne napięcie to 2,5 V.

Programowanie ulubionych stacji radiowych

Po wgraniu programu do mikrokontrolera pamięć EEPROM jest czysta, a jej komórki mają wartość 0xFF. W pierwszej komórce (adres 0x00) jest zapisana informacja o tym, ile ulubionych stacji radiowych jest zapamiętanych, więc po zaprogramowaniu procesora niby mamy zaprogramowane 255 stacji, a każda na częstotliwości 108 MHz. Dlatego należy sformatować pamięć EEPROM. W tym celu należy przy wyłączonym radioodbiorniku wcisnąć przycisk PROG i trzymając przycisk wciśnięty, włączyć zasilanie. Sygnał z tunera będzie 5 razy wyciszany na 300 ms i w tym czasie będzie słyszany dźwięk z sygnalizatora piezoceramicznego (5 krótkich pisków). W czasie, kiedy trwa te 5 krótkich dźwięków, należy zwolnić przycisk PROG. Pierwsza komórka pamięci EEPROM zostaje wyzerowana, co oznacza, że nie ma żadnych ulubionych stacji zapamiętanych w pamięci. Każdorazowo, gdy chcemy usunąć wszystkie zapamiętane stacje, należy przeprowadzić wyżej opisane czynności. Następnie moduł przechodzi do normalnej pracy. Za pomocą gałki radioodbiornika (potencjometr wieloobrotowy) można wyszukać pierwszą stację, którą chcemy dodać do ulubionych. Kiedy odbieramy już żądaną częstotliwość, wystarczy krótko przycisnąć PROG. Dźwięk z radia zostanie wyciszony, będą wyemitowane dwa krótkie dźwięki z sygnalizatora dźwiękowego, a stacja zostanie zapisana na pierwszej pozycji pamięci. Czynność należy powtórzyć po wyszukaniu drugiej ulubionej stacji itd.

Sygnał z sygnalizatora piezoceramicznego jest emitowany w ten sposób, że w odpowiedniej chwili włącza się przerwanie od timera TMR0, które jest ustawione tak, że gdy jest aktywne, poziom napięcia na wyjściu RC5 zmienia się z częstotliwością 3 kHz. Jeśli ktoś nie jest przekonany do takiego interfejsu użytkownika, może zmienić sposób działania tranzystora Q2. Wystarczy w programie w funkcji BEEP wprowadzić pewne korekty, na przykład:

BEEP
    call MUTE_ON
    bsf buzer
;bsf intcon, gie
    call delay100ms
    call delay100ms
;bcf intcon, gie
    bcf buzer
    call MUTE_OFF
    call delay100ms
    call delay100ms
    return

W ten sposób nie włączamy systemu przerwań, a jedynie załączamy tranzystor Q2 na czas 200 ms. Możemy wówczas wyjście BUZ modułu doprowadzić do diody LED lub żarówki istniejącej w radiu.

Instalując moduł w radioodbiorniku monofonicznym, należy na stałe w bajcie tuner_data1 ustawić bit nr 3 (funkcja tuner), a w funkcji mono średnikami wyłączyć wszystkie instrukcje oprócz return (powrót z funkcji). Moduł TEA przyjmuje instrukcje za pomocą I2C z maksymalną częstotliwością 400 kHz - wykorzystano więc sprzętowy interfejs mikrokontrolera.

W czasie testów moduł TEA wykazał świetną czułość i selektywność. Jedyny minus to pasmo przenoszonych częstotliwości akustycznych. Wyraźnie słychać, że wysokie tony są tłumione. Układ TEA jest przeznaczony głównie do zastosowania w urządzeniach ze słuchawkami, stąd być może podbicie niskich tonów. W radioodbiornikach lampowych to zupełnie bez znaczenia.

Grzegorz Mazur

Artykuł ukazał się w
Elektronika Praktyczna
kwiecień 2019
DO POBRANIA
Pobierz PDF Download icon
Materiały dodatkowe
Elektronika Praktyczna Plus lipiec - grudzień 2012

Elektronika Praktyczna Plus

Monograficzne wydania specjalne

Elektronik listopad 2025

Elektronik

Magazyn elektroniki profesjonalnej

Raspberry Pi 2015

Raspberry Pi

Wykorzystaj wszystkie możliwości wyjątkowego minikomputera

Świat Radio listopad - grudzień 2025

Świat Radio

Magazyn krótkofalowców i amatorów CB

Automatyka, Podzespoły, Aplikacje listopad - grudzień 2025

Automatyka, Podzespoły, Aplikacje

Technika i rynek systemów automatyki

Elektronika Praktyczna listopad 2025

Elektronika Praktyczna

Międzynarodowy magazyn elektroników konstruktorów

Elektronika dla Wszystkich grudzień 2025

Elektronika dla Wszystkich

Interesująca elektronika dla pasjonatów