Impulsowa ładowarka akumulatorów ołowiowych

Impulsowa ładowarka akumulatorów ołowiowych
Pobierz PDF Download icon
W sprzedaży można znaleźć wiele ładowarek akumulatorów, ale każda bazuje na typowym transformatorze sieciowym z rdzeniem żelaznym. Wymiary i ciężar takich urządzeń o wydajności prądowej przekraczającej 4 A są dużo większe, niż ich odpowiedników impulsowych, pracujących z większą częstotliwością, zbudowanych przy użyciu transformatora z rdzeniem ferrytowym. Urządzenie, które opisuję mieści się w obudowie KM56 o wymiarach 114 mm×87 mm×51 mm, co pozwala na przewożenie takiej ładowarki w schowku samochodowym, aby była osiągalna zawsze wtedy, gdy jest potrzebna.

Ładowarka jest przeznaczona do szybkiego naładowania akumulatora. Natężenie prądu ładowania można ustawiać za pomocą potencjometru. Dlatego, gdy zacznie on spadać, można podwyższać prąd, aby dzięki temu szybciej naładować akumulator (np. w 4 godziny).

Dzięki możliwości regulowania prądu można około dwukrotnie szybciej naładować akumulator w porównaniu z ładowarką bez takiej regulacji. Maksymalny prąd ładowania wynosi około 8 A i został osiągnięty bez konieczności stosowania radiatorów.

Zamiast nich został użyty wydajny wentylator firmy Sunon (model ME50151V1-A99 o wymiarach 50 mm×50 mm×15 mm). Urządzenie może oddawać do obciążenia prąd o większym natężeniu, jeżeli użyjemy transformatora z rdzeniem o większym przekroju oraz umieścimy diody i tranzystory na radiatorach.

Zasada działania

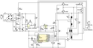
Rysunek 1. Schemat ideowy płytki kontrolera

Schemat ideowy kontrolera ładowarki pokazano na rysunku 1, natomiast płytki transformatora Tr2 na rysunku 2. Kontroler bazuje na układzie scalonym sterownika SG2525 (lub SG3525), który jest wykorzystany do wytworzenia przebiegu prostokątnego podawanego na transformator sterujący tranzystorami kluczującymi przebieg napięcia na transformatorze głównym Tr2. Dodatkowo, układ SG spełnia funkcję regulatora napięcia poprzez regulację współczynnika wypełnienia impulsów podawanych na tranzystory a także ogranicza prąd do wartości ustalonej za pomocą rezystora R12.

Po włączeniu układu, prąd poprzez bezpieczniki F1 i F2, a następnie mostek prostowniczy Br1 ładuje kondensatory C2 i C3, z których napięcie poprzez rezystory R1 i R2 ładuje kondensator C4. Komparator z histerezą wykonany na układzie U3a porównuje napięcie na kondensatorze C4 z napięciem na diodzie Zenera D2. Gdy napięcie na C4 przekroczy wartość, na wyjściu wzmacniacza operacyjnego oraz bramce tranzystora T1 pojawi się jego napięcie zasilania.

Tranzystor ten rozładuje kondensator C4 poprzez rezystor R20 ograniczający prąd przewodzony przez T1, ładując tym samym kondensator C6. Napięcie z kondensatora C6 jest podawane na stabilizator napięcia U2, a następnie na układ SG2525. Gdy przekroczy ono 8 V, układ włącza się i zaczyna się ładować kondensator C5 z wewnętrznego źródła prądowego, którego wyjściem jest nóżka 8.

Służy on do ustawienia czasu narastania szerokości impulsów (soft start) od momentu przekroczenia przez napięcie zasilające 8 V - włączenia zasilania. SG2525 zaczyna generować impulsy sterujące. Transformator główny Tr2 wytwarza na uzwojeniu pomocniczym przebieg prostowany poprzez diody D3...D6 i podawany na kondensator C6 zasilający układ w czasie normalnej pracy.

Jeżeli napięcie na kondensatorze C6 po wstępnym uruchomieniu generatora SG2525 ładunkiem z C4 będzie podtrzymane zasilaniem z uzwojenia pomocniczego transformatora Tr2, układ zacznie pracować normalnie i generować przebieg prostokątny.

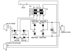
Rysunek 2. Schemat ideowy płytki transformatora Tr2

Gdyby układ się nie włączył po pierwszym naładowaniu kondensatora C4 np. z powodu zwarcia wyjścia ładowarki lub zbyt dużego obciążenia, napięcie na C4 obniżające swoją wartość z powodu przewodzenia tranzystora T1 zmieni poziom na wyjściu komparatora U3A na niski przy jego wartości wyznaczonej tym razem przez równanie , tranzystor T1 przestanie przewodzić i cykl ładowania C4 przez rezystory R1, i R2 się powtórzy. Częstotliwość oscylatora SG jest ustawiona za pomocą rezystora R15 i kondensatora C1 i wynosi około 33 kHz. Zwiększając rezystancję i pojemność zmniejszamy częstotliwość.

Rezystor R10 służy do ustawiania odstępu pomiędzy dodatnimi i ujemnymi połówkami prostokąta (martwa strefa). Jego wartość powinna mieścić się w granicach 0...150 Ω. Wyjściem przebiegu są nóżki 11 i 14. Poprzez rezystory R8 i R9 ograniczające prąd obciążenia SG2525, przebieg wyjściowy jest podawany na transformator Tr1 sterujący przez rezystory R16...R18 (kształtujące impuls bramkowy) na bramki tranzystorów kluczujących MOSFET T2...T5, które poprzez rezystor R13 zabezpieczający je przed różnymi "niespodziankami" oraz dławik L1 ograniczający szybkość narastania prądu przez nie płynącego (w razie zwarcia wyjścia, przeciążenia lub uruchamiania) zasilają transformator główny Tr2.

Zadaniem transformatora Tr1 jest odizolowanie poszczególnych źródeł tranzystorów (bo ich potencjały są różne) oraz zapewnienie takich samych kształtów przebiegów na odpowiednich parach bramek tranzystorów znajdujących się po przekątnej i załączanych na zmianę, w zależności od polaryzacji przebiegu sterującego, aby na transformatorze Tr2 występował przemienny przebieg prostokątny.

Potencjometr R11 i rezystor R3 służą do regulowania napięcia na nóżce 9 układu SG2525, czyli zmiany współczynnika wypełnienia impulsów podawanych na bramki tranzystorów T2...T5, tym samym również napięcia na wyjściu i prądu ładowania akumulatora. Nóżka 10 służy do skracania czasu trwania połówek prostokąta włączających tranzystory w momencie przekroczenia ustawionej maksymalnej wartości prądu obciążenia.

Do tego celu służą rezystory R14, R12 oraz kondensator C7. Na kondensator C7 poprzez rezystor R14 jest podawany spadek napięcia z rezystora R12. Gdy napięcie na kondensatorze C7 przekroczy 0,8 V, układ SG odcina impuls wyjściowy i teraz kondensator C7 zaczyna się rozładowywać przez rezystory R12 i R14.

Czas rozładowania jest wyznaczany przez stałą czasową obwodu R12-R14-C7. Zależy od niego, po jakim czasie generowanie impulsów sterujących zostanie zatrzymane, a później wznowione. Od oporności rezystora R12 (zwiększanie/zmniejsza prąd) zależy maksymalny prąd wyjściowy układu i dla rezystancji 1,8 Ω wynosi on około 8 A.

Wykaz elementów

Płytka kontrolera

Rezystory:
R1, R2: 27 kΩ/1 W
R3, R5: 8,2 kΩ
R4, R15: 4,7 kΩ
R6, R7: 22 kΩ
R8, R9: 19 Ω
R10: 47 Ω
R11: 5 kΩ (potencjometr liniowy)
R12: 1,8 Ω/2 W
R13: 10 Ω/7 W
R14: 10 kΩ
R16...R20: 10 Ω

Kondensatory:
C1: 4,7 nF
C2, C3: 100 m/200 V
C4: 1 µF/25 V
C5: 4,7 µF
C6: 100 µF/25 V
C7: 2,2 nF
C8: 100 nF

Półprzewodniki:
DZ1: dioda Zenera 24 V/0,4 W
DZ1: dioda Zenera 5,1 V/0,4 W
Br1: min 4A np. GBS4G - DIO
T1: MOSFET-N min. ID=2 A (np. IRFZ 24NPBF)
T2...T5: MOSFET-N min. ID=10 A/400 V (np. IRF740 PBF)
U1: SG2525 (lub SG3525)
U2: LM7810
U3: LM358

Inne:
Tr1: E20/16/10, WE-1952V (opis w tekście)
F1, F2: FST 1 A
J1...J3: złącze DG126-5.0-2P14

Płytka Tr2

Kondensatory:
C9: 470 µF/25 V

Półprzewodniki:
D3...D6: 1N4148
D7...D10: prąd przewodzenia min. 8 A (np. MBR1660)

Inne:
L1: 45 µH, 41 zw. na żółtym rdzeniu zewnętrzna 25 mm (opis w tekście)
Tr2: E32/16/9, WE-1802H (opis w tekście)
J4...J6: złącze DG126-5.0-2P14

Montaż i uruchomienie

Rysunek 3. Rozmieszczenie elementów na płytce transformatora Tr2

Modelowa ładowarka została wykonana na dwóch samodzielnie wykonanych płytkach drukowanych, z których płytka kontrolera jest na laminacie dwustronnym, a transformatora głównego Tr2 z układem prostowniczym i kondensatorem wyjściowym na jednostronnym. Jeśli ktoś skorzysta z wzorów płytek zamieszczonych na rysunkach 3...6, to montaż elementów powinien rozpocząć od wlutowania przelotek, zworek oznaczonych na płytkach zieloną linią - jednej na płytce transformatora Tr2, dwóch na płytce kontrolera SG.

Następnie lutujemy pozostałe elementy rozpoczynając od elementów najmniejszych i tak, aby np. wlutowane tranzystory nie przeszkadzały przy wlutowywaniu transformatora Tr1 lub Tr2. Pamiętajmy też o obustronnym lutowaniu końcówek elementów, co będzie wymagało nieco wprawy. W niektórych elementach być może trzeba będzie wygiąć nieco nóżki, gdyż mogą one zachodzić na inne, lecz zmniejszenie wymiarów urządzenia wynagrodzi nam ten trud.

Tranzystory kluczujące T2...T5 to MOSFET-N o napięciu UDS co najmniej 400 V oraz ID minimum 10 A, w obudowach co najmniej TO-220, jeżeli nie umieszczamy ich na radiatorach. Tranzystor T1 może być dowolnym MOSFET-N o minimalnym prądzie ID 2 A i odpowiednim rozmieszczeniu wyprowadzeń.

Diody prostownicze to diody Schottky lub inne odpowiednio szybkie (250 ns lub mniej) i prądzie przewodzenia minimum 8 A, w obudowie umożliwiającej odprowadzenie ciepła. Diody krzemowe mają większy spadek napięcia i w razie ich użycia należy sprawdzić czy nie będą one wymagały niewielkich radiatorów przy prądach rzędu 6 A lub więcej.

Można to zrobić termometrem (temperatura obudowy nie powinna przekroczyć około C) lub metodą uproszczoną nagrzewając układ przy pożądanym prądzie maksymalnym, na który dmucha niezbyt silnie wentylator który ma pracować w ładowarce i po minucie odłączyć zasilanie, następnie szybko dotknąć diod np. wacikiem zanurzonym w kropli wody, woda może szybko odparować lecz nie powinien być słyszalny syk i efekt wrzenia wody na diodach. Jeżeli woda nie wrze, procedurę powtarzamy z tym, że tym razem sprawdzamy po czasie 5 minut. Jeżeli jest słyszalny syk i woda wrze, oznacza to, że prąd jest zbyt duży i należy dać radiatory na diody lub ograniczyć prąd.

Jako dławik L1 zastosowano dławik z zasilacza komputerowego na żółtym rdzeniu o średnicy zewnętrznej 25 mm i 41 zwojach, ale można użyć innego dławika na rdzeniu z żelaza spiekanego o indukcyjności około 45 µH. Transformatory sterujący Tr1 i główny Tr2 są nawinięte na karkasach firmy Weisser.

Rysunek 4. Widok ścieżek od strony miedzi na płytce transformatora Tr2

Transformator Tr1 jest nawinięty na karkasie WE-1952V i ma rdzeń E20/10/6 z materiału 3C90, ale można wykorzystać inny materiał i inne karkasy o podobnych właściwościach np. 3F3. Uzwojenia wtórne, to cztery oddzielne uzwojenia liczące po 30 zw. DNE 0,3 mm. Uzwojenie pierwotne ma 35 zw. DNE 0,4 i nawijamy je na wierzchu.

Zwoje należy nawijać starannie, jeden przy drugim, w razie potrzeby dociskając je do siebie niezbyt twardym materiałem np. plastikowym śrubokrętem. Wszystkie uzwojenia nawijamy w tym samym kierunku, zdrapując lakier na końcach nożem, okręcając o kolejne wyprowadzenia karkasu i lutując, poczynając od tej samej strony karkasu, zarówno po jednej, jak i po drugiej stronie rdzenia (po jednej stronie rdzenia wyprowadzone są uzwojenia dla jednej pary tranzystorów - 4 końcówki, a po drugiej dla drugiej pary znajdującej się po przekątnej mostka - również 4 końcówki).

Na końcu karkasu, po jednej i po drugiej stronie rdzenia znajdują się po jednej końcówce strony pierwotnej - pozostałe dwa wyprowadzenia karkasu. Uzwojenia powinny być odizolowane od siebie cienkim materiałem izolacyjnym np. tereszpan 0,15 mm lub podobnym.

W układzie modelowym użyto dodatkowo transformatora izolującego stronę pierwotną od wtórnej, ponieważ transformator Tr2 został nawinięty zanim powstał obwód startowy i nie chciałem go zmarnować, lecz tu opisuję wersję, w której rolę separacyjną spełnia uzwojenie pomocnicze nawinięte na transformatorze głównym. Nie zmienia to działania układu. a jedynie eliminuje jeden transformator z układu.

Transformator Tr2 jest nawinięty na karkasie WE-1802H i rdzeniu E32/16/9 z materiału 3C90 (może być inny o podobnych właściwościach materiał np. 3F3). Zasady nawijania są takie same, jak dla Tr1, ale w tym wypadku należy większą uwagę przyłożyć do izolacji strony wtórnej od pierwotnej właściwym materiałem izolacyjnym typu tereszpan, aby zmniejszyć ryzyko przedostania się napięcia przekraczającego 300 V na stronę wtórną transformatora.

Rysunek 5. Rozmieszczenie elementów i widok ścieżek od strony elementów (niebieskie) i miedzi (czerwone) na płytce kontrolera

Uzwojenia wtórne to 15 zwojów 2×DNE 1,2 mm połączone równolegle - dla napięcia wyjściowego. Uzwojenie pomocnicze zasilające układ - 20 zwojów DNE 0,4 mm. Uzwojenie pierwotne 235 zwojów DNE 0,4 mm. Uzwojenia wtórne i pierwotne można nawinąć wieloma drutami odizolowanymi od siebie tzw. licą, aby zminimalizować efekt wypierania prądu z wnętrza przewodnika.

Można taki drut nabyć np. na Allegro. Do tego celu można zastosować DNE o takiej liczbie zwojów i przekroju, aby sumaryczny przekrój wynosił dla uzwojenia wtórnego około 2 mm² przy 8 A, np. 7×DNE 0,6 mm lub licą 28×DNE 0,3 mm itp. Nawinięcie nie jest dużym problemem gdyż uzwojenia wtórne nie zawierają wiele zwojów. Na uzwojenie pierwotne można użyć np. 2×DNE 0,3 mm, jeżeli komuś zależy na "wyciśnięciu" z transformatora jak najwięcej i ma odpowiednie możliwości.

Ładowarkę można przebudować przystosowując ją do większego prądu obciążenia. Można to zrobić zmieniając transformator na większy, nawinięty grubszym drutem oraz używając odpowiednich diod na radiatorach. Trzeba wtedy zwiększyć moc rezystora R13 do około 30 W lub np. dać trzy szeregowo połączone 3,3 Ω/10 W oraz zwiększyć pojemność kondensatorów filtrujących do 220 µF.

Rysunek 6. Widok ścieżek płytki kontrolera od strony miedzi

Przy zastosowaniu mocniejszych tranzystorów wytrzymujących w impulsie prąd np. 50 A można zmniejszyć wartość rezystora R13 np do 6,8 Ω, jego moc do 20 W, zmniejszając tym samym straty i zwiększając sprawność ładowarki. Można też zmienić U2 na 7812, co da krótszy czas narastania napięcia na bramkach tranzystorów w razie użycia tranzystorów o znacznych pojemnościach bramka-źródło.

Liczbę zwojów transformatora Tr2 zmienia się odwrotnie proporcjonalnie do przekroju rdzenia (większy rdzeń np. E42, mniej zwojów na Volt). Dla rdzenia E42 i karkasu WE-2154-1S będzie to odpowiednio na uzwojenie pierwotne 115 zwojów, na wtórne 8 zwojów, a na pomocnicze 10 zwojów. Uzwojenie pierwotne będzie nawinięte trzema drutami DNE 0,4 mm, wtórne 34 drutami o tej samej średnicy, a uzwojenie pomocnicze 1×DNE 0,4 mm, co da wydajność prądową ładowarki ponad 17 A.

Urządzenia o takiej mocy powinny być wyposażone w szeregowo połączony z zasilaniem 230 VAC dławik, np. taki, jak do niedawna był stosowany w zasilaczach komputerowych (tzw. filtr PFC służący do wygładzania szpilek prądu ładujących kondensatory filtrujące). Rdzenie po nawinięciu powinny być ściśnięte paskiem blachy skręconym śrubami lub zlutowanym, lecz oklejenie ich kilkoma warstwami biurowej taśmy klejącej też daje zadowalające rezultaty.

Podczas uruchamiania układu należy pamiętać, że na jego elementach występuje napięcie niebezpieczne dla życia, a przeróbki i modyfikacje wykonywać tylko przy wyłączonym zasilaniu.

Fotografia 7. Widok zmontowanych i skręconych płytek ładowarki

Uruchomienie układu rozpoczynamy od połączenia płytek przewodami, włączamy szeregowo z zasilaniem z sieci do złącza 230 V J1 płytki kontrolera żarówkę o mocy około 60 W/230 V. Włączamy zasilanie 230 V, żarówka powinna błysnąć i zgasnąć. Jeżeli się świeci, to gdzieś jest błąd w montażu, błędny obwód drukowany, zimne luty lub uszkodzony element.

Następnie przekręcamy suwak potencjometru R11 w stronę zasilania, podłączamy na chwilę (żeby nie spalić żarówki 12 V) do wyjścia układu (J1 płytki z Tr2) żarówkę 12...24 V/20...50 W. Żarówka ta powinna zaświecić jasno, a żarówka 230 V powinna zacząć się lekko żarzyć. Jeżeli tak nie jest szukamy błędów w układzie czyli: Wyłączamy zasilanie 230 V, odłączamy żarówkę 12 V, dołączamy dodatkowo zasilacz zewnętrzny o napięciu około 15 V do złącza J2 płytki kontrolera, włączamy zasilanie 15 V, włączamy 230 V przez wspomnianą szeregowo żarówkę 60 W, ustawiamy suwak potencjometru R11 w stronę zasilania.

Do wyjścia układu dołączamy żarówkę 24 V - żarówka ta powinna się zaświecić, a żarówka szeregowa w obwodzie 230 V powinna zacząć się żarzyć. Oznacza to, że układ startowy nie działa. Jeżeli żarówka 24 V się nie świeci, oznacza to niesprawność układu głównego, czyli powiązanego z SG2525, czego przyczyną może być błędnie nawinięty Tr1, zimne luty, błąd w montażu lub uszkodzone elementy i/lub układu startowego - te same przyczyny z wyjątkiem błędu w Tr1. Podczas szukania błędu może być pomocny oscyloskop lub miernik indukcyjności. Zwykle przyczyną niesprawności jest transformator Tr1.

Na bramkach tranzystorów przewodzących po przekątnej sygnały z Tr1 powinny mieć taki sam kształt, a na nieprzewodzących mieć fazę odwróconą. Jeżeli tak nie jest, trzeba zamienić z sobą końcówki transformatora podłączone do tranzystora, w którym ten kształt nie zgadza się z pozostałymi. W razie problemów proszę pisać na mojego e-maila.

Jeżeli żarówka świeci, to sprawdzamy układ startowy, czyli: wyłączamy zasilanie 230 V, odłączamy zasilanie 15 V i żarówkę 24 V od układu, włączamy zasilanie 230 V, sprawdzamy woltomierzem napięcie na końcówce 1 układu U3 (za pomocą dolutowanych przewodów), powinno ono zmieniać wartość co kilka sekund z zera na około 22 V i szybko spadać.

Fotografia 8. Widok urządzenia zamontowanego w obudowie

Następnie sprawdzamy czy na nóżkach 13 i 15 układu U1 dzieje się to samo z tym, że napięcie będzie się zmieniać od zera do około 19 V. Jeżeli napięcie na U1 w ogóle nie występuje, to gdzieś jest błąd w montażu. Błędnie wykonana płytka drukowana, zimne luty lub uszkodzony element.

Płytki po sprawdzeniu działania skręcamy dwiema śrubami M3×40 mm z nałożonymi tulejkami dystansowymi np. TDYS3.6/35 o średnicy wewnętrznej większej od 3 mm i długości około 35 mm (fotografia 7). W obudowie trzeba wywiercić lub wyciąć otwory wentylacyjne, aby powietrze przepływało z lewego tylnego boku obudowy do prawego przedniego boku obudowy, zasysane od spodu i wydmuchiwane naciętymi otworami w bocznej ściance obudowy. Po przyłączeniu wszystkich przewodów i usunięciu w obudowie występów przeszkadzających w umieszczeniu płytek i wentylatora wkładamy układ do obudowy.

Otwory w płytkach są tak wykonane, aby obok płytki z Tr2 zmieścić wentylator o grubości 15 mm, a z lewej strony amperomierz o wymiarach 51 mm×51 mm wskazujący prąd ładowania. Obwody ładowarki zamontowane w obudowie pokazano na fotografii 8.

Metody ładowania

Obsługa urządzenia sprowadza się w najprostszym wypadku do ustawienia na rozładowanym akumulatorze pożądanego prądu ładowania np. 0,1 C, gdzie C to pojemność akumulatora w Ah i czekanie, aż prąd ten spadnie do wartości małej w porównaniu z początkowym prądem ładowania, czyli np. 20% początkowego prądu ładowania, gdyż zwykle nie będzie nam zależało na pełnym naładowaniu akumulatora, a tylko doładowaniu, aby uruchomić samochód np. zimą.

Stopień rozładowania akumulatora to sprawa dyskusyjna, gdyż raz może być on rozładowany do 10 V, innym razem do 12 V i ustawienie prądu na akumulatorze rozładowanym do 12 V na 0,1 C przez dłuższy czas może doprowadzić do utrzymywania się na nim po naładowaniu znacznego prądu i w konsekwencji - doprowadzić w dłuższym czasie do uszkodzenia akumulatora.

Dlatego najpewniej koniec ładowania określa napięcie akumulatora równe 15 V przy 20°C, a w zimie przy -10°C to napięcie powinno wynosić około 15,8 V przy końcowym prądzie ładowania wynoszącym 0,02 C. Na przykład, dla akumulatora 45 Ah, ten prąd wyniesie około 0,9 A. Najlepiej sprawdzać prąd ładowania co jakiś czas, np. co godzinę, dołączając miernik uniwersalny do akumulatora w czasie ładowania i ustawiając napięcie akumulatora pokrętłem ładowarki na 15 V, spoglądać przy tym na amperomierz czy prąd jest już dostatecznie mały.

Przyśpieszone ładowanie akumulatora można zrealizować pilnując, aby prąd ładowania utrzymywał się na odpowiedniej wartości np. 0,15 C i co jakiś czas (co pół godziny) mierzyć czy przy ustawieniu 15 V na akumulatorze (latem) spadł on już do 0,02 C (zimą przy 15,8 V). Jeżeli ktoś zamierza umieścić ładowarkę w większej obudowie, można wstawić w urządzenie woltomierz.

Łukasz Karłowicz
lkarlowicz@interia.pl

Artykuł ukazał się w
Elektronika Praktyczna
maj 2015
DO POBRANIA
Pobierz PDF Download icon
Elektronika Praktyczna Plus lipiec - grudzień 2012

Elektronika Praktyczna Plus

Monograficzne wydania specjalne

Elektronik listopad 2025

Elektronik

Magazyn elektroniki profesjonalnej

Raspberry Pi 2015

Raspberry Pi

Wykorzystaj wszystkie możliwości wyjątkowego minikomputera

Świat Radio listopad - grudzień 2025

Świat Radio

Magazyn krótkofalowców i amatorów CB

Automatyka, Podzespoły, Aplikacje listopad - grudzień 2025

Automatyka, Podzespoły, Aplikacje

Technika i rynek systemów automatyki

Elektronika Praktyczna listopad 2025

Elektronika Praktyczna

Międzynarodowy magazyn elektroników konstruktorów

Elektronika dla Wszystkich grudzień 2025

Elektronika dla Wszystkich

Interesująca elektronika dla pasjonatów