Miniaturowy, regulowany stabilizator impulsowy

Miniaturowy, regulowany stabilizator impulsowy
Pobierz PDF Download icon

Zaletą prezentowanego stabilizatora jest dobra sprawność, więc doskonale sprawdzi się w sytuacjach, w których napięcie wyjściowe musi być dużo niższe od wejściowego. Tam zwykły stabilizator liniowy zwyczajnie by się przegrzał.

Inną nietypową możliwością jest praca z wypełnieniem 100%, czyli ze zwartym kluczem w strukturze układu scalonego. Tranzystor kluczujący może być stale otwarty, bez cyklu wyłączenia. Dzięki temu uzyskanie zadanego napięcia wyjściowego np. 12 V będzie możliwe przy zasilaniu już 12 V (pomijając niewielki spadek napięcia, który przy prądzie wyjściowym 1 A wynosi zaledwie 0,3 V).

Przetwornica może być zasilana napięciem 5…35 V. Przy napięciu wejściowym rzędu 15 V lub więcej, napiecie wyjściowe może być regulowane w zakresie 1,2…14,4 V. Prąd obciążenia może krótkotrwale sięgać do 1,5 A, ale jego wartość ciągła to 1 A. Sprawność dochodzi do 90%. Układ ma wbudowane zabezpieczenie termiczne, które zabezpiecza go przed przegrzaniem.

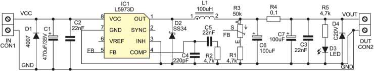
Rysunek 1. Schemat ideowy zasilacza z L5973D

Sercem przetwornicy (rysunek 1) jest scalony stabilizator impulsowy L5973D. Dioda D1 zabezpiecza układ przed odwrotną polaryzacją napięcia zasilającego. Została włączona równolegle do zacisków napięcia wejściowego, aby nie wprowadzać dodatkowego spadku napięcia. Przy odwrotnym włączeniu powoduje zwarcie i nie dopuszcza do wzrostu napięcia, chroniąc w ten sposób pozostałe elementy, jednak w takim wypadku sama może ulec uszkodzeniu. Kondensatory C1 i C2 filtrują zasilanie, rezystor R2 oraz kondensatory C4 i C5 są niezbędne do poprawnej pracy układu. Dławik L1, dioda D2 i klucz w strukturze układu scalonego tworzą typową przetwornicę buck. Rezystory R1 i R3 tworzą dzielnik ustalający napięcie wyjściowe. Dla podanych wartości zakres regulacji wynosi 1,2...14,4 V. Gdyby okazał się za mały, można zmniejszyć wartość R1 np. do 2,2 kΩ i osiągnąć regulację w zakresie prawie do 30 V. Uwaga – należy wtedy zastosować kondensatory C6 i C7 o wyższym napięciu przebicia. Rezystor R4 i kondensatory C3, C6, C7 tworzą filtr wyjściowy. Dioda D3 zasilana za pomocą R5 sygnalizuje występowanie napięcia wyjściowego. Dioda Zenera D4 jest opcjonalnym elementem zabezpieczającym. W wypadku uszkodzenia układu scalonego napięcie zasilające może pojawić się na wyjściu, wtedy dioda Zenera ograniczy to napięcie, spowoduje przepływ dużego prądu przez R4 i w efekcie jego uszkodzenie – przerwanie obwodu. Wartość napięcia dla D4 należy dobrać o kilka woltów wyższą od wymaganego napięcia wyjściowego.

Rysunek 2. Schemat montażowy zasilacza z L5973D

Układ został wykonany w większości z elementów SMD, ale montaż (rysunek 2) nie powinien sprawić problemów. Komponenty są obudowach 1206, a przy tym luźno rozmieszczone na płytce. Należy zwrócić uwagę na nietypowe, poziome ułożenie kondensatora C1. Po zmontowaniu, przy pierwszym uruchomieniu, należy tylko ustawić za pomocą potencjometru R3 wymagane napięcie wyjściowe.

KS

Wykaz elementów:
Rezystory:
  • R1, R2, R5: 4,7 kΩ (SMD 1206)
  • R3: 50 kΩ (potencjometr)
  • R4: 0,1 Ω (SMD 1206)
Kondensatory:
  • C1: 470 μF/35 V
  • C2, C3, C5: 22 nF (SMD 1206)
  • C4: 220 pF (SMD 1206)
  • C6, C7: 100 μF/16 V (SMD „D”)
Półprzewodniki:
  • D1: 1N4007 (SMD)
  • D2: SS34 (SMD)
  • D3: dioda LED SMD
  • D4: dioda Zenera np. 20 V
  • IC1: L5973D (HSOP-8)
Pozostałe:
  • L1: 100 μH, co najmniej 1 A
  • CON1, CON2: DG381-2
Elektronika Praktyczna Plus lipiec - grudzień 2012

Elektronika Praktyczna Plus

Monograficzne wydania specjalne

Elektronik styczeń 2026

Elektronik

Magazyn elektroniki profesjonalnej

Raspberry Pi 2015

Raspberry Pi

Wykorzystaj wszystkie możliwości wyjątkowego minikomputera

Świat Radio styczeń - luty 2026

Świat Radio

Magazyn krótkofalowców i amatorów CB

Automatyka, Podzespoły, Aplikacje listopad - grudzień 2025

Automatyka, Podzespoły, Aplikacje

Technika i rynek systemów automatyki

Elektronika Praktyczna grudzień 2025

Elektronika Praktyczna

Międzynarodowy magazyn elektroników konstruktorów

Elektronika dla Wszystkich styczeń 2026

Elektronika dla Wszystkich

Interesująca elektronika dla pasjonatów