Ładowarka akumulatorków NiCd i NiMH

Ładowarka akumulatorków NiCd i NiMH
Pobierz PDF Download icon

Dostępne w handlu tanie ładowarki nie kontrolują parametrów ładowanych ogniw, a jedynie wymuszają przepływ stałego prądu. Użytkownik powinien samodzielnie pamiętać o odłączeniu jej od zasilania na czas, lecz często zdarza się o tym zapomnieć. Natomiast ładowarki procesorowe są drogie. Przedstawiony projekt stanowi kompromis pomiędzy tymi dwoma rozwiązaniami.

Schemat ładowarki widnieje na rysunku 1. Składa się z dwóch identycznych bloków, po jednym dla każdego ładowanego ogniwa, zatem zostanie omówiony tylko jeden.

Rysunek 1. Schemat ideowy ładowarki NiMH i NiCd

Komparator US1A porównuje napięcie na podłączonym ogniwie z wzorcem. Szerokość pętli histerezy ustalono tak, że komparator załącza ładowanie, gdy napięcie jest niższe niż 1,35 V, a odłącza, gdy przekroczy 1,45 V. Najbardziej obiektywną informacją o stanie naładowania jest badanie pochodnej napięcia na ogniwie po czasie, lecz wymagałoby to zastosowania mikrokontrolera z przetwornikiem A/C o dużej rozdzielczości. Odłączanie ładowania po osiągnięciu odpowiedniego napięcia na pewno nie uszkodzi akumulatorów. Służy do tego tranzystor T1 typu PNP. Prąd ładowania jest ustalony za pomocą rezystorów, a nie źródła prądowego. Nominalnie wynosi on około 100 mA (maleje wraz ze wzrostem napięcia na akumulatorku), a dołączenie równolegle drugiego rezystora spowoduje wzrost do ok. 200 mA. Świecenie diody LED2 sygnalizuje proces ładowania. Gdy dioda LED zgaśnie, ogniwo jest naładowane. Rezystor R6 jest obciążeniem dla tranzystora znajdującego się na wyjściu US1A oraz wstępnie polaryzuje tranzystor T1.

Rola kondensatora C3 jest następująca: załóżmy, że chcemy naładować tylko jedno ogniwo lub już ładowane w jakiś sposób utraciło kontakt elektryczny ze stykami. Wówczas pętla dodatniego sprzężenia zwrotnego, którą objęty jest komparator, spowoduje wzbudzenie się układu na bliżej nieznanej częstotliwości. Dodanie tego kondensatora powoduje, że będzie on doładowywany bardzo krótkimi impulsami w dużych odstępach czasowych.

Jako źródło napięcia referencyjnego służą dwie połączone szeregowo diody 1N4007. Spadek napięcia w kierunku przewodzenia, przy prądzie 15 mA, wynosi 700 mV na jednej. Ponadto, cechują się sporo mniejszą, w porównaniu z diodami w szklanych obudowach DO-35, wrażliwością na temperaturę. A to z racji stosunkowo grubej warstwy tworzywa sztucznego otaczającego strukturę krzemową.

Na rysunku 2 przedstawiono schematyczne przebiegi: napięcia na ogniwie i prądu ładowania w funkcji czasu. Należy zwrócić uwagę na fakt, iż, po zakończeniu ładowania, akumulatorek ulega powolnemu, samoczynnemu rozładowaniu – na skutek wewnętrznych reakcji chemicznych oraz przepływu niewielkiego prądu polaryzującego wejście komparatora. Po dostatecznie długim czasie, ładowanie zostanie powtórnie załączone. W przypadku mocno rozładowanych i zniszczonych ogniw, może się to wręcz objawiać cyklicznym załączaniem i odłączaniem ładowania w odstępach kilkusekundowych.

Rysunek 2. Poglądowe przebiegi czasowe: prądu ładowania i napięcia na stykach akumulatora

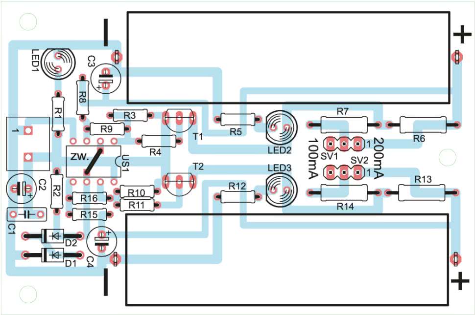
Układ zmontowano na jednostronnej płytce drukowanej o wymiarach 60 mm×88 mm, której schemat montażowy pokazano na rysunku 3.

Rysunek 3. Schemat montażowy ładowarki NiMH i NiCd

Montaż wymaga komentarza: diody D1 i D2 należy wlutować pozostawiając stosunkowo długie wyprowadzenia (kilka milimetrów nad płytką) oraz przytrzymując je szczypcami podczas lutowania dla odprowadzenia ciepła. Pod układem scalonym US1powinna znaleźć się niewielka zworka z drutu. Na samym końcu montowane są koszyki baterii. W układzie modelowym użyto dwóch na ogniwa AA i przyklejono je klejem na gorąco, lecz nic nie stoi na przeszkodzie, by zamontować inne, stosownie do potrzeb. Również prąd ładowania można ustalić na inny, wyliczając rezystory zgodnie z prawem Ohma. Ładowarka powinna być zasilana stabilizowanym napięciem +5 V. W układzie modelowym wykorzystano w tym celu złącze USB, co pozwala na zasilanie ładowarki z komputera, laptopa lub ładowarki sieciowej do telefonów komórkowych. Pobierany prąd jest o ok. 30 mA większy niż ustawiony prąd ładowania.

Michał Kurzela, EP

Wykaz elementów:
Rezystory:
  • R1, R5, R12: 330 Ω
  • R2: 240 Ω
  • R3, R10: 4,7 kΩ
  • R4, R8, R11, R15: 1 kΩ
  • R6, R7, R13, R14: 33 Ω/1 W
Kondensatory:
  • C1: 100 nF (foliowy, 5 mm)
  • C2…C4: 100 μF/16 V (elektrolityczny)
Półprzewodniki:
  • D1, D2: 1N4007
  • LED1: czerwona, 5 mm
  • LED2, LED3: zielona, 5 mm
  • T1, T2: BC337
  • US1: LM393
Pozostałe:
  • J1: ARK2 5 mm
  • SV1, SV2: goldpin 1×3 pin, raster 2,54 mm + zworka
  • 2× koszyki na ogniwa AA (opis w tekście)
  • podstawka DIP-8
Artykuł ukazał się w
Elektronika Praktyczna
sierpień 2013
DO POBRANIA
Pobierz PDF Download icon
Materiały dodatkowe
Elektronika Praktyczna Plus lipiec - grudzień 2012

Elektronika Praktyczna Plus

Monograficzne wydania specjalne

Elektronik listopad 2025

Elektronik

Magazyn elektroniki profesjonalnej

Raspberry Pi 2015

Raspberry Pi

Wykorzystaj wszystkie możliwości wyjątkowego minikomputera

Świat Radio listopad - grudzień 2025

Świat Radio

Magazyn krótkofalowców i amatorów CB

Automatyka, Podzespoły, Aplikacje listopad - grudzień 2025

Automatyka, Podzespoły, Aplikacje

Technika i rynek systemów automatyki

Elektronika Praktyczna listopad 2025

Elektronika Praktyczna

Międzynarodowy magazyn elektroników konstruktorów

Elektronika dla Wszystkich grudzień 2025

Elektronika dla Wszystkich

Interesująca elektronika dla pasjonatów