LCD Booster Pack dla Launchpada

LCD Booster Pack dla Launchpada
Pobierz PDF Download icon

Prezentowany Booster Pack umożliwia rozszerzenie funkcjonalności LaunchPada MSP430G2 o wyświetlacz graficzny, zgodny z Nokia 5110 lub wyświetlacz znakowy zgodny z HD44780 (3 V) oraz 3-przyciskową klawiaturę analogową. Nietypową cechą nakładki jest możliwość pracy samodzielnej, niezależnej od Launchpada.

Schemat nakładki pokazano na rysunku 1. Wyprowadzenie nakładki przyporządkowane są zgodnie z definicjami obsługiwanych urządzeń umożliwiając łatwe użycie bibliotek Energii. Nakładka może być zasilana bezpośrednio z Launchpada poprzez złącza MSPJ1 i MSPJ2 lub napięciem 3 V, poprzez złącze BAT z zestawu baterii 2×LR6. Kondensatory CE1 i CE3 filtrują zasilanie, dioda D1 zabezpiecza przed odwrotnym dołączeniem baterii.

Rysunek 1. Schemat modułu LCD Booster Pack

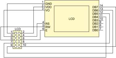
Podstawowym wyświetlaczem, który może być używany z modułem jest wyświetlacz znakowy, zgodny z HD44780. Do dołączenia wyświetlacza służy złącze LCD, potencjometr RV umożliwia ustawienie kontrastu. Niestety, ze względu na niedostępność wyświetlaczy sterowanych napięcie 3 V mieszczących się na płytce, konieczne jest wykonanie taśmy połączeniowej pomiędzy złączem LCD, a modułem wyświetlacza. Schemat połączeń pokazano na rysunku 2. Wyświetlacz jest obsługiwany przez bibliotekę LiquidCrystal.h.

Rysunek 2. Schemat dołączenia wyświetlacza zgodnego z HD44780

Jeżeli nie korzystamy z wyświetlacza HD, jest możliwe użycie potencjometru RV jako nastawnika analogowego dołączonego do portu P15 (A5). W tym celu jest konieczne założenie zwory na wyprowadzenie wyprowadzenia 3-4 złącza P15.

Drugim typem obsługiwanego wyświetlacza jest wyświetlacz graficzny zgodny z Nokia 5110, ze sterownikiem PCF8544. Jest to popularny moduł dostępny na aukcjach internetowych. Moduł składa się z wyświetlacza oraz elementów podświetlenia, a wszystkie sygnały sterujące dostępne są na typowym złączu SIL. Niestety, aby nie było zbyt łatwo, moduły dostępne są z różnym przypisaniem funkcji wyprowadzeń. Różnice pokazano na fotografii 3. Aby możliwe było wykorzystanie obu wersji, płytka ma powielone złącze wyświetlacza.

Fotografia 3. Różnice wyprowadzeń modułu LCD5110

Jeżeli używamy modułu z wyprowadzeniami z lewej strony, wlutowujemy złącze SIL u dołu ekranu, jeżeli z prawej, wlutowujemy złącze ponad ekranem. Moduł jest obsługiwany przez bibliotekę LCD_5110.h. W wypadku wyświetlacza z lewej strony, jest zmieniona polaryzacja podświetlenia, należy o tym pamiętać przy programowaniu.

Klawiaturę wykonano jako analogową, czyli sterowany przyciskami SW1…SW3 rezystorowy dzielnik napięcia (R1, R2, R3). Do odczytu wartości napięcia używany port P14 (A4), aby umożliwić odczyt jest konieczne założenie zwory na wyprowadzenia 3-4 złącza P14. Jeżeli nie korzystamy z klawiatury, zwora może być zdjęta. Można wtedy korzystać z wejścia analogowego dla innych celów. Niewykorzystane wyprowadzenia Launchpada wyprowadzone są na złącza zgodne z Arduino Sensor. Do dyspozycji jest port analogowy P13(A3), cyfrowy P25 (13), magistrala I²C oraz interfejs szeregowy UART z możliwością zmiany sygnałów RX na TX i TX na RX za pomocą zworek CF (różnice wynikają z realizacji programowej/sprzętowej UART w procesorach G2).

Jak wspominałem, płytka może pracować samodzielnie. W tym celu umieszczono na niej gniazdo DIP20 (U1). Dla poprawnej pracy konieczne jest uzupełnienie układu o obwód RESET C2/R4/RES oraz o opcjonalny generator zegarowy złożony z kondensatorów C4 i C5 oraz rezonatora XT1. Polecam w tym wypadku montaż żeńskich złącz MSPJ1 i MSPJ2. Wtedy po włożeniu procesora do płytki LCD jest możliwe użycie Launchpada tylko w roli programatora. Po zaprogramowaniu można płytkę wyjąć i używać samodzielnie, oczywiście po zapewnieniu zasilania.

Rysunek 4. Rozmieszczenie elementów LCD Booster Pack

LCD BoosterPack zmontowany jest na dwustronnej płytce drukowanej, rozmieszczenie elementów przedstawiono na rysunku 4. Sposób montażu jest typowy i nie wymaga opisu. Złącza, procesor i elementy opcjonalne montowane są w zależności od posiadanego LCD i sposobu użycia płytki. W modelu wlutowano oba złącza pod wyświetlacz LCD5110 z opisanym wcześniej sposobem rozróżnienia typów, poprzez lutowanie złącza po „odpowiedniej” stronie ekranu.

Adam Tatuś, EP

Wykaz elementów:
Rezystory:
  • R1…R4: 47 kΩ (SMD 0805)
  • R5: 100 Ω (SMD 0805)
  • RV: 22 kΩ (potencjometr montażowy)
Kondensatory:
  • C1, C3: 0,1 μF (SMD 0805)
  • C2: 1 nF (SMD 0805)
  • C4, C5: 12 pF (SMD 0805, opcjonalnie)
  • CE1: 22 μF/6 V (SMB)
Półprzewodniki:
  • DS3: S1J (dioda uniwersalna SMD)
  • MSP430G2553 (DIP20, opcjonalny)
Pozostałe:
  • BAT: złącze ARK/5 mm
  • CF: listwa SIL 2×2×2,54
  • LCD: złącze IDC2×5 proste
  • LCD1: wyświetlacz LCD Nokia 5110
  • MSPJ1, MSPJ2: listwa żeńska SIL10×2,54
  • P13, P25: listwa SIL 3×2,54
  • P14, P15, I²C: listwa SIL 4×2,54
  • SW1…SW3, RES: mikroprzełącznik 6×3 mm
  • UART: złącze EH4, kątowe
  • XT: 16 MHz (opcjonalny rezonator kwarcowy)
Artykuł ukazał się w
Elektronika Praktyczna
sierpień 2013
DO POBRANIA
Pobierz PDF Download icon
Materiały dodatkowe
Elektronika Praktyczna Plus lipiec - grudzień 2012

Elektronika Praktyczna Plus

Monograficzne wydania specjalne

Elektronik listopad 2025

Elektronik

Magazyn elektroniki profesjonalnej

Raspberry Pi 2015

Raspberry Pi

Wykorzystaj wszystkie możliwości wyjątkowego minikomputera

Świat Radio listopad - grudzień 2025

Świat Radio

Magazyn krótkofalowców i amatorów CB

Automatyka, Podzespoły, Aplikacje listopad - grudzień 2025

Automatyka, Podzespoły, Aplikacje

Technika i rynek systemów automatyki

Elektronika Praktyczna listopad 2025

Elektronika Praktyczna

Międzynarodowy magazyn elektroników konstruktorów

Elektronika dla Wszystkich grudzień 2025

Elektronika dla Wszystkich

Interesująca elektronika dla pasjonatów