Zbliżeniowy włącznik oświetlenia

Zbliżeniowy włącznik oświetlenia
Pobierz PDF Download icon

Podstawową funkcją pełnioną przez urządzenie jest włącznik zbliżeniowy, ale dodatkowo ma ono kilka funkcji czasowych i wyjście sygnału PWM. Całość tworzy mini system sterujący oświetleniem.

Sposób działania włącznika zilustrowano na rysunku 1. Charakteryzuje się ona następującymi parametrami funkcjonalnymi:

  • Zasilanie 7...18 V DC, pobór prądu samego układu to ok 10 mA.
  • Obciążalność wyjścia do 3 A.
  • Współpracuje z oświetleniem żarówkowym i diodowym 12VDC umożliwiając płynne załączanie i gaszenie światła.
  • Zasięg działania czujnika zbliżeniowego wynosi ok. 4 cm dla pola 5 cm×5 cm, działa przez szkło, drewno, plastik (ma regulowaną czułość).
  • Automatyczne wyłączenie po czasie 5 s...15 min.
  • Dodatkowe wejście sterujące – np. za pomocą styku, przycisku, napięcia.
Rysunek 1. Sposób działania zbliżeniowego włącznika oświetlenia

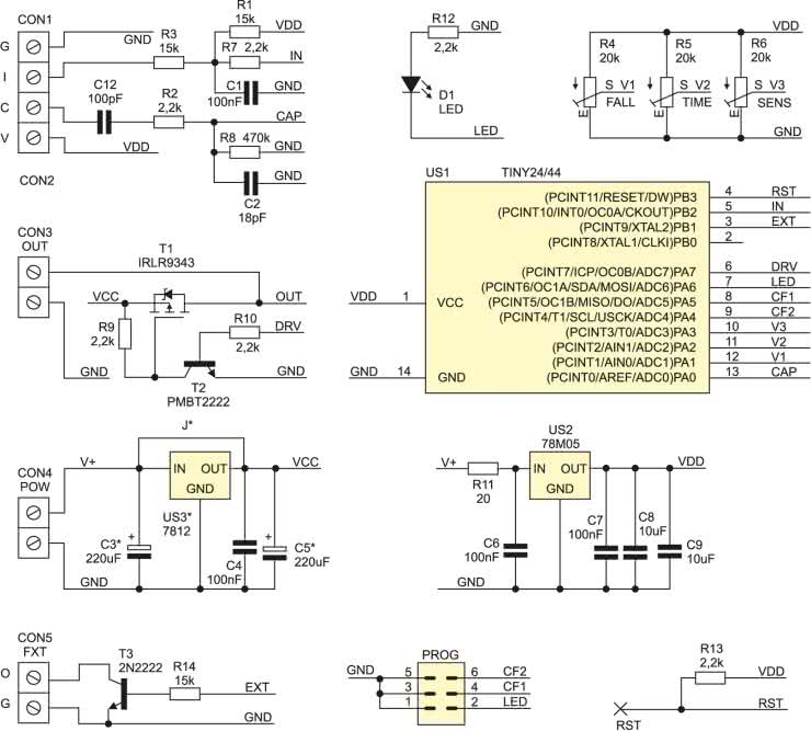
Schemat wyłącznika zamieszczono na rysunku 2. Funkcje stabilizatora US3* i zworki J* wyjaśniono w dalszej części opisu. Obwód czujnika zbliżeniowego tworzą rezystory R7 i R8 oraz kondensatory C2 i C12. Działanie polega na pośrednim pomiarze zmian pojemności poprzez pomiar zmian czasu. W pierwszym cyklu, wyprowadzenie mikrokontrolera CAP jest ustawiane i występuje na nim napięcie ok. 5 V. Następnie wyprowadzenie przechodzi w stan wysokiej impedancji, a za pomocą 16-bitowego timera jest mierzony czas rozładowania do napięcia ok. 0,5 V. W normalnym cyklu czas ten określa głównie stała czasowa obwodu R8-C2. Gdy do wyprowadzenia C zbliżona zostanie np. ręka, to zwiększy się pojemność, a tym samym – stała czasowa.

Rysunek 2. Schemat ideowy zbliżeniowego włącznika oświetlenia

Na złączach CON1...CON3 opisane są następujące punkty:

  • „C” – wejście czujnika zbliżeniowego. Służy do dołączenia pola dotykowego. Musi to być powierzchnia z materiału przewodzącego, ale może być pokryta warstwą izolacyjną. Pole powinno być połączone możliwie krótkim przewodem, o długości nieprzekraczającej kilkunastu cm. Nie może być umieszczone obok innych przewodów czy pól.
  • „I” –dodatkowe wejście sterujące. Można do niego dołączyć przycisk lub doprowadzić sygnał z czujnika. Pojawienie się impulsu na tym wejściu powoduje taką samą reakcję układu, jak impuls z czujnika zbliżeniowego.
  • „O” –wyjście typu OC. Aktywne w czasie załączenia oświetlenia, nieaktywne w czasie wygaszania i wyłączenia. Może być wykorzystane w dowolny sposób np. do sterowania oświetleniem innego rodzaju.
  • „V” –wyjście napięcia 5 V.
  • „G” – masa zasilania.

Schemat montażowy włącznika pokazano na rysunku 3. Złącze CON4 to wejście zasilania, CON3 to wyjście sterujące. Włącznik jest przystosowany do zasilania napięciem +12 V DC. Jeśli mamy do dyspozycji tylko źródło niestabilizowane, to możemy zamontować opcjonalne kondensatory C3* i C5* oraz stabilizator US3*. Układ 7812 – zależnie od obciążenia – może wymagać radiatora.

Rysunek 3. Schemat montażowy zbliżeniowego włącznika oświetlenia

Szpilki opisane LED (złącze PROG) służą do dołączenia zewnętrznej diody LED, którą można umieścić w pobliżu pola zbliżeniowego – cykliczne krótkie mignięcie będzie wskazywało właściwe miejsce. Szpilki opisane H/L pozwalają określić czy wejście sterujące „I” ma reagować na zbocze rosnące czy opadające (pojawienie się napięcia czy zwarcie do masy). Musimy pamiętać, że wejście jest podciągnięte rezystorem do plusa. Szpilki opisane „N/R” służą do określenia reakcji układu na impuls z czujnika zbliżeniowego lub wejścia sterującego „I”, gdy oświetlenie jest załączone. Brak jumpera oznacza funkcję NEXT – jeśli oświetlenie jest załączone, to przechodzi do wygaszania. Jumper założony oznacza funkcję REPEAT – funkcja zeruje i ponownie odmierza czas załączenia; jest to przydatne, gdy chcemy przerwać wygaszanie.

Potencjometrem R6 (SENS) ustawiamy czułość włącznika zbliżeniowego. Większa czułość podwyższa nie tylko zasięg zadziałania, ale także podatność na zakłócenia. Ustawienie zbyt wysokiej czułości może powodować samoczynne, przypadkowe zadziałania układu. Zjawisko będzie miało miejsce zwłaszcza przy znacznych rozmiarach pola dotykowego.

Potencjometrem R5 (TIME) ustawiamy czas trwania załączenia oświetlenia (ok. 5 s…15 min), natomiast potencjometr R4 (FALL) służy do ustawienia czasu trwania wygaszania w zakresie od kilku sekund do ok. 1 min.

AS

Wykaz elementów:
Rezystory:
  • R1, R3, R14: 15 kΩ (SMD 0805)
  • R2, R7, R9, R10, R12, R13: 2,2 kΩ (SMD 0805)
  • R8: 470 kΩ (SMD 0805)
  • R11: 10 Ω (SMD 0805)
  • R4…R6: 5...50 kΩ potencjometr pionowy
Kondensatory:
  • C3, C5: 220 µF/25 V (opcjonalnie)
  • C1, C4, C6, C7: 100 nF (SMD 0805)
  • C8, C9: 10 µF (SMD 0805)
  • C2: 15...20 pF (SMD 0805)
  • C12: 100 pF (SMD 0805)
Półprzewodniki:
  • T1: IRLR9343
  • T2, T3: PMBT2222 (SOT-23)
  • US1: ATtiny24 (SO14)
  • US2: 78M05 (DPACK)
  • US3*: np. 7812 (opcjonalnie) lub zwora J*
  • D1: LED 3 mm
Pozostałe:
  • CON1...CON5: DG380/3
  • PROG, RST: goldpin + jumpery
ZOBACZ WIDEO DO TEGO PROJEKTU
AVT1740 - ZBLIŻENIOWY WŁĄCZNIK OŚWIETLENIA
Play btn
AVT1740 - ZBLIŻENIOWY WŁĄCZNIK OŚWIETLENIA
Artykuł ukazał się w
Elektronika Praktyczna
maj 2013
DO POBRANIA
Pobierz PDF Download icon
Materiały dodatkowe
Elektronika Praktyczna Plus lipiec - grudzień 2012

Elektronika Praktyczna Plus

Monograficzne wydania specjalne

Elektronik listopad 2025

Elektronik

Magazyn elektroniki profesjonalnej

Raspberry Pi 2015

Raspberry Pi

Wykorzystaj wszystkie możliwości wyjątkowego minikomputera

Świat Radio listopad - grudzień 2025

Świat Radio

Magazyn krótkofalowców i amatorów CB

Automatyka, Podzespoły, Aplikacje listopad - grudzień 2025

Automatyka, Podzespoły, Aplikacje

Technika i rynek systemów automatyki

Elektronika Praktyczna listopad 2025

Elektronika Praktyczna

Międzynarodowy magazyn elektroników konstruktorów

Elektronika dla Wszystkich grudzień 2025

Elektronika dla Wszystkich

Interesująca elektronika dla pasjonatów