Dwupunktowy termometr binarny

Dwupunktowy termometr binarny
Pobierz PDF Download icon

Prezentowany układ pozwala na niezależny pomiar dwóch temperatur: jednej z zakresu +1°C ... +63°C i drugiej z zakresu –63°C ... +63°C, przez co doskonale nadaje się do pomiaru temperatury wewnątrz i na zewnątrz mieszkania. Wynik jest prezentowany jest w postaci rzędu kolorowych diod LED, zgodnie z naturalnym kodem binarnym. Dzięki temu stanowi bardzo efektowny gadżet i może być niemałą zagadką dla gości nieznających tego systemu liczbowego.

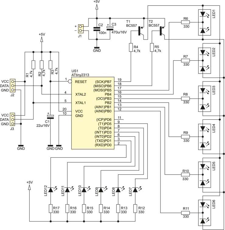
Schemat ideowy termometru pokazano na rysunku 1. „Sercem” urządzenia jest mikrokontroler ATtiny2313. Do wyprowadzeń 4 i 5 dołączone są czujniki temperatury typu DS18B20. Czujniki zasilane będą w trybie 2-Wire, czyli z dołączonego na stałe napięcia zasilającego.

Rysunek 1. Schemat ideowy termometru binarnego

Takie rozwiązanie skraca czas odczytu (przede wszystkim konwersji) wartości temperatury i pozwala na stosowanie długich przewodów połączeniowych do czujnika. Rezystory R1 i R2 podciągają linię danych do dodatniego bieguna zasilania, co wynika ze wymagań standardu 1-Wire.

Diody LED1-LED6 to dwukolorowe diody LED ze wspólną katodą. Katody, poprzez rezystory R6…R11 dołączone są do wyprowadzeń portu B mikrokontrolera US1. Anody odpowiednich kolorów połączone są razem i sterowane przez tranzystory PNP – T1 i T2. Rezystory R4 i R5 ograniczają prądy płynące przez ich bazy. Diody jednokolorowe LED7…LED12, poprzez rezystory R12-R17 dołączone są do wyprowadzeń portu D. Wyzerowanie odpowiedniego wyprowadzenia powoduje świecenie się diody.

Zastosowanie dwukolorowych diod LED1-LED6 do odczytu temperatury z przedziału –63°C ... +63°C pozwala na zakodowanie znaku tej liczby poprzez kolor. Niesie to dwojakie uproszczenie: bardzo szybko umożliwia odróżnienie temperatury ujemnej od dodatniej oraz pozwala na uproszczenie jej odczytu.

Program napisany w języku BASCOM i z powodzeniem mieści się w pamięci mikrokontrolera.

Termometr został zmontowany na jednostronnej płytce drukowanej o wymiarach 10 mm×70 mm, której schemat montażowy zamieszczono na rysunku 2.

Rysunek 2. Schemat montażowy termometru binarnego

Montaż jest przeprowadzany typowo – od elementów najniższych do najwyższych. Pod mikrokontroler warto zastosować podstawkę. Na samym końcu montowane są diody świecące. Można je przylutować zarówno od strony opisów, jak też od strony druku, by pozostałe elementy nie przeszkadzały w wystawieniu ich na zewnątrz obudowy. Rozmieszczenie wyprowadzeń dwukolorowych diod LED i czujników DS18B20 pokazano na rysunku 3. W układzie modelowym zastosowano czerwono – niebieskie diody dwukolorowe i żółte jednokolorowe, wszystkie o średnicy 5 mm.

Rysunek 3. Wyprowadzenia diody LED i czujnika DS18B20

Domyślnie zastosowano rezystory podciągające R1 i R2 o wartości 4,7 kΩ. Przy odsunięciu któregokolwiek z czujników na odległość większą niż 5 m, jest zalecane zmniejszenie wartości rezystancji odpowiadającego mu opornika do 3,3 kΩ lub nawet 2,2 kΩ. Podstawowym objawem zbyt dużej rezystancji są przekłamane wartości temperatury lub wręcz ich brak. Połączenie między czujnikiem a układem warto wykonać przewodem ekranowanym.

Układ winien być zasilany napięciem stabilizowanym +5 V. Nie wymaga uruchamiania i poprawnie zmontowany zaczyna działać natychmiast po włączeniu zasilania. Bit po lewej stronie jest najbardziej znaczący, po prawej – najmniej. Przykładowe wskazanie temperatury pokazano na rysunku 4.

Rysunek 4. Przykładowy wynik pomiaru temperatury
Rysunek 5. Rysunek ułatwiający wykonanie otworów w płycie czołowej obudowy

W prawidłowym nawierceniu otworów na diody w płycie czołowej obudowy pomoże rysunek 5. Wszystkie wymiary podane są w milimetrach.

Michał Kurzela, EP

Wykaz elementów:
Rezystory:
  • R1…R5: 4,7 kΩ
  • R6…R17: 330 Ω
Kondensatory:
  • C1: 22 μF/16 V
  • C2: 100 nF
  • C3: 470 μF/16 V
Półprzewodniki:
  • T1, T2: BC557
  • US1: ATtiny2313
  • LED1…LED6: dwukolorowe 5 mm, wspólna katoda
  • LED7…LED12: żółte 5 mm
  • 2 szt. DS18B20 w obudowie TO-92
Pozostałe:
  • J1 ARK2 3,5 mm
  • J2, J3 goldpin 3pin + wtyki żeńskie
  • podstawka DIP-20
Artykuł ukazał się w
Elektronika Praktyczna
sierpień 2012
DO POBRANIA
Pobierz PDF Download icon
Materiały dodatkowe
Elektronika Praktyczna Plus lipiec - grudzień 2012

Elektronika Praktyczna Plus

Monograficzne wydania specjalne

Elektronik listopad 2025

Elektronik

Magazyn elektroniki profesjonalnej

Raspberry Pi 2015

Raspberry Pi

Wykorzystaj wszystkie możliwości wyjątkowego minikomputera

Świat Radio listopad - grudzień 2025

Świat Radio

Magazyn krótkofalowców i amatorów CB

Automatyka, Podzespoły, Aplikacje listopad - grudzień 2025

Automatyka, Podzespoły, Aplikacje

Technika i rynek systemów automatyki

Elektronika Praktyczna listopad 2025

Elektronika Praktyczna

Międzynarodowy magazyn elektroników konstruktorów

Elektronika dla Wszystkich grudzień 2025

Elektronika dla Wszystkich

Interesująca elektronika dla pasjonatów