Automatyczny wyłącznik czasowy

Automatyczny wyłącznik czasowy
Pobierz PDF Download icon

To nieskomplikowane urządzenie automatycznie odłącza zasilanie po upływie ustalonego odcinka czasu, np. może w ten sposób ochronić akumulator przed przeładowaniem. Szczególnie rekomendowane zapominalskim.

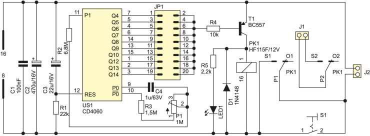
Schemat ideowy wyłącznika czasowego pokazano na rysunku 1. Wykonano go z użyciem taniego układu scalonego CD4060. Zawiera on w swojej strukturze gotowy oscylator oraz dzielniki częstotliwości sygnału z wewnętrznego generatora. Potencjometr P1, rezystory R2 i R3 oraz kondensator C4 ustalają okres generowanych sygnałów. Wyraża się on wzorem: T=2,2×C4×(P1+R3). Dla wartości elementów ze schematu i potencjometru P1 ustawionego w połowie, uzyskujemy następujące, przybliżone czasy trwania sygnałów na poszczególnych wyjściach US1 (od Q1…Q14): 35 s; 70 s; 140 s; 4,5 min; 9 min; 19 min; 38 min; 2,5 godz.; 5 godz.; 10 godz. Wyboru czas działania dokonuje za pomocą zworki. Zainicjowanie odmierzania czasu następuje po zwarciu styków przycisku S1. Jednocześnie jest wykonywane zerowanie układu US1, aby upewnić się, że odliczanie rozpoczyna się od 0. Dalsze podtrzymanie zasilania odbywa się za pomocą jednej pary zestyków przekaźnika PK1. Jego cewka jest zasilana za pośrednictwem tranzystora T1, który jest w stanie przewodzenia tylko wtedy, gdy na wybranym wyjściu układu panuje poziom niski. Po zakończeniu odliczania i ustawieniu wybranego wyjścia, tranzystor zatyka się, a przekaźnik odłącza zasilanie od układu i od sterowanego urządzenia. Wyłącznik w stanie spoczynku nie pobiera prądu ze źródła zasilania.

Rysunek 1. Schemat ideowy automatycznego wyłącznika czasowego

Działanie jest sygnalizowane świeceniem się diody LED1. Do złącza J1 doprowadza się zasilanie układu, złącze J2 zaś traktuje się jako zwykły wyłącznik i włącza w szereg z odłączanym urządzeniem.

Układ zmontowano na dwustronnej płytce o wymiarach 81 mm×32 mm. Schemat montażowy pokazano na rysunku 2. Montaż jest wykonywany typowo, od elementów najniższych po najwyższe. Pod układ scalony warto zastosować podstawkę. Goldpiny, składające się na złącze JP1, można zwierać zworką, jak w układzie modelowym, lub podłączyć je do dziesięciopozycyjnego przełącznika obrotowego, w którym styk wspólny prowadziłby do rezystora R4.

Rysunek 2. Schemat montażowy automatycznego wyłącznika czasowego

Uruchomienie układu nie nastręcza trudności. Po dołączeniu zasilania (ok. 12 V, niekoniecznie stabilizowane, prąd min. 50 mA) układ jest gotowy do pracy. Jedynie należy dokonać regulacji częstotliwości sygnału oscylatora. Wykonuje się to za pomocą potencjometru P1. Przed rozpoczęciem regulacji należy ustawić jego ślizgacz w połowie.

Następnie, przy użyciu stopera lub zegara z sekundnikiem, należy sprawdzić, czy ustawiony czas (możliwie najdłuższy, by wykluczyć krótkotrwałe wahania) jest zgodny z oczekiwaniami. Jeżeli nie, należy dokonać regulacji i ponownie uruchomić układ. Ustawienie zgodności jednego czasu spowoduje automatyczne ustawienie pozostałych, gdyż dzielniki nie wnoszą praktycznie żadnego opóźnienia. Ponowne załączenie układu jest możliwe po upływie kilkunastu sekund od wyłączenia, gdyż muszą rozładować się wszystkie kondensatory znajdujące się w układzie.

Kluczową rolę dla stabilności odmierzanych czasów gra jakość dielektryka kondensatora C4. Stąd warto zastosować w tym miejscu kondensator poliestrowy, a nie elektrolityczny. Jednak należy pamiętać, że generator ten nie jest stabilizowany kwarcowo i częstotliwość jego pracy – a w efekcie uzyskiwane czas załączeń – zależą od wielu czynników, przede wszystkim temperatury. Nie należy zatem stosować tego urządzenia do precyzyjnego odmierzania czasu. Wartość prądu płynąca przez złącze J2 jest ograniczona przez wydajność prądową styków przekaźnika, szerokość ścieżek i samo złącze śrubowe, więc dla prądów obciążenia przekraczających 2 A, warto zastosować zewnętrzny, odpowiednio dobrany przekaźnik.

Michał Kurzela, EP

Wykaz elementów:
Rezystory: (wszystkie o mocy 0,25 W)
  • R1: 22 kΩ
  • R2: 6,8 MΩ
  • R3: 1,5 MΩ
  • R4: 10 kΩ
  • R5: 2,2 kΩ
  • P1 1 MΩ montażowy leżący
Kondensatory:
  • C1: 100 nF/50 V (ceramiczny)
  • C2: 470 μF/16 V (elektrolityczny)
  • C3: 22 μF/16 V (elektrolityczny)
  • C4: 1 μF/63 V (polipropylenowy)
Półprzewodniki:
  • D1: 1N4148
  • LED1: dowolny LED 5 mm, np. czerwona
  • T1: dowolny PNP małej mocy, np. BC557
  • US1: CD4060
Pozostałe:
  • PK1: przekaźnik z cewką na 12 V, dwuobwodowy, np. HF115F
  • J1, J2: ARK2 (5 mm)
  • Podstawka DIL16
Artykuł ukazał się w
Elektronika Praktyczna
sierpień 2012
DO POBRANIA
Pobierz PDF Download icon
Materiały dodatkowe
Elektronika Praktyczna Plus lipiec - grudzień 2012

Elektronika Praktyczna Plus

Monograficzne wydania specjalne

Elektronik listopad 2025

Elektronik

Magazyn elektroniki profesjonalnej

Raspberry Pi 2015

Raspberry Pi

Wykorzystaj wszystkie możliwości wyjątkowego minikomputera

Świat Radio listopad - grudzień 2025

Świat Radio

Magazyn krótkofalowców i amatorów CB

Automatyka, Podzespoły, Aplikacje listopad - grudzień 2025

Automatyka, Podzespoły, Aplikacje

Technika i rynek systemów automatyki

Elektronika Praktyczna listopad 2025

Elektronika Praktyczna

Międzynarodowy magazyn elektroników konstruktorów

Elektronika dla Wszystkich grudzień 2025

Elektronika dla Wszystkich

Interesująca elektronika dla pasjonatów