Softstart do elektronarzędzi

Softstart do elektronarzędzi
Pobierz PDF Download icon

Urządzenia dołączane do sieci energetycznej, takie jak elektronarzędzia, silniki, transformatory o mocach wyższych od 1 kW i inne, w momencie włączenia zasilania powodują gwałtowny impuls prądowy, który często nawet kilkakrotnie przewyższa prąd znamionowy bezpiecznika. Jedną z możliwości ograniczenia skutków tego niekorzystnego zjawiska jest zastosowanie regulatora napięcia, jednak jest to urządzenie skomplikowane i znacznie droższe niż prezentowany układ.

Mimo nieskomplikowanej konstrukcji należy zwrócić uwagę, że układ jest zasilany z sieci energetycznej i dlatego osoba wykonująca go powinna mieć odpowiednią wiedzę, umiejętności i doświadczenie.

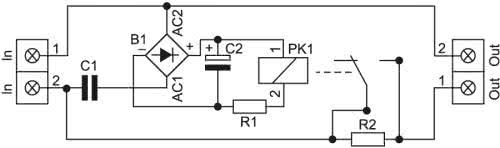
Schemat ideowy ogranicznika prądu pokazano na rysunku 1. Odbiornik, którym może być np. wiertarka elektryczna należy dołączyć do zacisków Out, natomiast sieć zasilającą do zacisków In. Układ należy włączyć za wyłącznikiem sieciowym. W momencie pojawienia się napięcia sieciowego na złączu In prąd płynący do obciążenia jest ograniczany przez rezystor R2 o dużej mocy. Kondensator C2 ładuje się poprzez pojemność C1 i mostek prostowniczy B1. Napięcie na nim po upływie około 1 s osiąga na tyle dużą wartość, że powoduje zadziałanie przekaźnika PK1. Przekaźnik przełącza się i jego styki zwierają rezystor R2. Od tego momentu napięcie sieciowe jest podawane bezpośrednio na obciążenie.

Rysunek 1.

Kondensator C1 ustala wydajność prądową zasilacza beztransformatorowego a kondensator C2 ustala opóźnienie zadziałania przekaźnika. Opóźnienie rzędu jednej sekundy jest wystarczające do zabezpieczenia bezpieczników przed przepaleniem się przy załączaniu transformatora, ponieważ impuls prądowy zazwyczaj nie trwa dłużej niż 10 ms. W wypadku silnika prąd udaru jest uzależniony od obciążenia jego wału napędowego i jeżeli czas wynikający z zastosowanych wartości C1 i C2 jest zbyt krótki, to można spróbować zwiększyć wartość kondensatora C2 lub rezystancję rezystora R2.

Rysunek 2.

Schemat montażowy układu pokazano na rysunku 2. Płytkę zaprojektowano tak, aby rezystor R2 można było zastąpić dwoma rezystorami połączonymi szeregowo, a dzięki temu mającymi o połowę mniejszą rezystancję i moc.

Uwaga: równolegle z przekaźnikiem jest połączony kondensator C2, który podtrzymuje jego działanie jeszcze przez krótki czas po zaniku napięcia sieciowego. Jeżeli w tym czasie pojawi się ono ponownie, układ nie zadziała więc powstać może udar prądowy, który spowoduje zadziałanie lub przepalenie się bezpieczników.

AW

Wykaz elementów:
Rezystory:
  • R1: 470 Ω/5 W
  • R2: 100...300 Ω/10 W (2×50...150 Ω/5 W)
Kondensatory:
  • C1: 470 nF/400 V
  • C2: 1000 μF/35 V
Półprzewodniki:
  • B1: mostek prostowniczy
Pozostałe:
  • PK1: przekaźnik
  • In, Out: Złącza ARK2 5 mm
Artykuł ukazał się w
Październik 2011
DO POBRANIA
Pobierz PDF Download icon
Materiały dodatkowe
Elektronika Praktyczna Plus lipiec - grudzień 2012

Elektronika Praktyczna Plus

Monograficzne wydania specjalne

Elektronik listopad 2025

Elektronik

Magazyn elektroniki profesjonalnej

Raspberry Pi 2015

Raspberry Pi

Wykorzystaj wszystkie możliwości wyjątkowego minikomputera

Świat Radio listopad - grudzień 2025

Świat Radio

Magazyn krótkofalowców i amatorów CB

Automatyka, Podzespoły, Aplikacje listopad - grudzień 2025

Automatyka, Podzespoły, Aplikacje

Technika i rynek systemów automatyki

Elektronika Praktyczna listopad 2025

Elektronika Praktyczna

Międzynarodowy magazyn elektroników konstruktorów

Elektronika dla Wszystkich grudzień 2025

Elektronika dla Wszystkich

Interesująca elektronika dla pasjonatów