Regulator obrotów silnika elektrycznego

Regulator obrotów silnika elektrycznego
Pobierz PDF Download icon

Wysokiej klasy sterownik prędkości obrotowej do jednofazowych silników elektrycznych U2008B (Telefunken) jest doskonałym przykładem specjalizowanego układu scalonego najnowszej generacji.

Podstawowe parametry U2008B:
  • pobór prądu przez układ nieobciążony max. 3 mA,
  • maksymalny prąd obciążenia: 125 mA,
  • napięcie zasilania 14,6…16,8 V.

Ma wbudowany moduł zapewniający miękki start sterowanego silnika, blok kontroli poboru prądu przez obciążenie (detekcja przeciążeń) oraz prosty stabilizator obrotów silnika, który wykrywa zmiany napięcia sieci i odpowiednio do nich zwiększa lub zmniejsza kąt otwarcia triaka, regulując moc dostarczaną do obciążenia. Oprócz tego w strukturze układu zintegrowano stabilizator napięcia zasilającego, precyzyjny komparator oraz źródło napięcia odniesienia. Całość jest zamknięta w obudowie DIL8.

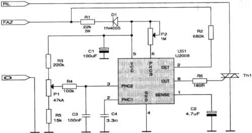
Rysunek 1.

Na rysunku 1 przedstawiono uproszczony schemat blokowy układu U2008B. Podstawowy układ regulacji pokazano na rysunku 2.

Rysunek 2.

Elementy D1 i R1 ograniczają napięcie zasilające do wartości bezpiecznej dla układu scalonego, a także jednopołówkowo prostują to napięcie. Kondensator C1 filtruje napięcie zasilające. Elementy R3, R5 oraz P1 są dzielnikiem napięcia z możliwością jego regulacji, służąc do zadawania wielkości mocy dostarczanej do obciążenia. Dzięki zastosowaniu rezystora R2 bezpośrednio dołączonego do przewodu fazowego, wewnętrzne bloki synchronizacyjne US1 sterują włączaniem triaka w sposób synchroniczny z przebiegiem napięcia zasilającego. Minimalizuje to w znacznym stopniu zakłócenia radioelektryczne, które powstawałyby podczas impulsowego przełączania dużych indukcyjności (a taki właśnie charakter mają uzwojenia silników elektrycznych) przy dużych wartościach napięć zasilających. Nie ma więc potrzeby ekranowania regulatora, można także pominąć filtry sieciowe. Poziom generowanych zakłóceń jest znacznie mniejszy niż podczas korzystania ze standardowego zasilacza impulsowego.

Rysunek 3.

Na wkładce przedstawiono mozaikę ścieżek płytki drukowanej regulatora, a na rysunku 3 rozmieszczenie elementów.

Podczas montażu i uruchomienia należy zwrócić uwagę na zapewnienie warunków bezpiecznej pracy - układ nie jest separowany od sieci elektroenergetycznej, a część elementów jest bezpośrednio dołączona do przewodu fazowego sieci. Uwaga! Występują napięcia niebezpieczne dla życia!

W egzemplarzu modelowym elementem wykonawczym jest triak TICA3112 o maksymalnym prądzie przewodzenia 16 A, co daje możliwość sterowania obciążeniem do ok. 3,2 kW. Jeżeli przewiduje się sterowanie tak dużymi mocami, należy pamiętać o pogrubieniu ścieżek doprowadzających masę oraz prąd obciążenia do triaka lub zamontowanie go poza płytką (najlepiej na radiatorze): miedź, którą pokryta jest płytka, może przewodzić prąd do ok. 2 A. Regulator współpracuje także z wieloma innymi typami triaków (doskonale spisują się elementy firmy TAG); należy jednak unikać podzespołów produkowanych przez Teslę (KT206 itp.), ponieważ kilka z nich uległo uszkodzeniu podczas prób w zalecanym przez Telefunkena układzie aplikacyjnym.

Rysunek 4.

Jak wspomniano wcześniej, układ U2008 ma możliwość stabilizowania prądu płynącego przez silnik. zmniejszając wpływy wahań wartości napięcia zasilającego. Wiąże się to jednak z niewielką modyfikacją układu - w szereg z triakiem należy włączyć rezystor pomiarowy Rp (rysunek 4), na którym jest mierzony spadek napięcia. Wartość tego napięcia powinna wynosić 250 mVAC, dlatego rezystancje należy dobrać w zależności od indywidualnych wymagań.

Rysunek 5.

Na rysunku 5 przedstawiono pełny schemat układu regulacyjnego ze stabilizacją prądu. Należy pamiętać o tym, że wartości niektórych elementów są inne niż na schemacie z rysunku 2.

Na rysunku 5 pokazano najprostszy sposób podłączenia regulatora do zasilania.

PZ

Uwago: płytki drukowane i kity są dostępne w ofercie AVT pod symbolem AVT-1007.

Wykaz elementów:
Rezystory:
  • P1: 47 kΩ/A pot. do druku
  • P2: 1 MΩ pot. miniaturowy
  • R1: 22 kΩ/2 W
  • R2: 680 kΩ/2 W
  • R3: 220 kΩ
  • R4: 100 kΩ
  • R5: 15 kΩ
  • R6: 180 Ω
Kondensatory:
  • C1: 100 μF/25 V
  • C2: 4,7 μF/25 V
  • C3: 100 nF/63 V
  • C4: 3,3 nF/63 V
Półprzewodniki:
  • D1: 1N4005
  • Th1: dowolny 600 V
  • US1: U2008B
Inne:
 
ZOBACZ WIDEO DO TEGO PROJEKTU
AVT1007 - Regulator obrotów silnika elektrycznego
Play btn
AVT1007 - Regulator obrotów silnika elektrycznego
Artykuł ukazał się w
Sierpień 1994
DO POBRANIA
Pobierz PDF Download icon
Elektronika Praktyczna Plus lipiec - grudzień 2012

Elektronika Praktyczna Plus

Monograficzne wydania specjalne

Elektronik listopad 2025

Elektronik

Magazyn elektroniki profesjonalnej

Raspberry Pi 2015

Raspberry Pi

Wykorzystaj wszystkie możliwości wyjątkowego minikomputera

Świat Radio listopad - grudzień 2025

Świat Radio

Magazyn krótkofalowców i amatorów CB

Automatyka, Podzespoły, Aplikacje listopad - grudzień 2025

Automatyka, Podzespoły, Aplikacje

Technika i rynek systemów automatyki

Elektronika Praktyczna listopad 2025

Elektronika Praktyczna

Międzynarodowy magazyn elektroników konstruktorów

Elektronika dla Wszystkich grudzień 2025

Elektronika dla Wszystkich

Interesująca elektronika dla pasjonatów