Symetryczny zasilacz do wzmacniaczy audio i nie tylko

Symetryczny zasilacz do wzmacniaczy audio i nie tylko
Pobierz PDF Download icon

Prezentowany miniprojekt może być uzupełnieniem do publikowanych w ostatnich numerach EP wzmacniaczy audio o mocy od 2 W do 310 W, wymagających odpowiedniego zasilania. 

Wzmacniacze o mocy powyżej kilkudziesięciu watów wymagają zasilacza dostarczającego dwóch napięć symetrycznych. Przy projektowaniu zasilacza szczególną uwagę trzeba zwrócić na kilka bardzo ważnych parametrów. Jednym z nich jest wymagana duża wydajność prądowa, sięgająca w zależności od mocy wzmacniacza nawet do 15...20 A. Przy tak dużych prądach konieczne jest stosowanie bardzo grubych i krótkich przewodów zasilających oraz szerokich ścieżek. Nawet niewielka rezystancja przewodów przy tak dużych prądach może spowodować dość duży spadek napięcia wyjściowego zasilacza.

Napięcie wyjściowe musi być bardzo dobrze wygładzone, co zapewniają kondensatory elektrolityczne C1...C4 na wyjściu mostka prostowniczego B1. Spotykane jest również zasilanie wzmacniaczy napięciami stabilizowanymi, jednak takie rozwiązanie podwyższa koszty urządzenia oraz pogarsza sprawność całego urządzenia. Zaletą takiego rozwiązania jest „wyciśnięcie” z końcówki znacznie więcej mocy, ponieważ nie występuje zjawisko spadku napięcia zasilania przy głośnych partiach muzyki, zyskujemy mniejszy przydźwięk sieci oraz, co najważniejsze, nie ulega zmianie punkt pracy wzmacniacza.

Opis układu

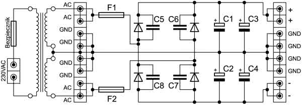
Zasilacz to zwykły prostownik dwupołówkowy. Dwa zmienne, symetryczne napięcia wtórne transformatora o przeciwnych fazach uzyskane z dwóch szeregowo połączonych uzwojeń podane są na złącza AC i GND zasilacza. Trafiają one przez topikowe bezpieczniki na mostek Graetz’a, w którym są prostowane dwupołówkowo i wygładzane przez kondensatory elektrolityczne C1, C3 dla dodatniej linii zasilania i C2, C4 dla ujemnej. Na wyjściu otrzymujemy napięcie dodatnie i ujemne względem masy układu. Jedynym zabezpieczeniem zasilacza przed uszkodzeniem są dwa bezpieczniki zwłoczne, które powinny być dobrane do konkretnej wartości mocy wzmacniacza oraz sumarycznej pojemności kondensatorów C1...C4. Należy zwrócić uwagę na to, że podczas podania zasilania na wejście, kiedy kondensatory są całkowicie rozładowane, płyną duże prądy ładowania, które już w fazie włączenia mogłyby przepalić bezpieczniki.

Zasilacz zaprojektowano z myślą o zastosowaniu we wzmacniaczach audio, ale równie dobrze może się sprawdzić w układach ładowania akumulatorów lub podobnych. Trzeba jednak pamiętać o ewentualnym dobraniu pojemności kondensatorów C1...C4, w niektórych rozwiązaniach są one w ogóle zbędne i niepotrzebnie mogłyby tylko podwyższać koszt urządzenia. Możliwe jest również wykorzystanie zasilacza w wersji z pojedynczym napięciem wyjściowym, trzeba jednak pamiętać, że po dołączeniu obciążenia do wyjść „+” i „–” (pomijając masę układu), wypadkowa pojemność wyjściowa dwóch szeregowo połączonych kondensatorów np. C1 i C2 będzie dwukrotnie mniejsza niż pojemność pojedynczego kondensatora.

Montaż i uruchomienie

Schemat ideowy zasilacza przedstawiono na rys. 1, a schemat montażowy na rys. 2.

Rys. 1. Schemat elektryczny

Montaż układu zaczynamy od wlutowania zwory Z1, najlepiej wykonać ją z przewodu miedzianego o średnicy min. 1,5 mm. Następnie montujemy mostek prostowniczy, złącza pod bezpieczniki topikowe, złącza śrubowe ARK2, a na końcu kondensatory C1...C4. Między wyprowadzenia mostka B1 montujemy cztery kondensatory C5...C8 o wartości 100 nF dla polepszenia warunków pracy diod prostowniczych wchodzących w skład mostka prostowniczego. Wszystkie ścieżki na płytce nie są pokryte soldermaską.

Rys. 2. Schemat montażowy

Jeśli zasilacz ma pracować z prądami większymi niż 5 A, to do ścieżek należy dolutować przewód miedziany o średnicy ok. 1,5...2 mm lub po prostu pocynować je grubszą warstwą cyny. Zabieg ten spowoduje zmniejszenie rezystancji ścieżek. Jeśli zasilacz będzie dostarczał dużych prądów, konieczne jest prawidłowe chłodzenie mostka prostowniczego, należy go więc zaopatrzyć w odpowiedni radiator.

Ważnym elementem zasilacza jest transformator. Najlepiej zastosować transformator toroidalny o mocy i napięciach wtórnych odpowiednich dla danego wzmacniacza. Aby obliczyć wartość skuteczną napięcia wtórnego jednego uzwojenia transformatora, należy założoną wartość napięcia zasilającego wzmacniacz podzielić przez √2.

Należy to zrobić tylko dla jednej linii zasilającej. Prąd wtórny transformatora nie może być mniejszy niż prąd pobierany przez układ zasilany. W tab. 1 przedstawiono wartości elementów C1...C4, F1, F2 oraz typy mostka prostowniczego B1 dla trzech wartości mocy wzmacniacza.

Piotr Witczak

Wykaz elementów:
Rezystory:
Kondensatory:
  • C1...C4: patrz tabelka
  • C5...C8: 100 nF/100 V
Półprzewodniki:
  • B1: mostek prostowniczy – patrz tabelka
Inne:
  • złącze ARK2 5 mm 8 szt.
  • F1, F2: bezpiecznik zwłoczny – patrz tabelka
  • oprawa bezpiecznika – 4 szt. (2 kpl.)
Artykuł ukazał się w
Grudzień 2008
DO POBRANIA
Pobierz PDF Download icon
Materiały dodatkowe
Elektronika Praktyczna Plus lipiec - grudzień 2012

Elektronika Praktyczna Plus

Monograficzne wydania specjalne

Elektronik listopad 2025

Elektronik

Magazyn elektroniki profesjonalnej

Raspberry Pi 2015

Raspberry Pi

Wykorzystaj wszystkie możliwości wyjątkowego minikomputera

Świat Radio listopad - grudzień 2025

Świat Radio

Magazyn krótkofalowców i amatorów CB

Automatyka, Podzespoły, Aplikacje listopad - grudzień 2025

Automatyka, Podzespoły, Aplikacje

Technika i rynek systemów automatyki

Elektronika Praktyczna listopad 2025

Elektronika Praktyczna

Międzynarodowy magazyn elektroników konstruktorów

Elektronika dla Wszystkich grudzień 2025

Elektronika dla Wszystkich

Interesująca elektronika dla pasjonatów