Izolowany konwerter USB-UART z translatorem poziomów

Izolowany konwerter USB-UART z translatorem poziomów

Konwerter USB/UART jest narzędziem powszechnie stosowanym podczas uruchamiania oprogramowania lub zarządzania systemami operacyjnymi przez SSH. Opisany konwerter zawiera ponadto kilka dodatkowych bloków funkcjonalnych, takich jak izolacja galwaniczna czy translator poziomów. Ten ostatni umożliwia używanie konwertera z napięciami 1,2...5 V, niedostępnymi w standardowych wersjach tego typu urządzeń, co zdecydowanie ułatwia prace uruchomieniowe.

Podstawowe parametry:
  • obsługa poziomów logicznych 1,2…5 V,
  • zintegrowana przetwornica DC/DC zasilająca konwerter poziomów,
  • pobór prądu z urządzenia zewnętrznego (po stronie portu UART): 20 μA (maks.)/2...6 μA (typ.),
  • kompatybilność ze standardem USB 2.0,
  • wbudowane diody LED sygnalizujące obecność napięć zasilania i kierunek transmisji,
  • popularny układ FT232RL, obsługiwany przez większość systemów operacyjnych.

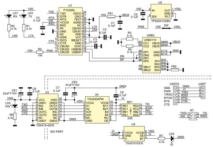
Schemat konwertera pokazano na rysunku 1. Za konwersję USB/UART odpowiada popularny układ FT232RL, jego aplikacja nie odbiega od zalecanej w nocie katalogowej. Interfejs USB doprowadzony jest do gniazda USB-C pracującego ze zmniejszoną liczbą wyprowadzeń, zapewniającą zgodność z USB2.0. Dioda LD3 sygnalizuje obecność zasilania USB-C, a diody LD1 i LD2 – obecność transmisji. Układ U2 to przełącznik zasilania typu TPS2041, sterowany sygnałem PWEN – kluczuje on napięcie V50L, doprowadzone do modułu izolatora cyfrowego U3 typu TD541S-42H5, aby zapewnić minimalny pobór prądu podczas inicjalizacji konwertera. U3 to nowe opracowanie firmy Mornsun, integrujące w jednej obudowie izolowaną przetwornicę napięcia oraz cztery kanały izolatorów cyfrowych.

W ramach rodziny TD541S-4x dostępne są izolatory o czterech kanałach transmisji, ale o zależnym od modelu, ustalonym kierunku transmisji DI–>DO. Dostępne są konwertery w wersjach: 4:0, 3:1, 2:2, 1:3 i 0:4 kanałów DI:DO, co kompleksowo rozwiązuje separację interfejsów GPIO i SPI, niezależnie od strony interfejsu, z której zasilany jest układ. TD541S-42H5 zawiera po dwa izolatory pracujące w każdym z kierunków (2:2), co umożliwia realizację interfejsu UART z potwierdzeniem sprzętowym. Wybór wersji zasilanej napięciem 5 V upraszcza obwód zasilania części pierwotnej konwertera, gdyż FT232RL pracuje w tym standardzie napięciowym bez dodatkowych elementów zewnętrznych (VCCIO=5 V).

Rysunek 1. Schemat ideowy konwertera

Po izolacji galwanicznej sygnały UART doprowadzone są do translatora poziomów U4 typu TXU0204. Zastosowanie dodatkowego translatora podyktowane jest koniecznością zapewnienia poprawnej pracy konwertera zarówno z układami niskonapięciowymi 1,2/1,8 V, jak i tymi zasilanymi napięciem 2,5...5 V – coraz więcej nowoczesnych układów SoC lub komputerów jednopłytkowych pracuje bowiem ze standardem napięciowym GPIO 1,2 V lub 1,8 V, podczas gdy dostępne na rynku czujniki i moduły rozszerzeń często wymagają 3,3 V lub nawet 5 V.

Dodatkowym wymogiem przy projektowaniu konwertera był minimalny prąd pobierany z układu uruchamianego, aby nie zakłócać zasilania układów o niskim poborze mocy. Strona A konwertera U4, połączona z izolatorem U3, zasilana jest napięciem 5 V pochodzącym z wbudowanej w U3 przetwornicy, zaś strona B – z napięcia VI pochodzącego z uruchamianego układu. Układ U5 steruje diodą LD4 sygnalizującą obecność zasilania z układu uruchamianego. Zastosowanie dodatkowego konwertera podyktowane jest koniecznością minimalizacji poboru prądu z tegoż układu oraz zapewnienia napięcia koniecznego do zaświecenia LED, co przy współpracy z układami zasilanymi napięciem 1,2/1,8 V okazuje się niewykonalne. W modelu LD4 zasilana jest napięciem VI=5 V. Całkowity, maksymalny, statyczny pobór prądu z układu uruchamianego za pomocą konwertera nie przekracza 20 μA. W rzeczywistości jego natężenie jest znacznie niższe i przy prędkości 921600 bps i zastosowaniu transmisji z potwierdzeniem (zwarte RXD/TXD, CTS/RTS) pobór prądu nie przekraczał 2 μA przy zasilaniu 1,2 V i 6 μA przy zasilaniu 5 V. Układy TXU0204 i TXU0101 gwarantują przejście wyprowadzeń IO w stan wysokiej impedancji, jeżeli jedno z napięć zasilających spadnie poniżej 100 mV – gwarantuje to brak przepływów wstecznych GPIO lub niepożądanego efektu zasilania zewnętrznego urządzenia przez konwerter, co w klasycznych rozwiązaniach mogłoby stwarzać problemy np. z poprawnym restartem procesorów zasilanych pasożytniczo przez GPIO. Wszystkie sygnały UART konwertera wyprowadzono na złącze UARTA, a podstawowe sygnały RXD/TXD – dodatkowo także na złącze w standardzie Grove (UART). Zwora RT umożliwia zamianę wyprowadzeń RXD i TXD, co niweluje problemy z różnymi sposobami wyprowadzania ich na złącza.

Układ zmontowano na dwustronnej płytce drukowanej, rozmieszczenie elementów zaprezentowano na rysunku 2. Montaż nie wymaga szczegółowego opisu.

Rysunek 2. Rozmieszczenie elementów na PCB modułu

Zmontowany moduł konwertera pokazano na fotografii tytułowej.

Układ po podłączeniu do komputera z systemem Windows wykrywany jest automatycznie i nie wymaga dodatkowej konfiguracji. Sprawdzenie działania konwertera można wykonać przy pomocy terminala portu szeregowego, weryfikując poprawność transmisji po zwarciu wyprowadzeń RXD/TXD i doprowadzeniu napięcia zasilania 1,2...5 V do wyprowadzeń VI/GND.

Adam Tatuś, EP

Wykaz elementów:
Rezystory:
  • R1, R2, R6, R7: 4,7 kΩ (SMD 0603, 1%)
  • R3, R4: 5,1 kΩ (SMD 0603, 1%)
  • R5: 10 kΩ (SMD 0603, 1%)
  • RP1: drabinka 4×33 Ω 1% (CRA06S08)
Kondensatory:
  • C1, C3...C8: 100 nF (SMD 0603, X7R, 10 V)
  • C2: 4,7 μF (SMD 0603, X7R, 10 V)
  • CE1: 22 μFT/10V tantalowy (SMD A/3216)
  • CE2: 47 μFT/10V tantalowy (SMD B/3528)
Półprzewodniki:
  • LD1: dioda LED żółta (SMD 0603)
  • LD2: dioda LED czerwona (SMD 0603)
  • LD3: dioda LED zielona (SMD 0603)
  • LD4: dioda LED niebieska (SMD 0603)
  • U1: FT232RL (SSOP28)
  • U2: TPS2041CDBV (SOT-23-5)
  • U3: TD541S-42H5 (DFN16)
  • U4: TXU0204PW (TSSOP14_065)
  • U5: TXU0101DCK (SC70-6)
Pozostałe:
  • FB1, FB2: dławik ferrytowy (SMD 0603, typ BLM18PG121SZ1D)
  • RT: złącze IDC4 + 2 zwory
  • UARTA: złącze SIP6 (2,54 mm)
  • USBC: gniazdo USB-C (USB4110, GTC)
Artykuł ukazał się w
Elektronika Praktyczna
wrzesień 2025
DO POBRANIA
Materiały dodatkowe
Elektronika Praktyczna Plus lipiec - grudzień 2012

Elektronika Praktyczna Plus

Monograficzne wydania specjalne

Elektronik listopad 2025

Elektronik

Magazyn elektroniki profesjonalnej

Raspberry Pi 2015

Raspberry Pi

Wykorzystaj wszystkie możliwości wyjątkowego minikomputera

Świat Radio listopad - grudzień 2025

Świat Radio

Magazyn krótkofalowców i amatorów CB

Automatyka, Podzespoły, Aplikacje listopad - grudzień 2025

Automatyka, Podzespoły, Aplikacje

Technika i rynek systemów automatyki

Elektronika Praktyczna grudzień 2025

Elektronika Praktyczna

Międzynarodowy magazyn elektroników konstruktorów

Elektronika dla Wszystkich grudzień 2025

Elektronika dla Wszystkich

Interesująca elektronika dla pasjonatów