Aktywny hub I²C Grove

Aktywny hub I²C Grove

Gdy podczas prototypowania systemu liczba urządzeń na magistrali I²C zwiększa się, może pojawić się problem z niezawodnością transmisji. Pojemności obciążenia linii danych i zegara mogą znacząco zwiększyć czasy narastania sygnału, powodując niepoprawne wykrywanie stanu wysokiego. Skutkom pogorszenia jakości sygnału może zaradzić akcelerator I²C w postaci układu LTC4311 Analog Devices.

Podstawowe parametry:
  • zawiera akcelerator I²C w postaci układu LTC4311 Analog Devices,
  • wyposażony w aż 12 złączy w standardzie Grove oraz cztery opcjonalne złącza Q1...Q4 typu QWIIC,
  • hub działa poprawnie w zakresie napięcia zasilania 1,6...5,5 V.

Zaprezentowany aktywny hub I²C, dzięki wyposażeniu go w aż 12 złączy (H1...10, I²CA, I²CB) w standardzie Grove oraz cztery opcjonalne złącza Q1...Q4 typu QWIIC, ułatwia podczas prototypowania rozbudowę magistrali i porządkuje okablowanie modułów I²C, a wyposażenie go w układ aktywnego podciągania magistrali zapewnia niezawodną transmisję, także wtedy, gdy pojemność magistrali przekracza katalogowe 400 pF.

Budowa i działanie

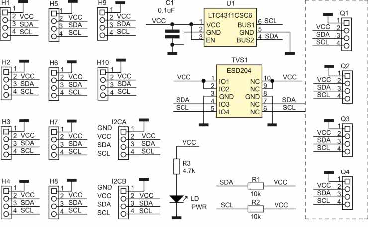
Schemat układu pokazano na rysunku 1. Aktywna część składa się z zaledwie dwóch elementów, układu U1 typu LTC4311 oraz kondensatora odsprzęgającego C1.

Rysunek 1. Schemat ideowy układu translatora

Układ LTC4311 jest dwukanałowym układem aktywnego podciągania magistrali I²C. W przypadku, gdy pojemność magistrali wzrasta, przykładowo gdy dokładamy kolejne układy wraz z połączeniami, zwiększa się czas narastania sygnałów SDA, SCL, które na magistrali podciągane są tylko rezystorami polaryzującymi. Zasada działania układu LTC4311 polega na obserwowaniu sygnałów SDA/SCL i gdy pojawiają się zbocza narastające, wysterowaniu wewnętrznych dynamicznych źródeł prądowych „wspomagających” rezystory podciągające, co pozwala znacząco zwiększyć szybkość narastania sygnałów.

W przypadku zboczy opadających źródła są nieaktywne, a w przypadku braku aktywnej transmisji układ przechodzi w tryb obniżonego poboru mocy.

Moduł huba został wyposażony w dodatkowe zabezpieczenie ESD na bazie układu ESD204. Dioda PWR sygnalizuje obecność zasilania. Hub działa poprawnie w zakresie napięcia zasilania 1,6...5,5 V.

Montaż i uruchomienie

Moduł zmontowany jest na dwustronnej płytce drukowanej mechanicznie zgodnej z Grove, której schemat pokazano na rysunku 2. Montaż jest typowy i nie wymaga opisu, a sam układ nie wymaga uruchamiania.

Rysunek 2. Schemat płytki PCB

W celu przetestowania skuteczności działania LT4311 model został podłączony do Raspberry Pi, każdorazowo długość magistrali wynosiła 100 cm. W pierwszym przypadku obciążeniem był termometr STS40, w drugim ten sam termometr podłączony do huba poprzez dodatkowy przewód 10 cm. Przebiegi uzyskane na magistrali pokazano na rysunku 3.

Rysunek 3. Pomiary na magistrali I²C

Przebieg niebieski to opadające zbocze sygnału SCL, przebiegi narastające to SDA. Przebieg pomarańczowy uzyskano podczas pracy z termometrem STS40, wyraźnie widoczny jest dłuższy czas narastania sygnału, po podłączeniu huba oraz dodatkowego 10 cm przewodu do STS40, uzyskano przebieg różowy, o zdecydowanie krótszym czasie narastania. Świadczy to o poprawnym działaniu aktywnego podciągania. Jednocześnie można zaobserwować brak wpływu na zbocze opadające, w każdym przypadku uzyskany przebieg jest identyczny.

Adam Tatuś, EP

Wykaz elementów:
Rezystory: (SMD0603, 1%)
  • R1, R2: 10 kΩ
  • R3: 4,7 kΩ
Kondensatory:
  • C1: 0,1 μF, 10 V (SMD0603)
Półprzewodniki:
  • LD: Led czerwona (SMD0603)
  • Q1, Q2, Q3, Q4: złącze QWIIC (JST 1 mm)
  • U1: LTC4311CSC6 (SC70-6)
  • TVS1: ESD204 (USON10)
Pozostałe:
  • H1...H10: złącze Grove proste(110990030)
  • I²CA, I²CB: złącze Grove kątowe (110990037)
Artykuł ukazał się w
Elektronika Praktyczna
luty 2024
DO POBRANIA
Materiały dodatkowe
Elektronika Praktyczna Plus lipiec - grudzień 2012

Elektronika Praktyczna Plus

Monograficzne wydania specjalne

Elektronik listopad 2025

Elektronik

Magazyn elektroniki profesjonalnej

Raspberry Pi 2015

Raspberry Pi

Wykorzystaj wszystkie możliwości wyjątkowego minikomputera

Świat Radio listopad - grudzień 2025

Świat Radio

Magazyn krótkofalowców i amatorów CB

Automatyka, Podzespoły, Aplikacje listopad - grudzień 2025

Automatyka, Podzespoły, Aplikacje

Technika i rynek systemów automatyki

Elektronika Praktyczna listopad 2025

Elektronika Praktyczna

Międzynarodowy magazyn elektroników konstruktorów

Elektronika dla Wszystkich grudzień 2025

Elektronika dla Wszystkich

Interesująca elektronika dla pasjonatów