Przedłużacz magistrali I²C

Przedłużacz magistrali I²C

Magistrala I²C jest bardzo wygodnym i tanim sposobem wymiany informacji pomiędzy układami scalonymi na odległość nieprzekraczającą kilkunastu centymetrów. Ogranicza to jej stosowanie w obrębie urządzenia. Czasem warto mieć możliwość przedłużenia zasięgu magistrali nawet o kilka, kilkanaście metrów, upraszcza to komunikację z wyniesionymi czujnikami, bez potrzeby stosowania dodatkowych interfejsów szeregowych takich, jak RS232 czy RS485 lub uciekania się do transmisji radiowej. Opisany minimoduł umożliwia przedłużenie magistrali I²C przy zastosowaniu skrętki typowej dla magistrali CAN.

Podstawowe parametry:
  • umożliwia przedłużenie magistrali I²C przy zastosowaniu skrętki typowej dla magistrali CAN,
  • kompletny tor składa się z dwóch identycznych modułów – Master oraz Slave,
  • oba układy wymagają połączenia dwuparową skrętką zgodną z CAN (120 Ω),
  • szybkość komunikacji I²C do 400 kb/s,
  • pomyślne testy z wyświetlaczem I²C na łączu o długości 15 m.

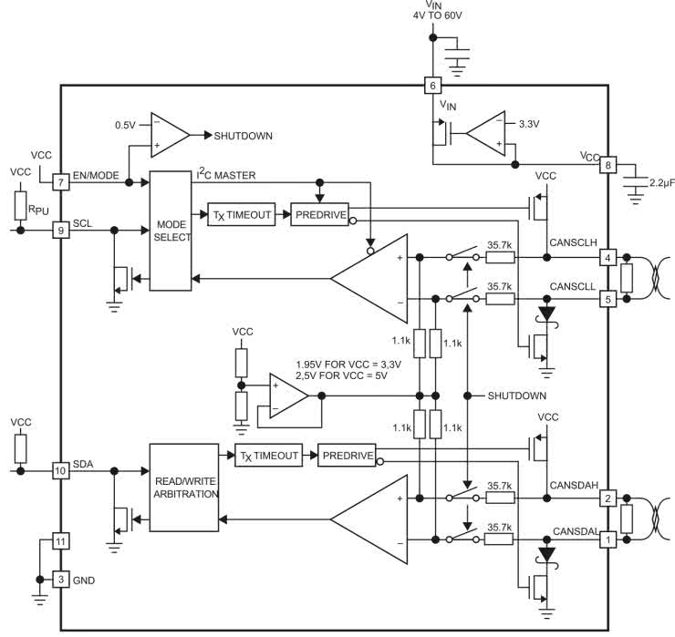
Minimoduł zawiera układ kontrolera I²C typu LTC3960 firmy Analog Devices, którego struktura wewnętrzna została pokazana na rysunku 1. Zawiera on dwa konwertery sygnałów SDA, SCL dopasowujące magistralę I²C do standardów warstwy fizycznej CAN, co pozwala na zwiększenie zasięgu i odporności na zakłócenia sygnałów I²C. Układ LTC3960 jest przezroczysty dla transmisji I²C, kompletny tor składa się z dwóch identycznych modułów, jednego skonfigurowanego jako Master, drugiego jako Slave, oba układy połączone są dwuparową skrętką zgodną z CAN (120 Ω).

Rysunek 1. Struktura wewnętrzna LTC3960 (za notą Analog Devices)

Budowa i działanie

Schemat modułu został pokazany na rysunku 2. Jest podstawową aplikacją układu LTC3960 dla połączenia punkt-punkt. Zawiera dodatkowo terminatory magistrali – rezystory R4, R5 i kondensator C3 oraz R6, R7 i C4 dla każdego z sygnałów SDA, SCL. Zwora MS określa tryb pracy układu Master/Slave. Magistrala I²C oraz zasilanie 3,3/5 V dla modułu doprowadzone są poprzez złącze zgodne z Grove.

Rysunek 2. Schemat ideowy modułu

Montaż i uruchomienie

Moduł zmontowany jest na dwustronnej płytce drukowanej, której schemat został pokazany na rysunku 3. Montaż jest typowy i nie wymaga opisu. Poprawnie zmontowany układ nie wymaga uruchamiania.

Rysunek 3. Schemat płytki PCB

Moduł połączony z kontrolerem I²C (np. Raspberry Pi) należy skonfigurować jako Master (zwarta zwora MS), moduł podłączony do czujnika należy skonfigurować jako Slave (zwora MS zdjęta). Moduł Slave musi być zasilany z obwodów czujnika. W celu sprawdzenia należy połączyć skrętką (np. 2×2×0,22 2170204 LAPP) sygnały par: SDA H/L, SCL H/L modułów Master/Slave. Po włączeniu zasilania, w przypadku Raspberry Pi poleceniem i2cdetect -y 1 można sprawdzić działanie toru konwerterów I²C/CAN. W modelu na kablu 2×2×0,22 o długości ok. 15 m bezproblemowo działał wyświetlacz OLED I²C z kontrolerem SSD1306. Maksymalny zasięg oczywiście zależy od jakości przewodu, poziomu zakłóceń oraz prędkości transmisji.

Adam Tatuś, EP

Wykaz elementów:
Rezystory:
  • R1, R2, R3: 10 kΩ 1% (SMD0603)
  • R4, R5, R6, R7: 60,4 Ω 1% (SMD0805)
Kondensatory:
  • C1: 0,1 μF 50 V ceramiczny (SMD0603)
  • C2: 10 μF 10 V ceramiczny (SMD0603)
  • C3, C4: 4,7 nF 50 V ceramiczny (SMD0603)
Półprzewodniki:
  • U1: LT3960EMSE (MSOP10)
Pozostałe:
  • CANP: złącze (DG381-3.5-5) (3+2 piny)
  • MS: listwa SIP2 2,54 mm + zwora
Artykuł ukazał się w
Elektronika Praktyczna
wrzesień 2022
DO POBRANIA
Materiały dodatkowe
Elektronika Praktyczna Plus lipiec - grudzień 2012

Elektronika Praktyczna Plus

Monograficzne wydania specjalne

Elektronik listopad 2025

Elektronik

Magazyn elektroniki profesjonalnej

Raspberry Pi 2015

Raspberry Pi

Wykorzystaj wszystkie możliwości wyjątkowego minikomputera

Świat Radio listopad - grudzień 2025

Świat Radio

Magazyn krótkofalowców i amatorów CB

Automatyka, Podzespoły, Aplikacje listopad - grudzień 2025

Automatyka, Podzespoły, Aplikacje

Technika i rynek systemów automatyki

Elektronika Praktyczna listopad 2025

Elektronika Praktyczna

Międzynarodowy magazyn elektroników konstruktorów

Elektronika dla Wszystkich grudzień 2025

Elektronika dla Wszystkich

Interesująca elektronika dla pasjonatów