Moduł przekaźników półprzewodnikowych do RPi Zero i nie tylko

Moduł przekaźników półprzewodnikowych do RPi Zero i nie tylko

Moduł rozszerza możliwości RPi Zero o cztery niezależne niskomocowe przekaźniki półprzewodnikowe. W przeciwieństwie do klasycznych przekaźników elektromechanicznych nie występuje w nich zjawisko drgania styków, mogą załączać sygnały o bardzo małej amplitudzie, mają krótszy czas reakcji i niemal nieskończoną żywotność. Takie cechy umożliwiają stosowanie ich w różnorodnych aplikacjach wymagających precyzyjnego, niezawodnego sterowania.

Podstawowe parametry:
  • zawiera cztery niezależne niskonapięciowe przekaźniki półprzewodnikowe,
  • maksymalne parametry wyjść: 24 V, 0,5 A,
  • sterowanie poprzez interfejs I²C (bazuje na układzie ekspandera GPIO dla typu TPIC2810).

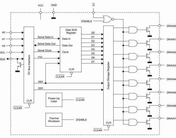
Moduł bazuje na układzie ekspandera GPIO z interfejsem I²C typu TPIC2810, którego strukturę wewnętrzną pokazano na rysunku 1. Wyróżnia się on zwiększoną obciążalnością wyjść – każde z 8 wyprowadzeń GPIO typu OD może być obciążone prądem do 100 mA, przy napięciu do 40 V. To pozwala np. na wysterowanie małych modułów LED czy przekaźników bez dodatkowych buforów prądowych.

Rysunek 1. Struktura wewnętrzna układu TPIC2810

Budowa i działanie

Schemat modułu przekaźników pokazano na rysunku 2.

Rysunek 2. Schemat ideowy układu

Adresację układu U1 wykonujemy zworami A0, A1, które umożliwiają ustawienie czterech adresów bazowych 0x64...0x67. Układ TPIC2810 ma trzy rejestry pod subadresami 0x11, 0x22, 0x44 służące do kontroli działania układu:

  • 0x11 – odczyt danych z rejestru wejściowego – bufora,
  • 0x11 – zapis danych do rejestru wejściowego – bufora (nie ustawia stanów wyjść),
  • 0x22 – zapis powoduje przepisanie rejestru wejściowego – bufora do rejestru wyjściowego ustawiającego stan wyjść,
  • 0x44 – zapis bezpośredni do rejestru wyjściowego, z ustawieniem stanu wyjść.

Wyjścia D0...D3 układu U1 sterują przekaźnikami półprzewodnikowymi IS1...IS4 typu G3VM-61DR1, których wyjścia doprowadzone są do złącz OUT1...OUT4. Stan aktywny przekaźników sygnalizowany jest diodami LD1...LED4. Wyjścia zabezpieczone są transilami TVS1...TVS4 typu SMAJ39CA. Układ uzupełnia złącze I²C zgodne ze standardem Grove 3,3 V.

Montaż i uruchomienie

Moduł został zmontowany na dwustronnej płytce drukowanej, której schemat pokazano na rysunku 3. Sposób montażu jest klasyczny i nie wymaga opisu, wszelkie wątpliwości wyjaśnia fotografia tytułowa. Należy tylko zadbać o odpowiednie zabezpieczenia przed ESD – można łatwo uszkodzić przekaźniki IS1...IS4.

Rysunek 3. Schemat płytki PCB

Prawidłowo zmontowany moduł nie wymaga uruchomienia. Dla szybkiego sprawdzenia działania, należy podłączyć go do Raspberry i użyć pakietu i2ctools – moduł powinien być widoczny (rysunek 4) po skanowaniu magistrali poleceniem:

i2cdetect -y 1
Rysunek 4. Detekcja układu TPIC2810 przy użyciu narzędzia i2ctools

Jeżeli detekcja układu przebiegła pomyślnie, zmiana stanu wyjść może odbywać się bezpośrednio poprzez ustawienie odpowiednich bitów rejestru 0x44 w stan wysoki np. załączenie wyjścia OUT1 nastąpi po wpisaniu:

i2cset -y 1 0x67 0x44 0x01

Po sprawdzeniu wszystkich wyjść moduł można zastosować we własnej aplikacji. Należy pamiętać, że przekaźniki półprzewodnikowe, oprócz zalet, jakimi są niski pobór mocy, szybkie przełączanie, trwałość mają także wady, z których najważniejsze to brak odporności na przeciążenia i silna zależność od temperatury. W rzeczywistych układach trudno osiągnąć deklarowane przez producenta parametry maksymalne. Zawsze należy upewnić się czy zapewnimy zdolność łączeniową elementu – czyli redukcję dopuszczalnego prądu w zależności od temperatury otoczenia. Charakterystyka przekaźnika G3VM-61DR1 została pokazana na rysunku 5.

Rysunek 5. Zależność redukcji prądu obciążenia od temperatury otoczenia

Ważne jest też sprawdzenie spadku napięcia na aktywnym elemencie w odniesieniu do prądu przewodzenia. Spadek ten skutkuje stratami mocy i co z tym związane podniesieniem temperatury układu. Przykładową zależność spadku napięcia od prądu przewodzenia klucza dla G3VM-61DR1 pokazano na rysunku 6.

Rysunek 6. Spadek napięcia na elemencie wykonawczym

Uwzględniając wskazane zależności, nie należy obciążać wyjść modułu prądem większym niż 0,5 A, co jest wartością wystarczającą w większości aplikacji sterujących.

Adam Tatuś, EP

Wykaz elementów:
Rezystory: (SMD0603) 1%
  • R1, R2: 4,7 kΩ
  • R3, R4, R5, R6: 180 Ω
Kondensatory: (SMD0603)
  • C1: 0,1 μF
  • C2: 10 μF
Półprzewodniki:
  • LD1, LD2, LD3, LD4: dioda LED (SMD0805)
  • U1: TPIC2810D (SO16)
Pozostałe:
  • GPIO: złącze IDC żeńskie 2×20 pinów
  • I²C: złącze Grove kątowe
  • IS1, IS2, IS3, IS4: przekaźnik optyczny MOS typu G3VM-61D1
  • OUT1, OUT2, OUT3, OUT4: złącze DG381-3.5-2
  • TVS1, TVS2, TVS3, TVS4: Transil P6SMB39CA (SMB)
Artykuł ukazał się w
Elektronika Praktyczna
lipiec 2022
DO POBRANIA
Materiały dodatkowe
Elektronika Praktyczna Plus lipiec - grudzień 2012

Elektronika Praktyczna Plus

Monograficzne wydania specjalne

Elektronik listopad 2025

Elektronik

Magazyn elektroniki profesjonalnej

Raspberry Pi 2015

Raspberry Pi

Wykorzystaj wszystkie możliwości wyjątkowego minikomputera

Świat Radio listopad - grudzień 2025

Świat Radio

Magazyn krótkofalowców i amatorów CB

Automatyka, Podzespoły, Aplikacje listopad - grudzień 2025

Automatyka, Podzespoły, Aplikacje

Technika i rynek systemów automatyki

Elektronika Praktyczna listopad 2025

Elektronika Praktyczna

Międzynarodowy magazyn elektroników konstruktorów

Elektronika dla Wszystkich grudzień 2025

Elektronika dla Wszystkich

Interesująca elektronika dla pasjonatów