​Konwerter napięcia z ujemnego na dodatnie

​Konwerter napięcia z ujemnego na dodatnie

Wiele gotowych modułów mierzących napięcie stałe jest przystosowanych wyłącznie do pomiaru napięcia dodatniego, wyższego niż potencjał masy. Jednak w niektórych zastosowaniach, takich jak diagnostyka wzmacniaczy mocy, potrzebny jest pomiar napięcia ujemnego. Zaprezentowany układ w prosty sposób „odwraca” znak napięcia wejściowego, jednocześnie redukując je z ustawionym współczynnikiem podziału.

Podstawowe parametry:
  • konwersja napięcia wejściowego z ujemnego na dodatnie,
  • płynnie regulowane wzmocnienie z przedziału 0…–0,2 V/V,
  • wbudowana filtracja dolnoprzepustowa,
  • rezystancja wejściowa: 100 kΩ, wyjściowa: 47 Ω,
  • minimalne napięcie wejściowe: –250 V,
  • maksymalne napięcie wyjściowe: o 4 V niższe od zasilającego,
  • zasilanie napięciem 8…27 V, pobór prądu około 6 mA przy 12 V.

Kiedy mamy do dyspozycji woltomierz z oddzielną masą dla sygnału mierzonego lub odrębnym zasilaniem, sprawa jest bardzo prosta: wystarczy podłączyć jego wejście do mierzonego napięcia ujemnego. Przykładem mogą być urządzenia zasilanie bateryjne lub zasilane poprzez separowaną przetwornicę DC/DC albo z odrębnym transformatorem sieciowym. Ale nie zawsze mamy do dyspozycji coś takiego, na przykład kiedy w obudowie nie ma już za bardzo miejsca na dodatkowy zasilacz sieciowy. Możemy wtedy sięgnąć po opisany dalej niewielki moduł, który realizuje konwersję napięcia stałego z ujemnego na dodatnie. Realizuje przy tym jeszcze dwie pożądane rzeczy: dzieli wejściowe napięcie oraz filtruje je z zakłóceń. Można w ten sposób łatwo dostosować mierzony przedział np. –100…0 V do wejścia przetwornika A/C obsługującego 0…5 V. Wszystkie wymagane do tego celu elementy znajdują się na niewielkiej płytce.

Budowa i działanie

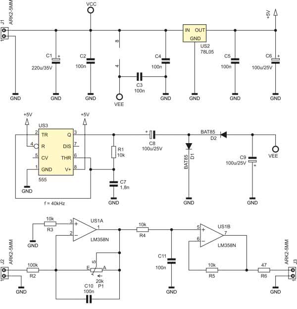
Schemat ideowy omawianego układu znajduje się na rysunku 1. Na złącze J1 podaje się napięcie zasilające cały układ. Kondensatory C1, C2 i C4 filtrują je. Elementy C2 i C3 znajdują się blisko wzmacniacza operacyjnego, aby zapobiec jego wzbudzeniu. W tym miejscu powstaje również stabilizowane napięcie o wartości 5 V, którego dostarcza prosty stabilizator liniowy typu 78L05.

Rysunek 1. Schemat ideowy konwertera napięcia

Układ US2, dobrze znany od wielu lat układ czasowy typu 555, wytwarza przebieg prostokątny o częstotliwości około 40 kHz i wypełnieniu zbliżonym do 50%. Taki sygnał trafia na obwód wytwarzający napięcie ujemne: kondensatory C8 i C9 oraz diody D1 i D2. Na jego wyjściu mamy do dyspozycji około –3,6 V. Układ pracuje na częstotliwości ponadakustycznej, aby generowany pisk nie był irytujący. To niewielkie napięcie ujemne jest w zupełności wystarczające, bowiem potrzebuje go wzmacniacz operacyjny US3. W teorii, układ typu LM358 jest w stanie obsłużyć napięcie wejściowe równe 0 V (przy zasilaniu pojedynczym), ale jego stopień wyjściowy radzi sobie już nieco gorzej z osiąganiem tak niskich wartości napięcia na wyjściu. Zapewnienie mu niewielkiego „marginesu” napięcia poniżej potencjału masy pozwala na w pełni liniową pracę wszystkich obwodów wchodzących w jego skład. Ponadto, umożliwia wymianę wzmacniacza operacyjnego na inny model, który – na przykład – cechuje się mniejszym offsetem napięciowym, ale wymaga do poprawnej pracy napięcia ujemnego.

Wejściowe napięcie ujemne trafia na zaciski złącza J2. Jest ono kierowane na wzmacniacz odwracający, którego głównym elementem jest wzmacniacz operacyjny US3A. Potencjometrem P1 można ustalić wzmocnienie tego członu. Najniższa możliwa (co do wartości bezwzględnej) do ustawienia wartość to zero, wtedy sygnał jest idealnie tłumiony. Ustalając P1 w połowie mamy –0,1 V/V, co umożliwia przekształcanie napięć na wartość dziesięciokrotnie mniejszą, na przykład z –33…0 V do 0…3,3 V. Przy maksymalnej rezystancji P1, układ cechuje się wzmocnieniem –0,2 V/V, czyli tłumi pięciokrotnie, odwracając przy tym znak napięcia. Potencjometr ten jest wieloobrotowy, zatem można łatwo skalibrować wskazania.

W układzie są zawarte dwa dolnoprzepustowe człony filtracyjne. Pierwszy jest zaszyty już w US3A, a to za sprawą kondensatora C10, który zawęża pasmo przenoszenia układu, poprawiając jednocześnie jego stabilność i zawężając pasmo szumowe. Ale dokładna częstotliwość graniczna tego bloku jest zależna od zadanej rezystancji P1, co przy małym wzmocnieniu (wysokim tłumieniu) może okazać się niewystarczającą filtracją. Dlatego dodano drugi człon, prosty filtr RC, na który składają się rezystor R4 i kondensator C11. Jego częstotliwość graniczna to około 160 Hz, więc skutecznie wyeliminuje z sygnału szybkie zakłócenia.

Na końcu znajduje się wtórnik napięciowy ze wzmacniaczem operacyjnym US3B. Rezystor R5 stanowi kompensację prądu polaryzującego bazy tranzystorów w stopniu wejściowym tego wzmacniacza operacyjnego, aby różne rezystancje „widziane” przez te tranzystory nie wywoływały znaczącego napięcia niezrównoważenia. Rezystor R5 nadaje pewną niezerową rezystancję wyjściową układu, co zapobiega jego wzbudzeniu po obciążeniu go znaczną pojemnością np. przewodu.

Montaż i uruchomienie

Układ został zmontowany na jednostronnej płytce drukowanej o wymiarach 40×50 mm, której schemat został pokazany na rysunku 2. Montaż proponuję rozpocząć od zworki, która częściowo znajduje się pod układem US3. Potem można przejść do wlutowania elementów o najmniejszej wysokości obudowy, czyli rezystorów i diod.

Rysunek 2. Schemat płytki PCB

Pod układy US2 i US3 proponuję zastosować podstawki, aby ułatwić ich wymianę w razie uszkodzenia. Listwy zaciskowe złącz J1 i J2 należy złączyć ze sobą przed wlutowaniem. Zmontowany układ wygląda jak na fotografii tytułowej.

Układ można zasilać napięciem stałym, dobrze filtrowanym (i najlepiej stabilizowanym) z przedziału 8…27 V. Dolna wartość wynika z konieczności zapewnienia warunków do poprawnej pracy stabilizatora US1. Z kolei górna granica tego zakresu wynika z ograniczenia napięcia zasilającego wzmacniacz operacyjny US3 – jest ono o około 3,6 V wyższe od tego, które trafia na zaciski złącza J1. Ponadto należy mieć na uwadze ciepło wydzielane w US1 i jego wytrzymałość napięciową. Pobór prądu przez prototyp wynosi 6 mA przy napięciu 12 V i przy niepodłączonych zaciskach złącz J2 i J3.

Dopuszczalne napięcie wejściowe wynika w dużej mierze z wytrzymałości dwóch elementów: rezystora R2 oraz złącza J2. Rezystory o tolerancji 1% i dopuszczalnej mocy strat mają z reguły dopuszczalne napięcie pracy wynoszące 250 V. Złącza zaciskowe typu DG301 również mają taką samą wartość dopuszczalnego napięcia pracy.

Proponuję zatem przyjąć 250 V jako maksimum. Można to rozszerzyć, wstawiając w szereg z zaciskiem wejściowym złącza J2 dodatkowy rezystor. Wtedy jego wartość będzie się sumowała z R2.

Maksymalne napięcie wyjściowe zależy w dużej mierze od napięcia zasilającego układ. Jeżeli mowa o LM358 w roli układu US3, to jego stopień wyjściowy pracuje poprawnie, jeżeli napięcie wyjściowe jest o 4 V (lub więcej) niższe od jego dodatniego napięcia zasilającego. Czyli przy zasilaniu układu konwertera napięciem 12 V możemy oczekiwać maksymalnego napięcia wyjściowego na poziomie 8 V.

W prototypie użyto układu LM358, który w wielu zastosowaniach będzie wystarczający, choć nie zawsze – przy bardziej dokładnych pomiarach może dać znać o sobie jego offset napięciowy. W układzie prototypowym, na wyjściu (złącze J3) panowało napięcie 2,2 mV przy rozwartych zaciskach złącza J2. Można użyć innego podwójnego wzmacniacza operacyjnego, na przykład OP200, godząc się również z wyższą ceną takiego układu.

Michał Kurzela, EP

Wykaz elementów:
Rezystory: (THT o mocy 0,25 W jeżeli nie napisano inaczej)
  • R1, R3…R5: 10 kΩ
  • R2: 100 kΩ 1% 0,6 W
  • R6: 47 Ω
  • P1: 20 kΩ wieloobrotowy pionowy 3296W
Kondensatory:
  • C1: 220 μF 35 V raster 3,5 mm
  • C2…C5, C10, C11: 100 nF raster 5 mm MKT
  • C6, C8, C9: 100 μF 25 V raster 2,5 mm
  • C7: 1,8 nF raster 5 mm MKT
Półprzewodniki:
  • D1, D2: BAT85
  • US1: 78L05 (TO92)
  • US2: NE555 (DIP8)
  • US3: LM358 (DIP8)
Pozostałe:
  • J1…J3: ARK2/500
  • Dwie podstawki DIP8
Artykuł ukazał się w
Elektronika Praktyczna
lipiec 2022
DO POBRANIA
Materiały dodatkowe
Elektronika Praktyczna Plus lipiec - grudzień 2012

Elektronika Praktyczna Plus

Monograficzne wydania specjalne

Elektronik listopad 2025

Elektronik

Magazyn elektroniki profesjonalnej

Raspberry Pi 2015

Raspberry Pi

Wykorzystaj wszystkie możliwości wyjątkowego minikomputera

Świat Radio listopad - grudzień 2025

Świat Radio

Magazyn krótkofalowców i amatorów CB

Automatyka, Podzespoły, Aplikacje listopad - grudzień 2025

Automatyka, Podzespoły, Aplikacje

Technika i rynek systemów automatyki

Elektronika Praktyczna listopad 2025

Elektronika Praktyczna

Międzynarodowy magazyn elektroników konstruktorów

Elektronika dla Wszystkich grudzień 2025

Elektronika dla Wszystkich

Interesująca elektronika dla pasjonatów