Automatyczny wyłącznik zestawu audio

Automatyczny wyłącznik zestawu audio

Słuchanie muzyki nocą, na przykład z gramofonu, jest relaksujące, a jeszcze lepiej kiedy możemy przy takich dźwiękach zasnąć. Warto byłoby wtedy nie martwić się o wyłączenie naszego zestawu audio. O ile niektóre końcówki mocy mają funkcję samoczynnego przejścia w tryb czuwania po pewnym czasie od zaniku sygnału, o tyle źródła sygnału audio już rzadko. Ten układ bezpiecznie wyłączy cały nasz sprzęt.

Podstawowe parametry:
  • załączanie przekaźnika po wciśnięciu przycisku monostabilnego lub wykryciu sygnału audio,
  • wyłączanie przekaźnika po zadanym czasie od zaniku sygnału,
  • dwa wejścia sygnału audio,
  • regulacja czasu wyłączenia w zakresie od około 30 sekund do około 1 godziny,
  • regulacja czułości układu w zakresie od około 150 mVpp do około 700 mVpp,
  • obciążalność syków przekaźnika do 10 A,
  • zasilanie napięciem 12 V.

Kiedy meloman nastawi płytę na swoim gramofonie i wsłuchany w dźwięki zdrzemnie się, warto byłoby wyłączyć jego sprzęt po zakończeniu odtwarzania. Ta sama sytuacja może równie dobrze dotyczyć odtwarzacza CD lub magnetofonu szpulowego. Chodzi o oszczędzanie zarówno samego sprzętu, jak i cennej (coraz, zresztą, cenniejszej) energii elektrycznej oraz o zmniejszenie ryzyka wystąpienia pożaru w przypadku, na przykład, silnie nagrzewających się wzmacniaczy lampowych.

Ten układ cały czas „nasłuchuje” co dzieje się na liniach sygnałowych bądź łączących wzmacniacz z głośnikami. Jeżeli przez dłuższy czas nie pojawi się na nich sygnał, rozłączy przekaźnik i będzie oczekiwał na ponowne wyzwolenie, pobierając przy tym znikomą moc. Uruchomienie sprzętu będzie możliwe po podaniu sygnału lub krótkotrwałym wciśnięciu niewielkiego przycisku.

Budowa i działanie

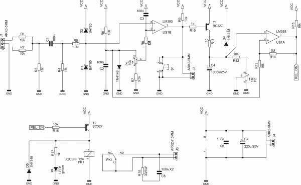
Schemat automatycznego wyłącznika znajduje się na rysunku 1. Monitorowany sygnał należy podłączyć do zacisków złącza J1. Środkowy zacisk to masa, a wejścia znajdują się na skrajnych wyprowadzeniach. Sygnały wejściowe są sumowane przez rezystory R1 i R2. Można w ten sposób monitorować np. prawy i lewy kanał. Jednak nie zaleca się podłączania tutaj dodatniej i ujemnej linii sygnału symetrycznego (na przykład ze złącza XLR), gdyż suma napięć na obu tych liniach zawsze jest równa zeru.

Rysunek 1. Schemat ideowy automatycznego wyłącznika

Rezystor R3 polaryzuje te wejścia potencjałem masy i delikatnie je obciąża, jak również polaryzuje lewą okładkę kondensatora C1. Z kolei R4 polaryzuje prawą okładkę tego elementu i dalsze podzespoły. Zadaniem C1 jest usunięcie z sygnału ewentualnej składowej stałej, która mogłaby fałszywie wzbudzać układ. Diody D1 i D2 ograniczają amplitudę takiego sygnału audio, aby nie wychodziła poza granice dopuszczalne przez następny podzespół. Rezystor R5 oraz wypadkowa rezystancja R1, R2 i rezystancji wyjściowej źródła sygnału audio ograniczają ich prąd.

Elementem, który wykrywa sygnał jest komparator US1B, czyli połowa popularnego układu LM393. Na drugie jego wejście podawane jest napięcie stałe, regulowane potencjometrem P1, które ustala próg zadziałania. Źródłem tego napięcia jest przewodząca stale dioda D1, polaryzowana rezystorem R6 ze źródła zasilania. Dzięki temu odkłada się na niej około 0,7 V, niemal niezależnie od aktualnej wartości napięcia zasilającego. Niewielkie wahania uzyskanego tym sposobem napięcia (wywołane zmianami napięcia zasilającego układ oraz temperatury) nie mają większego wpływu na działanie układu, gdyż chodzi jedynie o ustalenie progu przerzutu komparatora powyżej poziomu szumów i ewentualnych zakłóceń. Czy to napięcie będzie wynosiło 0,65 V czy też 0,72 V, nie ma większego znaczenia, a cena układu w ten sposób nie wzrośnie o specjalizowane, dokładne źródło napięcia referencyjnego.

Napięcie zadziałania układu, czyli próg przerzutu komparatora US1B, można regulować w zakresie od około 25% do 100% napięcia referencyjnego, czyli – zmierzone w układzie prototypowym – od 150 mV do 610 mV. Rezystor R1 nie pozwala na ustawienie zerowego napięcia, ponieważ offset napięciowy komparatora mógłby powodować samoczynne zadziałanie układu. Dodanie niewielkiego marginesu „od dołu” w regulacji powoduje, że offset napięciowy oraz szumy i zakłócenia nie wywołają przerzutu komparatora.

Rezystor R8 ma dwojaką rolę. Po pierwsze, wyrównuje rezystancje „widziane” przez oba wejścia komparatora. Dla wejścia odwracającego dominującą rolę odgrywa R4, o wartości 1 MΩ, więc R8 musi mieć taką samą rezystancję. Po drugie, razem z kondensatorem C3 umożliwia on krótkotrwałe podniesienie potencjału wejścia nieodwracającego po włączeniu zasilania układu. „Pusty”, rozładowany C3 zachowuje się w stanie nieustalonym jak zwarcie, więc potencjał tego wejścia jest na początku wysoki i zaraz potem opada do nominalnej wartości, zadanej potencjometrem P1. Taki zabieg ma na celu zapobiegnięciu wzbudzenia się układu wywołanego stanami nieustalonymi, na przykład relatywnie wolno narastającym napięciem na diodzie krzemowej D3.

Przewodząca dioda krzemowa jest doskonałym źródłem szumu śrutowego. Aby zmniejszyć jego wpływ na działanie układu, równolegle do wyprowadzeń diody został dodany kondensator C2, który – wraz z rezystancją dynamiczną diody – tworzy filtr dolnoprzepustowy. Podobny filtr, znacznie zresztą skuteczniejszy (o niższej częstotliwości granicznej, rzędu 1,6 Hz) tworzy kondensator C3 z rezystorem R8. Jednak poprzez C3 mogą do wejścia nieodwracającego komparatora przenikać tętnienia zasilania i mieć wpływ na wartość progu przerzutu, dlatego zasilanie układu powinno być dobrze filtrowane, zwłaszcza z tętnień wysokiej częstotliwości których źródłem mogą być przetwornice impulsowe.

Jeżeli komparator US1B wykryje sygnał o dostatecznie wysokiej wartości chwilowej, sprowadza potencjał swojego wyjścia (typu „otwarty kolektor”) niemal do zera, co wprowadza w stan przewodzenia tranzystor T1. Dobrze widać to na oscylogramie z rysunku 2, który zawiera przebieg czasowy napięcia wejściowego oraz na nóżce 7 układu US1, czyli wyjściu wspomnianego komparatora US1B. Został wykreślony przy napięciu zasilania 12 V, częstotliwości sinusoidalnego sygnału wejściowego 1 kHz o wartości międzyszczytowej 1 V i potencjometrze P1 ustawionym na maksymalną wartość napięcia zadziałania komparatora.

Rysunek 2. Oscylogram napięcia wejściowego (żółty) i na wyjściu komparatora US1B (niebieski)

Jednak nie zawsze będzie możliwe podanie sygnału w celu załączenia przekaźnika. Dlatego został dodany microswitch S1, którego wciśnięcie daje dla układu taki sam efekt, co podanie sygnału. Dzięki niemu można uruchomić cały system audio, w tym również źródło sygnału, które będzie potem podtrzymywało jego działanie w trakcie pracy. Jeżeli ktoś chce wyprowadzić ten przycisk gdzieś poza płytkę, może to uczynić podłączając zewnętrzny przycisk monostabilny do zacisków złącza J2.

Przewodzący od czasu do czasu tranzystor T1 doładowuje kondensator C4. Rezystor R10 ogranicza prąd bazy tego tranzystora, chroniąc go przed uszkodzeniem, zaś R9 utrzymuje w stanie zatkania przy braku pobudzenia, gdyż jego napięcia baza-emiter jest wtedy sprowadzane do zera. Z kolei rolą rezystora R11 jest ograniczenie prądu ładowania kondensatora C4, który ma znaczną pojemność. Wartość R11 została tak dobrana, aby przy całkowicie rozładowanym kondensatorze C4 i napięciu zasilania 12 V, prąd kolektora T1 nie przekroczył wartości bezpiecznej dla BC327.

Za powolne rozładowywanie kondensatora C4 odpowiada sumaryczna rezystancja rezystora R12 i potencjometru P2. Im wyższa jest ta wartość, tym wolniej przebiega rozładowywanie, więc większe interwały czasowe mogą występować między kolejnymi impulsami doładowującymi C4. Dioda D4 rozładowuje kondensator C4 po wyłączeniu zasilania, przez co przygotowuje układ do ponownego zadziałania zanim nastąpi samoczynne rozładowanie C4.

Napięcie na górnej okładce C4 jest stale monitorowane przez komparator US1A. Jeżeli to napięcie przekracza te, które odkłada się na stale przewodzącej diodzie D3 (czyli około 0,7 V), wówczas komparator załącza swoje wyjście, czyli sprowadza jego potencjał niemal do zera. Rezystory R13 i R14 wprowadzają do komparatora dodatnie sprzężenie zwrotne, czyniąc zeń przerzutnik Schmitta, aby nie występowały chaotyczne oscylacje napięcia wyjściowego komparatora będącego na granicy przerzutu.

Komparator US1A steruje, za pośrednictwem tranzystora T2, przekaźnikiem PK1. Rezystor R15 utrzymuje ten tranzystor w stanie zatkania i polaryzuje jednocześnie tranzystor wyjściowy zawarty w strukturze komparatora. Dioda LED1 sygnalizuje załączenie cewki przekaźnika. Dioda D5 chroni tranzystor T2 przez zniszczeniem w momencie zatykania, do którego mogłoby dojść wskutek impulsu samoindukcji wygenerowanego przez wyłączaną cewkę przekaźnika.

Elementy R18 i C5 tworzą prosty gasik RC, przyczyniając się do ograniczania emisji zakłóceń elektromagnetycznych w momencie zmiany stanu styków przekaźnika, kiedy przez zaciski złącza J3 zaczyna płynąć (bądź przestaje) prąd zasilający podłączony zestaw audio. Z kolei C6 i C7 filtrują napięcie zasilające układ, które należy podłączyć do złącza J4.

Montaż i uruchomienie

Układ został zmontowany na jednostronnej płytce drukowanej o wymiarach 100×50 mm. Jej schemat został pokazany na rysunku 3. W odległości 3 mm od krawędzi płytki znalazły się otwory montażowe o średnicy 3,2 mm.

Rysunek 3. Schemat płytki PCB

Wszystkie elementy znajdujące się na płytce są przystosowane do montażu przewlekanego. Należy je wlutować klasycznie, poczynając od najniższych, a na najwyższych kończąc. Należy pamiętać o jednej zworce z cienkiego drutu między potencjometrami P1 i P2. Szczegóły montażu można zobaczyć na fotografii tytułowej. Pod układ scalony US1 polecam zastosować podstawkę.

Prawidłowo zmontowany układ jest od razu gotowy do działania i nie wymaga jakichkolwiek czynności uruchomieniowych. Zasilanie dla układu podłącza się do zacisków złącza J4 i powinno wynosić 12 V – dokładne granice wyznacza prawidłowe zadziałanie cewki przekaźnika. Pobór prądu wynosi około 2 mA przy wyłączonym przekaźniku i rośnie do około 40 mA po jego załączeniu.

Potencjometrem P1 można ustawić czułość układu. Skręcając jego ślizgacz w stronę napisu MIN na płytce uzyskujemy zadziałanie przy niższej amplitudzie sygnału wejściowego. W prototypie wyznaczono doświadczalnie, że jest to wartość 150 mVpp. Z kolei, przy P1 ustawionym na MAX, układ załącza przekaźnik przy około 700 mVpp na wejściu. Napięcie wejściowe może znacznie przekraczać te wartości, układ będzie wtedy działał niezmiennie.

Czas podtrzymania przekaźnika PK1 można ustawić potencjometrem P2. Przy ślizgaczu skręconym na MIN, do wyłączenia przekaźnika dochodzi po około 30 s po ostatnim impulsie podtrzymującym. Maksymalna wartość tego interwału to około godzina. Można wymienić P2 na egzemplarz o innej rezystancji, na przykład 100 kΩ, jeżeli chcemy uzyskać regulację w węższym zakresie.

Michał Kurzela, EP

Wykaz elementów:
Rezystory: (THT o mocy 0,25 W jeżeli nie wskazano inaczej)
  • R1, R2, R5, R6, R9, R12, R13, R15, R16: 10 kΩ
  • R3, R4, R8, R14: 1 MΩ
  • R7: 3,3 kΩ
  • R10, R17: 1 kΩ
  • R11: 15 Ω
  • R18: 33 Ω 3 W
  • P1: 10 kΩ montażowy leżący jednoobrotowy
  • P2: 1 MΩ montażowy leżący jednoobrotowy (opis w tekście)
Kondensatory:
  • C1…C3, C6: 100 nF raster 5 mm MKT
  • C4: 1000 μF 25 V raster 5 mm
  • C5: 100 nF MKP X2 305 V AC raster 15 mm
  • C7: 220 μF 25 V raster 2,5 mm
Półprzewodniki:
  • D1, D2: 1N4148
  • D3…D5: BAT85
  • LED1: zielona 5 mm
  • T1, T2: BC327
  • US1: LM393 (DIP8)
Pozostałe:
  • J1: ARK3/500
  • J2, J4: ARK2/500
  • J3: ARK2/750
  • PK1: JQC3FF 12 V
  • S1: microswich 6×6 13,5 mm
Artykuł ukazał się w
Elektronika Praktyczna
czerwiec 2022
DO POBRANIA
Materiały dodatkowe
Elektronika Praktyczna Plus lipiec - grudzień 2012

Elektronika Praktyczna Plus

Monograficzne wydania specjalne

Elektronik listopad 2025

Elektronik

Magazyn elektroniki profesjonalnej

Raspberry Pi 2015

Raspberry Pi

Wykorzystaj wszystkie możliwości wyjątkowego minikomputera

Świat Radio listopad - grudzień 2025

Świat Radio

Magazyn krótkofalowców i amatorów CB

Automatyka, Podzespoły, Aplikacje listopad - grudzień 2025

Automatyka, Podzespoły, Aplikacje

Technika i rynek systemów automatyki

Elektronika Praktyczna listopad 2025

Elektronika Praktyczna

Międzynarodowy magazyn elektroników konstruktorów

Elektronika dla Wszystkich grudzień 2025

Elektronika dla Wszystkich

Interesująca elektronika dla pasjonatów