Półprzewodnikowy sygnalizator obecności napięcia sieciowego

Półprzewodnikowy sygnalizator obecności napięcia sieciowego

Wykrywanie napięcia sieciowego 230 V AC w jakimś obwodzie może być trudne do zrealizowania w układach cyfrowych. Wysokie amplitudy, zmiana polaryzacji, liczne zakłócenia – aby dostosować taki sygnał do wejścia mikrokontrolera, na przykład z rodziny ATmega, należy uwzględnić wiele czynników. Zaprezentowany układ jest prostym i sprawdzonym rozwiązaniem.

Podstawowe parametry:
  • detekcja napięcia stałego lub przemiennego,
  • możliwość wykrywania zarówno napięcia przemiennego (AC), jak i stałego (DC),
  • maksymalne napięcie skuteczne: ok. 300 V,
  • minimalne wykrywane napięcie: ok. 70 V,
  • izolacja galwaniczna: z użyciem transoptora,
  • zasilanie napięciem od 3...15 V.

Opisany układ z pozoru nie robi niczego poważnego: wystawia stan wysoki na wyjściu, jeżeli na jego wejście zostanie podane napięcie stałe lub przemienne. Jednak na tym nie kończy się jego funkcjonalność, gdyż zapewnia izolację galwaniczną między tymi obwodami oraz skutecznie zapobiega przedostawaniu się zakłóceń do delikatnego obwodu cyfrowego. Informacja o obecności napięcia jest reprezentowana stanem wysokim na wyjściu. Brak napięcia spowoduje zmianę stanu logicznego na niski.

Układ może służyć do pobrania informacji zwrotnej o tym, że dany obwód maszyny jest załączony lub nie. Takie sprzężenie zwrotne będzie przydatne w sytuacji, kiedy nie mamy dostępu do sygnału sterującego tym obwodem lub może on pochodzić z kilku niezależnych źródeł, a nas interesuje tylko efekt końcowy: obwód działa lub nie.

Budowa i działanie

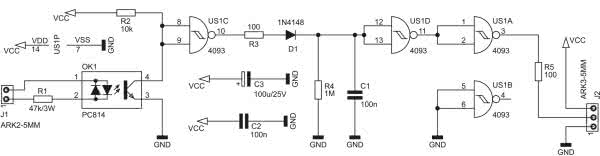
Schemat sygnalizatora został pokazany na rysunku 1. Monitorowane napięcie należy podłączyć do zacisków złącza J1. Jego obecność wywołuje przepływ prądu przez rezystor R1 i jedną z diod nadawczych transoptora OK1. Jedną, bowiem w strukturze PC814 znajdują się dwie diody nadawcze, włączone antyrównolegle. Światło emitowane przez załączoną diodę oświetla bazę zintegrowanego w strukturze układu fototranzystora, co z kolei powoduje jego przewodzenie. Rezystor R1 ogranicza prąd tych diod do niewielkiej wartości, rzędu kilku miliamperów.

Rysunek 1. Schemat ideowy sygnalizatora

Prąd płynący przez kolektor fototranzystora przepływa również przez rezystor R2, wywołując na nim spadek napięcia. Jeżeli potencjał tego węzła spadnie w dostatecznym stopniu, bramka US1C przełączy stan logiczny swojego wyjścia z niskiego na wysoki. W ten sposób dalsza część układu staje się niewrażliwa na natężenie prądu płynącego przez diodę nadawczą, czyli również na dokładną wartość wykrywanego napięcia. Wystarczy, aby było ono w stanie prawidłowo nasycić fototranzystor, co przyjęto jako umowną granicę 1,5 mA wartości skutecznej prądu rezystora R1.

Impulsy napięcia z wyjścia US1C doładowują kondensator C1. Dioda D1 zapobiega rozładowywaniu tego elementu w momencie wystąpienia niskiego stanu logicznego, a rezystor R4 odpowiada na jego powolne rozładowywanie. Ten obwód działa jak prosty detektor wartości szczytowej, którego zadaniem jest krótkotrwałe przechowanie informacji o tym, że na wejściu układu wystąpiły impulsy napięcia o prawidłowej wartości szczytowej. Rezystor R3 ogranicza prąd płynący przez wyjście bramki US1C podczas doładowywania kondensatora C1.

Zastosowanie detektora szczytowego pozwoliło na łatwe przystosowanie układu do pracy z napięciem przemiennym, którego wartość chwilowa cyklicznie przechodzi przez zero. Stała czasowa rozładowania C1 wynosi około 100 ms, więc w obwodach napięcia 50 Hz lub 60 Hz sprawdzi się idealnie. Jednocześnie jest ona na tyle mała, że w przeciągu zaledwie kilku okresów napięcia sieciowego informacja o jego utracie zostanie wystawiona na wyjście – C1 rozładuje się. Układ może też wykrywać składową stałą, która w tym obwodzie przechodzi bez problemu.

Napięcie występujące między okładkami C1 jest na bieżąco monitorowane przez wejścia bramki US1D. Przerzutnik Schmitta, który znajduje się w jej strukturze, uodparnia je na wolno zmieniające się napięcie, które może znajdować się w przedziale zabronionym dla układów z rodziny CMOS 4000. Bramka US1A odwraca informację wystawioną przez US1D, wobec czego na wyjściu układu otrzymujemy wysoki stan logiczny w momencie detekcji napięcia.

Zastosowanie układu CD4093 dało spore możliwości jeżeli chodzi o rozpiętość zakresu dopuszczalnego napięcia zasilania. Może ono wynosić od 3 V do 15 V, więc układ łatwo będzie sprzęgnąć zarówno z mikrokontrolerami pracującymi przy napięciu 3,3 V lub 5 V, jak również ze sterownikami PLC i innymi.

Montaż i uruchomienie

Układ został zmontowany na jednostronnej płytce drukowanej o wymiarach 45×38 mm. Jej schemat został pokazany na rysunku 2. W odległości 3 mm od krawędzi płytki znalazły się otwory montażowe o średnicy 3,2 mm. Wszystkie elementy znajdujące się na płytce są przystosowane do montażu przewlekanego. Należy je wlutować zgodnie z ogólnymi zasadami, zaczynając od najniższych, a na najwyższych kończąc. Rezystor R1 polecam wlutować na nieco dłuższych nóżkach, kilka milimetrów nad powierzchnią laminatu, aby ułatwić jego chłodzenie. Szczegóły montażu można zobaczyć na fotografii tytułowej. Pod układ scalony US1 można zastosować podstawkę.

Rysunek 2. Schemat montażowy i wzór ścieżek płytki

Prawidłowo zmontowany układ jest od razu gotowy do działania i nie wymaga jakichkolwiek czynności uruchomieniowych. Między zaciski GND i VCC złącza J2 należy podłączyć stałe napięcie zasilające (niekoniecznie stabilizowane) z podanego wcześniej przedziału, a do J1 – napięcie pochodzące z obwodu, który chcemy nadzorować. Sygnałem wyjściowym jest cyfrowa informacja pojawiająca się na zacisku OUT (względem masy GND): stan niski – nie ma napięcia, stan wysoki – napięcie występuje. Obciążalność prądowa wyjścia jest niewielka, rzędu kilku miliamperów, więc nadaje się wyłącznie do sterowania wejściem układu cyfrowego lub bramki tranzystora MOSFET.

Minimalne napięcie wejściowe zostało zdefiniowane jako taka wartość skuteczna, przy której przez wejście układu popłynie prąd o natężeniu 1,5 mA. Wynosi około 70 V. Z kolei maksymalne napięcie skuteczne wynosi 300 V i jest ograniczone przez wytrzymałość złącza śrubowego J1. Gdyby go nie montować, lecz wlutować przewody bezpośrednio w płytkę, maksymalna moc tracona na R1 ustanowiłaby limit na poziomie 375 V. Można rozszerzyć ten zakres jeszcze bardziej, na przykład na potrzeby wykrywania napięcia międzyfazowego w sieci 400 V, poprzez podłączenie dodatkowego rezystora w szereg z jednym z zacisków złącza J1.

Pobór prądu przez układ zależy od napięcia zasilania. Przy podaniu na wejście napięcia sieciowego 230 V, przy 3 V układ prototypowy pobierał 0,3 mA, zaś przy 15 V już 1,4 mA. W stanie spoczynku, przy braku napięcia na wejściu, pobór prądu wynosił około 1 μA, niezależnie od napięcia zasilania.

Michał Kurzela, EP

Wykaz elementów:
Rezystory: (THT o mocy 0,25 W jeżeli nie wskazano inaczej)
  • R1: 47 kΩ 3 W
  • R2: 10 kΩ
  • R3, R5: 100 Ω
  • R4: 1 MΩ
Kondensatory:
  • C1, C2: 100 nF raster 5 mm MKT
  • C3: 100 μF 25 V raster 2,54 mm
Półprzewodniki:
  • D1: 1N4148
  • OK1: PC814
  • US1: CD4093 (DIP14)
Pozostałe:
  • J1: ARK2/500
  • J2: ARK3/500
Artykuł ukazał się w
Elektronika Praktyczna
lipiec 2022
DO POBRANIA
Materiały dodatkowe
Elektronika Praktyczna Plus lipiec - grudzień 2012

Elektronika Praktyczna Plus

Monograficzne wydania specjalne

Elektronik listopad 2025

Elektronik

Magazyn elektroniki profesjonalnej

Raspberry Pi 2015

Raspberry Pi

Wykorzystaj wszystkie możliwości wyjątkowego minikomputera

Świat Radio listopad - grudzień 2025

Świat Radio

Magazyn krótkofalowców i amatorów CB

Automatyka, Podzespoły, Aplikacje listopad - grudzień 2025

Automatyka, Podzespoły, Aplikacje

Technika i rynek systemów automatyki

Elektronika Praktyczna listopad 2025

Elektronika Praktyczna

Międzynarodowy magazyn elektroników konstruktorów

Elektronika dla Wszystkich grudzień 2025

Elektronika dla Wszystkich

Interesująca elektronika dla pasjonatów