Vintage audio DAC na TDA1387

Vintage audio DAC na TDA1387

Pokazany w artykule DAC bazuje na układzie TDA1387T, który jest nowszą wersją często stosowanego w konstrukcjach DIY układu TDA1543. Ma w związku z tym kilka usprawnień: obsługa wyższych częstotliwości próbkowania 192 kHz, autokalibrację, mniejszą obudowę oraz prostszą aplikację. Połączenie współczesnego Raspberry Pi z „krzemową prehistorią” może dać zaskakujący efekt.

Podstawowe parametry:
  • bazuje na układzie TDA1387T, który jest nowszą wersją układu TDA1543,
  • wyjście stereo, obsługa częstotliwości próbkowania do 192 kHz,
  • zawiera złącze umożliwiające łatwe dołączenie Raspberry Pi,
  • zgodny z Hifi-Berry_DAC.

Budowa i działanie

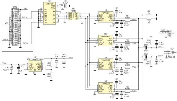
Schemat przetwornika audio DAC pokazany jest na rysunku 1. Układy TDA1387T połączone są równolegle (U2...U5). Zsumowane prądy wyjściowe przetworników konwertowane są na napięcie za pomocą rezystorów R1 i R2, dla każdego kanału osobno. Muszą być to rezystory precyzyjne i o niskim poziomie szumów, gdyż od ich jakości i dokładności doboru zależy jakość konwersji.

Rysunek 1. Schemat ideowy

Zasilanie każdego z układów TDA1387T jest odsprzęgane osobnym obwodem FB1, C3, CE5...FB4, C9, CE8. Jako CEx warto zastosować kondensatory tantalowe o małym współczyniku ESR. Wewnętrzne napięcie odniesienia VREF odsprzęgane jest kondensatorami C2, C4, C6, C8. Układ U1 typu LVTH125 buforuje interfejs I2S dołączonego urządzenia, np. komputerka Raspberry Pi i dopasowuje poziom sygnałów logicznych.

Kondensatory sprzęgające CE1 i CE2 powinny być dostosowane do pracy w torach audio np. Panasonic FC itp, warto dobrać miernikiem ich identyczne pojemności. Sygnał wyjściowy z DAC dostępny jest na złączu OUT typu mini jack stereo 3,5 mm oraz na złączu OUT1 typu B3B_PHKS (2 mm).

Układ jest pozbawiony filtrów wyjściowych (tylko kondensatory C10 i C11), co jest bezpośrednim nawiązaniem do aplikacji NOS DAC TDA1543. Blok przetwornika zasilany jest z niskoszumowego stabilizatora LDO bazującego na układzie U6 typu ADP7104-ADJ, o ustalonym na 4,5 V napięciu wyjściowym. Napięcie zasilania 5 V pobierane jest z GPIO Raspberry Pi.

Montaż i uruchomienie

Schemat płytki PCB został pokazany na rysunku 2. Sposób montażu jest klasyczny i nie wymaga szczegółowego opisu. Po zmontowaniu i sprawdzeniu poprawności można podłączyć układ do Raspberry Pi.

Rysunek 2. Schemat płytki PCB

Prawidłowo zmontowany DAC nie wymaga uruchamiania. Jest zgodny z Hifi-Berry_DAC i tak należy skonfigurować system, z którym będzie współpracował. Najlepszym wyborem jest Raspbian, gdyż ma wbudowaną obsługę programową (zgodną z Hifi-Berry). W systemie trzeba wykonać następujące polecenia. Na wszelki wypadek należy zaktualizować system:

sudo rpi-update
sync
sudo reboot

Następnie należy usunąć z pliku /boot/config.txt linię:

dtparam=audio=on

i załączyć obsługę DAC, dodając wpisy w pliku /boot/config.txt

dtoverlay=hifiberry-dac

Kolejnym krokiem jest skonfigurowanie ALSA poprzez utworzenie pliku /etc/asound.conf z zawartością:

pcm.!default {
type hw card 0
}
ctl.!default {
type hw card 0
}

Po tych czynnościach należy zrestartować Pi.

Po uruchomieniu warto sprawdzić poprawność konfiguracji poleceniem:

sudo aplay –l

DAC powinien pojawić się na liście dostępnych urządzeń odtwarzających:

**** List of PLAYBACK Hardware Devices ****
card 0: sndrpihifiberry [snd_rpi_hifiberry_dac], device 0: HifiBerry DAC HiFi pcm5102 a-hifi-0 []
Subdevices: 1/1
Subdevice #0: subdevice #0

Dla sprawdzenia działania można użyć pliku flac/wav/mp3 i odtwarzacza VLC Player, Amarok lub wygenerować sygnał testowy za pomocą np. Audacity.

Adam Tatuś, EP

Wykaz elementów:
Rezystory:
  • R1, R2: 1 kΩ (SMD1206) metalizowany 1%
  • R3, R4: 220 kΩ (SMD1206) 1%
  • R5: 36 kΩ (SMD0805) 1%
  • R6: 13 kΩ (SMD0805) 1%
Kondensatory:
  • C1, C3, C5, C7, C9: 0,1 μF (SMD0603)
  • CE1, CE2: 47 μF elektrolityczny
  • C2, C4, C6, C8, C12, C13: 1 μF (SMD0603)
  • CE3, CE4: 100 μFT/10 V (SMC) tantalowy
  • CE5, CE6, CE7, CE8: 10 μF/10 V tantalowy
  • C10, C11: 3,3 nF foliowy 5 mm
Półprzewodniki:
  • U1: LVTH125 (SO14)
  • U2, U3, U4, U5: TDA1387T (SO8)
  • U6: ADP7104ARDZ-ADJ (SO8TP)
Pozostałe:
  • FB1, FB2, FB3, FB4: koralik ferrytowy 600 Ω/100 MHz 100 mA (SMD0805)
  • GPIO: złącze IDC 40
  • OUT1: złącze JST3, 2 mm
  • OUT: mini jack stereo LUMBERG 1503-03
  • RP1: drabinka 4×100Ω 5% (CRA06S08)
Artykuł ukazał się w
Elektronika Praktyczna
luty 2022
DO POBRANIA
Materiały dodatkowe
Elektronika Praktyczna Plus lipiec - grudzień 2012

Elektronika Praktyczna Plus

Monograficzne wydania specjalne

Elektronik listopad 2025

Elektronik

Magazyn elektroniki profesjonalnej

Raspberry Pi 2015

Raspberry Pi

Wykorzystaj wszystkie możliwości wyjątkowego minikomputera

Świat Radio listopad - grudzień 2025

Świat Radio

Magazyn krótkofalowców i amatorów CB

Automatyka, Podzespoły, Aplikacje listopad - grudzień 2025

Automatyka, Podzespoły, Aplikacje

Technika i rynek systemów automatyki

Elektronika Praktyczna listopad 2025

Elektronika Praktyczna

Międzynarodowy magazyn elektroników konstruktorów

Elektronika dla Wszystkich grudzień 2025

Elektronika dla Wszystkich

Interesująca elektronika dla pasjonatów