"Magiczne oczko" z wyświetlaczem OLED

"Magiczne oczko" z wyświetlaczem OLED

Lampy elektronowe zdobyły ogromne uznanie jako elementy stosowane we wzmacniaczach audio. Ale są różne ich rodzaje. Wyjątkowymi konstrukcjami są lampy wskaźnikowe znane jako „magiczne oczka”. Kiedyś były używane jako wskaźniki dostrojenia w odbiornikach radiowych, dziś chętnie stosowane są w roli wskaźników wysterowania wzmacniaczy. Ponieważ są to komponenty unikatowe i ich liczba stale maleje, powstał pomysł na opracowanie nowoczesnego, półprzewodnikowego zamiennika takiej lampy.

Podstawowe parametry:
  • wskazywanie aktualnej amplitudy sygnału audio w postaci wydłużającego się paska,
  • wyświetlacz OLED 0,91”,
  • potencjometr do regulacji stałej czasowej narastania i opadania,
  • zasilanie napięciem 7…15 V, pobór prądu do 40 mA.

Na przestrzeni lat powstało wiele rodzajów „magicznych oczek”. Takie jak EM80 mają pole odczytowe w kształcie wydłużonego półkola, na którym wąska kreska rozchyla się w listek. Jeszcze inne, jak EM84, mają napylony na bańkę luminofor, na którym wyświetlają się dwa zbliżające się do siebie paski. Pomysłów było co niemiara wraz z miniaturowym DM70 z polem odczytowym w kształcie... wykrzyknika.

Niestety, jak każda inna lampa elektronowa, tak i wspomniane oczka ulegały zużyciu. Jedne wolnej (jak EM84), inne szybciej (jak EM80). Głównym powodem było zużycie katody i wypalenie luminoforu. Nowe lampy tego typu nie są produkowane bądź ich cena odstrasza. Nie wiadomo też, jak będzie z ich dostępnością w przyszłości. Dlatego warto rozważyć wyposażenie swojej nowej konstrukcji (wzmacniacza, tunera lub innego sprzętu audio) w półprzewodnikowy zamiennik tego typu lampy, a dokładniej: we wskaźnik wysterowania. Rozświetlający się w rytm muzyki pasek daje niezastąpiony efekt, a jego trwałość jest nieporównywalnie większa niż lampy. Co ważne, można mu nadać niemal dowolny kolor – wystarczy do tego kolorowy, półprzezroczysty filtr.

Budowa i działanie

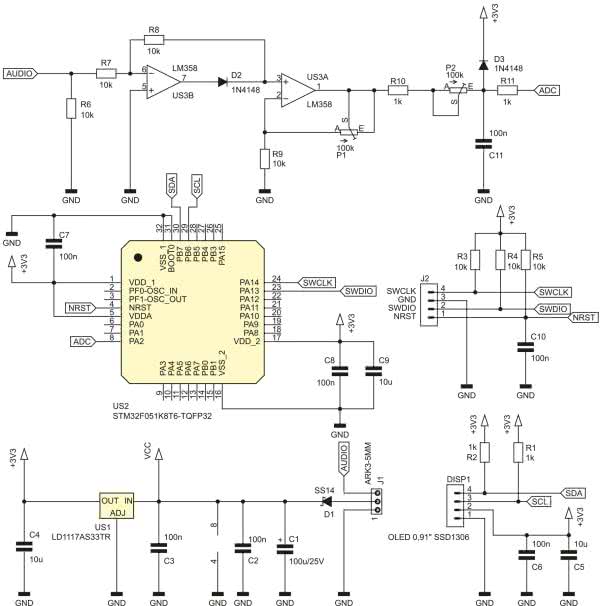
Schemat ideowy wskaźnika wysterowania został pokazany na rysunku 1. Większość funkcji realizuje mikrokontroler z rodziny STM32F0. Jego rdzeń oraz wbudowane peryferia są taktowane sygnałem zegarowym o częstotliwości 48 MHz, który jest generowany przez blok PLL z wewnętrznego oscylatora RC o częstotliwości 8 MHz. Ten układ nie wykonuje zadań krytycznych czasowo, zatem można było zmniejszyć liczbę zewnętrznych elementów i zrezygnować z rezonatora kwarcowego. Kluczowa w tym projekcie była miniaturyzacja płytki drukowanej.

Rysunek 1. Schemat ideowy układu

Zasilanie mikrokontrolera pochodzi ze stabilizatora liniowego US1, który dostarcza stabilizowanego napięcia o wartości 3,3 V. Zasilanie części analogowej nie jest stabilizowane, a jedynie filtrowane z większych tętnień. Ułatwia to dioda D1, która doładowuje kondensator elektrolityczny C1. Dodatkowym zadaniem tej diody jest zabezpieczenie układu przed uszkodzeniem w razie odwrotnego podłączenia zasilania.

Wyświetlacz OLED komunikuje się z mikrokontrolerem poprzez prostą magistralę I2C. Rezystory podciągające jej linie sygnałowe mają stosunkowo niewielką rezystancję (1 kΩ), aby możliwie zmniejszyć stałą czasową ładowania pojemności wszystkich pojemności pasożytniczych. W tym układzie jest to o tyle ważne, że I2C pracuje z pełną możliwą szybkością (400 kHz). Dzięki temu następuje szybka aktualizacja zawartości wyświetlacza.

Programowanie mikrokontrolera może odbywać się po wlutowaniu go w płytkę drukowaną poprzez interfejs SWD, który obsługują mikrokontrolery z rodziny STM32. Trzy niezbędne linie sygnałowe (oraz masa) są wyprowadzone na złącze J2. W trakcie normalnej pracy układ nie korzysta z nich, zostały więc podciągnięte zewnętrznymi rezystorami do potencjału linii zasilającej mikrokontroler.

Ostatnim blokiem na schemacie jest układ dopasowujący sygnał audio do przetwornika ADC mikrokontrolera. Jego wejścia obsługują jedynie sygnał unipolarny z przedziału od 0 V do 3,3 V. Natomiast sygnał audio jest bipolarny i ma niewielka amplitudę. O ile dodanie składowej stałej do sygnału audio, która ma uczynić z niego sygnał unipolarny nie jest skomplikowane, o tyle zwiększenie jego amplitudy jest już nieco trudniejsze.

Pierwszym członem jest dwupołówkowy prostownik idealny wykonany na wzmacniaczu operacyjnym US3B. Ujemna połówka sygnału jest odwracana, ponieważ próbuje obniżyć potencjał wejścia odwracającego tego wzmacniacza. Wtedy wzmacniacz, poprzez diodę D2 i rezystor R8, „dolewa” do tego węzła prądu, aby utrzymać potencjał obu swoich wejść na tym samym poziomie. Z kolei dodatnia połówka sygnału przechodzi wprost przez rezystory R7 i R8, zaś wtedy wyjście wzmacniacza operacyjnego przyjmuje potencjał zerowy i dioda D2 zatyka się.

Impedancja wyjściowa tego prostownika zmienia się znacząco. Podczas prostowania ujemnych połówek sygnału wyjście jest sterowane przez wzmacniacz operacyjny, więc ta impedancja jest niemal zerowa. Z kolei dodatnie połówki sygnału przechodzą przez rezystory o sumarycznej rezystancji 20 kΩ. Dlatego następny stopień musi mieć bardzo wysoką impedancję wejściową, aby nie zniekształcać wyprostowanego sygnału. Wprawdzie w tym układzie i tak nie potrzebujemy toru audio zapewniającego dużą wierność, ponieważ jest to tylko wskaźnik wysterowania, lecz nadmierne zaburzanie amplitudy sygnału jest tutaj niewskazane. Również z tego powodu został użyty tani i popularny wzmacniacz operacyjny typu LM358, który nie grzeszy szybkością (niska wartość parametru Slew-Rate), za to można go zasilać z pojedynczego napięcia, co jest znacznie wygodniejsze. Równie istotny jest fakt, że prawidłowo obsługuje napięcia bliskie 0 V.

Drugi człon to wzmacniacz nieodwracający o wzmocnieniu regulowanym potencjometrem P1. Może ono wynosić od 1 V/V do 11 V/V. Można je wygodnie dostosować do swoich potrzeb tak, aby nie dochodziło do przesterowania wskaźnika. Sygnał audio zmienia się bardzo szybko, nasze oczy nie zauważyłyby tak szybkich skoków wartości chwilowej. Dlatego został dodany prosty filtr RC, który spowalnia te zmiany i czyni je łatwiejszymi do zauważenia, choć dzieje się to kosztem uśrednienia pojedynczych, mocnych uderzeń np. perkusji. Potencjometrem P2 można ustalić wygodną dla siebie stałą czasową – im większa, tym zmiany zachodzą wolniej, lecz pojedyncze, szybkie zmiany są całkowane.

Dioda D3 zabezpiecza wejście przetwornika A/C przed napięciem wychodzącym poza dozwolony przedział. Wyjście wzmacniacza US3 A nie jest w żaden sposób ograniczone i chwilowa wartość impulsu może być wyższa niż 3,3 V – dioda D3 obetnie nadmiar. Rezystor R11 ogranicza prąd diod wbudowanych w wejście przetwornika, gdyby D3 nie spełniła swego zadania w dostatecznym stopniu.

Montaż i uruchomienie

Układ został zmontowany na dwustronnej płytce drukowanej o wymiarach 70×20 mm. Jej schemat prezentuje rysunek 2. W odległości 3 mm od krawędzi płytki znalazło się miejsce dla otworów montażowych, każdy o średnicy 3,2 mm.

Rysunek 2. Schemat płytki PCB

Montaż płytki należy przeprowadzić w odpowiedniej kolejności. Jako pierwsze powinny zostać przylutowane wszystkie elementy w obudowach do montażu powierzchniowego, które znajdują się wyłącznie na wierzchniej stronie płytki. Następnie należy przylutować złącza J1 i J2, potencjometry P1 i P2 oraz kondensator C1, które powinny znaleźć się po przeciwnej stronie płytki. W ten sposób mamy wygodny dostęp do złączy i elementów regulacyjnych. Na koniec należy przylutować czteropinowe gniazdo typu goldpin do wyświetlacza DISP1, które musi być umieszczone na stronie wierzchniej (fotografia 1). Teraz można umieścić wyświetlacz na właściwym miejscu. Zmontowany i gotowy do działania układ pokazuje fotografia tytułowa.

Fotografia 1. Widok zmontowanego układu, gotowego na dołączenie wyświetlacza

Zanim układ zadziała, wymaga jeszcze zaprogramowania mikrokontrolera, o ile nie był on zaprogramowany wcześniej. W tym celu należy zasilić płytkę napięciem stałym z przedziału 7…15 V, najlepiej 12 V, podłączonym do zacisków GND i VCC złącza J1. Wyższa wartość może uszkodzić stabilizator US1, a przy niższej może nie działać prawidłowo wzmacniacz operacyjny US3. Pobór prądu jest zależny od zawartości wyświetlacza (liczby załączonych pikseli) i nie przekracza 40 mA. W spoczynku jest to około 10 mA. Programator dołączany jest do złącza J2.

Fotografia 2.  Wyświetlacz w czasie pracy

Sygnał audio powinien być pozbawiony składowej stałej i mieć amplitudę rzędu kilkuset miliwoltów. Wyjście karty dźwiękowej komputera czy odtwarzacza CD będzie jak najbardziej prawidłowym źródłem sygnału. W razie obecności składowej stałej można ją odciąć poprzez szeregowe włączenie kondensatora o pojemności np. 2,2 μF. Prawidłowo działający układ pokazuje uśrednioną wartość chwilową sygnału poprzez wydłużanie i skracanie białego prostokąta – fotografia 2. Bez sygnału może się świecić pojedynczy pasek pikseli po lewej stronie (przy złączu goldpin), co jest wywołane niewielką składową stałą pochodzącą od napięcia niezrównoważenia wzmacniacza operacyjnego. Potencjometrem P1 ustawiamy takie wzmocnienie, aby układ się nie przesterowywał przedwcześnie, zaś P2 ustawiamy wedle swoich upodobań co do szybkości reakcji wskaźnika.

Wyświetlacz świeci w kolorze białym, co wśród prawdziwych „magicznych oczek” nie miało miejsca. Dlatego można użyć barwnego filtru do wyświetlaczy LED lub cienkiego, barwionego kawałka pleksi, aby uzyskać kolor zbliżony do oryginału lub całkowicie inny, w zależności od potrzeb.

Michał Kurzela, EP

Wykaz elementów:
Rezystory:
  • R1, R2, R10, R11: 1 kΩ (SMD0805)
  • R3…R9: 10 kΩ (SMD0805)
  • P1, P2: 100k Ω montażowe leżące
Kondensatory:
  • C1: 100 μF 25 V raster 2,54 mm
  • C2, C3, C6…C8, C10, C11: 100 nF (SMD0805)
  • C4, C5, C9: 10 μF 16 V (SMD0805)
Półprzewodniki:
  • D1: SS14
  • D2, D3: 1N4148 (MiniMELF)
  • DISP1: OLED 0,91" SSD1306 128×32 pikseli biały
  • US1: LD1117AS33TR
  • US2: STM32F051K8T6 (TQFP32)
  • US3: LM358 (SO8)
Pozostałe:
  • J1: ARK3/500
  • J2: goldpin 4 pin męski 2,54 mm THT
  • Złącze męskie + żeńskie 4 pin 2,54 mm do wyświetlacza
Artykuł ukazał się w
Elektronika Praktyczna
luty 2022
DO POBRANIA
Materiały dodatkowe
Elektronika Praktyczna Plus lipiec - grudzień 2012

Elektronika Praktyczna Plus

Monograficzne wydania specjalne

Elektronik listopad 2025

Elektronik

Magazyn elektroniki profesjonalnej

Raspberry Pi 2015

Raspberry Pi

Wykorzystaj wszystkie możliwości wyjątkowego minikomputera

Świat Radio listopad - grudzień 2025

Świat Radio

Magazyn krótkofalowców i amatorów CB

Automatyka, Podzespoły, Aplikacje listopad - grudzień 2025

Automatyka, Podzespoły, Aplikacje

Technika i rynek systemów automatyki

Elektronika Praktyczna listopad 2025

Elektronika Praktyczna

Międzynarodowy magazyn elektroników konstruktorów

Elektronika dla Wszystkich grudzień 2025

Elektronika dla Wszystkich

Interesująca elektronika dla pasjonatów