Sterownik mikroserwomechanizmów do Pi Pico

Sterownik mikroserwomechanizmów do Pi Pico

Zaprezentowany moduł to nakładka na Raspberry Pi Pico zawierająca tory sterujące dla dwóch mikroserwomechanizmów oraz dwa dodatkowe wyjścia mocy typu OD. Będzie przydatna w aplikacjach z zakresu robotyki i automatyki.

Podstawowe parametry:
  • współpracuje z dwoma typowymi miniaturowymi serwomechanizmami,
  • dwa dodatkowe wyjścia są zabezpieczone wbudowanymi diodami, co upraszcza podłączenie, np. przekaźników elektromagnetycznych,
  • zastosowano przetwornicę podwyższająco-obniżającą, która pracuje poprawnie w zakresie napięcia 3,6…9 V.

Moduł współpracuje z dwoma typowymi miniaturowymi serwomechanizmami podłączanymi do złączy SVAB, SVB, w standardzie Grove. Na złącze SVAB wyprowadzone są oba sygnały sterujące, co umożliwia wykorzystanie sygnałów PWM nie tylko do sterowania serwomechanizmami. Na wyjście OUT wyprowadzone są buforowane sygnały 12 i 13 płytki Pi Pico. Wyjścia są zabezpieczone wbudowanymi diodami, co upraszcza podłączenie przekaźników elektromagnetycznych lub cewek niewielkich elektromagnesów.

Budowa i działanie

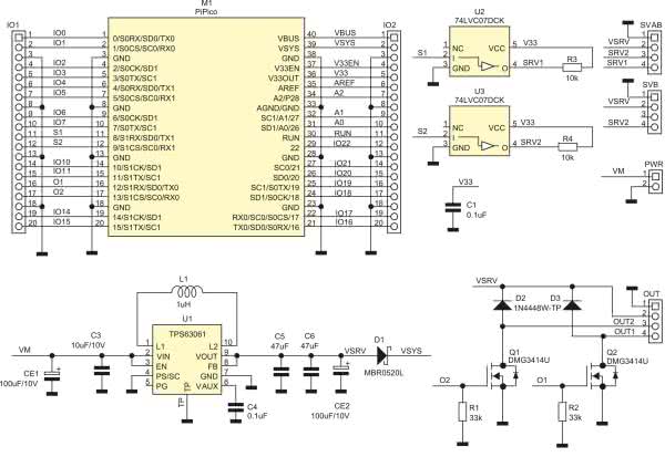
Schemat modułu został pokazany na rysunku 1.

Rysunek 1. Schemat ideowy modułu

Serwomechanizmy zasilane są napięciem 5 V z wbudowanej przetwornicy. Sygnały PWM z wyprowadzeń 8 i 9 płytki Pi Pico są buforowane oraz wykonywana jest konwersja poziomów logicznych z 3,3 V do 5 V w układach U2, U3. Zastosowana przetwornica podwyższająco-obniżająca U1 typu TPS63061 jest zasilana z napięcia VM.

Dostarcza ona napięcia VSRV = 5 V do zasilania serwomechanizmów i obciążeń podłączonych do wyjść OUT oraz napięcia VSYS o wartości ok. 4,8 V do zasilania płytki Pi Pico. Dioda D1 zapobiega przepływowi prądu wstecznego, gdy moduł zasilany jest także z USB np. podczas uruchamiania. Przetwornica pracuje poprawnie w zakresie napięcia VM = 3,6...9 V, obciążalność sumaryczna napięcia VSRV nie powinna przekraczać 800 mA.

Montaż i uruchomienie

Moduł zmontowano na dwustronnej płytce drukowanej o wymiarach zgodnych z Raspberry Pi Pico. Jej schemat został pokazany na rysunku 2. Montaż jest typowy, należy tylko zwrócić uwagę na przylutowanie padu termicznego układu U1, dla zapewnienia prawidłowego odprowadzania ciepła.

Rysunek 2. Schemat płytki PCB

Zmontowany moduł nie wymaga uruchamiania. Sterowanie serwomechanizmami odbywa się poprzez konfigurację wyprowadzeń GPIO w tryb PWM. Szybkiego sprawdzenia modułu, po podłączeniu silników i zasilania, można dokonać, korzystając z IDE Thonny i micropythona oraz terminalu szeregowego. Na początek musimy wykonać import bibliotek Pin, PWM, sleep:

from machine import Pin, PWM
from time import sleep

Następnie definiujemy wyjścia sterujące:

OUT1 = Pin(12, Pin.OUT)
OUT2 = Pin(13, Pin.OUT)
pwm1 = PWM(Pin(8))
pwm2 = PWM(Pin(9))
pwm1.freq(50)
pwm2.freq(50)

Teraz możemy sterować stanem wyjść OUT, np.:

OUT1.value(0)
OUT1.value(1)
OUT2.value(0)
OUT2.value(1)

Ustawienie serwo zmieniamy, ustawiając odpowiednio wypełnienie sygnału PWM, np.:

pwm1.duty_u16(2000)
pwm1.duty_u16(2500)
pwm1.duty_u16(2000)

pwm2.duty_u16(2000)
pwm2.duty_u16(2500)
pwm2.duty_u16(2000)

Jeżeli po sprawdzeniu wszystko działa poprawnie, można moduł zastosować we własnej aplikacji.

Adam Tatuś, EP

Wykaz elementów:
Rezystory:
  • R1, R2: 33 kΩ SMD0603
  • R3, R4: 10 kΩ SMD0603
Kondensatory:
  • C1, C4: 0,1 μF SMD0603
  • C3: 10 μF/10 V
  • C5, C6: 47 μF SMD1206
  • CE1, CE2: 100 μF/10 V kondensator elektrolityczny miniaturowy SMD
Półprzewodniki:
  • D1: MBR0520L (SOD123)
  • D2, D3: 1N4448W-TP (SOD123)
  • Q1, Q2: tranzystor MOSFET DMG3414U (SOT-23)
  • U1: TPS63061DSC (WSON10)
  • U2, U3: 74LVC07DCK (SC70-5)
Inne:
  • L1: 1 μH dławik HPI0420-1R0
  • IO1, IO2: listwa żeńska 20 PIN, 2,54 mm lub listwa przelotowa GPIO Pico
  • PWR: złącze DG 3,5 mm, 2 piny
Artykuł ukazał się w
Elektronika Praktyczna
listopad 2021
DO POBRANIA
Materiały dodatkowe
Elektronika Praktyczna Plus lipiec - grudzień 2012

Elektronika Praktyczna Plus

Monograficzne wydania specjalne

Elektronik listopad 2025

Elektronik

Magazyn elektroniki profesjonalnej

Raspberry Pi 2015

Raspberry Pi

Wykorzystaj wszystkie możliwości wyjątkowego minikomputera

Świat Radio listopad - grudzień 2025

Świat Radio

Magazyn krótkofalowców i amatorów CB

Automatyka, Podzespoły, Aplikacje listopad - grudzień 2025

Automatyka, Podzespoły, Aplikacje

Technika i rynek systemów automatyki

Elektronika Praktyczna listopad 2025

Elektronika Praktyczna

Międzynarodowy magazyn elektroników konstruktorów

Elektronika dla Wszystkich grudzień 2025

Elektronika dla Wszystkich

Interesująca elektronika dla pasjonatów