Karta sieciowa z PoE dla RPi Zero

Karta sieciowa z PoE dla RPi Zero

Opisana nakładka ułatwia zastosowanie Raspberry Pi Zero w aplikacjach IoT, oraz automatyce domowej, gdzie karta sieciowa z wbudowanym zasilaczem PoE zgodnym z IEE802.3af upraszcza okablowanie aplikacji.

Podstawowe parametry:
  • interfejs ethernet zrealizowany na znanym, sprawdzonym i wspieranym przez Linuxa układzie ENC28J60,
  • zastosowano gotowy moduł zasilacza PoE Ag990xLP,
  • moduł jest zgodny z IEE802.3af, obsługuje urządzenia klasy 0 (0,44...12,95 W),
  • wymaga zasilania o napięciu 36...57 V (PSE),
  • ma pełne zabezpieczenie wyjścia przetwornicy gwarantujące niezawodną pracę oraz możliwość kalibracji napięcia wyjściowego w zakresie ok. ±10%.

Uproszczoną zasadę działania PoE (Power over Ethernet) pokazano na rysunku 1. Oprócz transmisji danych jednym standardowym przewodem dostarczane jest także zasilanie. W wersji podstawowej służą do tego wolne pary interfejsu 10M/100M (żyły 4, 5, 7, 8), co pozwala na zastosowanie typowych gniazd i transformatorów sprzęgających. W wersji rozszerzonej, zasilanie jest przesyłanie tymi samymi parami przewodów co transmisja danych (żyły 1, 2, 3, 6), co wymusza zastosowanie specjalizowanych gniazd lub transformatorów sprzęgających zdolnych do pracy z większymi prądami uzwojeń.

Rysunek 1. Uproszczony schemat połączenia bloku zasilania PoE z typowym złączem RJ-45

W sieci z systemem PoE są dwa urządzenia:

  • PSE – źródło zasilania, którym może być switch/router PoE lub zasilacz PoE,
  • PD – urządzenie zasilane, dowolny odbiornik zgodny z PoE, np.: kamera IP, punkt dostępowy Wi-Fi itp.

Aby zapewnić odpowiednią moc zasilania, przy niewielkich przekrojach przewodów (ok. 0,2 mm2) podobnie jak w energetyce, zdecydowano o podniesieniu wartości przesyłanego napięcia PoE do wartości ok. 48 V (jeszcze bezpieczne). Teoretycznie umożliwia to dostarczenie z PSE mocy do 15,4 W. Każde z urządzeń PD, w zależności od klasy (0...3, 4) ma przydzielony dopuszczalny zakres pobieranej mocy:

  • 0 – 0,44...12,95 W,
  • 1 – 0,44...3,84 W,
  • 2 – 3,84...6,49 W,
  • 3 – 6,49...12,95 W,
  • 4 – jest zarezerwowane dla przyszłych zastosowań.

Budowa i działanie

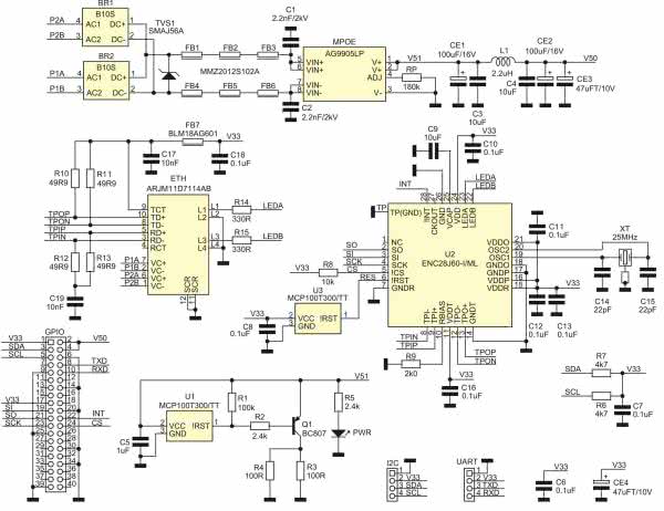
Schemat modułu karty sieciowej z PoE został pokazany na rysunku 2. Układ składa się z dwóch bloków: interfejsu Ethernet i zasilacza PoE. Rolę interfejsu pełni znany, sprawdzony i wspierany przez Linuxa układ ENC28J60. Jest to co prawda tylko interfejs 10BASE-T, ale w domowej automatyce taka przepustowość jest wystarczająca. Układ U2 zasilany jest napięciem 3,3 V bezpośrednio z Raspberry. Układ U3 zapewnia reset U2 po włączeniu zasilania. Do komunikacji z Raspberry układ ENC28J60 używa interfejsu SPI. Odbiornik i nadajnik U2 współpracuje z gniazdem RJ45 ze zintegrowanym transformatorem ETH. Wbudowane w gniazdo diody LED sygnalizują stan interfejsu. Wyprowadzenia VC+/– umożliwiają podłączenie przetwornicy PoE korzystającej zarówno z przesyłu wydzielonymi parami 4/5 i 7/8 jak i wykorzystującymi linie danych 1/2 i 3/6.

Rysunek 2. Schemat ideowy karty sieciowej z PoE

W układzie zastosowano gotowy moduł zasilacza PoE. Wśród dostępnych na rynku opracowań, wybrany został moduł z rodziny Ag990xLP firmy Silvertel. Moduły są zgodne z IEE802.3af, obsługują urządzenia Class0, dopuszczają zasilanie 36–57 V (PSE), posiadają pełne zabezpieczenie wyjścia przetwornicy gwarantujące niezawodną pracę oraz możliwość kalibracji napięcia wyjściowego w zakresie ok. ±10%.

Zastosowanie mostków prostowniczych BR1 i BR2 zapewnia współpracę nakładki z oboma modelami zasilania. Transil TVS1 zabezpiecza przetwornicę przed skutkami przepięć. Dławiki ferrytowe FB1...6 ograniczają zakłócenia EMI generowane przez przetwornicę MPoE. Zastosowany moduł zasilacza AG9905LP dostarcza napięcia 5 V.

Rezystor RP umożliwia kalibrację napięcia wyjściowego modułu (podniesienie napięcia). Dla zapewnienia niezawodnej współpracy z Raspberry Zero, napięcie wyjściowe ustalone jest na 5,2 V. Jest to wartość bezpieczna dla Pi, a jednocześnie zapewniony zostaje zwiększony margines zasilania dla podłączonych urządzeń USB, kompensując spadki napięć na płytce i kluczach zasilania portów. Kondensator CE1 zapewnia filtrację zasilania 5,2 V, dodatkowy filtr L1, CE2, CE3 obniża poziom szumów na wyjściu układu. Kondensatory ceramiczne C3, C4 podnoszą skuteczność filtracji wysokich częstotliwości.

Przetwornica AG9905LP współpracuje z zalecanym przez producenta układem wstępnego obciążenia. Praktycznie każdy z modułów PoE musi pracować z minimalnym obciążeniem, gdyż tylko wtedy zagwarantowane są parametry wyjściowe. Dotyczy to też momentu rozruchu wbudowanej przetwornicy. Spełnienie warunków gwarantuje pracę PSE bez zakłóceń. Układ detektora progu zasilania U1 (MCP100T-3.00) nadzoruje napięcie wyjściowe przetwornicy. Jeżeli jest ono niższe od progu zadziałania, na jego wyjściu utrzymywany jest stan niski, który otwiera tranzystor Q1 włączający rezystory obciążenia wstępnego R3, R4. Po przekroczeniu napięcia progowego, tranzystor jest odcinany, a obciążenie przetwornicy zapewnia uruchamiające się Raspberry Pi Zero.

Dioda PWR sygnalizuje obecność zasilania PoE. Płytka dodatkowo wyposażona jest w wyprowadzenia interfejsów UART i I2C w postaci złącz szpilkowych.

Montaż i uruchomienie

Interfejs został zmontowany na dwustronnej płytce drukowanej, której schemat pokazuje rysunek 3. Montaż nie jest trudny i nie wymaga opisu, wszelkie wątpliwości wyjaśnia fotografia tytułowa zmontowanego układu.

Rysunek 3. Schemat płytki PCB

Uwaga: w module przetwornicy występują napięcia o wartości siegającej 60 V. Należy zachować szczególną ostrożność podczas uruchamiania układu. Dla zwiększenia bezpieczeństwa polecam moduł zabezpieczyć dodatkowo przekładką lub taśmą izolacyjną.

Dla uruchomienia obsługi układu ENC28J60 konieczna jest konfiguracja systemu. W pierwszym kroku należy uaktywnić interfejs SPI i zrestartować RPi. Następnie w pliku: /boot/config.txt należy dodać linię:

dtoverlay=enc28j60

Po restarcie interfejs sieciowy będzie aktywny.

Przed podłączeniem modułu do Pi warto przeprowadzić próby działania. Do wejścia PoE należy doprowadzić napięcie 48 V (wyprowadzenia 1, 2 PoE), wyjście V50 (wyprowadzenia 1, 3 GPIO) należy podłączyć do sztucznego obciążenia 0,1...1 A. Po włączeniu zasilania na wyjściu powinno pojawić się napięcie ok. 5,2 V. Zmieniając prąd obciążenia oraz zasilanie w zakresie 37..57 V sprawdzamy stabilność napięcia wyjściowego, które powinno zawierać się w przedziale 4,8...5,2 V. Dodatkowo jakość zasilania można sprawdzić oscyloskopem, poziom szumów nie powinien przekraczać 50 mV przy maksymalnym obciążeniu (w rzeczywistości jest niższy).

Jeżeli moduł pracuje prawidłowo, możemy podłączyć go do Raspberry Pi Zero oraz do switcha lub zasilacza PoE. Po włączeniu zasilania ponownie sprawdzamy napięcie wyjściowe. Zalecane obciążenie modułu MPoE to 4,5 W, zależy ono od temperatury otoczenia i przy odpowiednim chłodzeniu może sięgać 7,5 W.

Adam Tatuś, EP

Wykaz elementów:
Rezystory: (SMD0603, 1%, o ile nie zaznaczono inaczej)
  • R1 100 kΩ
  • R2, R5: 2,4 kΩ
  • R3, R4: 100 Ω SMD1206
  • R6, R7: 4,7 kΩ
  • R8: 10 kΩ
  • R9: 2 kΩ
  • R10, R11, R12, R13: 49,9 Ω
  • R14, R15: 330 Ω
  • RP: 180 kΩ
Kondensatory:
  • C1, C2: 2,2 nF/2 kV SMD1206
  • C3, C4: 10 µF SMD0805
  • C5: 1 µF SMD0603
  • C6…C8, C10…C13, C16, C18: 0,1 µF SMD0603
  • C9: 10 µF SMD0603
  • C14, C15: 22 pF SMD0603
  • C17, C19: 10 nF SMD0603
  • CE1, CE2: 100 µF/16 V, low ESR, 6,3 mm
  • CE3, CE4: 47 µF/10 V SMD3528 tantalowy
Półprzewodniki:
  • BR1, BR2: mostek prostowniczy 600 V/1 A
  • MPOE: moduł PoE Silvertel AG9905LP (5 V)
  • PWR: dioda LED SMD0603
  • Q1: BC807 (SOT-23)
  • TVS1: transil SMAJ56A
  • U1, U3: MCP100T300/TT (SOT-23)
  • U2: ENC28J60-I/ML (QFN28)
Inne:
  • XT: rezonator kwarcowy 25 MHz CFPX-180
  • L1: 2,2 µH dławik WE 74438356022
  • FB1…FB6: dławik ferrytowy MMZ2012S102A SMD0805
  • FB7: dławik ferrytowy BLM18AG601 SMD0603
  • GPIO: złącze IDC40 żeńskie do druku
  • I2C, UART: listwa SIP4 2,54 mm
  • ETH: gniazdo RJ45 z transformatorem PoE ARJM11D7114
Artykuł ukazał się w
Elektronika Praktyczna
październik 2021
DO POBRANIA
Materiały dodatkowe
Elektronika Praktyczna Plus lipiec - grudzień 2012

Elektronika Praktyczna Plus

Monograficzne wydania specjalne

Elektronik listopad 2025

Elektronik

Magazyn elektroniki profesjonalnej

Raspberry Pi 2015

Raspberry Pi

Wykorzystaj wszystkie możliwości wyjątkowego minikomputera

Świat Radio listopad - grudzień 2025

Świat Radio

Magazyn krótkofalowców i amatorów CB

Automatyka, Podzespoły, Aplikacje listopad - grudzień 2025

Automatyka, Podzespoły, Aplikacje

Technika i rynek systemów automatyki

Elektronika Praktyczna listopad 2025

Elektronika Praktyczna

Międzynarodowy magazyn elektroników konstruktorów

Elektronika dla Wszystkich grudzień 2025

Elektronika dla Wszystkich

Interesująca elektronika dla pasjonatów