Wyświetlacz OLED 2×16 z interfejsem I2C

Wyświetlacz OLED 2×16 z interfejsem I2C

Graficzne wyświetlacze OLED, dzięki niskiej cenie stały się powszechne w konstrukcjach DIY. Dają przyjemny dla oka jasny i ostry obraz... tylko czasem zbyt mały. Jeżeli chcemy większego ekranu i niespecjalnie zależy nam na grafice, warto wrócić do sprawdzonego wyświetlacza 2×16, ale wykonanego w technologii OLED.

Podstawowe parametry:
  • sterowanie wyświetlaczem OLED 2×16 za pośrednictwem magistrali I2C,
  • umożliwia ustawienie 1 z 7 adresów na magistrali,
  • pracuje poprawnie w zakresie napiecia zasilania 3,3...5 V.

Zaprezentowany moduł umożliwia sterowanie wyświetlaczem OLED 2×16 za pośrednictwem magistrali I2C. Dzięki dodatkowym układom pracuje poprawnie w zakresie napiecia zasilania 3,3...5 V i doskonale sprawdza się w prototypowaniu zarówno przy użyciu Raspberry Pi, jak i z klasycznym Arduino.

Budowa i działanie

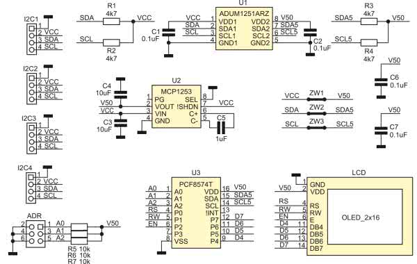
Schemat układu został pokazany na rysunku 1. Magistrala I2C poprzez złącza I2C1...I2C4, zapewniające zgodność z typowymi zestawami uruchomieniowymi, doprowadzona jest do układu U3, ekspandera I/O typu PCF8574. Jako wyświetlacz wybrano łatwo dostępny moduł EA W162-X3LG zasilany z 5 V i pracujący w trybie 4-bitowym zgodnym z HD44780. Aby zapewnić zgodność z systemami 3,3 V płytka zawiera wbudowaną przetwornicę U2 typu MCP1253 zapewniającą zasilanie 5 V dla wyświetlacza, przy napięciu wejściowym w zakresie 3,3...5 V.

Rysunek 1. Schemat ideowy modułu

W dość nietypowej roli zastosowany jest układ U2 izolatora I2C typu ADUM1251. Konieczność konwersji poziomów logicznych 3,3/5 V, w sytuacji gdy napięcie zasilania wynosi 5 V, nie pozwala spełnić warunku różnicy napięć pomiędzy stronami układu translatora. Większość translatorów poziomów pracuje w tej sytuacji niepoprawnie, a w skrajnym wypadku może ulec uszkodzeniu. Izolacja galwaniczna stron U1 pozwala uniknąć tego zagrożenia i ułatwia zastosowanie tylko jednego typu wyświetlacza w systemach 3,3/5 V, co jest szczególnie istotne podczas prototypowania, ponieważ moduły OLED nie należą do najtańszych.

Jeżeli moduł będzie stosowany w systemach jedno napięciowych można nie montować układów U1, U2, a w ich miejsce wlutować zwory ZW1...3, a wyświetlacz wybrać wśród modeli zasilanych z 3,3 V (WEH001602AWPP3N) lub 5 V (WEH001602AWPP3N lub EA W162-X3).

Montaż i uruchomienie

Moduł został zmontowany na dwustronnej płytce drukowanej, której schemat wraz z rozmieszczeniem elementów pokazano na rysunku 2. Montaż jest typowy i nie wymaga szczegółowego opisu. Do połączenia z wyświetlaczem można użyć listwy i gniazda SIP. Wtedy możliwe jest łatwe rozłączenie i wymiana współpracującego wyświetlacza. W modelu zastosowano typowy najczęściej używany wyświetlacz OLED wlutowany przy pomocy listwy SIP bezpośrednio do płytki ekspandera.

Rysunek 2. Schemat płytki PCB z rozmieszczeniem elementów

Poprawnie zlutowany moduł nie wymaga uruchamiania. Zworami ADR należy ustawić wymagany w aplikacji adres ekspandera. Szybkiego sprawdzenia można dokonać przy pomocy przy pomocy Raspberry Pi i ibliotek dostępnych w sieci (i2c_lcd.py). W przypadku niektórych bibliotek może być konieczna edycja procedur odpowiadających, za inicjację wyświetlacza po włączeniu zasilania, gdyż pomimo deklarowanej zgodności z HD44780 zdarzają się problemy z prawidłowym wyświetlaniem.

Adam Tatuś, EP

Wykaz elementów:
Rezystory: (SMD0805, 1%)
  • R1…R4: 4,7 kΩ
  • R5…R7: 10 kΩ
Kondensatory: (SMD0805)
  • C1, C2, C6, C7: 0,1 µF
  • C3, C4: 10 µF
  • C5: 1 µF
Półprzewodniki:
  • U1: ADUM1251ARZ (SO8)
  • U2: MCP1253 (MSOP8)
  • U3: PCF8574T (SO16W)
Inne:
  • ADR: złącze IDC6 + zwora
  • I2C1: złącze JST 1 mm
  • I2C2: złącze PH 2 mm
  • I2C3: złącze SIP4 2,54 mm
  • I2C4: złącze Grove proste 110990030
  • LCD: złącze SIP14
  • ZW1…ZW3: zworka SMD0402
Artykuł ukazał się w
Elektronika Praktyczna
sierpień 2021
DO POBRANIA
Materiały dodatkowe
Elektronika Praktyczna Plus lipiec - grudzień 2012

Elektronika Praktyczna Plus

Monograficzne wydania specjalne

Elektronik listopad 2025

Elektronik

Magazyn elektroniki profesjonalnej

Raspberry Pi 2015

Raspberry Pi

Wykorzystaj wszystkie możliwości wyjątkowego minikomputera

Świat Radio listopad - grudzień 2025

Świat Radio

Magazyn krótkofalowców i amatorów CB

Automatyka, Podzespoły, Aplikacje listopad - grudzień 2025

Automatyka, Podzespoły, Aplikacje

Technika i rynek systemów automatyki

Elektronika Praktyczna listopad 2025

Elektronika Praktyczna

Międzynarodowy magazyn elektroników konstruktorów

Elektronika dla Wszystkich grudzień 2025

Elektronika dla Wszystkich

Interesująca elektronika dla pasjonatów