Cyfrowy wzmacniacz audio w formacie RPi Zero

Cyfrowy wzmacniacz audio w formacie RPi Zero

Zaprezentowany moduł to cyfrowy wzmacniacz audio o mocy 2×3 W wykonany w formacie płytki Raspberry Pi Zero. Będzie pomocny przy budowie niewielkich aplikacji multimedialnych takich jak odtwarzacze sieciowe, odbiorniki radia internetowego, kioski informacyjne, ale także w systemach syntezy głosu TTS (Text to Speech) bazujących na Raspberry Pi.

Podstawowe parametry:
  • moc 2×3 W przy impedancji 4 Ω,
  • komunikacja przez interfejs I2S,
  • jest przeznaczony do łatwego podłączenia do Raspberry Pi Zero, ale działa także z innymi wersjami komputerka,
  • możliwość regulacji wzmocnienia w zakresie od +3 do +15 dB, co 3 dB, przy pomocy rezystorów na PCB,
  • wymaga zasilania 5 V o wydajności ok. 2...3 A.

Pomimo niewielkich rozmiarów płytka integruje dwa kanały wzmacniacza audio z wbudowanymi przetwornikami DAC i interfejsem I2S, przeznaczone do łatwego podłączenia do Raspberry Pi Zero. Dzięki zastosowaniu specjalistycznych układów typu MAX98357A, których budowa wewnętrzna została pokazana na rysunku 1, płytka nie wymaga uruchamiania, a ilość elementów zewnętrznych ograniczona jest do minimum.

Rysunek 1. Budowa wewnętrzna układu MAX98357A

W tej konfiguracji moduł dostarcza moc do 3 W przy impedancji 4 Ω. W zależności od potrzeb, może zostać wyposażony tylko w jeden wzmacniacz mocy, co zmniejsza koszt rozwiązania i jest wystarczające w aplikacjach TTS.

Budowa i działanie

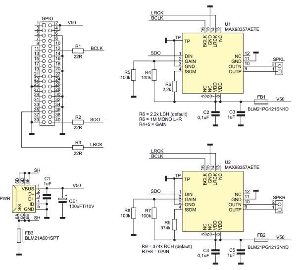
Schemat ideowy modułu został pokazany na rysunku 2. Sygnał I2S wychodzący ze złącza GPIO, poprzez rezystory dopasowujące R1...R3 jest doprowadzony do układu U1 dla kanału lewego oraz U2 dla kanału prawego, każdy z układów odtwarza tylko jeden kanał sygnału z interfejsu.

Rysunek 2. Schemat modułu wzmacniacza

Rezystory R6 oraz R9 umożliwiają konfigurację trybu pracy wzmacniaczy, dla wartości 2,2 kΩ wzmacniacz skonfigurowany jest dla odtwarzania kanału lewego (domyślne dla U1), dla 374 kΩ (i zasilania 5 V) dla odtwarzania kanału prawego (domyślne dla U2) lub w przypadku rezystora R6=1 MΩ, dla odtwarzania sumy sygnałów L+R dla trybu Mono, co jest użyteczne w aplikacjach TTS i informacyjnych (w przypadku trybu mono nie montujemy wzmacniacza U2).

Układ MAX98357A ma możliwość regulacji wzmocnienia w zakresie od +3 do +15 dB, co 3 dB. Odbywa się to poprzez odpowiednią konfigurację rezystorów R4, R5 i R7, R8 podłączonych do wyprowadzenia GAIN. Wartości rezystorów dla różnych ustawień wzmocnienia zestawiono w tabeli 1.

Wzmocniony sygnał wyprowadzony jest na złącza SPKL/R dla każdego z kanałów. Ze względu na znaczny pobór mocy moduł wymaga zasilania 5 V o wydajności ok 2...3 A. Zasilanie powinno być doprowadzone do złącza PWR (Micro USB), tak aby zminimalizować długość połączeń wysokoprądowych. Raspberry Pi Zero zasilane jest w tym przypadku z modułu wzmacniacza audio poprzez złącze GPIO.

Montaż i uruchomienie

Moduł audio zmontowany jest na niewielkiej dwustronnej płytce drukowanej zgodnej mechanicznie z RPi Zero. Nic nie stoi na przeszkodzie, aby używać jej, także z pełnowymiarowym RPi Plus. Schemat płytki drukowanej został pokazany na rysunku 3. Sposób montażu jest klasyczny i nie wymaga szczegółowego opisu, a zmontowany moduł powinien wyglądać jak na fotografii tytułowej.

Rysunek 3. Schemat płytki PCB wraz z rozmieszczeniem elemenytów

Prawidłowo zmontowany moduł nie wymaga uruchamiania, jednak konieczne jest skonfigurowanie systemu operacyjnego. Najlepszym wyborem jest Raspbian, gdyż ma wbudowaną obsługę programową (zgodną z Hi-Fi-Berry DAC). Na [początek, na wszelki wypadek należy zaktualizować system przy pomocy komend:

Wykaz elementów:
Rezystory: (SMD0805, 1%)
  • R1, R2, R3: 22 Ω
  • R4, R5, R7, R8: 100 kΩ
  • R6: 2,2 kΩ
  • R9: 374 kΩ
Kondensatory:
  • C1, C3, C5: 1 µF SMD0805
  • C2, C4: 0,1 µF SMD0805
  • CE1: 100 µF/10 V SMD3528 tantalowy
Półprzewodniki:
  • U1, U2: MAX98357AETE (TQFN16)
Inne:
  • FB1, FB2: koralik ferrytowy SMD BLM21PG121SN1D
  • FB3: koralik ferrytowy SMD BLM21A601SPT
  • GPIO: złącze IDC 2×20 pinów żeńskie
  • PWR: złącze USB micro MX105017-0001
  • SPKL, SPKR: złącze PH 2 mm 2 piny kątowe
Artykuł ukazał się w
Elektronika Praktyczna
lipiec 2021
DO POBRANIA
Materiały dodatkowe
Elektronika Praktyczna Plus lipiec - grudzień 2012

Elektronika Praktyczna Plus

Monograficzne wydania specjalne

Elektronik listopad 2025

Elektronik

Magazyn elektroniki profesjonalnej

Raspberry Pi 2015

Raspberry Pi

Wykorzystaj wszystkie możliwości wyjątkowego minikomputera

Świat Radio listopad - grudzień 2025

Świat Radio

Magazyn krótkofalowców i amatorów CB

Automatyka, Podzespoły, Aplikacje listopad - grudzień 2025

Automatyka, Podzespoły, Aplikacje

Technika i rynek systemów automatyki

Elektronika Praktyczna listopad 2025

Elektronika Praktyczna

Międzynarodowy magazyn elektroników konstruktorów

Elektronika dla Wszystkich grudzień 2025

Elektronika dla Wszystkich

Interesująca elektronika dla pasjonatów