Wyłącznik zasilania z opóźnieniem

Wyłącznik zasilania z opóźnieniem
Pobierz PDF Download icon

Niektóre urządzenia wymagają wydłużenia czasu ich działania w porównaniu z resztą systemu. Może to być np. oświetlenie zewnętrzne, które działa jeszcze przez jakiś czas od momentu wyłączenia stacyjki w pojeździe, czy też wentylator chłodzący wnętrze rozgrzanej maszyny jeszcze przez jakiś czas od jej wyłączenia. Odcięcie dopływu prądu powinno nastąpić wtedy automatycznie.

Podstawowe parametry:
  • przez zadany czas od zaniku sygnału sterującego,
  • płynna regulacja czasu podtrzymania od 11 s do 15 min,
  • sygnał sterujący: dodatnie napięcie stałe o wartości 10 V…45 V,
  • napięcie zasilania 18 V…43 V,
  • przystosowany do zasilania z instalacji 24 V np. w pojazdach ciężarowych.

Niektóre urządzenia muszą działać nieco dłużej niż pozostałe elementy systemu. Odcięcie dopływu prądu powinno nastąpić wtedy automatycznie, gdyż nikt nie zamierza wracać (ani, tym bardziej czekać) do miejsca pracy tylko po to, aby przełączyć jeden przełącznik.

To jest zadanie w którym sprawdzi się prezentowany układ – załączy obciążenie zaraz po podaniu sygnału napięciowego i wyłączy je po określonym czasie od jego zaniku.

Budowa

Schemat układu został pokazany na rysunku 1. Jedynymi elementami aktywnymi są trzy bramki NAND oraz dwa tranzystory, więc jego analiza nie będzie skomplikowana.

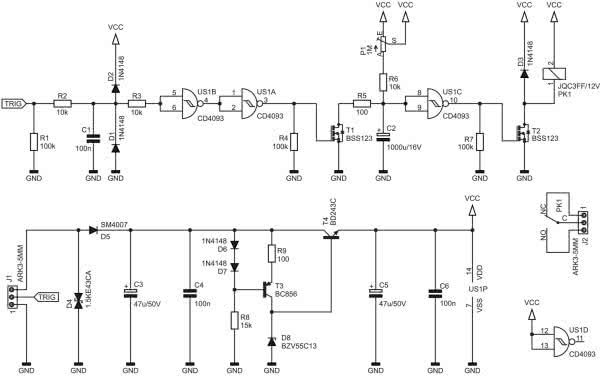
Rysunek 1. Schemat ideowy układu

Wejście sygnału sterującego (linia TRIG) jest ściągane do masy rezystorem R1. Diody D1 i D2 ograniczają jego wartość do takiego poziomu, aby nie spowodować uszkodzenia następnych obwodów. Rezystor R2 ogranicza prąd tych diod, a w połączeniu z kondensatorem C2, stanowi prosty filtr dolnoprzepustowy, który eliminuje szybkozmienne zakłócenia, mogące przypadkowo wyzwolić układ.

Rezystor R3 ogranicza prąd diod zabezpieczających wbudowanych w strukturę bramki US1B. Jej wejścia zostały połączone ze sobą, więc zachowuje się jak odwracający przerzutnik Schmitta. Bramka US1A pełni rolę zwykłego negatora, aby cały ten człon nie odwracał stanu logicznego.

Wystawienie stanu wysokiego przez wyjście bramki US1A powoduje załączenie tranzystora T1. Wówczas on, wymuszając przepływ prądu drenu, rozładowuje kondensator C2. Rezystor R5 ogranicza szybkość tego rozładowywania, aby przez T1 nie popłynął zbyt wysoki prąd chwilowy, powodujący jego uszkodzenie. Układ w tym stanie może trwać dowolnie długo. Napięcie na C2 będzie wtedy, teoretycznie zerowe, a w praktyce nieco większe od zera, rzędu kilkunastu-kilkudziesięciu miliwoltów. To wynika z dzielnika napięciowego, jaki tworzą połączone szeregowo R6 z P1 oraz R5 z RDSon tranzystora T1.

Bramka US1C sprawdza napięcie na okładkach C2. Jeżeli jest ono dostatecznie niskie, interpretuje je jako stan niski i załącza tranzystor T2, który zasila cewkę przekaźnika. Zatem styki przekaźnika zostają przełączone niemal natychmiast po pojawieniu się sygnału sterującego. Po zaniku sygnału wyzwalającego, potencjał bramki T1 spadnie do zera, czyli zostanie on zatkany. Rezystor R6 i potencjometr P1 będą powoli ładowały kondensator C2 – tym wolniej, im większa jest ich wypadkowa rezystancja. Ładowanie będzie trwało bardzo długo, ale najistotniejszy jest moment, w którym bramka US1C uzna potencjał jej wejść za logiczną „1”. Nastąpi wtedy wyłączenie cewki przekaźnika. C2 będzie się ładował dalej, aż do napięcia zasilającego tę część układu, ale nie ma to znaczenia. Przekaźnik pozostanie już wyłączony, aż do następnego rozładowania C2.

Napięcie zasilania układu może mieścić się w szerokich granicach, a na dodatek może być ono silnie zakłócone. Dlatego stabilizator napięcia został zbudowany z kilku elementów dyskretnych, co ma zwiększać odporność na zakłócenia. Dodatkowo, na jego wejściu znalazł się dwukierunkowy transil D4, obcinający impulsy napięcia przekraczające wartość 43 V.

Idea działania tego stabilizatora jest bardzo prosta: dioda Zenera D8 jest spolaryzowana zaporowo, więc na jej zaciskach pojawia się napięcie około 13 V. Tranzystor T4 pełni rolę wtórnika napięciowego, zatem potencjał jego emitera wyniesie około 12,3 V. Pozostaje kwestia zapewnienia prawidłowej polaryzacji tej diody, co również nie jest trudne: źródło prądowe na tranzystorze T3 zapewnia jej prąd o natężeniu 6…7 mA. Diody D6 i D7 polaryzują jego bazę potencjałem około 1,4 V niższym od napięcia zasilającego, więc spadek napięcia na R9 jest zbliżony do spadku napięcia na pojedynczym, przewodzącym złączu p-n, czyli około 0,7 V. Rezystor R8 polaryzuje diody D6 i D7 w kierunku przewodzenia.

Montaż i uruchomienie

Układ został zmontowany na dwustronnej płytce drukowanej o wymiarach 80×35 mm. Jej wzór ścieżek oraz schemat montażowy został pokazany na rysunku 2. W odległości 3 mm od krawędzi płytki znalazły się otwory montażowe o średnicy 3,2 mm.

Rysunek 2. Schemat montażowy i wzór ścieżek płytki PCB

Montaż pnależy rozpocząć od przylutowania elementów w obudowach SMD. Znajdują się tylko na wierzchniej stronie płytki. Potem można przejść do wlutowania podzespołów w obudowach przewlekanych, według ich rosnącej wysokości.

Prawidłowo zmontowany układ jest gotowy do działania. Jedyną czynnością uruchomieniową jest ustawienie potencjometru P1 w położeniu, które zapewni odpowiedni czas opóźnienia wyłączeniu przekaźnika PK1. W układzie prototypowym, minimalna zmierzona wartość tego czasu to 11 s, a najdłuższa 15 min. Należy mieć na uwadze, że temperatura otoczenia będzie miała wpływ na ten parametr, ponieważ zmianie ulega wtedy pojemność elektrolitycznego kondensatora C2.

Podłączenie układu nie powinno nastręczać trudności: do złącza J1 należy doprowadzić zasilanie obecne cały czas (VCC) oraz masę (GND). Sygnał sterujący, czyli np. napięcie pochodzące ze stacyjki samochodowej, winno być podłączone między zacisk IN a masę. Przekaźnik zostanie zwarty (zwarcie styków NO i COM) natychmiast po pojawieniu się sygnału sterującego, a rozwarcie (zwarcie styków NC i COM) nastąpi po upływie określonego czasu od jego zaniku.

Nie ma przeciwwskazań do tego, aby zmienić potencjometr P1 na inny, o mniejszej rezystancji, jeżeli wymagane jest opóźnienie rzędu pojedynczych sekund. W celu zapewnienia większej stabilności temperaturowej, można pokusić się o zmianę kondensatora C2 na tantalowy, pamiętając o takim samym (lub wyższym) napięciu znamionowym, co w przypadku oryginalnego, elektrolitycznego.

Pobór prądu ze źródła zasilania wynosi 9 mA przy wyłączonym przekaźniku oraz 38 mA po jego załączeniu. Są to wartości zmierzone w układzie prototypowym przy napięciu 24 V. Napięcie zasilania może się wahać od 18 V do 43 V. Tak szeroki zakres czyni układ odpornym na zakłócenia, które mogą się przenosić po instalacji elektrycznej, na przykład w samochodzie ciężarowym. Przy napięciu stale przekraczającym 35 V, do tranzystora T4 warto przykręcić niewielki radiator.

Napięcie nie powinno przekraczać 43 V, ponieważ jest to wartość, przy której otwiera się i zaczyna przewodzić transil, znajdujący się na wejściu zasilania układu. Ma on za zadanie eliminować jedynie szybkozmienne zakłócenia o charakterze szpilkowym, które mogłyby zniszczyć układ lub zaburzyć jego pracę.

Sygnał sterujący jest poddawany częściowej filtracji z zakłóceń, które mogłyby powodować samoczynne wyzwolenie przekaźnika. Minimalny czas trwania impulsu sterującego można określić na około 1 s, zaś maksymalny czas jego trwania jest dowolnie długi. Jeżeli przed samoczynnym wyłączeniem przekaźnika nadejdzie następny impuls (np. stacyjka została wyłączona na chwilę i znowu załączona), czas opóźnienia wyłączenia będzie liczony od nowa. Natężenie prądu pobieranego przez wejście sterujące nie jest wysokie: około 100 µA przy 10 V, około 1,5 mA przy 24 V i niecałe 4 mA przy 43 V.

Układ można przystosować do zasilania napięciem o wartości 12 V, a dokładniej z zakresu 11 V…15 V, czyli np. z instalacji elektrycznej samochodu osobowego. Wystarczy wylutować tranzystor T4, a między pola lutownicze przeznaczone dla emitera i kolektora wstawić zworę z cienkiego drutu. Są to otwory: środkowy (kolektor) i prawy, znajdujący się bliżej rezystora R7 (emiter). Między tymi polami, na warstwie opisowej płytki, znajdują się trzy cienkie linie. Warto też wymienić transil D4 na egzemplarz o niższym napięciu przewodzenia, np. 1.5KE18CA. Można wtedy nie montować elementów D6…D8, R8, R9 i T3.

Michał Kurzela, EP

Wykaz elementów:
Rezystory:
  • R1, R4, R7: 100 kΩ SMD0805
  • R2, R3, R6: 10 kΩ SMD0805
  • R5, R9: 100 Ω SMD0805
  • R8: 15 kΩ SMD0805
  • P1: 1 MΩ montażowy leżący
Kondensatory:
  • C1, C4, C6: 100 nF SMD0805
  • C1: 1000 µF/16 V raster 5 mm
  • C3, C5: 47 µF/50 V raster 2,54 mm
Półprzewodniki:
  • D4: 1.5KE43CA (opis w tekście)
  • D5: SM4007 MELF lub podobna
  • D8: BZV55C13 MiniMELF
  • T1, T2: BSS123
  • T3: BC856 lub podobny
  • T4: BD234C lub podobny
  • US1: CD4093 SO14
Inne:
  • J1, J2: ARK3/500
  • PK1: JQC3FF 12 V
  • Radiator (opis w tekście)
Artykuł ukazał się w
Elektronika Praktyczna
czerwiec 2021
DO POBRANIA
Pobierz PDF Download icon
Materiały dodatkowe
Elektronika Praktyczna Plus lipiec - grudzień 2012

Elektronika Praktyczna Plus

Monograficzne wydania specjalne

Elektronik listopad 2025

Elektronik

Magazyn elektroniki profesjonalnej

Raspberry Pi 2015

Raspberry Pi

Wykorzystaj wszystkie możliwości wyjątkowego minikomputera

Świat Radio listopad - grudzień 2025

Świat Radio

Magazyn krótkofalowców i amatorów CB

Automatyka, Podzespoły, Aplikacje listopad - grudzień 2025

Automatyka, Podzespoły, Aplikacje

Technika i rynek systemów automatyki

Elektronika Praktyczna listopad 2025

Elektronika Praktyczna

Międzynarodowy magazyn elektroników konstruktorów

Elektronika dla Wszystkich grudzień 2025

Elektronika dla Wszystkich

Interesująca elektronika dla pasjonatów