Energooszczędny czujnik odbiciowy

Energooszczędny czujnik odbiciowy
Pobierz PDF Download icon

Czujnik odbiciowy pozwala na wykrywanie obecności obiektu, takiego jak np. dłoń, który znajdując się w zasięgu wiązki promieniowania podczerwonego, przynajmniej częściowo je odbija. Zaprezentowany układ może załączać na zadany czas np. pompkę w automatycznym podajniku mydła lub płynu dezynfekującego. Można go zasilać bateriami, ponieważ pobiera bardzo mało energii.

Podstawowe parametry:
  • wykrywanie obiektów przy użyciu promieniowania podczerwonego,
  • zasięg około 5 cm,
  • wyjście typu otwarty dren,
  • regulowany czas załączenia wyjścia: od ok. 0,84 do 8,2 sekundy,
  • zasilanie napięciem 3…6 V,
  • średni pobór prądu 35 µA przy zasilaniu napięciem 3 V.

Bezdotykowa obsługa urządzeń codziennego użytku zyskuje na znaczeniu w obecnych czasach. Dzięki eliminacji fizycznego kontaktu skóry z powierzchnią, na przykład, przełącznika, zachowujemy całkowitą higienę i minimalizujemy ryzyko przenoszenia chorób. Zaprezentowany układ okresowo „sonduje” swoje otoczenie przy użyciu krótkich impulsów światła podczerwonego i sprawdza, czy się odbijają. Jeżeli tak, załącza wyjście na ustalony czas. Jeżeli nie wykryje odbicia impulsu, pozostaje w spoczynku. Układ wyróżnia się tym, że pobiera prąd o znikomo małym natężeniu, co pozwala pracować na komplecie baterii przez bardzo długi czas.

Budowa i działanie

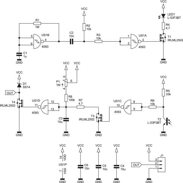
Schemat ideowy energooszczędnego czujnika odbiciowego został pokazany na rysunku 1. Można go podzielić na dwie części: nadawczą i odbiorczą. W części nadawczej znajduje się generator ciągłej fali prostokątnej, który został wykonany z użyciem elementów R1, C1 i bramce US1B, która ma wejścia z przerzutnikiem Schmitta. Okres generowanego sygnału wynosi około 770 ms. Ustala czas pomiędzy kolejnymi momentami kontrolowania otoczenia układu.

Rysunek 1. Schemat ideowy energooszczędnego czujnika odbiciowego

Za bramką US1B znajduje się obwód różniczkujący C2, R2, którego zadaniem jest formowanie krótkich impulsów w momencie występowania zboczy wygenerowanego sygnału prostokątnego. Podłączenie rezystora R2 do dodatniej linii zasilania powoduje, że w stanie spoczynku na wejściu bramki US1A jest wysoki stan logiczny.

Rolą rezystora R3 jest ograniczenie prądu płynącego przez diody zabezpieczające wejście bramki US1A. Takie impulsy będą występowały w momencie podania na lewe wyprowadzenie C2 zbocza narastającego – chwilowy potencjał wejścia US1A „chciałby” osiągnąć dwukrotność napięcia zasilającego, ale diody zawarte w strukturze CMOS uniemożliwią to. W każdej innej sytuacji, przez ten rezystor nie będzie płynął prąd, więc nie wystąpi na nim spadek napięcia.

Wyjście bramki US1A okresowo, co 770 ms, przyjmuje stan wysoki na około 110 µs. Jego źródłem są zróżniczkowane zbocza opadające sygnału wytwarzanego przez bramkę US1B.

Powstałe szpilki załączają tranzystor T1, przez co dioda LED1 emituje silny impuls światła podczerwonego. Prąd płynący przez tę diodę jest ograniczany przez rezystor R4 i, według producenta diody, firmy Kingbright, nie może przekroczyć natężenia 1,2 A.

Tor odbiorczy układu zaczyna się od fototranzystora T2. Jest on wyczulony na promieniowanie o dokładnie tej samej długości fali, którą emituje dioda LED1. Oświetlenie go światłem odbitym powoduje przepływ prądu przez jego kolektor, co powoduje powstanie spadku napięcia na rezystorze R5.

W stanie ustalonym, wejście bramki US1C jest spolaryzowane napięciem odpowiadającym wysokiemu stanowi logicznemu, toteż na jej wyjściu panuje stan niski. Oświetlenie T2 w stopniu na tyle znaczącym, aby dokonać przełączenia jej wyjścia, powoduje otwarcie tranzystora T3. Po zaniku impulsu oświetlającego, tranzystor ten przestaje przewodzić. Rezystor R6, włączony szeregowo z wejściami bramki, chroni je przed uszkodzeniem spowodowanym wyładowaniami elektrostatycznymi lub silnymi zakłóceniami elektromagnetycznymi, jakie mogłyby tam wystąpić, gdyby między tranzystorem T2 a płytką znalazły się przewody połączeniowe o znacznej długości.

Zadaniem T3 jest rozładowanie kondensatora C3. Prąd tego rozładowania ogranicza rezystor R7. W stanie ustalonym, kondensator ten jest naładowany do napięcia równego napięciu zasilającemu układ, przez co bramka US1D „widzi” wysoki stan logiczny. Po gwałtownym rozładowaniu tej pojemności, stan logiczny zmienia się na niski i wyjście bramki przełącza się.

Jeżeli kondensator C3 został rozładowany, to oznacza, że odebrano impuls odbity od przeszkody. Układ informuje o tym przez spolaryzowanie swojego wyjścia OUT potencjałem masy.

Realizuje to tranzystor T4. Można w ten sposób załączać silniczek, lampkę lub wysyłać informację do centralki alarmowej poprzez zwarcie jej linii wejściowej do masy.

Po zaniku impulsu świetlnego, kondensator C3 zaczyna się ładować. Tempo tego procesu ustala rezystancja szeregowego połączenia elementów: rezystora R8 i potencjometru P1. Im większa, tym wolniej będzie przebiegało ładowanie, więc impuls wygenerowany na wyjściu będzie dłuższy. Rezystor R8 ustala minimalny czas trwania tego impulsu i ogranicza jednocześnie prąd ładowania C3, aby tranzystor T3 i rezystor R7 nie uległy uszkodzeniu w razie ustalenia potencjometrem P1 zerowej rezystancji. Może to się zdarzyć w skrajnym położeniu ślizgacza P1. Co ciekawe, impuls wyjściowy może zostać przedłużony, jeżeli przeszkoda nadal znajduje się w zasięgu działania czujnika. Dzieje się tak, ponieważ C3 jest regularnie rozładowywany, a nawet maksymalne tempo jego ładowania (840 ms) jest mniejsze od okresu powtarzania impulsów przez diodę LED1 (770 ms). Wszystkie długości odcinków czasowych zmierzono przy napięciu zasilania wynoszącym 3 V.

W układzie zastosowano cztery bramki NAND z wejściami Schmitta typu CD4093, ale wszystkie zostały użyte w roli negatorów. Tę samą rolę mógłby spełnić układ CD40106, ale wtedy dwa funktory pozostałyby niewykorzystane – dlatego wybrano CD4093.

Montaż i uruchomienie

Układ został zmontowany na niewielkiej, dwustronnej płytce drukowanej o wymiarach 45×20 mm. Wzór ścieżek oraz schemat montażowy płytki został pokazany na rysunku 2. W odległości 3 mm od krawędzi płytki znalazły się otwory montażowe, każdy o średnicy 3,2 mm.

Rysunek 2. Schemat montażowy i wzór ścieżek płytki PCB

Montaż należy rozpocząć od elementów lutowanych powierzchniowo, które znajdują się tylko na wierzchniej stronie płytki. Po ich przylutowaniu, można przejść do potencjometru P1 i złącza J1, które są montowane techniką przewlekaną (THT).

Na koniec polecam zostawić zamontowanie diody LED1 i fototranzystora T2 tak, aby można było dociąć ich wyprowadzenia na docelową długość i ewentualnie wygiąć, jeżeli zachodzi taka potrzeba. Na warstwie opisowej płytki zostały umieszczone znaki symbolizujące płaską i zaokrągloną krawędź obudowy tych elementów. Ułatwią one ustalenie ich polaryzacji.

Prawidłowo zmontowany układ jest od razu gotowy do działania. Wymaga zasilania napięciem stałym, dobrze odfiltrowanym, lecz niekoniecznie stabilizowanym, o wartości z przedziału 3…6 V.

Średni pobór prądu wynosi około 35 µA przy zasilaniu napięciem 3 V. Zakładając, że baterie AA mają pojemność 2500 mAh, pozwoli to na, teoretycznie, 8 lat pracy.

Jedyną czynnością uruchomieniową, jaką należy wykonać, jest ustalenie czasu załączenia wyjścia przy pomocy potencjometru P1. Przekręcając go w prawą stronę (ślizgacz przesuwa się w stronę napisu MAX), czas jest wydłużany. Minimalna wartość tego czasu to ok. 0,84 s, a maksymalna około 8,2 s (zmierzone podczas zasilania układu napięciem o wartości 3 V).

Może tak się zdarzyć, że część światła emitowanego przez diodę nadawczą będzie padała wprost na fototranzystor, co prowadzi do samoczynnego wzbudzania się układu. Wówczas między te elementy trzeba włożyć niewielką przegródkę, wykonaną z materiału nieprzezroczystego dla podczerwieni. Innym rozwiązaniem może być odsunięcie od siebie tych dwóch elementów na taką odległość, aby do tego zjawiska nie dochodziło.

Zasięg detekcji, rozumiany jako maksymalna odległość przeszkody od elementów optoelektronicznych tego układu, przy której następuje załączenie wyjścia, wynosi około 5 cm w przypadku dłoni i przy zasilaniu układu napięciem 3 V. Zasięg ten może się zmienić w zależności od:

  • napięcia zasilania układu,
  • wielkości i struktury powierzchni przeszkody,
  • umiejscowienia diody nadawczej i fototranzystora.

Wyjściem układu jest dren tranzystora typu MOSFET z kanałem N. Zwiera on środkowe wyprowadzenie złącza J1 z masą na zadany czas. Jego napięcie progowe wynosi nie więcej niż 1,2 V, zatem po przyłożeniu napięcia bramka-źródło o wartości 3 V (lub więcej) można go uznać za całkowicie otwarty. Zważywszy na szerokość ścieżek na płytce zalecam, aby przez to wyjście płynął prąd o natężeniu nie większym niż 2 A. Tranzystor obsługujący wyjście został zabezpieczony przy użyciu diody D1, mającej na celu zwieranie impulsów generowanych przez obciążenia indukcyjne, które powstają w momencie ich odłączania. Jeżeli dane obciążenie miałoby być zasilane z napięcia wyższego niż to, które zasila układ, należy wymontować diodę D1 i zamontować drugą diodę zabezpieczającą, antyrównolegle do zacisków tego obciążenia. Maksymalne napięcie dren-źródło tranzystora IRLML2502 wynosi 20 V, co należy traktować jako maksymalne napięcie zasilające podłączone obciążenie.

Gdyby diodę D1 pozostawić, uległaby ona otwarciu dzięki spolaryzowaniu jej anody potencjałem wyższym niż katody. Układ mógłby ulec zniszczeniu przez podniesienie jego napięcia zasilającego. Maksymalną wartość napięcia zasilającego ustalono na poziomie 6 V ustalono na podstawie natężenia prądu, jaki płynie przez diodę LED1 w momencie jej załączenia.

Gdyby zmienić rezystor R4 na egzemplarz o większej rezystancji, aby utrzymać tę samą wartość maksymalną prądu, można układ zasilać wyższym napięciem. Nieprzekraczalną wartością jest 12 V, ponieważ tyle wynosi maksymalne napięcie bramka-źródło użytych w projekcie tranzystorów MOSFET.

Układ nie szyfruje transmitowanej wiązki. Oznacza to, że może zostać pobudzony światłem pochodzącym z innego nadajnika promieniowania podczerwonego, na przykład z pilota zdalnego sterowania.

Michał Kurzela, EP

Wykaz elementów:
Rezystory:
  • R1: 1 MΩ SMD0805
  • R2, R3, R6: 10 kΩ SMD0805
  • R4, R7: 4,7 Ω SMD1206
  • R8: 100 kΩ SMD0805
  • P1: 1 MΩ potencjometr montażowy leżący
Kondensatory:
  • C1: 1 µF SMD0805
  • C2, C6: 10 nF SMD0805
  • C3…C5: 10 µF 16 V SMD0805
Półprzewodniki:
  • D1: SS14 lub podobna
  • LED1: L-53F3BT
  • T1, T3, T4: IRLML2502 (SOT23)
  • T2: L-53P3BT
  • US1: CD4093 (SO14)
Inne:
  • J1: goldpin 3 pin męski 2,54 mm THT
Artykuł ukazał się w
Elektronika Praktyczna
kwiecień 2021
DO POBRANIA
Pobierz PDF Download icon
Materiały dodatkowe
Elektronika Praktyczna Plus lipiec - grudzień 2012

Elektronika Praktyczna Plus

Monograficzne wydania specjalne

Elektronik listopad 2025

Elektronik

Magazyn elektroniki profesjonalnej

Raspberry Pi 2015

Raspberry Pi

Wykorzystaj wszystkie możliwości wyjątkowego minikomputera

Świat Radio listopad - grudzień 2025

Świat Radio

Magazyn krótkofalowców i amatorów CB

Automatyka, Podzespoły, Aplikacje listopad - grudzień 2025

Automatyka, Podzespoły, Aplikacje

Technika i rynek systemów automatyki

Elektronika Praktyczna listopad 2025

Elektronika Praktyczna

Międzynarodowy magazyn elektroników konstruktorów

Elektronika dla Wszystkich grudzień 2025

Elektronika dla Wszystkich

Interesująca elektronika dla pasjonatów