Eliminator baterii

Eliminator baterii
Pobierz PDF Download icon

Każdy, nawet najprostszy układ elektroniczny wymaga dołączenia do niego zasilania. W wielu przypadkach stosowane jest zasilanie bateryjne. Prezentowany zasilacz powstał w tym celu, aby można było wyeliminować, na czas testów, regulacji czy po prostu zabawy, baterie, które wcześniej czy później by się rozładowały.

Podstawowe parametry:
  • dostarcza napięć, 3,3 V, 5 V, 9 V, 12 V,
  • napięcia dostępne na zaciskach przeznaczonych dla przewodów oraz szpilkach goldpin,
  • wyjście napięcia 9 V dostępne jako zatrzask typu kijanka,
  • zasilanie: zasilacz stabilizowany 12 V.

Podstawą do zbudowania zasilacza była potrzeba zasilania zestawów do samodzielnego montażu z przeznaczeniem do nauki lutowania i podstaw elektroniki na zajęciach prowadzonych przez nauczycieli i instruktorów. Mowa tu głównie o zestawach zasilanych napięciem 9 V, ale opisywany zasilacz może bez problemu zastąpić baterie 3 V i 4,5 V. Napięcia te są wyprowadzone na złącza sprężynowe oraz szpilki goldpin. Dodatkowo napięcie zasilające 12 V również wyprowadzone jest na takie złącze, co eliminuje potrzebę posiadania przejściówki ze złącza DC2.1(2.5)/5.5 na złącze śrubowe czy sprężynowe, eliminując potencjalne błędy niewłaściwej polaryzacji napięcia zasilającego inne układy.

Budowa i działanie

Dla każdego z napięć przypisana jest dioda LED. Dla napięć 3,3 V oraz 5 V koloru zielonego oznacza napięcia o niskiej wartości. Następne kolory to żółty dla 9 V i czerwony dla najwyższego napięcia dostępnego na płytce eliminatora baterii, czyli 12 V. Dla zminimalizowana błędów przy określaniu polaryzacji napięcia każde ze złączy, a dokładniej każdy tor złącza na płytce, ma dodatkowo zaznaczoną polaryzację odpowiednim symbolem.

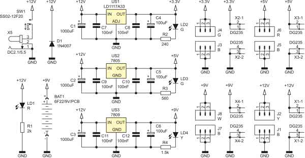
Rysunek 1. Schemat elektryczny zasilacza

Schemat ideowy modułu pokazany jest na rysunku 1. Układ powinien być zasilany z zasilacza stabilizowanego najlepiej impulsowego 12 V i prądzie wyjściowym min. 1 A. Dioda D1 włączona równolegle z zasilaniem zabezpiecza układ przed niewłaściwą polaryzacją napięcia wejściowego.

Pojemności C1...C12 pełnią funkcję filtrów zasilania.

Napięcie wejściowe podawane na złącze X5 typu DC2.1/5.5 trafia na trzy stabilizatory U1...U3. Pierwszy z nich LD1117A33 typu LDO daje stałe napięcie o wartości 3,3 V. Kolejne dwa stabilizatory to standardowe układy rodziny 78xx dające napięcia 5 V oraz 9 V. Każdy z tych scalonych stabilizatorów w swej strukturze zawiera szereg zabezpieczeń. Są to: ograniczenie prądowe, przed przeciążeniem oraz termiczne. Dodatkowo, każdy ze stabilizatorów został wyposażony w oddzielny radiator.

Montaż i uruchomienie

Układ należy zmontować na płytce, której projekt pokazano na rysunku 2. Ułatwieniem podczas montażu będzie fotografia tytułowa. Całość została zmontowana na jednostronnej płytce drukowanej o wymiarach 101,5×53,5 mm. Montaż układu należy rozpocząć od wlutowania rezystorów i innych elementów o niewielkich rozmiarach, a zakończyć na montażu stabilizatorów, wcześniej przykręconych do radiatorów.

Rysunek 2. Schemat płytki PCB wraz z rozmieszczeniem elementów

Komentarza wymaga pole opisane na płytce jako BAT1. W miejscu tym należy zainstalować niklowane styki odpowiednio spreparowanego zatrzasku baterii 9 V. Należy odłączyć zatrzaski od izolatora i następnie przykręcić do płytki za pomocą śruby M2 i nakrętki. Takie złącze pozwala na dołączenie do płytki zasilacza każdego innego urządzenia ze złączką/zatrzaskiem 9 V tzw. kijanką.

Po zmontowaniu układu trzeba bardzo dokładnie skontrolować, czy elementy nie zostały wlutowane w niewłaściwym kierunku lub w niewłaściwe miejsca oraz czy podczas lutowania nie powstały zwarcia punktów lutowniczych. Błąd na tym etapie prac montażowych może zaowocować uszkodzeniem elementów, a nawet ich wybuchem. Dotyczy to przede wszystkim kondensatorów elektrolitycznych. Układ bezbłędnie zmontowany ze sprawnych elementów od razu będzie poprawnie pracował.

Na koniec, dla poprawy stabilności, na spodniej stronie płytki można przykleić 4 kwadratowe gumowe nóżki. Jako elementy łączące płytkę zasilacza z koszykiem baterii urządzenia, w którym chcemy wyeliminować baterie, warto wykonać przewody z pobielonymi końcówkami o długości około 10 mm z jednej strony, a z drugiej z małymi „krokodylkami” w wybranych kolorach.

Mavin
mavin@op.pl

Wykaz elementów:
Rezystory:
  • R1: 2 kΩ
  • R2: 240 Ω
  • R3: 560 Ω
  • R4: 1,5 kΩ
Kondensatory:
  • C1…C3: 1000 μF
  • C4…C6: 100 μF
  • C7…C12: 100 nF
Półprzewodniki:
  • D1: 1N4007
  • LD1: 3 mm czerwona
  • LD2: 3 mm zielona
  • LD3: 3 mm zielona
  • LD4: 3 mm żółta
  • US1: LM111733
  • US2: 7805
  • US3: 7809
Inne:
  • BAT1: zatrzask 6F22 (9 V) (czytaj opis)
  • H1…H3: RAD DY-CN
  • J1…J8: goldpin 1×3
  • SW1: SS02-12F20
  • X1…X4: DG235
  • X5: DC2.1/5.5
  • gumowe nóżki: 4 szt.
  • nakrętki M2: 2 szt.
  • śruby M2: 2 szt.
Artykuł ukazał się w
Elektronika Praktyczna
sierpień 2020
DO POBRANIA
Pobierz PDF Download icon
Elektronika Praktyczna Plus lipiec - grudzień 2012

Elektronika Praktyczna Plus

Monograficzne wydania specjalne

Elektronik listopad 2025

Elektronik

Magazyn elektroniki profesjonalnej

Raspberry Pi 2015

Raspberry Pi

Wykorzystaj wszystkie możliwości wyjątkowego minikomputera

Świat Radio listopad - grudzień 2025

Świat Radio

Magazyn krótkofalowców i amatorów CB

Automatyka, Podzespoły, Aplikacje listopad - grudzień 2025

Automatyka, Podzespoły, Aplikacje

Technika i rynek systemów automatyki

Elektronika Praktyczna listopad 2025

Elektronika Praktyczna

Międzynarodowy magazyn elektroników konstruktorów

Elektronika dla Wszystkich grudzień 2025

Elektronika dla Wszystkich

Interesująca elektronika dla pasjonatów