Selektor wejść audio z przełącznikiem obrotowym

Selektor wejść audio z przełącznikiem obrotowym
Pobierz PDF Download icon

Selektor umożliwia przełączanie jednego z czterech niezależnych sygnałów do jednego wyjścia/wejścia urządzenia za pomocą przełącznika obrotowego.

Podstawowe parametry:
  • cztery podwójne (stereo) wejścia przełączane do jednego, podwójnego wyjścia,
  • wybór wejścia za pomocą przełącznika obrotowego,
  • zasilanie: 7…15 V AC lub DC.

Urządzenie służy do przełączania czterech sygnałów audio do jednego wyjścia. Doskonale sprawdzi się jako selektor wejść do wzmacniacza. Zastosowanie miniaturowych przekaźników jako elementów przełączających gwarantuje, że parametry sygnałów, jak amplituda czy pasmo, pozostaną niezmienione.

Budowa i działanie

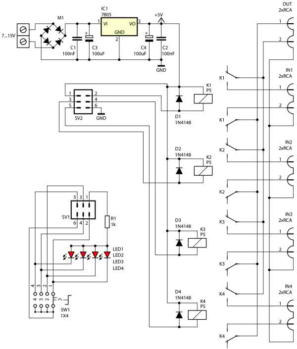
Schemat ideowy układu pokazano na rysunku 1. Selektor składa się z dwóch części. W skład pierwszej wchodzi przełącznik obrotowy, służący do wyboru źródła sygnału wejściowego, oraz diody LED, sygnalizujące aktualne położenie przełącznika.

Rysunek 1. Schemat elektryczny układu

Druga część to gniazda wejściowe oraz przekaźniki, które pełnią funkcję elementów przełączających. Mostek prostowniczy i stabilizator napięcia dostarczają napięcia 5 V do zasilania cewek przekaźników.

Montaż i uruchomienie

Selektor należy zmontować na dwóch płytkach drukowanych, których projekt pokazano na rysunku 2. Montaż układu jest typowy i nie powinien przysporzyć problemów. Należy rozpocząć od elementów najmniejszych, a na końcu zamontować te największe.

Rysunek 2. Schemat płytek PCB z rozmieszczeniem elementów

Montując płytkę z przełącznikiem, w pierwszej kolejności należy przylutować złącze SV1 po przeciwnej stronie płytki. Dopiero później przełącznik obrotowy i diody LED. Po zmontowaniu obydwu płytek należy połączyć je ze sobą za pomocą przewodu. Do tego celu służą 2 złącza IDC, zaciskane na 6-żyłowy kabel taśmowy.

EB

Wykaz elementów:
Rezystory:
  • R1: 1 kΩ
Kondensatory:
  • C1, C2: 100 nF
  • C3, C4: 100 μF
Półprzewodniki:
  • D1, D2, D3, D4: 1N4148
  • LED1…LED4: dioda LED 3 mm
  • IC1: 7805
Inne:
  • K1, K2, K3, K4: przekaźnik subminiaturowy DPDT, 5 V
  • IN1, IN2, IN3, IN4, OUT: gniazdo RCA podwójne pionowe do druku
  • SV1, SV2: wtyk IDC prosty do druku 6 pin
  • X1: złącze śrubowe
  • M1: mostek prostowniczy
  • SW1: przełącznik obrotowy 1×4
Artykuł ukazał się w
Elektronika Praktyczna
sierpień 2020
DO POBRANIA
Pobierz PDF Download icon
Elektronika Praktyczna Plus lipiec - grudzień 2012

Elektronika Praktyczna Plus

Monograficzne wydania specjalne

Elektronik listopad 2025

Elektronik

Magazyn elektroniki profesjonalnej

Raspberry Pi 2015

Raspberry Pi

Wykorzystaj wszystkie możliwości wyjątkowego minikomputera

Świat Radio listopad - grudzień 2025

Świat Radio

Magazyn krótkofalowców i amatorów CB

Automatyka, Podzespoły, Aplikacje listopad - grudzień 2025

Automatyka, Podzespoły, Aplikacje

Technika i rynek systemów automatyki

Elektronika Praktyczna listopad 2025

Elektronika Praktyczna

Międzynarodowy magazyn elektroników konstruktorów

Elektronika dla Wszystkich grudzień 2025

Elektronika dla Wszystkich

Interesująca elektronika dla pasjonatów