Minimoduły z driverem I2C do taśm LED RGBW

Minimoduły z driverem I2C do taśm LED RGBW
Pobierz PDF Download icon

Zaprezentowane moduły pozwalają rozszerzyć funkcjonalność układów wyposażonych w magistralę I2C, o możliwość sterowania typową taśmą LED RGBW 12 V. Intensywność każdego koloru (wyjścia) może być niezależnie regulowana, co pozwala na swobodne ustawienie barwy i jasności całej taśmy.

Podstawowe parametry:
  • cztery kanały wyjściowe dla taśm LED o czterech kolorach – RGBW, każdy kolor (wyjście) może być niezależnie regulowane,
  • rozdzielczość regulacji: 8 bitów/kanał (256 stopni regulacji na każdym kanale),
  • obciążalność wyjść: 4 A dla wersji podstawowej, 1 A dla wersji mini,
  • przeznaczone do taśm o napięciu zasilania 12 V,
  • sterowanie poprzez magistralę I2C.

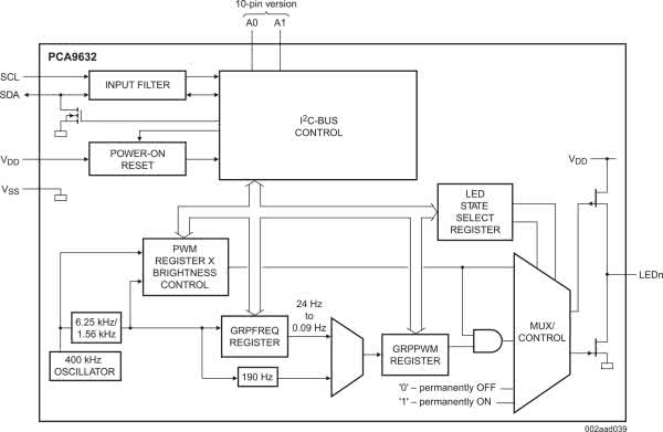
Moduł bazuje na podstawowej aplikacji układu PCA9632DP2 (U1), którego strukturę wewnętrzną pokazuje rysunek 1.

Rysunek 1. Struktura wewnętrzna PCA9632 (za notą NXP)

Układ PCA9632DP2 wchodzi w skład rodziny kontrolerów LED firmy NXP. Jest to konfigurowany przez I2C czterokanałowy generator PWM z możliwością indywidualnej i grupowej regulacji PWM z rozdzielczością 8 bitów. Moduł został opracowany w 2 dwóch wariantach: podstawowym – o większym prądzie obciążenia, ale też większej płytce; mini – na niewielkiej płytce i z mniejszym dopuszczalnym obciążeniem.

Budowa i działanie

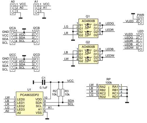
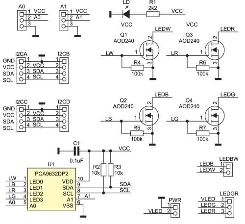
Schemat modułu został pokazany na rysunku 2, a wersji mini na rysunku 3. Sygnały wyjściowe LR...LW buforowane są tranzystorami Q1...Q4 lub Q1, Q2 w wersji mini, zwiększając wydajność prądową układu.

Rysunek 2. Schemat ideowy modułu w wersji podstawowej
Rysunek 3. Schemat ideowy modułu w wersji mini

Każdy z modułów wyposażony jest w komplet gniazd dla interfejsu I2C zgodnych z różnymi systemami uruchomieniowymi. Układ U1 w wersji DP2 pozwala na wybór jednego z czterech adresów bazowych (0x60…0x63) przy pomocy zwór A0, A1. Dzięki temu, poprzez jedną magistralę I2C możemy sterować niezależne czterema modułami/taśmami LED RGBW. Jeżeli musimy sterować większą ilością niezależnych taśm, dla zwiększenia puli dostępnych adresów mozna użyć translatora adresów I2C typu LTC4316.

Dioda VCC sygnalizuje obecność zasilania, rezystory R2, R3 polaryzują magistralę I2C. Taśmę LED łączymy poprzez złącze kielichowe LED dla modułu mini lub przez złącza śrubowe LEDGR, LEDBW dla modułu podstawowego. Zasilanie taśm 12 V doprowadzone jest do złącz PWR, należy pamiętać o odpowiedniej wydajności zasilacza dobranej do długości taśmy.

Montaż i uruchomienie

Montaż modułów nie jest skomplikowany i nie wymaga dokładnego opisu. Płytki obu wariantów są dwustronne, ich schematy wraz z rozmieszczeniem elementów zostały pokazane na rysunkach 4 i 5.

Rysunek 4. Schemat płytki PCB modułu w wersji podstawowej
Rysunek 5. Schemat płytki PCB modułu w wersji mini

Poprawnie zmontowane moduły nie wymagają uruchamiania, lecz konieczne jest skonfigurowanie układu PCA9632. Dokładny opis rejestrów układu jest opisany w nocie katalogowej. Przykładowy skrypt testowy PCA9632.sh dla Raspberry Pi został pokazany na listingu 1.

Listing 1. Przykładowy skrypt testowy PCA9632.sh

#!/bin/bash
echo "PCA9632 RGBW Driver ADR:0x60"

i2ctransfer -y 1 w13@0x60 0x80 0x80 0x14 0x00 0x00 0x00 0x00 0x80 0x40 0xAA 0xE2 0xE4 0xE8

echo "White"
i2cset -y 1 0x60 0x02 0x55
sleep 1
i2cset -y 1 0x60 0x02 0x00
sleep 1

echo "Blue"
i2cset -y 1 0x60 0x03 0x55
sleep 1
i2cset -y 1 0x60 0x03 0x00
sleep 1

echo "Green"
i2cset -y 1 0x60 0x04 0x55
sleep 1
i2cset -y 1 0x60 0x04 0x00
sleep 1

echo "Red"
i2cset -y 1 0x60 0x05 0x55
sleep 1
i2cset -y 1 0x60 0x05 0x00
sleep 1

echo "Cyan"
i2cset -y 1 0x60 0x03 0x55
i2cset -y 1 0x60 0x04 0x55
sleep 1
i2cset -y 1 0x60 0x03 0x00
i2cset -y 1 0x60 0x04 0x00
sleep 1

echo "Magenta"
i2cset -y 1 0x60 0x03 0x55
i2cset -y 1 0x60 0x05 0x55
sleep 1
i2cset -y 1 0x60 0x03 0x00
i2cset -y 1 0x60 0x05 0x00
sleep 1

echo "Yellow"
i2cset -y 1 0x60 0x04 0x55
i2cset -y 1 0x60 0x05 0x55
sleep 1
i2cset -y 1 0x60 0x04 0x00
i2cset -y 1 0x60 0x05 0x00
sleep 1

echo "All Off"

Po podłączeniu modułu do Raspberry pi i uruchomieniu skryptu, zgodnie z opisem zaświecone zostaną na taśmie kolory W, B, G, R, C, M, Y. Jasność LED można ustawić zmieniając wartość 0x55 na mniejszą lub większą niezależnie dla każdego koloru. Wartość 0x00 wygasza LED.

Adam Tatuś
adam.tatus@ep.com.pl

Wykaz elementów: Moduł w wersji podstawowej
Rezystory:
  • R1: 2,2 kΩ SMD0805 1%
  • R2, R3: 10 kΩ SMD0805 1%
  • R4…R7: 100 kΩ SMD0805 1%
Kondensatory:
  • C1: 0,1 µF SMD0805 X7R 10 V
Półprzewodniki:
  • LD: dioda LED zielona SMD0805
  • U1: PCA9632DP2 (TSSOP10)
  • Q1…Q4: tranzystor MOSFET AOD240 (TO-252)
Pozostałe:
  • A0, A1: złącze SIP3, 2,54 mm + zwory 2 szt.
  • I2CB: złącze złącze SIP4, 2,54 mm
  • I2CC: złącze JST 1 mm
  • LEDBW, PWR: złącze DG126-5,0-2
  • LEDGR: złącze DG126-5,0-3
Moduł w wersji mini
Rezystory:
  • R1: 2,2 kΩ SMD0603 1%
  • R2, R3: 10 kΩ SMD0603 1%
  • RP: 100 kΩ CRA06S08 1%
Kondensatory:
  • C1: 0,1 µF SMD0603 X7R 10 V
Półprzewodniki:
  • LD: dioda LED zielona SMD0603
  • U1: PCA9632DP2 (TSSOP10)
  • Q1, Q2: Tranzystor MOSFET×2 AO4800B (SO8)
Pozostałe:
  • I2CB: złącze SIP4, 2,54 mm
  • I2CC: złącze JST 1 mm
  • LED: gniazdo kołkowe dla SIP5
  • PWR: złącze DG381-3,5-2
Artykuł ukazał się w
Elektronika Praktyczna
styczeń 2021
DO POBRANIA
Pobierz PDF Download icon
Materiały dodatkowe
Elektronika Praktyczna Plus lipiec - grudzień 2012

Elektronika Praktyczna Plus

Monograficzne wydania specjalne

Elektronik listopad 2025

Elektronik

Magazyn elektroniki profesjonalnej

Raspberry Pi 2015

Raspberry Pi

Wykorzystaj wszystkie możliwości wyjątkowego minikomputera

Świat Radio listopad - grudzień 2025

Świat Radio

Magazyn krótkofalowców i amatorów CB

Automatyka, Podzespoły, Aplikacje listopad - grudzień 2025

Automatyka, Podzespoły, Aplikacje

Technika i rynek systemów automatyki

Elektronika Praktyczna listopad 2025

Elektronika Praktyczna

Międzynarodowy magazyn elektroników konstruktorów

Elektronika dla Wszystkich grudzień 2025

Elektronika dla Wszystkich

Interesująca elektronika dla pasjonatów