Bateryjny mini wzmacniacz mocy

Bateryjny mini wzmacniacz mocy
Pobierz PDF Download icon

Niewielki wzmacniacz mocy, który może być zasilany akumulatorem litowym lub pakietem baterii alkalicznych. Doskonale nadaje się do zastosowań mobilnych.

Podstawowe parametry:
  • moc 2×2,5 W przy obciążeniu 4 Ω,
  • praca w klasie AB,
  • nie zawiera elementów indukcyjnych i nie sprawia problemów z EMC,
  • zasilanie napięciem 2,7…5,5 V

Budowa i działanie

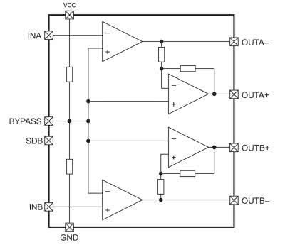
Moduł bazuje na układzie IS31AP4088D, który zawiera stereofoniczny mostkowy wzmacniacz mocy zdolny dostarczyć do obciążenia 4 Ω moc 2×2,5 W przy zasilaniu z 5 V. Strukturę wewnętrzną układu przedstawiono na rysunku 1.

Rysunek 1. Struktura wewnętrzna IS31AP4088D (za notą ISSI)

Układ składa się z dwóch wzmacniaczy operacyjnych w każdym kanale. Pierwszy z nich objęty pętlą sprzężenia zwrotnego (zewnętrzne rezystory) wzmacnia sygnał wejściowy odwracając jego fazę. Sygnał po wzmocnieniu doprowadzony jest do wyjścia OUTA-. Drugi wzmacniacz, także odwracający fazę ale o wzmocnieniu 1 V/V wypracowuje sygnał dla wyjścia OUTA+. Głośnik podłączony pomiędzy OUTA+/– zasilany jest sygnałem o praktycznie podwójnej amplitudzie w porównaniu z klasyczną konfiguracją SE. Największą zaletą układu mostkowego jest możliwość osiągnięcia większej mocy wyjściowej z niższego napięcia zasilania oraz brak konieczności stosowania kondensatorów separujących głośnik. Drugi kanał działa identycznie.

Rysunek 2. Schemat modułu wzmacniacza

Ze względu na zastosowanie wzmacniaczy liniowych, pracujących w klasie AB, aplikacja nie zawiera drogich elementów indukcyjnych i nie sprawia problemów z EMC, ale posiada nieco niższą sprawność energetyczną. Schemat układu wzmacniacza pokazany jest na rysunku 2. Sygnał wejściowy INA/INB ze złącza J1, poprzez kondensatory separujące C3, C4 wyznaczające dolną granice pasma przenoszenia, doprowadzony jest do wejść wzmacniacza U1. Rezystory R1, R2 i R3, R4 ustalają wzmocnienie różnicowe układu Av=2·(R1/R2). Wzmocniony sygnał dostępny jest na złączach OUTA, OUTB.

Zasilanie układu 2,7...5,5 V doprowadzone jest także przez złącze J1-1 (VCC) J1-2 (GND). Sygnał SHD umożliwia wprowadzenie U1 w tryb obniżonego poboru mocy, poprzez zwarcie wyprowadzenia J1-3 do masy.

Montaż i uruchomienie

Wzmacniacz zmontowany jest na dwustronnej płytce drukowanej, której schemat i rozmieszczenie elementów pokazano na rysunku 3. Montaż jest klasyczny i nie wymaga opisu. Należy zadbać o poprawne przylutowanie wkładki radiatorowej U1, gdyż rozpraszanie ciepła odbywa się poprzez miedź płytki drukowanej. W przypadku silnego obciążenia układu odprowadzanie ciepła należy polepszyć poprzez doklejenie niewielkiego radiatora BGA bezpośrednio do obudowy U1. Zmontowany moduł wzmacniacza pokazano na fotografii tytułowej.

Rysunek 3. Schemat i rozmieszczenie elementów na płytce PCB

Uruchomienie wzmacniacza warto przeprowadzić z zasilacza laboratoryjnego z ograniczeniem prądu. Po podłączeniu głośników o impedancji 4...8 Ω i mocy większej niż 3 W, źródła sygnału i zasilacza, należy sprawdzić pobór prądu oraz poprawność funkcjonowania wzmacniacza U1 w trybie obniżonego poboru mocy i aktywnym, w całym zakresie zasilania 2,7...5,5 V.

Podczas praktycznych testów wzmacniacz obciążony głośnikami 4 Ω, pracował poprawnie, oczywiście z obniżoną mocą, także z jednego ogniwa AA.

Nie jest to cecha udokumentowana, ale przy zasilaniu bateryjnym pozwoli wykorzystać ogniwa do ostatniego elektronu….

Adam Tatuś
adam.tatus@ep.com.pl

Wykaz elementów:
Rezystory:
  • R1…R5: 22 kΩ SMD1206
Kondensatory:
  • C1, C6, C7: 1 μF SMD1206 ceramiczny
  • C2, C5: 100 nF SMD1206 ceramiczny
  • CE1: 47 μF/10 V tantalowy SMD B
Półprzewodniki:
  • U1: IS31AP4088D
Inne:
  • J1: złącze SIP 6 2,54 mm
  • OUTA, OUTB: złącze DG381-3.5-2
Artykuł ukazał się w
Elektronika Praktyczna
kwiecień 2020
DO POBRANIA
Pobierz PDF Download icon
Elektronika Praktyczna Plus lipiec - grudzień 2012

Elektronika Praktyczna Plus

Monograficzne wydania specjalne

Elektronik listopad 2025

Elektronik

Magazyn elektroniki profesjonalnej

Raspberry Pi 2015

Raspberry Pi

Wykorzystaj wszystkie możliwości wyjątkowego minikomputera

Świat Radio listopad - grudzień 2025

Świat Radio

Magazyn krótkofalowców i amatorów CB

Automatyka, Podzespoły, Aplikacje listopad - grudzień 2025

Automatyka, Podzespoły, Aplikacje

Technika i rynek systemów automatyki

Elektronika Praktyczna listopad 2025

Elektronika Praktyczna

Międzynarodowy magazyn elektroników konstruktorów

Elektronika dla Wszystkich grudzień 2025

Elektronika dla Wszystkich

Interesująca elektronika dla pasjonatów