Płytka bazowa dla Arduino MKR

Płytka bazowa dla Arduino MKR
Pobierz PDF Download icon

Zaprezentowana płytka ułatwia szybkie połączenie Arduino MKR z czujnikami lub elementami wykonawczymi oraz zapewnia odpowiednie parametry zasilania.

Podstawowe parametry:
  • szereg złączy typu JST PH4 2,00 mm do łatwego dołączana peryferiów,
  • jedna linia analogowa i jedna cyfrowa przystosowane do sygnałów o napięciu 5 V,
  • wydajność prądowa bloku zasilania wynosi 400 mA,
  • zasilanie napięciem stałym z zakresu 6…30 V.

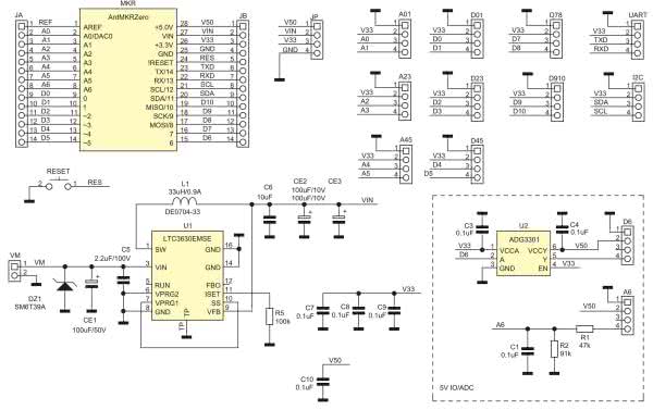
Na złącza JA i JB wyprowadzone są sygnały z płytki MKR Zero, złącze JP dubluje sygnały zasilania VIN, V50, V33. Do złączy czujników typu JST PH4 2,00 mm doprowadzone są wszystkie sygnały z MKR, które dodatkowo uzupełnione są o zasilanie 3,3 V.

Należy pamiętać, że płytki MKR mają wyprowadzenia IO zgodne ze standardem 3,3 V, podłączenie do nich czujników z wyjściem 5 V uszkodzi procesor. W związku z tym na płytce przewidziano opcjonalny obwód umożliwiający współpracę MKR z systemami 5 V wyróżniony na schemacie ramką. Układ U2 typu ADG3301 jest dwukierunkowym konwerterem poziomów napięć dla wyprowadzenia 6. Elementy R1, R2 i C1 to dzielnik napięcia z 5 V na 3,3 V połączony z wyprowadzeniem A6. Sygnały 6 i A6 doprowadzone są na płytce do wyróżnionych złączy D6, A6. Do złączy tych doprowadzone jest także napięcie V50 z płytki MKR. Gdy układ zasilany będzie tylko z akumulatora podłączonego do MKR Zero, napięcie V50 nie jest dostarczane i złącza A6, D6 nie powinny być wykorzystywane.

Budowa i działanie

Schemat modułu został pokazany na rysunku 1. Płytka bazowa zasilana jest poprzez złącze śrubowe VM napięciem stałym z zakresu 6...30 V. Blok zasilania składa się z przetwornicy obniżającej U1 typu LTC3630, która zawiera w swej strukturze wszystkie elementy mocy. Napięcie wyjściowe przetwornicy, oznaczone VIN, ustalane jest stanem wyprowadzeń VPRG1 i VPROG2 i w modelu wynosi 5 V. Rezystor R5 ogranicza maksymalny prąd dławika L1 oraz prąd obciążenia do wartości ok. 400 mA. Zapewnia to maksymalną moc uruchamianych układów na poziomie 2 W.

Rysunek 1. Schemat płytki bazowej

W przypadku wykorzystania wbudowanej w płytkę MKR Zero ładowarki akumulatora należy pamiętać o sumarycznym bilansie prądu do zasilania podłączonych czujników. W MKR Zero prąd ładowania jest dosyć duży, wynosi 350 mA. Można go zmniejszyć, zmieniając wartość rezystora R3 (na płytce MKR Zero) na 10 kΩ, co ograniczy wartość do 100 mA i przy okazji umożliwi bezpieczne stosowanie akumulatorów o mniejszych pojemnościach.

UWAGA: Gdy aplikacja zasilana będzie tylko z akumulatora podłączonego do płytki MKR Zero, nie należy lutować układu U2, który pozbawiony zasilania V50 będzie niepotrzebnie obciążał akumulator.

Montaż i uruchomienie

Układ zmontowany jest na niewielkiej dwustronnej płytce drukowanej, schemat płytki PCB wraz z rozmieszczeniem elementów zostało pokazane na rysunku 2.

Rysunek 2. Schemat płytki PCB wraz z rozmieszczeniem elementów

Montaż wykonujemy zgodnie z ogólnymi zasadmi, należy tylko dokładnie sprawdzić poprawność przylutowania pada termicznego układu U1. Warto wyróżnić grupy sygnałów zasilania, wejść analogowych, cyfrowych oraz transmisji różnokolorowymi listwami kołkowymi, ułatwia to szybkie i bezbłędne połączenia ze współpracującymi układami. Zamiennie ze złączami PH 2.00 mm mogą być stosowane złącza typu 110990030 zgodne z płytkami Grove.

Zmontowany moduł pokazuje fotografia tytułowa. Po podłączeniu źródła zasilania do złącza VM należy tylko sprawdzić obecność napięcia VIN, które powinno wynosić 5 V ±5%.

Adam Tatuś
adam.tatus@ep.com.pl

Wykaz elementów:
Rezystory: (SMD0805, 1%)
  • R1: 47 kΩ
  • R2: 91 kΩ
  • R5: 180 kΩ (uwagi w tekście)
Kondensatory:
  • C1, C3, C4, C7…C10: 0,1 µF SMD0805 ceramiczny X7R
  • C5: 2,2 µF/100 V SMD1210 ceramiczny X7R
  • C6: 10 µF SMD0805 ceramiczny X7R
  • CE1: 100 µF/50 V elektrolityczny SMD
  • CE2, CE3: 100 µF/10 V tantalowy SMC
Półprzewodniki:
  • DZ1: transil SM6T39A SMB_D
  • U1: LTC3630EMSE (MSOP16E_050_TP)
  • U2: ADG3301-BKSZ (SC70-6)
Inne:
  • L1: DE0704-33 33 µH/0,9 A DE0703 dławik mocy SMD
  • RESET: mikroprzełącznik SMD
  • A01, A6, A23, A45, D01, D6, D23, D45, D78, D910, I2C, UART: złącze JST 2 mm 4 pin
  • JA, JB, JP: złącze szpilkowe 2,54 mm
  • ArdMKRZero: złącze żeńskie 2,54 mm
  • VM: złącze śrubowe DG381-3.5-2
Artykuł ukazał się w
Elektronika Praktyczna
listopad 2020
DO POBRANIA
Pobierz PDF Download icon
Materiały dodatkowe
Elektronika Praktyczna Plus lipiec - grudzień 2012

Elektronika Praktyczna Plus

Monograficzne wydania specjalne

Elektronik listopad 2025

Elektronik

Magazyn elektroniki profesjonalnej

Raspberry Pi 2015

Raspberry Pi

Wykorzystaj wszystkie możliwości wyjątkowego minikomputera

Świat Radio listopad - grudzień 2025

Świat Radio

Magazyn krótkofalowców i amatorów CB

Automatyka, Podzespoły, Aplikacje listopad - grudzień 2025

Automatyka, Podzespoły, Aplikacje

Technika i rynek systemów automatyki

Elektronika Praktyczna listopad 2025

Elektronika Praktyczna

Międzynarodowy magazyn elektroników konstruktorów

Elektronika dla Wszystkich grudzień 2025

Elektronika dla Wszystkich

Interesująca elektronika dla pasjonatów