Stereofoniczny wskaźnik poziomu wysterowania z funkcją Peak-Hold

Stereofoniczny wskaźnik poziomu wysterowania z funkcją Peak-Hold
Pobierz PDF Download icon

Niewielki wskaźnik wysterowania w stylu retro, przydatny gdy chcemy wizualnie ocenić poziom sygnału audio. Skala logarytmiczna i 12 diod LED na kanał umożliwiają precyzyjny odczyt, a zapamiętywanie wartości szczytowej zwiększa funkcjonalność wskaźnika.

Podstawowe parametry:
  • wskaźnik 12-punktowy,
  • skala logarytmiczna,
  • funkcja zapamiętywania wartości szczytowej Peak-Hold,
  • zasilanie napięciem 5 V.

Budowa i działanie

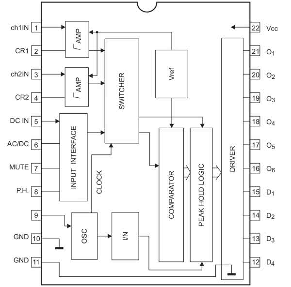
Wskaźnik bazuje na dedykowanym dwukanałowym sterowniku 12-punktowego wskaźnika wysterowania LED typu BA6822S, którego strukturę wewnętrzną pokazano na rysunku 1.

Rysunek 1. Struktura wewnętrzna układu BA6822S

Dzięki niemu, niewielkim nakładem sił i środków można zbudować wskaźnik wysterowania w stylu retro, spotykany często w sprzęcie wyższej klasy w złotych czasach audio. Sam układ nie jest już produkowany, ale jest dostępny bez problemu na aukcjach internetowych. W swojej strukturze zawiera przedwzmacniacz, detektor sterujący komparatorami, które mają określone progi zadziałania zgodne ze skalą logarytmiczną, układ zapamiętywania wartości szczytowej oraz multiplekser sterujący LED.

Dzięki multipleksowanemu wyświetlaniu, 24 diody są podłączone przez tylko 10 wyprowadzeń.

Schemat wskaźnika pokazano na rysunku 2. Sygnał wejściowy ze złącza J1 doprowadzony jest do układu U1 typu BA6822S. Potencjometry RV1, RV2 służą do kalibracji układu. Obwód R12, CE2 oraz R13, CE3 określa stałą czasową układu detektora, R11, C1 są elementami oscylatora taktującego układ multipleksowania.

Rysunek 2. Schemat wskaźnika wysterowania

Tranzystory Q1...Q4 sterują dynamicznie grupami 4×6 LED wskaźnika. „Górne” osiem LED posiada funkcję zapamiętywania wartości szczytowej, aktywowaną niskim stanem wyprowadzenia U1-7, stan wysoki wyłącza wskazania szczytów poziomu sygnału. Poziom wyprowadzenia U1-7 ustalany jest na płytce drukowanej zworą PH. Układ wskazuje poziomy –38/–30/–20/–10/–7/–4/–2/0/2/4/7/10 dB, które dla ułatwienia odczytu mają wyróżnione kolory, zakres 10/7 dB – LD11, LD12, na czerwono, zakres 0/2/4 dB – LD8, LD9, LD10 na żółto. Rezystory R1...R6 ograniczają prąd LED.

Układ zasilany jest napięciem 5 V ze złącza J1, pobór prądu nie przekracza 100 mA. Ze względu na niską impedancję wejściową wynoszącą około 300 Ω, wymagane jest sterowanie poprzez bufor lub bezpośrednio z wyjścia końcówki mocy poprzez dzielnik napięciowy.

Montaż i uruchomienie

Układ zmontowany jest na niewielkiej dwustronnej płytce drukowanej, której schemat i rozmieszczenie elementów pokazano na rysunkach 3 i 4.

Rysunek 3. Schemat płytki PCB wraz z rozmieszczeniem elementów, strona TOP
Rysunek 4. Schemat płytki PCB wraz z rozmieszczeniem elementów, strona BOTTOM

Montaż jest typowy i nie wymaga opisu, zmontowany wskaźnik pokazano na fotografii tytułowej oraz fotografii 1

Fotografia 1. Widok zmontowanej płytki

Wskaźnik nie wymaga uruchamiania należy tylko skalibrować poziom 0 dB, czy to w odniesieniu do napięcia, czy do mocy wyjściowej wzmacniacza, stosując ewentualnie dodatkowy dzielnik zewnętrzny. Dla ułatwienia kalibracji warto przelutować zworę w położenie wyłączające pamięć poziomu maksymalnego.

Adam Tatuś, EP
adam.tatus@ep.com.pl

Wykaz elementów:
Rezystory:
  • R1…R6: 330 Ω 1% SMD0805
  • R7…R10: 2,2 kΩ 1% SMD0805
  • R11: 39 kΩ 1% SMD0805
  • R12, R13: 47 kΩ 1% SMD0805
  • RV1, RV2: 10 kΩ potencjometr wieloobrotowy VR-64W
Kondensatory:
  • C1,C4: 10 nF ceramiczny SMD805
  • C2,C3: 1 μF ceramiczny SMD805
  • CE1: 100 μF/10 V elektrolityczny
  • CE2,CE3: 22 μF/10 V elektrolityczny
Półprzewodniki:
  • LDL1…LDL7, LDR1…LDR7: LED 3 mm zielona
  • LDL8…LDL10, LDR8…LDR10: LED 3 mm żółta
  • LDL11, LDL12, LDR11, LDR12: LED 3 mm czerwona
  • Q1…Q4: BC807 SOT-23
  • U1: BA6822 SDIP22
Inne:
  • J1: Złacze 4 pin SIP4 2,54 mm
Artykuł ukazał się w
Elektronika Praktyczna
maj 2020
DO POBRANIA
Pobierz PDF Download icon
Elektronika Praktyczna Plus lipiec - grudzień 2012

Elektronika Praktyczna Plus

Monograficzne wydania specjalne

Elektronik listopad 2025

Elektronik

Magazyn elektroniki profesjonalnej

Raspberry Pi 2015

Raspberry Pi

Wykorzystaj wszystkie możliwości wyjątkowego minikomputera

Świat Radio listopad - grudzień 2025

Świat Radio

Magazyn krótkofalowców i amatorów CB

Automatyka, Podzespoły, Aplikacje listopad - grudzień 2025

Automatyka, Podzespoły, Aplikacje

Technika i rynek systemów automatyki

Elektronika Praktyczna listopad 2025

Elektronika Praktyczna

Międzynarodowy magazyn elektroników konstruktorów

Elektronika dla Wszystkich grudzień 2025

Elektronika dla Wszystkich

Interesująca elektronika dla pasjonatów