Przedwzmacniacz stereo z regulacją barwy dźwięku

Przedwzmacniacz stereo z regulacją barwy dźwięku
Pobierz PDF Download icon

Przedwzmacniacz stereo z regulacją barwy dźwięku zrealizowany na układzie KA2107. Układ często spotykany był w popularnym sprzęcie audio, a dzisiaj dostępny jest w sklepach internetowych za kilka złotych – aż szkoda nie wypróbować go na własnych uszach, pomimo jego niezbyt wyśrubowanych parametrów.

Podstawowe parametry:
  • regulacja tonów niskich, wysokich, balansu i głośności,
  • regulacja stereofoniczna,
  • zasilanie 15…24 V, pobór prądu do 70 mA.

W przedwzmacniaczu zastosowano specjalizowany układ KA2107, będący aktywnym układem regulacji barwy dźwięku, balansu i poziomu. Strukturę wewnętrzną układu pokazuje rysunek 1.

Rysunek 1. Struktura wewnętrzna układu KA2107

Jego największą zaletą jest regulacja parametrów przy pomocy napięcia stałego, dzięki temu można zrezygnować z potencjometrów stereo umieszczonych bezpośrednio w torze audio.

Budowa i działanie

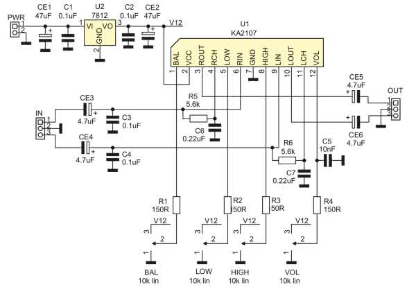
Schemat przedwzmacniacza pokazano na rysunku 2.

Rysunek 2. Schemat elektryczny

Sygnał wejściowy z gniazda IN doprowadzony jest bloku regulacji barwy dźwięku. Elementy R5, C6 i R6, C7 kształtują charakterystykę regulacji. Poziom częstotliwości niskich i wysokich określa napięcie na wyprowadzeniach LOW, HIGH układu.

W środkowych położeniach potencjometrów LOW, HIGH charakterystyka jest płaska.

Z bloku regulatora barwy, sygnał doprowadzony jest do regulatora balansu, podobnie jak w przypadku regulacji barwy, położenia środkowe suwaka potencjometru BAL zapewnia jednakowe wzmocnienie kanałów. Ostatnim blokiem jest regulator poziomu sygnału regulowany napięciem na wyprowadzeniu VOL. Z bloku regulacji poziomu poprzez kondensatory separujące składową stałą CE5, CE6 sygnał doprowadzony jest do zacisków OUT.

Zasilanie przedwzmacniacza zapewnia stabilizator U2 typu 7812. Układ wymaga zasilania napięciem 15...24 V doprowadzonym do zacisków PWR i pobiera do 70 mA.

Montaż i uruchomienie

Przedwzmacniacz zmontowany jest na niewielkiej jednostronnej płytce drukowanej, której schemat wraz z rozmieszczeniem elementów pokazano na rysunku 3.

Rysunek 3. Schemat płytki PCB

Montaż nie jest skomplikowany i nie wymaga opisu. Zamiennikiem KA2107 zgodnie z kartą katalogową jest AN5835 lub AN5836, ale model nie był sprawdzany z tymi układami.

Zmontowany moduł pokazuje fotografia tytułowa. Wzmacniacz nie wymaga uruchamiania. Należy pamiętać, że ze względu na niskie napięcie zasilania, układ nie powinien współpracować z sygnałem większym niż 0,5 Vrms, gdyż grozi to przesterowaniem, szczególnie gdy wykorzystywane są skrajne podbicia tonów.

Opisany regulator nie ma aspiracji do Hi-End, ale i tak może znaleźć wiele zastosowań. Dla sprawdzenia parametrów wykonano pomiary przy pomocy Analog Discovery 2. Przykładowe charakterystyki częstotliwościowe dla skrajnych i środkowego położenia potencjometrów LOW i HIGH pokazano na rysunku 4.

Rysunek 4. Przykładowe charakterystyki częstotliwościowe

Pomiar THD i poziom szumów pokazano na rysunku 5. Pokrywają się one z charakterystykami zamieszczonymi w nocie katalogowej. Widać, że regulacja podbicia i osłabienia nie jest symetryczna, regulatory mocno wpływają także na zakres środkowych częstotliwości, ale nie jest to specjalnym zaskoczeniem, gdy charakterystyka kształtowana jest jednym członem RC. Osiągnięte parametry są zadowalające, poziom szumów jest akceptowalny. Układ z powodzeniem może uzupełnić głośniki Bluetooth lub komputerowe DIY w regulację barwy niewielkim nakładem kosztów.

Rysunek 5. Pomiar THD i poziomu szumów

Adam Tatuś, EP

Wykaz elementów:
Rezystory:
  • R1…R4: 150 Ω
  • R5, R6: 5,6 kΩ
  • BAL, HIGH, LOW, VOL: Potencjometr liniowy 10 kΩ
Kondensatory:
  • C1…C4: 0,1 μF MKT
  • C5: 10 nF MKT
  • C6, C7: 220 nF MKT
  • CE1, CE2: 47 μF/25 V
  • CE3, CE4, CE5, CE6: 4,7 μF/25 V
Półprzewodniki:
  • U1: KA2107 SIL12
  • U2: 7812 TO220
Inne:
  • IN, OUT: DG381-3.5-3
  • PWR: DG381-3.5-2
 
Artykuł ukazał się w
Elektronika Praktyczna
luty 2020
DO POBRANIA
Pobierz PDF Download icon
Elektronika Praktyczna Plus lipiec - grudzień 2012

Elektronika Praktyczna Plus

Monograficzne wydania specjalne

Elektronik listopad 2025

Elektronik

Magazyn elektroniki profesjonalnej

Raspberry Pi 2015

Raspberry Pi

Wykorzystaj wszystkie możliwości wyjątkowego minikomputera

Świat Radio listopad - grudzień 2025

Świat Radio

Magazyn krótkofalowców i amatorów CB

Automatyka, Podzespoły, Aplikacje listopad - grudzień 2025

Automatyka, Podzespoły, Aplikacje

Technika i rynek systemów automatyki

Elektronika Praktyczna listopad 2025

Elektronika Praktyczna

Międzynarodowy magazyn elektroników konstruktorów

Elektronika dla Wszystkich grudzień 2025

Elektronika dla Wszystkich

Interesująca elektronika dla pasjonatów