Śnieżynka LED

Śnieżynka LED
Pobierz PDF Download icon

Jest wiele symboli Świąt Bożego Narodzenia. Jednym z nich są śnieżynki. Dlatego w oczekiwaniu na dzień przyozdabiania świątecznego drzewka proponujemy czytelnikom EP wykonanie prostego układu Śnieżynki LED.

Podstawowe parametry:
  • biało-niebieski efekt świetlny,
  • zasilanie napięciem z przedziału 3…6 V – bateria CR2032 lub 2 sztuki CR2016,
  • czas nieprzerwanego działania ok. 30 godzin,
  • wymiary – obrys płytki mieści się w okręgu o średnicy 50 mm.

Dwa zestawy diod LED w „modnych” kolorach niebieskim i białym migają w zmiennym rytmie, zapewniając interesujący efekt. Ten niewielki gadżet będzie interesującą dekoracją chociażby biurka w pracy. Zasilanie bateryjne z pewnością ułatwi użycie układu w takiej roli. Śnieżynka pozwoli wprowadzać świąteczny klimat do każdego wnętrza a montaż układu może być doskonałym pretekstem, aby wspólnie z rodziną zrobić coś niecodziennego.

Budowa i działanie

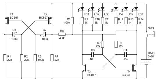
Schemat ideowy pokazano na rysunku 1.

Rysunek 1. Schemat układu

Podstawą działania opisywanego „mrygacza” jest klasyczny przerzutnik astabilny – multiwibrator zbudowany z tranzystorów T3, T4. Tranzystory otwierają się i zatykają na przemian, zaświecając niebieskie i białe diody LED. Częstotliwość pracy wyznaczona jest głównie przez wartość elementów R7, R8, C3, C4. Rezystory R7, R8 nie zostały dołączone do dodatniego bieguna zasilania, tylko do punktu połączenia R5 i R6 – przekształca to omawiany przerzutnik w generator o częstotliwości sterowanej napięciem.

Częstotliwość migania diod LED zależy także od napięcia w punkcie połączenia R5, R6, a napięcie to zmienia się w rytm pracy drugiego multiwibratora zbudowanego z tranzystorów T1, T2.

Z uwagi na znaczną pojemność C1, C2, jego częstotliwość pracy jest znacznie mniejsza niż częstotliwość migania diod LED. Zróżnicowanie wartości R2 i R3 sprawia, że przebieg sterujący jest niesymetryczny, a zbliżone wartości rezystorów R1...R4 powodują, że przebieg na kolektorach tranzystorów znacznie odbiega kształtem od prostokątnego. W rezultacie częstotliwość pracy multiwibratora T1, T2 jest mała, przebieg jest niesymetryczny, a napięcie na kolektorze T2 łagodnie opada – w efekcie w specyficzny sposób moduluje to częstotliwość migania diod LED, dając niespotykany efekt świetlny.

Rysunek 2. Zobrazowanie sekwencji świetlnej

Rysunek 2 pokazuje schematycznie pracę Śnieżynki LED.

Montaż i uruchomienie

Wzór obwodu drukowanego został pokazany na rysunku 3.

Rysunek 3. Schemat płytki PCB wraz z rozmieszczeniem elementów

Układ należy zmontować na płytce drukowanej, której obrys zmieści się w okręgu o średnicy 50 mm. Większość elementów przewidziana jest do montażu powierzchniowego (SMD), dlatego do tej czynności niezbędna będzie lutownica z ostrym grotem i trochę wprawy. Montaż rozpoczynamy od wlutowania rezystorów R1…R14 oraz kondensatorów C3 i C4. W kolejnym etapie montujemy tranzystory T1…T4 oraz kondensatory C1 i C2 zgodnie z polaryzacją. Koszyk baterii BAT1 wraz z przełącznikiem SW1 wlutować należy po przeciwnej stronie płytki. Na koniec należy wlutować diody LED niebieskie LD1…LD3 oraz białe LD4…LD6.

Po zmontowaniu obwodu drukowanego trzeba bardzo starannie skontrolować, czy elementy nie zostały wlutowane w niewłaściwym kierunku lub w niewłaściwe miejsca, a przede wszystkim czy podczas lutowania nie powstały zwarcia punktów lutowniczych. Urządzenie zmontowane bezbłędnie, z użyciem sprawnych elementów będzie działało od razu po włączeniu napięcia zasilającego.

Rysunek 4. Sposób modyfikacji koszyka baterii

Do zasilania śnieżynki najlepiej skorzystać z baterii CR2032 lub dwóch CR2016, co daje nam poprawny zakres pracy przy napięciu 3…6 V. Przy zastosowaniu dwóch baterii CR2016 należy odizolować elektrycznie „łapkę” utrzymującą je w koszyku za pomocą np. taśmy izolacyjnej naklejonej w miejscu jego styku z dolną baterią. Można też wygiąć „łapkę” w łuk, co wyeliminuje problem niepotrzebnego zwarcia przy wymianie baterii – rysunek 4. Zmontowany układ jest pokazany na fotografii tytułowej a widok od strony baterii pokazuje fotografia 5.

Fotografia 5. Zmontowany układ pokazany od strony baterii

Po włączeniu zasilania Śnieżynka LED będzie migała szybko, stopniowo przechodząc do coraz wolniejszych zmian, aż ponownie zacznie migać z pełną prędkością. Dla ułatwienia zawieszenia śnieżynki w jej górnej części znajdują się niewielkie otwory do przewleczenia nitki albo drucika. Tak wykonana śnieżynka, jako efektowny i oryginalny gadżet stanie się doskonałą świąteczną dekoracją. Przy zasilaniu dwiema bateriami CR2016 układ podczas testów pracował bez przerwy ok. 30 godzin, co w zupełności wystarczy to tego, aby „cieszył oko” przez całe święta.

Mavin
mavin@op.pl

Wykaz elementów:
Rezystory:
  • R1, R2, R4, R7, R8: 22 kΩ SMD0805
  • R3, R6 : 100 kΩ SMD0805
  • R5: 4,7 kΩ SMD0805
  • R9…14: 1 kΩ SMD0805
Kondensatory:
  • C1, C2: 100 μF tantalowy SMD C
  • C3, C4: 10 μF monolityczny SMD0805
Półprzewodniki:
  • LED1…3: LED 5 mm niebieskie
  • LED4…6: LED 3 mm białe
  • T1, T2: BC857 SMD
  • T3, T4: BC847 SMD
Inne:
  • SW1: HSS12x0R przełącznik pojedynczy hebelkowy
  • BAT1: koszyk baterii CR20xx
Artykuł ukazał się w
Elektronika Praktyczna
grudzień 2019
DO POBRANIA
Pobierz PDF Download icon
Elektronika Praktyczna Plus lipiec - grudzień 2012

Elektronika Praktyczna Plus

Monograficzne wydania specjalne

Elektronik listopad 2025

Elektronik

Magazyn elektroniki profesjonalnej

Raspberry Pi 2015

Raspberry Pi

Wykorzystaj wszystkie możliwości wyjątkowego minikomputera

Świat Radio listopad - grudzień 2025

Świat Radio

Magazyn krótkofalowców i amatorów CB

Automatyka, Podzespoły, Aplikacje listopad - grudzień 2025

Automatyka, Podzespoły, Aplikacje

Technika i rynek systemów automatyki

Elektronika Praktyczna listopad 2025

Elektronika Praktyczna

Międzynarodowy magazyn elektroników konstruktorów

Elektronika dla Wszystkich grudzień 2025

Elektronika dla Wszystkich

Interesująca elektronika dla pasjonatów