Pulsujące serce LED

Pulsujące serce LED
Pobierz PDF Download icon

Pulsujące serce to prezent idealny na walentynki, urodziny, imieniny, Dzień Kobiet itp. Można je również podarować bez specjalnej okazji. Jako symbol wyraża uczucie, a osobie obdarowanej zapewnia dużą dawkę radości!

Gotowe serce można zakupić w sklepie AVT pod bezpośrednim adresem: http://bit.ly/36SkqEn

Chociaż „Pulsujące serce LED” opracowano z myślą o walentynkach, to można nim obdarować ukochaną osobę również przy innej okazji. Warto zwrócić uwagę na efekt wytwarzany przez 42 czerwone diody LED. Jest to imitacja bijącego serca – diody LED są rozjaśniane od stanu wyłączenia do pełnej jasności, a następnie są przyciemniane aż do wyłączenia. Ten cykl powtarza się. „Serce” wykonano z użyciem łatwo dostępnych, tanich elementów, co w połączeniu z odpowiednio zaprojektowanym obwodem drukowanym pozwala wykonać efekt również mniej wprawnym elektronikom.

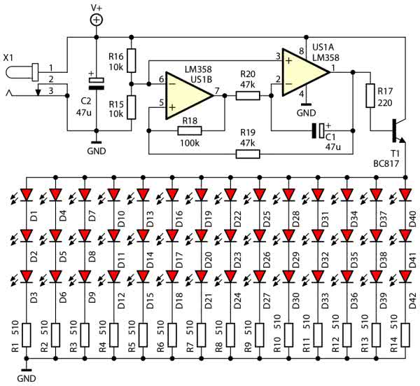
Na rysunku 1 pokazano schemat ideowy „Pulsującego serca LED”. Głównym elementem jest generator przebiegu trójkątnego z dwoma wzmacniaczami operacyjnymi. Układ US1B pracuje jako komparator, porównując napięcie odniesienia na wejściu odwracającym i z napięciem wyjściowym, doprowadzonym do wejścia nieodwracającego (sprzężenie zwrotne uzyskiwane za pomocą rezystorów R18 i R19). Napięcie na wyjściu wzmacniacza US1B (pin 7) jest bliskie dodatniego napięcia zasilającego lub masy.

Rysunek 1. Schemat ideowy „Pulsującego serca LED”

Wzmacniacz operacyjny US1A pracuje w funkcji integratora. Napięcie na jego wyjściu zmienia się tak, aby na jego wejściu odwracającym napięcie zawsze było równe potencjałowi sztucznej masy zrealizowanej za pomocą rezystorów R15 i R16. Ponieważ napięcie na wyjściu US1B przybiera jedną z dwóch wartości, przez rezystor R20 będzie płynął prąd o stałym natężeniu, ale o zmieniającym się kierunku. Ten prąd będzie na przemian ładował i rozładowywał kondensator C1.

Aby zmienić częstotliwość generowanego przebiegu, można zmienić wartość rezystora R20 lub kondensatora C1. Aby zmienić amplitudę (szerokość pętli histerezy) generowanego przebiegu, należy zmienić wartość rezystora R18. Efektem tej zmiany będą przesunięte progi wygaszania i załączania LED. Do wyjścia wzmacniacza operacyjnego US1A jest dołączony tranzystor T1 przez rezystor R17 ograniczający prąd jego bazy. Ten tranzystor steruje pracą 42 czerwonych diod LED pogrupowanych po 3 w gałęzi.

Zasilanie stanowi zasilacz napięcia stałego 12 V. Dobrym rozwiązaniem jest użycie wtyczkowego zasilacza impulsowego.

Rysunek 2. Schemat montażowy „Pulsującego serca LED”

Schemat montażowy „Pulsującego serca LED” zamieszczono na rysunku 2. Wykonano je z elementów SMD, co wymaga nieco wprawy przy lutowaniu. W montażu pomocną będzie fotografia. „Serce” nie wymaga uruchamiania. Zmontowane ze sprawnych elementów będzie działało natychmiast po włączeniu zasilania. Płytkę zasila się za pomocą gniazdka przylutowanego od strony lutowania. Aby zmniejszyć „wywrotność” płytki o tak specyficznym kształcie, warto wykonać ze srebrzonego drutu nóżkę wygiętą w kształt podkowy. Taki element należy przylutować do odkrytego pola miedzi tuż nad gniazdem zasilania (fotografia 3).

Fotografia 3. Wykonanie podpórki „Serca”

Mavin
mavin@op.pl

Wykaz elementów:
Rezystory:
  • R1...R14: 510 Ω
  • R15, R16: 10 kΩ
  • R17: 220 Ω
  • R18: 100 kΩ
  • R19, R20: 47 kΩ
Kondensatory:
  • C1, C2: 47 μF
Półprzewodniki:
  • D1...D42: LED czerwona 3 mm
  • US1: LM358
  • T1: BC817
Inne:
  • Gniazdo zasilania DC2,1/5,5
Artykuł ukazał się w
Elektronika Praktyczna
luty 2019
DO POBRANIA
Pobierz PDF Download icon
Elektronika Praktyczna Plus lipiec - grudzień 2012

Elektronika Praktyczna Plus

Monograficzne wydania specjalne

Elektronik listopad 2025

Elektronik

Magazyn elektroniki profesjonalnej

Raspberry Pi 2015

Raspberry Pi

Wykorzystaj wszystkie możliwości wyjątkowego minikomputera

Świat Radio listopad - grudzień 2025

Świat Radio

Magazyn krótkofalowców i amatorów CB

Automatyka, Podzespoły, Aplikacje listopad - grudzień 2025

Automatyka, Podzespoły, Aplikacje

Technika i rynek systemów automatyki

Elektronika Praktyczna listopad 2025

Elektronika Praktyczna

Międzynarodowy magazyn elektroników konstruktorów

Elektronika dla Wszystkich grudzień 2025

Elektronika dla Wszystkich

Interesująca elektronika dla pasjonatów