Miniaturowy, stereofoniczny wzmacniacz mocy

Miniaturowy, stereofoniczny wzmacniacz mocy
Pobierz PDF Download icon
Moduł jest kompletną "cyfrową" końcówką audio o średniej mocy, pracującą w klasie D. Wzmacniacz może posłużyć do realizacji mobilnych systemów nagłośnieniowych, pracować samodzielnie np. pełniąc funkcję wzmacniacza do PC lub zamiennika uszkodzonych, niedostępnych układów końcówek mocy w sprzęcie RTV.

Układ SSM3302 jest dwukanałową końcówką mocy ze zintegrowanymi tranzystorami przełączającymi. Ma wbudowane wszystkie konieczne zabezpieczenia przed uszkodzeniem Może być zasilany w szerokim zakresie 7…18 V, sterując obciążeniem o rezystancji 4…8 V. Przy napięciu zasilającym 12V moc dostarczana do obciążenia wynosi 2×10 W/4 V lub 2×8 W/8 V. Ze względu na dużą sprawność wzmacniacz nie wymaga stosowania radiatora – do odprowadzania nadmiaru ciepła wystarczy miedź płytki drukowanej.

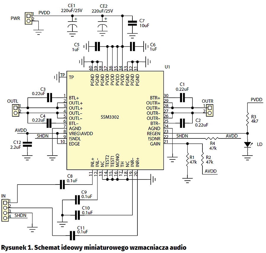
Schemat ideowy wzmacniacza pokazano na rysunku 1. Aplikacja nie odbiega od noty katalogowej producenta – firmy Analog Devices. Sygnał wejściowy doprowadzony jest do złącza IN. Różnicowe wejścia układu skonfigurowane są do pracy z sygnałem niesymetrycznym poprzez połączenie ich kondensatorami C9 i C10 z masą układu. Sygnał audio po separacji galwanicznej za pomocą pojemności C8 i C11 jest doprowadzony do układu U1. Wzmocnienie końcówki jest ustalane rezystorami R1 i R2 dołączonymi do wyprowadzenia GAIN. Wzmocnienie można ustalić zgodnie z tabelą 1.

Poziom wysoki na wyprowadzeniu REGEN aktywuje wewnętrzny stabilizator AVDD. Napięcie wyprowadzenia REGEN jest ograniczane spadkiem na diodzie LD sygnalizującej także obecność zasilania. Poziom niski wyprowadzeń SNDL oraz SNDR wyłącza końcówki mocy. Sygnał SHDN jest doprowadzony do złącza IN umożliwiając wyłączenie wzmacniacza sygnałem zewnętrznym (konfiguracja OC/OD lub styk). Kondensatory C1…C4 są elementami wewnętrznego układu Bootstrap.

Wzmocniony sygnał jest dostępny na wyprowadzeniach OUTL/R. Wyprowadzenie EDGE wprowadza U1 w tryb obniżonego EMI, co umożliwia rezygnację z filtrów wyjściowych przy krótkich przewodach głośnikowych. Zasilanie układu 7…18 V, typowo 12 V, jest doprowadzone poprzez złącze PWR i filtrowane poprzez za pomocą kondensatorów CE1, CE2, C5…C7.

Wzmacniacz zmontowano na miniaturowej, dwustronnej płytce drukowanej, której schemat montażowy pokazano na rysunku 2. Przed montażem należy ustalić wymagane wzmocnienie (R1/R2). Montaż jest typowy i nie wymaga opisywania.

Adam Tatuś, EP

 


Artykuł ukazał się w
Elektronika Praktyczna
październik 2017
DO POBRANIA
Pobierz PDF Download icon
Elektronika Praktyczna Plus lipiec - grudzień 2012

Elektronika Praktyczna Plus

Monograficzne wydania specjalne

Elektronik listopad 2025

Elektronik

Magazyn elektroniki profesjonalnej

Raspberry Pi 2015

Raspberry Pi

Wykorzystaj wszystkie możliwości wyjątkowego minikomputera

Świat Radio listopad - grudzień 2025

Świat Radio

Magazyn krótkofalowców i amatorów CB

Automatyka, Podzespoły, Aplikacje listopad - grudzień 2025

Automatyka, Podzespoły, Aplikacje

Technika i rynek systemów automatyki

Elektronika Praktyczna listopad 2025

Elektronika Praktyczna

Międzynarodowy magazyn elektroników konstruktorów

Elektronika dla Wszystkich grudzień 2025

Elektronika dla Wszystkich

Interesująca elektronika dla pasjonatów