Sterownik unipolarnych silników krokowych

Sterownik unipolarnych silników krokowych
Pobierz PDF Download icon

Zestaw AVT1314 jest przeznaczony do niewielkich obciążeń, a rozmieszczenie elementów na płytce uniemożliwia przymocowanie tranzystorów do wspólnego radiatora. Postanowiłem skonstruować sterownik o zbliżonej funkcjonalności, ale niemający wad wspomnianego zestawu. 

Projekt sterownika opisanego w artykule realizuje następujące zadania:

  • Steruje 4-fazowym silnikiem krokowym.
  • Umożliwia płynną regulację prędkości obrotowej i zmianę kierunku obrotów.
  • Realizuje funkcję zatrzymania silnika standstill.

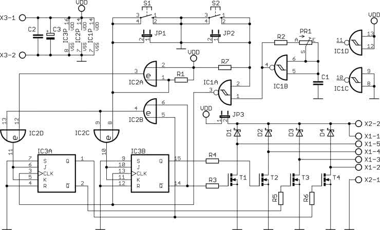
Schemat ideowy sterownika silnika krokowego pokazano na rysunku 1. Sterownik zbudowano z użyciem trzech układów scalonych typu 4000 oraz czterech MOSFETów mocy. Układ jest taktowany za pomocą generatora impulsów prostokątnych zbudowanego z bramek NAND z wejściem Schmitta. Częstotliwość pracy tego generatora jest określona sumą rezystancji R2+PR1 oraz pojemności kondensatora C1 i może być regulowana w szerokim zakresie za pomocą potencjometru PR1. Fragment układu z bramkami EXOR i przerzutnikami J-K tworzy licznik modulo 4, na którego wyjściach w takt impulsów zegarowych przesuwa się poziom wysoki.

Rysunek 1. Schemat ideowy sterownika silnika krokowego

Przełącznik S1 (JP1) służy do zmiany kierunku pracy licznika, a tym samym do zmiany kierunku obrotów silnika. Za pomocą przełącznika S2 (JP2) można zatrzymywać i uruchamiać silnik. Cewki czterofazowego silnika krokowego zasilane są za pośrednictwem czterech tranzystorów MOSFET (T1…T4). Zastosowanie w układzie modelowym tranzystorów dużej mocy typu BUZ11 jest rozwiązaniem gwarantującym poprawną pracę silników o bardzo dużej mocy. Na rysunku 2 pokazano przebiegi na złączu X2, do którego dołączane są uzwojenia unipolarnego silnika krokowego.

Rysunek 2. Przebiegi na złączu X2 sterownika silnika krokowego

Układ należy zmontować na płytce drukowanej, której schemat montażowy zamieszczono na rysunku 3. Montaż należy rozpocząć od wlutowania w płytkę rezystorów i podstawek pod układy scalone, a zakończyć na złączach i tranzystorach mocy. Zwarcie złącz JP1 i JP2 pełni taką samą funkcję, jak wciśnięcie przycisków S1 i S2, więc można dołączyć do nich przyciski zwierne i oddalić je od płytki sterownika. Płytkę zaprojektowano w taki sposób, aby można było zainstalować tranzystory na wspólnym radiatorze, uprzednio izolując je podkładkami silikonowymi i tulejkami izolacyjnymi od siebie i radiatora. Ścieżki, przez które będzie płynął znaczny prąd zostały na płytce drukowanej odkryte i warto je solidnie pocynować.

Rysunek 3. Schemat montażowy sterownika silnika krokowego

Po zmontowaniu układu trzeba bardzo starannie skontrolować, czy podczas lutowania nie powstały zwarcia punktów lutowniczych. Układ zmontowany ze sprawnych elementów nie wymaga uruchamiania. Należy jednak wspomnieć o sposobie dołączenia zasilania oraz uzwojeń silnika do płytki sterownika. W przypadku zasilania układu sterującego i silnika tym samym napięciem, które mieści się w przedziale od 5…15 V i nie przekracza poboru prądu powyżej 1 A, należy założyć Jumper JP3 i zasilanie dołączyć do złącza X3. Jeżeli parametry zasilania silnika krokowego nie mieszczą się w granicach napięcia zasilania części sterującej, należy zdjąć zworę JP3, do złącza X3 doprowadzić napięcie zasilające mieszczące się w granicach podanych powyżej, natomiast do złącza X2 doprowadzić zasilanie zgodne z parametrami silnika krokowego.

Rysunek 4. Sposób dołączenia silnika do sterownika

Sposób dołączenia silnika krokowego unipolarnego pokazano na rysunku 4.

Jakub Sobański
mavin@op.pl

Wykaz elementów:
Rezystory:
  • R1, R7: 1 kΩ
  • R2: 10 kΩ
  • R3…R6: 100 Ω
  • PR1: 100 kΩ
Kondensatory:
  • C1: 330 nF
  • C2: 100 nF
  • C2: 470 µF
Półprzewodniki:
  • D1…D4: 1N5822
  • IC1: 4093
  • IC2: 4070
  • IC3: 4027
Pozostałe:
  • T1…T4: BUZ11
  • X1: ARK2/5 mm + ARK3/5 mm
  • X2, X3: ARK2/5 mm
  • S1, S2: microswitch
  • JP1: 2×1 goldpin + zworka
  • JP2, JP3: 2×1 goldpin
Artykuł ukazał się w
Elektronika Praktyczna
styczeń 2015
DO POBRANIA
Pobierz PDF Download icon
Materiały dodatkowe
Elektronika Praktyczna Plus lipiec - grudzień 2012

Elektronika Praktyczna Plus

Monograficzne wydania specjalne

Elektronik listopad 2025

Elektronik

Magazyn elektroniki profesjonalnej

Raspberry Pi 2015

Raspberry Pi

Wykorzystaj wszystkie możliwości wyjątkowego minikomputera

Świat Radio listopad - grudzień 2025

Świat Radio

Magazyn krótkofalowców i amatorów CB

Automatyka, Podzespoły, Aplikacje listopad - grudzień 2025

Automatyka, Podzespoły, Aplikacje

Technika i rynek systemów automatyki

Elektronika Praktyczna listopad 2025

Elektronika Praktyczna

Międzynarodowy magazyn elektroników konstruktorów

Elektronika dla Wszystkich grudzień 2025

Elektronika dla Wszystkich

Interesująca elektronika dla pasjonatów