Miernik do Booster-a DCC

Miernik do Booster-a DCC
Pobierz PDF Download icon
W EP 11/2009 opisano zestaw sterowania DCC (AVT-5211) składający się z manipulatoracentralki oraz boostera. Teraz prezentujemy projekt miernika prądu i napięcia ułatwiającego określenie poboru mocy przez makietę.

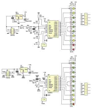
Rysunek 1. Schemat ideowy miernika do boostera

Miernik oparto o popularne sterowniki linijek LED LM3914. Napięcie zasilające booster zasila także kostki LM3914 przez złącza J1 (dla miernika napięcia) i J4 (dla miernika prądu). Ze względu na to, że maksymalne zalecane napięcie zasilania układów LM3914 wynosi 18 V, a napięcie na boosterze może je przekroczyć, zastosowano stabilizatory U3 i U4.

Jeśli mamy gwarancję, że napięcie na boosterze nie przekroczy 25 V, można nie montować stabilizatorów a w ich miejsce wlutować zwory zwierające wyprowadzenia 1 z 3. Napięcie z boostera jest obniżane w dzielniku zbudowanym z rezystorów R1, R2 i R5. Rezystory R3, R4 oraz R7...R9 ustalają dolne i górne napięcie odniesienia. Elementy dobrano tak, aby pierwsza dioda zaświecała się przy napięciu ok. 12 V, ostatnia ok. 25 V.

Miernik prądu pobiera napięcie pomiarowe z rezystorów R4 i R5 o wypadkowej rezystancji 0,22 V. Napięcie odniesienia układu U2 o wartości 1,28 V powoduje, że pierwsza dioda miernika zaświeca się przy prądzie około 1 A, a ostatnia przy 5 A. Należy pamiętać, że wskazania miernika nie są bardzo dokładne. Na to składa się kilka czynników:

  • dokładność źródła napięcia odniesienia układu LM3914,
  • tolerancja rezystorów w obwodzie dzielnika miernika napięcia,
  • tolerancja rezystorów R4 i R5 w boosterze.

Rysunek 2. Schemat montażowy miernika do boostera

Jako pierwsze zalecam wlutować diody świecące, co umożliwi ich równe ułożenie. Warto użyć diod LED w obudowach prostokątnych - taka linijka po prostu lepiej wygląda, ale nie ma przymusu. Następnie należy wlutować elementy SMD, później przewlekane. Rozmieszczenie sygnałów na złączach J1 i J4 umożliwia połączenie obu mierników jedną taśmą z boosterem.

Mierniki można zamontować w boosterze lub w dodatkowej obudowie w jednej linii lub (po rozcięciu płytek) jeden nad drugim. Aby skala wyświetlała się w sposób naturalny (małe wartości po lewej, duże po prawej), płytki w obudowie należy zamontować do góry stroną lutowania. Miernik podłączamy z boosterem według schematu zamieszczonego na rysunku 3.

Rysunek 3. Sposób włączenia miernika w obwód boostera

Masę i przewód pomiaru prądu najlepiej wlutować w miejsce rezystora R4 lub R5, ponieważ najczęściej znajduje się tam jeden rezystor. Przewód zasilający, będący również przewodem pomiaru napięcia, najłatwiej przylutować do nóżki 2 układu L6202. Zworki J2 i J3 umożliwiają wybór pracy linijki LED (rozwarta - punkt, zwarta - linijka).

Należy pamiętać, że w trybie pracy linijka, układ pobiera większy prąd, co przy wysokim napięciu zasilania może powodować silne nagrzewanie się stabilizatora i może on wymagać radiatora. Poprawnie zmontowany miernik nie wymaga uruchamiania. Uwaga! Rezystory R6 i R11 są konieczne tylko wtedy, gdy pierwsza dioda danej linijki zawsze się lekko świeci.

Miernik prądu może mierzyć prąd o natężeniu do 5 A, chociaż maksymalna wydajność prądowa boostera z zestawu AVT-5211 to 3 A. Zakres 5 A nie został wybrany przypadkowo, ponieważ został opracowany booster o obciążalności 5 A. Rezystory R6, R11, R13 nie muszą mieć tolerancji 1%. Zastosowano takie, aby zmniejszyć asortyment elementów.

Sławomir Skrzyński, EP

Artykuł ukazał się w
Elektronika Praktyczna
wrzesień 2014
DO POBRANIA
Pobierz PDF Download icon
Elektronika Praktyczna Plus lipiec - grudzień 2012

Elektronika Praktyczna Plus

Monograficzne wydania specjalne

Elektronik listopad 2025

Elektronik

Magazyn elektroniki profesjonalnej

Raspberry Pi 2015

Raspberry Pi

Wykorzystaj wszystkie możliwości wyjątkowego minikomputera

Świat Radio listopad - grudzień 2025

Świat Radio

Magazyn krótkofalowców i amatorów CB

Automatyka, Podzespoły, Aplikacje listopad - grudzień 2025

Automatyka, Podzespoły, Aplikacje

Technika i rynek systemów automatyki

Elektronika Praktyczna listopad 2025

Elektronika Praktyczna

Międzynarodowy magazyn elektroników konstruktorów

Elektronika dla Wszystkich grudzień 2025

Elektronika dla Wszystkich

Interesująca elektronika dla pasjonatów