Cyfrowy komparator okienkowy

Cyfrowy komparator okienkowy
Pobierz PDF Download icon

Komparator okienkowy to układ, który sygnalizuje swoim wyjściem, że napięcie wejściowe znajduje się w zadanym przedziale. Prezentuję tutaj jego cyfrową wersję, zawierającą wyświetlacz oraz umożliwiającą bardzo dokładne ustawienie progów reakcji.

Podstawowe parametry:
  • pomiar napięcia stałego w przedziale 0…9,99 V lub 0…99,9 V,
  • wyświetlanie aktualnej wartości napięcia na trzycyfrowym wyświetlaczu siedmiosegmentowym LED,
  • informacja o przekroczeniu progów sygnalizowana zmianą koloru świecenia,
  • trzy wyjścia typu otwarty kolektor sygnalizujące prawidłową wartość napięcia oraz przekroczenie progu dolnego i górnego,
  • zasilanie napięciem 5 V lub 8…20 V

Kit AVT3261 to układ analogowego komparatora okienkowego, który został wykonany z użyciem podwójnego komparatora. Całość jest mała, prosta, tania i spełnia prawidłowo swoje zadanie. Jednak w praktyce mogą być potrzebne bardziej rozbudowane rozwiązania. Przykład z życia wzięty: komora filtracyjna zawiera wodę, przez którą przetłaczane jest powietrze. Posiada wbudowany czujnik pływakowy z wyjściem napięciowym. Jeżeli stan wody jest zbyt niski, trzeba jej dolać. Jeżeli wody jest za dużo (może tak się zdarzyć po obfitych opadach deszczu, kiedy dostaje się ona z zewnątrz), trzeba jej trochę wylać. Filtracja może odbywać się tylko wtedy, kiedy jej poziom jest optymalny. Ponadto, osoba nadzorująca pracę systemu filtracyjnego musi mieć podgląd na aktualny poziom wody w komorze oraz prostą informację, czy jest jej za mało, za dużo czy w sam raz. Przydatna byłaby również możliwość łatwej zmiany progów przez kogoś mało obeznanego w elektronice.

Prezentowany układ realizuje wszystkie wymienione wyżej zadania: dokonuje ciągłego pomiaru napięcia, a wynik wskazywany jest na wyświetlaczu siedmiosegmentowym LED. Kolor świecenia zależy od tego, czy napięcie jest teraz za niskie, za wysokie, czy też jest w porządku. Posiada również odpowiednie wyjścia informacyjne. Ustawień progów dokonuje się zwykłymi przyciskami.

Budowa i działanie

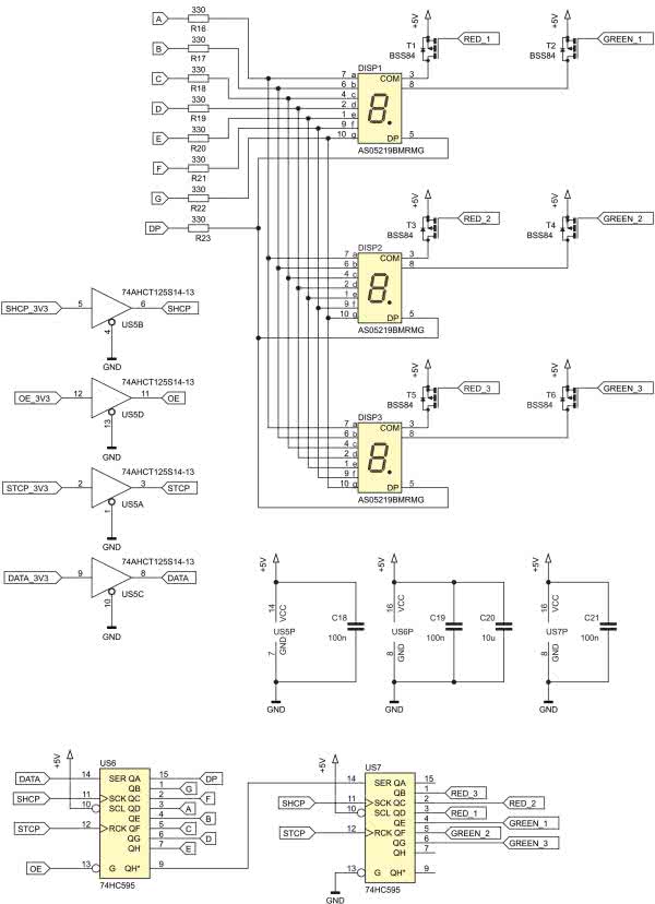
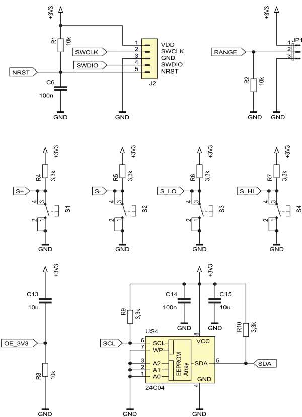
Schemat ideowy został pokazany na rysunku 1. Niezbędnym blokiem jest zasilacz dostarczający dwóch napięć: 5 V oraz 3,3 V. Pierwsze jest niezbędne dla działania wyświetlaczy siedmiosegmentowych, a drugie służy do zasilania mikrokontrolera oraz jest napięciem referencyjnym dla przetwornika A/C. Wprawdzie dokładność użytego stabilizatora nie jest zbyt duża (typowo 2%, są wersje 1%), ale istnieje możliwość dokonania łatwej kalibracji wskazań (dokładny opis w dalszej części artykułu). Gdy mamy dostępne źródło napięcia stałego o wartości 5 V, stabilizator US1 można wtedy pominąć, poprzez zwarcie zwory SJ1. Dioda D1 chroni układ przed zniszczeniem w razie wystąpienia pomyłki w biegunowości podłączonego do układu zasilania.

Rysunek 1. Schemat ideowy układu

Mikrokontroler typu STM32F051K8T6 zawiera wbudowany, 12-bitowy przetwornik analogowo-cyfrowy. Zasilanie dla części cyfrowej mikrokontrolera odsprzęgają cztery kondensatory ceramiczne, a dla analogowej jest przewidziany bardzo prosty filtr RC. To w zupełności wystarczy do zapewnienia prawidłowych wskazań, zwłaszcza, że wyniki pobrane z przetwornika są silnie uśredniane. Mikrokontroler nie realizuje zadań, które byłyby krytyczne z punktu widzenia dystansu czasowego, więc jego rdzeń taktuje się wewnętrznym rezonatorem RC, którego częstotliwość jest powielana do 48 MHz przez wbudowany układ PLL.

Programowanie pamięci Flash najłatwiej można przeprowadzić przy użyciu interfejsu SWD, rozpowszechnionego wśród mikrokontrolerów produkcji ST Microelectronics. Służy do tego złącze szpilkowe J2. Na pin nr 1 zostało wyprowadzone napięcie zasilające mikrokontroler, którego podłączenie może być konieczne dla poprawnego działania niektórych programatorów.

Do mikrokontrolera dołączona jest pamięć EEPROM typu 24C04. Służy do przechowywania nastaw progów detekcji, aby nie zostały utracone po zaniku zasilania. Komunikacja odbywa się poprzez interfejs I2C, którego linie są podciągnięte do napięcia 3,3 V rezystorami o wartości 3,3 kΩ. To wystarczy, aby zapewnić odpowiednio niski czas narastania napięcia, przy tak krótkich połączeniach na płytce drukowanej.

Do wygodnego ustawiania dolnego i górnego progu służą cztery przyciski monostabilne typu microswitch S1…S4. Rezystory podciągające, które znajdują się w mikrokontrolerze, mogą się okazać niewystarczające podczas pracy w zakłóconym środowisku (ich rezystancja może wynosić od 25 kΩ do 55 kΩ), dlatego dodano zewnętrzne rezystory o wartości 3,3 kΩ. Może to mieć istotne znaczenie, gdyby połączenia między nimi a płytką zostały przedłużone przy użyciu przewodów.

Monitorowane napięcie, podawane na zacisk 3 w złączu J1, musi zostać podzielone z użyciem prostego dzielnika rezystancyjnego, aby dopasować jego zakres do możliwości przetwornika A/C. Dla zakresu do 10 V biorą w tym udział rezystory R13 oraz R12 z potencjometrem P2. Z kolei, dla zakresu do 100 V, jako „górne” rezystory dzielnika pracują połączone szeregowo R14 i R15. Wartości wszystkich tych elementów zostały tak dobrane, że bez kalibracji (z potencjometrem P1 ustawionym fabrycznie w połowie) układ będzie wskazywał wartość zbliżoną do prawidłowej.Kondensator C17 zawęża pasmo szumowe i wygładza szybkozmienne tętnienia, co poprawi dokładność pomiarów przetwornika. Dioda D2 chroni układ przed zniszczeniem w razie podania napięcia ujemnego lub zbyt wysokiego. Rezystor R11, przez który – w czasie prawidłowej pracy – niemal nie płynie prąd, jest ostatnim zabezpieczeniem wejścia przetwornika. Jego zadaniem jest ograniczenie czasu narastania napięcia na wbudowanych w mikrokontroler diodach zabezpieczających oraz zredukowanie płynącego przez nie prądu.

Ustalenie żądanego zakresu musi odbyć się dwiema niezależnymi zworkami JP1 i JP2. Pierwsza informuje mikrokontroler o położeniu kropki dziesiętnej na wyświetlaczu, a druga przełącza rezystory dzielnika napięcia. Rezystancja wejściowa układu wynosi około 10 kΩ dla zakresu 0…9,99 V lub około 115 kΩ dla zakresu 0…99,9 V. Kalibracja potencjometrem P1 jest wspólna dla obu zakresów, więc najpierw należy ustawić odpowiedni.

Sterowanie trzema dwukolorowymi wyświetlaczami siedmiosegmentowymi odbywa się przez dwa rejestry przesuwne typu 74HC595. Jeden z nich załącza poszczególne segmenty, a drugi całe cyfry. Zdecydowano się na zasilanie napięciem 5 V, aby móc możliwie prawidłowo kontrolować prądy poszczególnych segmentów – przy napięciu 3,3 V, na rezystorach R16… R23 odkładałoby się znacznie niższe napięcie, przez co segmenty czerwone mogłyby świecić zdecydowanie jaśniej od zielonych, gdyż płynąłby przez nie prąd o wyraźnie większym natężeniu. Anody poszczególnych cyfr są załączane przez tranzystory MOSFET z kanałem typu P. Wybrano takie rozwiązanie, ponieważ w stanie przewodzenia jest na nich niewielka strata napięcia. Ponadto, nie wymagają stosowania szeregowych rezystorów ograniczających prądy baz, co oszczędza miejsce na płytce i redukuje liczbę elementów.

Układy z serii HC, przy zasilaniu napięciem 5 V nie obsłużą prawidłowo sygnałów sterujących w logice 0 V/3,3 V, więc dodano prosty, jednokierunkowy translator poziomów napięć w postaci bufora 74AHCT125S14-13. Trzy linie (DATA – dane szeregowe, SHCP – zegar danych szeregowych, STCP – zegar aktualizujący rejestry wyjściowe) są sterowane z mikrokontrolera, a czwarta (OE – aktywacja wyjść) z prostego obwodu R8+C13.

Przez krótką chwilę od włączenia zasilania, na wejście aktywujące układu sterującego segmentami jest podawany stan wysoki, przez co wszystkie jego wyjścia są w stanie wysokiej impedancji. Zapobiega to nieestetycznemu mignięciu wyświetlacza, które wystąpi, zanim mikrokontroler podejmie pracę i wyczyści zawartość obu rejestrów szeregowych. Wyjścia układu US7, który steruje tranzystorami załączającymi anody, są cały czas aktywne, ponieważ sterują bramkami tranzystorów T1…T6. Dezaktywacja tych wyjść w stan wysokiej impedancji i tak nie zagwarantowałaby ich zatkania.

Wyjścia sygnalizujące relację między napięciem wejściowym a progami detekcji są sterowane przez tranzystory bipolarne T7…T9. Nasycenie któregoś z nich powoduje ściągnięcie potencjału danego wyjścia niemal do 0 V. Rezystory ograniczające prądy baz wymuszają przepływ prądu o natężeniu około 8 mA, co utrzyma te tranzystory w stanie nasycenia dla szerokiego zakresu prądów kolektora. Tranzystory typu BC817 mogą przewodzić prąd do 500 mA, a napięcie kolektor-emiter nie może przekraczać 50 V.

Montaż i uruchomienie

Układ został zmontowany na dwustronnej płytce drukowanej o wymiarach 72×75 mm, a jej schemat został pokazany na rysunku 2 i rysunku 3. W odległości 3 mm od krawędzi płytki znalazły się otwory montażowe o średnicy 3,2 mm.

Rysunek 2. Schemat montażowy i wzór ścieżek płytki – strona TOP
Rysunek 3. Schemat montażowy i wzór ścieżek płytki – strona BOTTOM

Montaż proponuję rozpocząć od elementów lutowanych powierzchniowo, które znajdują się na spodniej stronie płytki. Ich lokalizacja jest pokazana na rysunku 3. Następnie polecam przejść do elementów w obudowach przewlekanych, a na sam koniec wlutować przyciski oraz wyświetlacze. Prawidłowo zmontowany układ można zobaczyć na fotografii tytułowej oraz na fotografii 1.

Fotografia 1. Widok zmontowanego układu – strona BOTTOM

Na rysunku 4 pokazano rozmieszczenie wyświetlaczy i przycisków, co ułatwi wykonanie płyty czołowej do obudowy. Wysokość cyfr na wyświetlaczach wynosi 0,52” (13,2 mm).

Rysunek 4. Rozmieszczenie wyświetlaczy oraz przycisków na płytce

Zasilanie układu może odbywać się napięciem stałym, stabilizowanym o wartości 5 V (po wylutowaniu układu US1 i nałożeniu kropli cyny na zworkę SJ1) lub wyższym, już niekoniecznie stabilizowanym, kiedy US1 jest na swoim miejscu a zworka SJ1 rozwarta. Jego minimalna wartość może wtedy wynieść około 8 V, aby stabilizator typu 7805 mógł działać prawidłowo. Maksymalna wartość to około 20 V i jest związana ze znamionowym napięciem pracy kondensatora C1. Pobór prądu przez układ zmienia się zależnie od liczby włączonych segmentów, jednak nie przekracza wartości 90 mA. Z tego względu, przy zasilaniu układu napięciem 12 V lub wyższym, do stabilizatora US1 proponuję przykręcić niewielki radiator.

Eksploatacja

Prawidłowo zmontowany i zaprogramowany układ jest od razu gotowy do działania. Za pomocą zworek JP1 i JP2 należy wybrać zakres napięcia wejściowego: zwarcie wyprowadzeń 1 i 2 oznacza maksymalne napięcie 100 V, a 2 i 3 – 10 V. Obie zworki należy ustawić jednakowo, w przeciwnym razie układ nie będzie działał prawidłowo. Po włączeniu zasilania, na wyświetlaczu pojawi się aktualna wartość napięcia podanego na zacisk IN złącza J1, mierzonego względem masy układu. Potencjometrem P1 można dokonać kalibracji wskazań.

Wciskając przycisk S4, kolor wyświetlanych cyfr zmieni się na czerwony i układ wskaże wartość progu górnego. Przyciskami S1 i S2, nadal trzymając wciśnięty S4, można zmienić ten próg. Maksymalna wartość to 9,99 V lub 99,9 V, a minimalna nie może być niższa od progu dolnego. W analogiczny sposób należy ustawić próg dolny. Trzymając przycisk S3, kolor segmentów zmienia się na zielony i wyświetlana jest zapamiętana poprzednio wartość. Inkrementacja zatrzyma się przed progiem górnym. Po zwolnieniu przycisków, ustawienia są zapisywane w zewnętrznej, nieulotnej pamięci EEPROM, skąd układ pobierze je po ponownym włączeniu zasilania.

Podczas pracy układu, wyświetlacz może świecić na jeden z trzech kolorów. Jest to również związane ze stanem wyjść typu otwarty kolektor, wyprowadzonych na złącze J3. Szczegóły opisuje tabela 1. Po przekroczeniu zakresu pomiarowego, układ nie mierzy już napięcia, lecz wyświetla odpowiednie ostrzeżenie.

Tabela 1. Reakcja układu w zależności od wartości mierzonego napięcia
Wartość napięcia wejściowego Kolor świecenia wyświetlacza Wyjście zwarte do masy (na złączu J3)
Poniżej dolnego progu Zielony LO
Nie mniejsze niż dolny próg i nie większe niż górny Żółty OK
Przekracza wartość progu górnego Czerwony HI
Przekracza zakres pomiarowy Czerwony napis „Ovf” HI

Wyjścia typu otwarty kolektor, w postaci nasycających się tranzystorów NPN w układzie wspólnego emitera, nie są zabezpieczone przed uszkodzeniem spowodowanym przełączaniem obciążeń indukcyjnych – przykładowo, cewek przekaźników. Należy o tym pamiętać, dodając odpowiednie diody zabezpieczające tuż przy wyprowadzeniach takiego obciążenia.

Odświeżanie zawartości wyświetlacza i – tym samym – reakcja układu na napięcie wejściowe, następuje co około 500 ms. W tym czasie dokonuje on zebrania i uśrednienia 32768 próbek. Chwilowe skoki czy zakłócenia o charakterze szpilkowym zostaną w ten sposób dobrze odfiltrowane.

Michał Kurzela, EP

Wykaz elementów:
Rezystory:
  • R1, R2, R8: 10 kΩ SMD0805
  • R3: 1 Ω SMD0805
  • R4…R7, R9…R12: 3,3 kΩ SMD0805
  • R13: 7,5 kΩ SMD0805
  • R14, R15: 3,3 kΩ SMD0805
  • R16…R26: 330 Ω SMD0805
  • P1: 1 kΩ montażowy wieloobrotowy pionowy
Kondensatory:
  • C1: 220 μF/25 V raster 3,5 mm
  • C2…C4, C6, C8, C10, C11, C14, C16…C19, C21: 100 nF SMD0805
  • C5, C7, C9, C12, C13, C15, C20: 10 μF/16 V SMD0805
Półprzewodniki:
  • D1: SS14
  • D2: BAT54S
  • DISP1…DISP3: AS05219BMRMG
  • T1…T6: BSS84
  • T7…T9: BC817
  • US1: 7805 TO220
  • US2: LD1117S33TR SOT223
  • US3: STM32F051K8T6 TQFP32
  • US4: 24C04 SO8
  • US5: 74AHCT125S14-13 SO14
  • US6, US7: 74HC595 SO16
Inne:
  • J1, J3: ARK3/500
  • J2: goldpin 5 pin męski 2,54 mm THT
  • JP1, JP2: goldpin 3 pin męski 2,54 mm THT + zworka
  • S1…S4 microswitch 6×6 17 mm THT
  • radiator TO220 (opis w tekście)
Artykuł ukazał się w
Elektronika Praktyczna
wrzesień 2020
DO POBRANIA
Pobierz PDF Download icon
Materiały dodatkowe
Elektronika Praktyczna Plus lipiec - grudzień 2012

Elektronika Praktyczna Plus

Monograficzne wydania specjalne

Elektronik listopad 2025

Elektronik

Magazyn elektroniki profesjonalnej

Raspberry Pi 2015

Raspberry Pi

Wykorzystaj wszystkie możliwości wyjątkowego minikomputera

Świat Radio listopad - grudzień 2025

Świat Radio

Magazyn krótkofalowców i amatorów CB

Automatyka, Podzespoły, Aplikacje listopad - grudzień 2025

Automatyka, Podzespoły, Aplikacje

Technika i rynek systemów automatyki

Elektronika Praktyczna listopad 2025

Elektronika Praktyczna

Międzynarodowy magazyn elektroników konstruktorów

Elektronika dla Wszystkich grudzień 2025

Elektronika dla Wszystkich

Interesująca elektronika dla pasjonatów